TESCOM
Tescom 44-1300 Serien
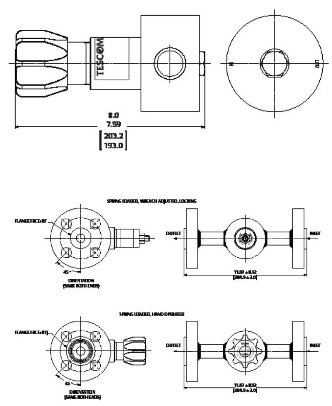
er en high pressure, high flow trykreducernede regulator som tilbyder venting og balanceret ventil som standard. 44-1300 Serien kan fås med Cv = 0.8 og 2.0, samt både Dome og air loaded.
Applikationer
Fordele
Stor piston sensor
Balanceret ventil
Stort håndtag
Venting som standard
Tilgængelig med "gauge porte"
Dome og Air loaded modeller (non venting)
Kan fås med flange tilslutninger
Tescom 44-1300 Serien
er en high pressure, high flow trykreducernede regulator som tilbyder venting og balanceret ventil som standard. 44-1300 Serien kan fås med Cv = 0.8 og 2.0, samt både Dome og air loaded.
Applikationer
Fordele
Stor piston sensor
Balanceret ventil
Stort håndtag
Venting som standard
Tilgængelig med "gauge porte"
Dome og Air loaded modeller (non venting)
Kan fås med flange tilslutninger
M&S’ vinkelfiltre og snavssamlere er udviklet til effektiv filtrering og opsamling af procesrester i fødevareindustrien, hvor driftssikkerhed, hygiejne og nem service er afgørende. Et vinkelfilter til fødevarer anvendes til pumpbare medier og beskytter kritiske komponenter som pumper, ventiler og varmevekslere mod slid, tilstopning og uplanlagte driftsstop.
Når det kommer til komponenter, der skal anvendes i fødevareproduktion, sætter vi kvalitet og sikkerhed i højsædet for at sikre, at de lever op til de højeste standarder og følger branchens regler. Ved valg af komponenter er materialevalg, korrekt godkendelse, kompatibilitet og pålidelighed helt afgørende faktorer i denne branche. Hver komponent skal vælges omhyggeligt og tilpasses for at imødekomme de strenge krav, der stilles.
Nu kan du få præfabrikerede og konfigurerbare trykdæksler leveret på kun 2 uger – en hurtig og fleksibel løsning, der sparer dig både tid og besvær.
Efterhånden som kravene til pålidelig niveau- og flowmåling stiger, bliver behovet for smartere og mere robust teknologi stadig vigtigere. Med Rosemount 1208 niveau- og flowradar præsenterer vi hos OEM Automatic en ny, berøringsfri niveauradar, der kombinerer høj præcision med nem installation – uanset om det er vand, havre eller kemikalier.
Vi tilbyder et bredt udvalg af Tescom trykregulatorer, der dækker alt fra laboratorieanalyser til industrielle gasinstallationer. Tescom er kendt for sin høje kvalitet, fleksibilitet og pålidelighed – uanset om du arbejder med brandfarlige gasser, kalibreringsudstyr eller trykpaneler.
Har I brug for et tankdæksel eller tanklåg, der opfylder specifikke krav? Så er I kommet til det rigtige sted. Hos OEM Automatic Klitsø samarbejder vi med den tyske producent Zimmerlin for at kunne tilbyde kundetilpassede tankdæksler og tanklåg i rustfrit og syrefast stål – velegnede til både indendørs og udendørs miljøer.
Zimmerlin er en erfaren og innovativ producent med høj teknisk ekspertise og stort fokus på kvalitet og kundeønsker. Uanset om I søger en standardløsning eller har behov for en specialdesignet konstruktion, er de – og vi – en pålidelig partner gennem hele processen.
|
|
|
|
|
|
||
|---|---|---|---|---|---|---|
|
|
|
|
|
|
||
|
|
|
|
|
|
||
|
|
|
|
|
|
||
|
|
|
|
|
|
||
|
|
|
|
|
|
||
|
|
|
|
|
|
| Favoritter | Artikler | Pris | |
|---|---|---|---|
44-1312-1081
Art:
44-1312-1081
Kopieret
|
|
||
44-1312-1082
Art:
44-1312-1082
Kopieret
|
|
||
44-1312-1121
Art:
44-1312-1121
Kopieret
|
|
||
44-1312-1122
Art:
44-1312-1122
Kopieret
|
|
||
44-1312-2081
Art:
44-1312-2081
Kopieret
|
|
||
44-1312-2082
Art:
44-1312-2082
Kopieret
|
|
||
44-1312-2121
Art:
44-1312-2121
Kopieret
|
|
||
44-1312-2122
Art:
44-1312-2122
Kopieret
|
|
||
44-1312-3081
Art:
44-1312-3081
Kopieret
|
|
||
44-1312-3082
Art:
44-1312-3082
Kopieret
|
|
||
44-1312-3121
Art:
44-1312-3121
Kopieret
|
|
||
44-1312-3122
Art:
44-1312-3122
Kopieret
|
|
||
44-1312-9081
Art:
44-1312-9081
Kopieret
|
|
||
44-1312-9082
Art:
44-1312-9082
Kopieret
|
|
||
44-1312-9121
Art:
44-1312-9121
Kopieret
|
|
||
44-1312-9122
Art:
44-1312-9122
Kopieret
|
|
||
44-1313-1081
Art:
44-1313-1081
Kopieret
|
|
||
44-1313-1082
Art:
44-1313-1082
Kopieret
|
|
||
44-1313-1121
Art:
44-1313-1121
Kopieret
|
|
||
44-1313-1122
Art:
44-1313-1122
Kopieret
|
|
||
44-1313-2081
Art:
44-1313-2081
Kopieret
|
|
||
44-1313-2082
Art:
44-1313-2082
Kopieret
|
|
||
44-1313-2121
Art:
44-1313-2121
Kopieret
|
|
||
44-1313-2122
Art:
44-1313-2122
Kopieret
|
|
||
44-1313-3081
Art:
44-1313-3081
Kopieret
|
|
||
44-1313-3082
Art:
44-1313-3082
Kopieret
|
|
||
44-1313-3121
Art:
44-1313-3121
Kopieret
|
|
||
44-1313-3122
Art:
44-1313-3122
Kopieret
|
|
||
44-1313-9081
Art:
44-1313-9081
Kopieret
|
|
||
44-1313-9082
Art:
44-1313-9082
Kopieret
|
|
||
44-1313-9121
Art:
44-1313-9121
Kopieret
|
|
||
44-1313-9122
Art:
44-1313-9122
Kopieret
|
|
||
44-1315-1081
Art:
44-1315-1081
Kopieret
|
|
||
44-1315-1082
Art:
44-1315-1082
Kopieret
|
|
||
44-1315-1121
Art:
44-1315-1121
Kopieret
|
|
||
44-1315-1122
Art:
44-1315-1122
Kopieret
|
|
||
44-1315-2081
Art:
44-1315-2081
Kopieret
|
|
||
44-1315-2082
Art:
44-1315-2082
Kopieret
|
|
||
44-1315-2121
Art:
44-1315-2121
Kopieret
|
|
||
44-1315-2122
Art:
44-1315-2122
Kopieret
|
|
||
44-1315-3081
Art:
44-1315-3081
Kopieret
|
|
||
44-1315-3082
Art:
44-1315-3082
Kopieret
|
|
||
44-1315-3121
Art:
44-1315-3121
Kopieret
|
|
||
44-1315-3122
Art:
44-1315-3122
Kopieret
|
|
||
44-1315-9081
Art:
44-1315-9081
Kopieret
|
|
||
44-1315-9082
Art:
44-1315-9082
Kopieret
|
|
||
44-1315-9121
Art:
44-1315-9121
Kopieret
|
|
||
44-1315-9122
Art:
44-1315-9122
Kopieret
|
|
||
44-1316-1081
Art:
44-1316-1081
Kopieret
|
|
||
44-1316-1082
Art:
44-1316-1082
Kopieret
|
|
||
44-1316-1121
Art:
44-1316-1121
Kopieret
|
|
||
44-1316-1122
Art:
44-1316-1122
Kopieret
|
|
||
44-1316-2081
Art:
44-1316-2081
Kopieret
|
|
||
44-1316-2082
Art:
44-1316-2082
Kopieret
|
|
||
44-1316-2121
Art:
44-1316-2121
Kopieret
|
|
||
44-1316-2122
Art:
44-1316-2122
Kopieret
|
|
||
44-1316-3081
Art:
44-1316-3081
Kopieret
|
|
||
44-1316-3082
Art:
44-1316-3082
Kopieret
|
|
||
44-1316-3121
Art:
44-1316-3121
Kopieret
|
|
||
44-1316-3122
Art:
44-1316-3122
Kopieret
|
|
||
44-1316-9081
Art:
44-1316-9081
Kopieret
|
|
||
44-1316-9082
Art:
44-1316-9082
Kopieret
|
|
||
44-1316-9121
Art:
44-1316-9121
Kopieret
|
|
||
44-1316-9122
Art:
44-1316-9122
Kopieret
|
|
||
44-1317-1081
Art:
44-1317-1081
Kopieret
|
|
||
44-1317-1082
Art:
44-1317-1082
Kopieret
|
|
||
44-1317-1121
Art:
44-1317-1121
Kopieret
|
|
||
44-1317-1122
Art:
44-1317-1122
Kopieret
|
|
||
44-1317-2081
Art:
44-1317-2081
Kopieret
|
|
||
44-1317-2082
Art:
44-1317-2082
Kopieret
|
|
||
44-1317-2121
Art:
44-1317-2121
Kopieret
|
|
||
44-1317-2122
Art:
44-1317-2122
Kopieret
|
|
||
44-1317-3081
Art:
44-1317-3081
Kopieret
|
|
||
44-1317-3082
Art:
44-1317-3082
Kopieret
|
|
||
44-1317-3121
Art:
44-1317-3121
Kopieret
|
|
||
44-1317-3122
Art:
44-1317-3122
Kopieret
|
|
||
44-1317-9081
Art:
44-1317-9081
Kopieret
|
|
||
44-1317-9082
Art:
44-1317-9082
Kopieret
|
|
||
44-1317-9121
Art:
44-1317-9121
Kopieret
|
|
||
44-1317-9122
Art:
44-1317-9122
Kopieret
|
|
||
44-1362-1081
Art:
44-1362-1081
Kopieret
|
|
||
44-1362-1082
Art:
44-1362-1082
Kopieret
|
|
||
44-1362-1121
Art:
44-1362-1121
Kopieret
|
|
||
44-1362-1122
Art:
44-1362-1122
Kopieret
|
|
||
44-1362-2081
Art:
44-1362-2081
Kopieret
|
|
||
44-1362-2082
Art:
44-1362-2082
Kopieret
|
|
||
44-1362-2121
Art:
44-1362-2121
Kopieret
|
|
||
44-1362-2122
Art:
44-1362-2122
Kopieret
|
|
||
44-1362-3081
Art:
44-1362-3081
Kopieret
|
|
||
44-1362-3082
Art:
44-1362-3082
Kopieret
|
|
||
44-1362-3121
Art:
44-1362-3121
Kopieret
|
|
||
44-1362-3122
Art:
44-1362-3122
Kopieret
|
|
||
44-1362-9081
Art:
44-1362-9081
Kopieret
|
|
||
44-1362-9082
Art:
44-1362-9082
Kopieret
|
|
||
44-1362-9121
Art:
44-1362-9121
Kopieret
|
|
||
44-1362-9122
Art:
44-1362-9122
Kopieret
|
|
||
44-1363-1081
Art:
44-1363-1081
Kopieret
|
|
||
44-1363-1082
Art:
44-1363-1082
Kopieret
|
|
||
44-1363-1121
Art:
44-1363-1121
Kopieret
|
|
||
44-1363-1122
Art:
44-1363-1122
Kopieret
|
|
||
44-1363-2081
Art:
44-1363-2081
Kopieret
|
|
||
44-1363-2082
Art:
44-1363-2082
Kopieret
|
|
||
44-1363-2121
Art:
44-1363-2121
Kopieret
|
|
||
44-1363-2122
Art:
44-1363-2122
Kopieret
|
|
||
44-1363-3081
Art:
44-1363-3081
Kopieret
|
|
||
44-1363-3082
Art:
44-1363-3082
Kopieret
|
|
||
44-1363-3121
Art:
44-1363-3121
Kopieret
|
|
||
44-1363-3122
Art:
44-1363-3122
Kopieret
|
|
||
44-1363-9081
Art:
44-1363-9081
Kopieret
|
|
||
44-1363-9082
Art:
44-1363-9082
Kopieret
|
|
||
44-1363-9121
Art:
44-1363-9121
Kopieret
|
|
||
44-1363-9122
Art:
44-1363-9122
Kopieret
|
|
||
44-1365-1081
Art:
44-1365-1081
Kopieret
|
|
||
44-1365-1082
Art:
44-1365-1082
Kopieret
|
|
||
44-1365-1121
Art:
44-1365-1121
Kopieret
|
|
||
44-1365-1122
Art:
44-1365-1122
Kopieret
|
|
||
44-1365-2081
Art:
44-1365-2081
Kopieret
|
|
||
44-1365-2082
Art:
44-1365-2082
Kopieret
|
|
||
44-1365-2121
Art:
44-1365-2121
Kopieret
|
|
||
44-1365-2122
Art:
44-1365-2122
Kopieret
|
|
||
44-1365-3081
Art:
44-1365-3081
Kopieret
|
|
||
44-1365-3082
Art:
44-1365-3082
Kopieret
|
|
||
44-1365-3121
Art:
44-1365-3121
Kopieret
|
|
||
44-1365-3122
Art:
44-1365-3122
Kopieret
|
|
||
44-1365-9081
Art:
44-1365-9081
Kopieret
|
|
||
44-1365-9082
Art:
44-1365-9082
Kopieret
|
|
||
44-1365-9121
Art:
44-1365-9121
Kopieret
|
|
||
44-1365-9122
Art:
44-1365-9122
Kopieret
|
|
||
44-1366-1081
Art:
44-1366-1081
Kopieret
|
|
||
44-1366-1082
Art:
44-1366-1082
Kopieret
|
|
||
44-1366-1121
Art:
44-1366-1121
Kopieret
|
|
||
44-1366-1122
Art:
44-1366-1122
Kopieret
|
|
||
44-1366-2081
Art:
44-1366-2081
Kopieret
|
|
||
44-1366-2082
Art:
44-1366-2082
Kopieret
|
|
||
44-1366-2121
Art:
44-1366-2121
Kopieret
|
|
||
44-1366-2122
Art:
44-1366-2122
Kopieret
|
|
||
44-1366-3081
Art:
44-1366-3081
Kopieret
|
|
||
44-1366-3082
Art:
44-1366-3082
Kopieret
|
|
||
44-1366-3121
Art:
44-1366-3121
Kopieret
|
|
||
44-1366-3122
Art:
44-1366-3122
Kopieret
|
|
||
44-1366-9081
Art:
44-1366-9081
Kopieret
|
|
||
44-1366-9082
Art:
44-1366-9082
Kopieret
|
|
||
44-1366-9121
Art:
44-1366-9121
Kopieret
|
|
||
44-1366-9122
Art:
44-1366-9122
Kopieret
|
|
||
44-1367-1081
Art:
44-1367-1081
Kopieret
|
|
||
44-1367-1082
Art:
44-1367-1082
Kopieret
|
|
||
44-1367-1121
Art:
44-1367-1121
Kopieret
|
|
||
44-1367-1122
Art:
44-1367-1122
Kopieret
|
|
||
44-1367-2081
Art:
44-1367-2081
Kopieret
|
|
||
44-1367-2082
Art:
44-1367-2082
Kopieret
|
|
||
44-1367-2121
Art:
44-1367-2121
Kopieret
|
|
||
44-1367-2122
Art:
44-1367-2122
Kopieret
|
|
||
44-1367-3081
Art:
44-1367-3081
Kopieret
|
|
||
44-1367-3082
Art:
44-1367-3082
Kopieret
|
|
||
44-1367-3121
Art:
44-1367-3121
Kopieret
|
|
||
44-1367-3122
Art:
44-1367-3122
Kopieret
|
|
||
44-1367-9081
Art:
44-1367-9081
Kopieret
|
|
||
44-1367-9082
Art:
44-1367-9082
Kopieret
|
|
||
44-1367-9121
Art:
44-1367-9121
Kopieret
|
|
||
44-1367-9122
Art:
44-1367-9122
Kopieret
|
|
||
44-1300 serien
Art:
44-1300
Kopieret
|
|
Vælg en variant på listen