TAKEX

Fiberforstærker serie F70A

Enkel forstærker med digitalt display

Fiberforstærker som er let at bruge med Teach In. Funktioner og indstillinger vælges ved hjælp af to knapper. Automatisk indstilling til stationære og bevægelige objekter.

LCD-display viser signalniveau og valgte funktioner. Lys/mørk-kontakt, tidsfunktion og interferensbeskyttelse for 2 kanaler.

Forstærkeren har også manuel følsomhedsjustering. Små dimensioner, 9 mm bred.


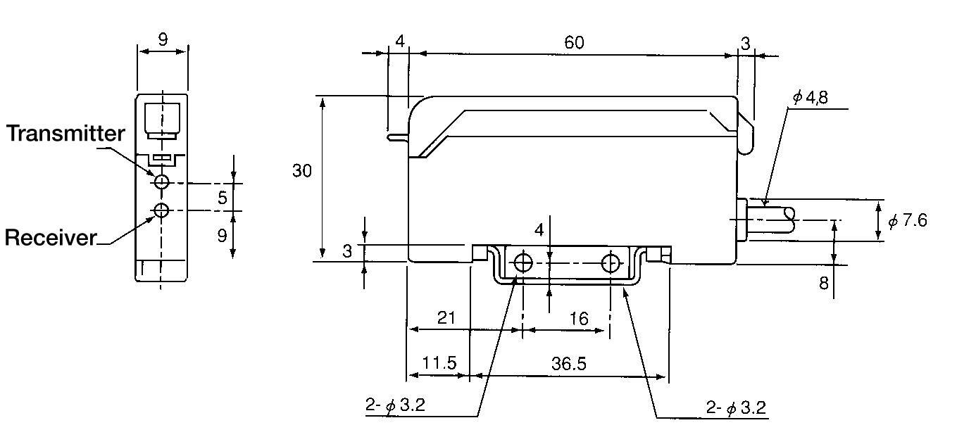
Mål

Med kabel

F70A - Mått

 

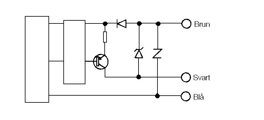
Tilslutning

F70A - Inkoppling

Kabelfarve

 

F70A - Inkoppling

Brun (1)

+12-24 V DC

Blå (3)

-0 V

Sort (4)

Udgang

Tallet i parentes angiver stikbenet på M8-stikket.

 

F70A - Utförande

 

Indstilling

 

Automatisk indstilling for stationære objekter

1.

Funktionskontakt i position Set.

F70A - Inställning

2.

»T« blinker, når forstærkeren er klar

3.

Uden nogen objekter skal du trykke på den røde Set-knap

(baggrunden indlæses), og LED'erne blinker..

F70A - Inställning

F70A - Inställning

4.

Placer objektet. Tryk på den røde Set-knap.

(Objektet læses ind) LED'erne holder op med at blinke..

5.

Funktionskontakt i position RUN.

Indstillingen er færdig.

 

Automatisk indstilling af bevægelige objekter

1.

Funktionskontakt i position Set.

F70A - Inställning

2.

»T« blinker, når forstærkeren er klar

3.

Tryk på den røde Set-knap: min. i 3 sekunder 

F70A - Inställning

4.

Dioderne begynder at blinke med længere intervaller

F70A - Inställning

5.

Hold knappen nede, mens objektet passerer fiberen.

6.

Slip den røde Set-knap, og indstil funktionskontakten til RUN-tilstand.

 

Indstillingen er færdig.

  • Teach In-funktion
  • Høj forstærkning, lange afstande
  • Beskyttelse mod interferens (2 x forstærkere)
  • Små byggemål (9 mm)

Udvalgt variant

Udvalgt variant

Specifikationer

Effektforbrug 0,05 A
Elektrisk tilslutning Indstøbt kabel 2m
Fotocelleteknik Fiberforstærker
Funktion Mørkkoblet/Lyskoblet
Godkendelser CE
IP-klasse IP40
Light / Dark Switching Ja
Lystype Rød LED
Reaktionstid 1,6 ms
Sensitivity Setting Teach In
Spænding DC max 24 V
Spænding DC min 12 V
Temperaturområde fra -25 °C
Temperaturområde til 55 °C
Time Function On-Delay/Off-Delay 40 ms
Udgang PNP
Udgangsstrøm max 0,1 A

Mål & tilslutninger

Produktbeskrivelse

Fiberforstærker som er let at bruge med Teach In. Funktioner og indstillinger vælges ved hjælp af to knapper. Automatisk indstilling til stationære og bevægelige objekter.

LCD-display viser signalniveau og valgte funktioner. Lys/mørk-kontakt, tidsfunktion og interferensbeskyttelse for 2 kanaler.

Forstærkeren har også manuel følsomhedsjustering. Små dimensioner, 9 mm bred.


Mål

Med kabel

F70A - Mått

 

Tilslutning

F70A - Inkoppling

Kabelfarve

 

F70A - Inkoppling

Brun (1)

+12-24 V DC

Blå (3)

-0 V

Sort (4)

Udgang

Tallet i parentes angiver stikbenet på M8-stikket.

 

F70A - Utförande

 

Indstilling

 

Automatisk indstilling for stationære objekter

1.

Funktionskontakt i position Set.

F70A - Inställning

2.

»T« blinker, når forstærkeren er klar

3.

Uden nogen objekter skal du trykke på den røde Set-knap

(baggrunden indlæses), og LED'erne blinker..

F70A - Inställning

F70A - Inställning

4.

Placer objektet. Tryk på den røde Set-knap.

(Objektet læses ind) LED'erne holder op med at blinke..

5.

Funktionskontakt i position RUN.

Indstillingen er færdig.

 

Automatisk indstilling af bevægelige objekter

1.

Funktionskontakt i position Set.

F70A - Inställning

2.

»T« blinker, når forstærkeren er klar

3.

Tryk på den røde Set-knap: min. i 3 sekunder 

F70A - Inställning

4.

Dioderne begynder at blinke med længere intervaller

F70A - Inställning

5.

Hold knappen nede, mens objektet passerer fiberen.

6.

Slip den røde Set-knap, og indstil funktionskontakten til RUN-tilstand.

 

Indstillingen er færdig.

Tilbehør

Dis sensor istedet for kviksølvsafbrydere
Tips og guides

Derfor skal du skifte fra kviksølvsafbrydere til DIS-sensorer

I mange år har kviksølvsafbrydere været anvendt i industrien, særligt i lifte og andre tunge maskiner, på grund af deres pålidelighed og holdbarhed. Men med stigende fokus på miljø- og sundhedsrisici er det blevet afgørende at erstatte dem med sikrere alternativer som DIS-sensorer.

Senseca opkober to virksomheder_front
Produktnyheder

Senseca styrker sin position med strategiske opkøb

Senseca styrker sin position med opkøbet af Biral og Geonica, der bringer ekspertise inden for miljømåling og sensorteknologi. Dette strategiske skridt kombinerer avanceret teknologi og bæredygtige løsninger til Smart City-udvikling, vedvarende energi og præcisionsmålinger.

Vi er nu distributør
Virksomhedsnyt

GAC Governors America Corp

Pr. 15. Februar 2026 er OEM Automatic Klitsø A/S dansk distributør for GAC (Governors America Corp.).

Powerstart Listing
Virksomhedsnyt

Powerstart Limited

Pr. 15. Februar 2026 er OEM Automatic Klitsø A/S dansk distributør for Powerstart Limited.

Skueglas og belysning Listing
Tips og guides

Procesovervågning til lukkede og krævende miljøer

Hos os får du gennemprøvede løsninger til procesovervågning og visuel inspektion i lukkede beholdere og anlæg. Sortimentet omfatter skueglas og belysning fra FH Papenmeier, udviklet til brug i både standard- og krævende industrielle miljøer.

MS filtre
Produktnyheder

Driftssikker filtrering til fødevareprocesser

M&S’ vinkelfiltre og snavssamlere er udviklet til effektiv filtrering og opsamling af procesrester i fødevareindustrien, hvor driftssikkerhed, hygiejne og nem service er afgørende. Et vinkelfilter til fødevarer anvendes til pumpbare medier og beskytter kritiske komponenter som pumper, ventiler og varmevekslere mod slid, tilstopning og uplanlagte driftsstop.

Favoritter Artikler Elektrisk tilslutning Lystype Pris
Indstøbt kabel 2m
Rød LED
4-polet kontakt M8 stik
Rød LED
Indstøbt kabel 2m
Blå LED
4-polet kontakt M8 stik
Blå LED
Indstøbt kabel 2m
Grøn LED
4-polet kontakt M8 stik
Grøn LED
Indstøbt kabel 2m
Hvid LED
4-polet kontakt M8 stik
Hvid LED

Udvalgt variant

Vælg en variant på listen

Teknisk rådgivning

Julie Magtengaard

Produktchef, El Automation

Kundeservice
Har du har brug for hjælp? Kontakt os:
Har du brug for hjælp? Klik her!
Logo

COOKIE-INDSTILLINGER FOR OEMKLITSO.DK

Cookies hjælper os med at forbedre din oplevelse med os. Så for at kunne analysere trafikken, håndtere loginoplysninger, tilbyde dig personlige oplysninger og for at grundlæggende funktionalitet kan fungere på webssitet, skal vi bruge nogle cookies.

NØDVENDIGE COOKIES

Disse cookies er nødvendige for, at webstedet fungerer og kan ikke slås fra i vores systemer. De bruges normalt kun som reaktion på handlinger, du har foretaget i forbindelse med en serviceanmodning, f.eks. Når du angiver personlige præferencer, logger ind eller udfylder en formular.

ANALYSE OG MÅLING

Disse cookies giver os mulighed for at tælle antallet af besøg og trafikkilder, så vi kan måle og forbedre vores websteds ydeevne. De hjælper os med at vide, hvilke sider der er mere eller mindre populære, og hvordan besøgende navigerer rundt på webstedet. De oplysninger, som disse cookies indsamler, er aggregerede og derfor helt anonyme. Hvis du ikke tillader disse cookies, ved vi ikke, hvornår du har besøgt vores websted.

MARKEDSFØRING

Disse cookies kan tilføjes af vores partnere. De kan bruge dem til at oprette en profil af dig baseret på dine interesser for at vise dig mere relevante oplysninger. De gemmer ingen personlige oplysninger - kun oplysninger om din browser og enhed. Hvis du ikke accepterer disse cookies, får du en mere generel og mindre tilpasset brugeroplevelse.