TAKEX

Fiberforstærker serie F71

Kompakt forstærker med potentiometer-indstilling

Denne kompakte sensorforstærker er designet til industrielle applikationer, hvor pladsbesparelse, hurtig reaktion og stabil signalbehandling er afgørende. Med et 8-omgangs potentiometer med tydelig skala opnås nem og præcis justering af følsomheden.

Forstærkeren er udstyret med optisk interferensbeskyttelse, som forhindrer op til 8 nærliggende enheder i at reagere på hinandens lys (undtaget F71RH). Dette gør løsningen ideel til installationer med tætte detekteringspunkter, hvor uønsket krydsreaktion ellers kan give fejlsignaler.

F71RH-modellen tilbyder en ekstremt hurtig responstid, hvilket gør den velegnet til krævende opgaver som farvemærkedetektering på hurtige transportbånd eller måling af omdrejningstal ved høje hastigheder.


Derudover har forstærkeren LED-indikering for både udgangssignal og stabilt indgangssignal samt funktioner som light/dark-on, tidsfunktion og alarmudgang, hvilket sikrer fleksibel integration i moderne automations- og overvågningssystemer.

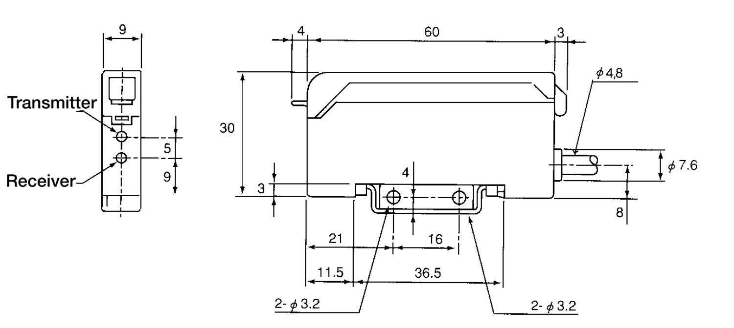
Dimensioner

Med kabel

F71 - Mått

 

Med M8-kontakt

F71 - Mått

Forbindelse

F71 - Inkoppling
Tallet i parentes angiver stikbenet på M8-stikket.

Kabelfarve

 

F71 - Inkoppling

Brun (1)

+12-24 V DC

Sort (4)

Udgang

Orange (2)

STB Udgang

Blå (3)

0 V

F71 - Utförande

 

Valg af interferensbeskyttelse

F71 - Utförande

Interferensbeskyttelse på 4 enheder. (Reaktionstid 250 µs.)

 

Interferensbeskyttelse på 8 enheder. (Reaktionstid 500 µs.)

 

Turbofunktion
• 
Når interferensafbryderen er indstillet til »8«, er turbofunktionen aktiv. 8 enheder har interferensbeskyttelse. Når turbofunktionen er aktiv, er responstiden 500 µs, men registreringsafstanden reduceres med ca. 30 %.

Interferensbeskyttelse

• Denne forstærkerserie har gensidig interferensbeskyttelse via optisk transmission. Der er vinduer på siden af forstærkeren til optisk transmission. Placer enhederne på DIN-skinnen med vinduerne vendt mod hinanden for at sikre korrekt funktion.

F71 - Utförande

 

F71RH

F71RH - Utförande

 

Takex

  • Beskyttelse mod interferens for op til 8 forstærkere, ikke F71RH
  • Hurtig reaktionstid F71RH 30 µs
  • Potentiometerindstilling (8 omdrejninger)
  • Små byggemål (9 mm)

Udvalgt variant

Udvalgt variant

Specifikationer

Effektforbrug 0,04 A
Elektrisk tilslutning Indstøbt kabel 2m
Fotocelleteknik Fiberforstærker
Funktion Mørkkoblet/Lyskoblet
Godkendelser CE
IP-klasse IP40
Light / Dark Switching Ja
Lystype Rød LED
Reaktionstid 0,25 ms
Sensitivity Setting Potentiometer
Spænding DC max 24 V
Spænding DC min 12 V
Temperaturområde fra -25 °C
Temperaturområde til 55 °C
Time Function On-Delay/Off-Delay 40 ms
Udgang PNP
Udgangsstrøm max 0,1 A

Mål & tilslutninger

Tekniske illustrationer

Produktbeskrivelse

Denne kompakte sensorforstærker er designet til industrielle applikationer, hvor pladsbesparelse, hurtig reaktion og stabil signalbehandling er afgørende. Med et 8-omgangs potentiometer med tydelig skala opnås nem og præcis justering af følsomheden.

Forstærkeren er udstyret med optisk interferensbeskyttelse, som forhindrer op til 8 nærliggende enheder i at reagere på hinandens lys (undtaget F71RH). Dette gør løsningen ideel til installationer med tætte detekteringspunkter, hvor uønsket krydsreaktion ellers kan give fejlsignaler.

F71RH-modellen tilbyder en ekstremt hurtig responstid, hvilket gør den velegnet til krævende opgaver som farvemærkedetektering på hurtige transportbånd eller måling af omdrejningstal ved høje hastigheder.


Derudover har forstærkeren LED-indikering for både udgangssignal og stabilt indgangssignal samt funktioner som light/dark-on, tidsfunktion og alarmudgang, hvilket sikrer fleksibel integration i moderne automations- og overvågningssystemer.

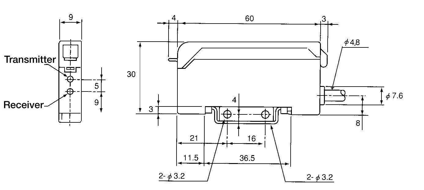
Dimensioner

Med kabel

F71 - Mått

 

Med M8-kontakt

F71 - Mått

Forbindelse

F71 - Inkoppling
Tallet i parentes angiver stikbenet på M8-stikket.

Kabelfarve

 

F71 - Inkoppling

Brun (1)

+12-24 V DC

Sort (4)

Udgang

Orange (2)

STB Udgang

Blå (3)

0 V

F71 - Utförande

 

Valg af interferensbeskyttelse

F71 - Utförande

Interferensbeskyttelse på 4 enheder. (Reaktionstid 250 µs.)

 

Interferensbeskyttelse på 8 enheder. (Reaktionstid 500 µs.)

 

Turbofunktion
• 
Når interferensafbryderen er indstillet til »8«, er turbofunktionen aktiv. 8 enheder har interferensbeskyttelse. Når turbofunktionen er aktiv, er responstiden 500 µs, men registreringsafstanden reduceres med ca. 30 %.

Interferensbeskyttelse

• Denne forstærkerserie har gensidig interferensbeskyttelse via optisk transmission. Der er vinduer på siden af forstærkeren til optisk transmission. Placer enhederne på DIN-skinnen med vinduerne vendt mod hinanden for at sikre korrekt funktion.

F71 - Utförande

 

F71RH

F71RH - Utförande

 

Takex

Tilbehør

Relaterede produkter

Dis sensor istedet for kviksølvsafbrydere
Tips og guides

Derfor skal du skifte fra kviksølvsafbrydere til DIS-sensorer

I mange år har kviksølvsafbrydere været anvendt i industrien, særligt i lifte og andre tunge maskiner, på grund af deres pålidelighed og holdbarhed. Men med stigende fokus på miljø- og sundhedsrisici er det blevet afgørende at erstatte dem med sikrere alternativer som DIS-sensorer.

Senseca opkober to virksomheder_front
Produktnyheder

Senseca styrker sin position med strategiske opkøb

Senseca styrker sin position med opkøbet af Biral og Geonica, der bringer ekspertise inden for miljømåling og sensorteknologi. Dette strategiske skridt kombinerer avanceret teknologi og bæredygtige løsninger til Smart City-udvikling, vedvarende energi og præcisionsmålinger.

Vi er nu distributør
Virksomhedsnyt

GAC Governors America Corp

Pr. 15. Februar 2026 er OEM Automatic Klitsø A/S dansk distributør for GAC (Governors America Corp.).

Powerstart Listing
Virksomhedsnyt

Powerstart Limited

Pr. 15. Februar 2026 er OEM Automatic Klitsø A/S dansk distributør for Powerstart Limited.

Skueglas og belysning Listing
Tips og guides

Procesovervågning til lukkede og krævende miljøer

Hos os får du gennemprøvede løsninger til procesovervågning og visuel inspektion i lukkede beholdere og anlæg. Sortimentet omfatter skueglas og belysning fra FH Papenmeier, udviklet til brug i både standard- og krævende industrielle miljøer.

MS filtre
Produktnyheder

Driftssikker filtrering til fødevareprocesser

M&S’ vinkelfiltre og snavssamlere er udviklet til effektiv filtrering og opsamling af procesrester i fødevareindustrien, hvor driftssikkerhed, hygiejne og nem service er afgørende. Et vinkelfilter til fødevarer anvendes til pumpbare medier og beskytter kritiske komponenter som pumper, ventiler og varmevekslere mod slid, tilstopning og uplanlagte driftsstop.

Favoritter Artikler Elektrisk tilslutning Lystype Reaktionstid Pris
Indstøbt kabel 2m
Rød LED
0,25 ms
4-polet kontakt M8 stik
Rød LED
0,25 ms
Indstøbt kabel 2m
Grøn LED
0,25 ms
4-polet kontakt M8 stik
Grøn LED
0,25 ms
Indstøbt kabel 2m
Blå LED
0,25 ms
Indstøbt kabel 2m
Hvid LED
0,25 ms
Indstøbt kabel 2m
Rød LED
0,03 ms

Udvalgt variant

Vælg en variant på listen

Teknisk rådgivning

Julie Magtengaard

Produktchef, El Automation

Kundeservice
Har du har brug for hjælp? Kontakt os:
Har du brug for hjælp? Klik her!
Logo

COOKIE-INDSTILLINGER FOR OEMKLITSO.DK

Cookies hjælper os med at forbedre din oplevelse med os. Så for at kunne analysere trafikken, håndtere loginoplysninger, tilbyde dig personlige oplysninger og for at grundlæggende funktionalitet kan fungere på webssitet, skal vi bruge nogle cookies.

NØDVENDIGE COOKIES

Disse cookies er nødvendige for, at webstedet fungerer og kan ikke slås fra i vores systemer. De bruges normalt kun som reaktion på handlinger, du har foretaget i forbindelse med en serviceanmodning, f.eks. Når du angiver personlige præferencer, logger ind eller udfylder en formular.

ANALYSE OG MÅLING

Disse cookies giver os mulighed for at tælle antallet af besøg og trafikkilder, så vi kan måle og forbedre vores websteds ydeevne. De hjælper os med at vide, hvilke sider der er mere eller mindre populære, og hvordan besøgende navigerer rundt på webstedet. De oplysninger, som disse cookies indsamler, er aggregerede og derfor helt anonyme. Hvis du ikke tillader disse cookies, ved vi ikke, hvornår du har besøgt vores websted.

MARKEDSFØRING

Disse cookies kan tilføjes af vores partnere. De kan bruge dem til at oprette en profil af dig baseret på dine interesser for at vise dig mere relevante oplysninger. De gemmer ingen personlige oplysninger - kun oplysninger om din browser og enhed. Hvis du ikke accepterer disse cookies, får du en mere generel og mindre tilpasset brugeroplevelse.