TAKEX

Fiberforstærker serie F70

Fiberforstærker med digitalt display

Enkel betjening med Teach In-funktion. Indstillingen kan foretages både på stillestående objekter og på objekter i bevægelse. F70 har desuden et LCD-display, som viser information om reflektionsniveau, driftstilstande såsom lys-/mørkeomkobling samt tidsfunktion.


Det er også muligt at justere hysteresen manuelt. Forstærkeren har interferensbeskyttelse for 2 enheder samt alarmudgang ved usikkert signalniveau. Derudover understøttes ekstern Teach In, f.eks. fra en PLC.

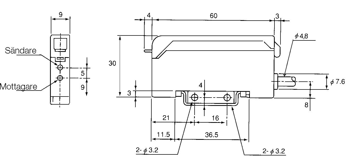
Mål

Med kabel

F70 - Mått

 

Med M8-kontakt

F70 - Mått

Forbindelse

F70 - Inkoppling

Kabelfarve

 

Brun (1)

+12-24 V DC

Blå (3)

0 V

Sort (4)

Udgang

Orange

Alarm output

Rosa (2)

Extern inst.

Tallet i parentes angiver antallet af ben på M8-stikket.

 

F70 - Inkoppling

 

F70 - Utförande

 

Funktionsswitch

Run

Normal funktion.

Select

Indstil lys/mørk-omskifter og timerfunktion.

Mulighed for at vælge specialfunktioner på forstærkeren.

Mulighed for at vælge tilbehør til forstærkeren.

Mode

Indstilling af følsomhed.

 

F70 - Utförandeskiss

 

Sensoriske funktioner

A: Automatisk detektion
T: Læsning
L: Låsning

Andre funktioner
S: Manuel følsomhedsindstilling
H: Manuel indstilling af hysterese
V: Lysvariation og angivelse af absolut værdi

 

Instilling

Automatisk følsomhedsjustering for stationære objekter

 

1

Funktionskontakt i MODE-position.

 

2

Uden et objekt skal du trykke på 1 (baggrunden læses ind).

 

3

LED'erne blinker.

 

4

Placer objektet, tryk på 1.

 

5

LED'erne udsender et konstant lys.

 

6

Funktionskontakt i position RUN, indstilling færdig.

 

Automatisk følsomhedsjustering for bevægelige objekter

 

1

Funktionskontakt i MODE-position.

 

2

Tryk på knap 1 og hold den nede i mindst 3 sekunder.

 

3

De grønne og orange LED'er blinker skiftevis.

 

4

Mens LED'erne blinker, skal du føre objektet forbi fiberen.

 

5

Slip knap 1, når objektet er passeret gennem fiberen; indstillingen er nu færdig.

 

6

Funktionskontakt i position RUN, indstilling færdig.

 

F70_Installning4

F70_Installning2

F70_Installning2

F70_Installning3

 

Positionering af et objekt

 

Funktionskontakt i MODE-position.

 

2 Placer et objekt under fiberen.

 

Tryk to gange på knap 1, og indstillingen er færdig.

 

Funktionskontakt i position RUN, indstilling færdig.

 

F70_Installning

 

  • Digital display
  • Høj forstærkning til lange afstande
  • Teach In-funktion
  • Mange justeringsmuligheder
  • Små konstruktionsmål (9 mm)

Udvalgt variant

Udvalgt variant

Specifikationer

Effektforbrug 0,05 A
Elektrisk tilslutning Indstøbt kabel 2m
Fotocelleteknik Fiberforstærker
Funktion Mørkkoblet/Lyskoblet
Godkendelser CE
IP-klasse IP40
Light / Dark Switching Ja
Lystype Rød LED
Reaktionstid 0,5 ms
Spænding DC max 24 V
Spænding DC min 12 V
Temperaturområde fra -25 °C
Temperaturområde til 55 °C
Udgang PNP
Udgangsstrøm max 0,1 A

Mål & tilslutninger

Produktbeskrivelse

Enkel betjening med Teach In-funktion. Indstillingen kan foretages både på stillestående objekter og på objekter i bevægelse. F70 har desuden et LCD-display, som viser information om reflektionsniveau, driftstilstande såsom lys-/mørkeomkobling samt tidsfunktion.


Det er også muligt at justere hysteresen manuelt. Forstærkeren har interferensbeskyttelse for 2 enheder samt alarmudgang ved usikkert signalniveau. Derudover understøttes ekstern Teach In, f.eks. fra en PLC.

Mål

Med kabel

F70 - Mått

 

Med M8-kontakt

F70 - Mått

Forbindelse

F70 - Inkoppling

Kabelfarve

 

Brun (1)

+12-24 V DC

Blå (3)

0 V

Sort (4)

Udgang

Orange

Alarm output

Rosa (2)

Extern inst.

Tallet i parentes angiver antallet af ben på M8-stikket.

 

F70 - Inkoppling

 

F70 - Utförande

 

Funktionsswitch

Run

Normal funktion.

Select

Indstil lys/mørk-omskifter og timerfunktion.

Mulighed for at vælge specialfunktioner på forstærkeren.

Mulighed for at vælge tilbehør til forstærkeren.

Mode

Indstilling af følsomhed.

 

F70 - Utförandeskiss

 

Sensoriske funktioner

A: Automatisk detektion
T: Læsning
L: Låsning

Andre funktioner
S: Manuel følsomhedsindstilling
H: Manuel indstilling af hysterese
V: Lysvariation og angivelse af absolut værdi

 

Instilling

Automatisk følsomhedsjustering for stationære objekter

 

1

Funktionskontakt i MODE-position.

 

2

Uden et objekt skal du trykke på 1 (baggrunden læses ind).

 

3

LED'erne blinker.

 

4

Placer objektet, tryk på 1.

 

5

LED'erne udsender et konstant lys.

 

6

Funktionskontakt i position RUN, indstilling færdig.

 

Automatisk følsomhedsjustering for bevægelige objekter

 

1

Funktionskontakt i MODE-position.

 

2

Tryk på knap 1 og hold den nede i mindst 3 sekunder.

 

3

De grønne og orange LED'er blinker skiftevis.

 

4

Mens LED'erne blinker, skal du føre objektet forbi fiberen.

 

5

Slip knap 1, når objektet er passeret gennem fiberen; indstillingen er nu færdig.

 

6

Funktionskontakt i position RUN, indstilling færdig.

 

F70_Installning4

F70_Installning2

F70_Installning2

F70_Installning3

 

Positionering af et objekt

 

Funktionskontakt i MODE-position.

 

2 Placer et objekt under fiberen.

 

Tryk to gange på knap 1, og indstillingen er færdig.

 

Funktionskontakt i position RUN, indstilling færdig.

 

F70_Installning

 

Tilbehør

Dis sensor istedet for kviksølvsafbrydere
Tips og guides

Derfor skal du skifte fra kviksølvsafbrydere til DIS-sensorer

I mange år har kviksølvsafbrydere været anvendt i industrien, særligt i lifte og andre tunge maskiner, på grund af deres pålidelighed og holdbarhed. Men med stigende fokus på miljø- og sundhedsrisici er det blevet afgørende at erstatte dem med sikrere alternativer som DIS-sensorer.

Senseca opkober to virksomheder_front
Produktnyheder

Senseca styrker sin position med strategiske opkøb

Senseca styrker sin position med opkøbet af Biral og Geonica, der bringer ekspertise inden for miljømåling og sensorteknologi. Dette strategiske skridt kombinerer avanceret teknologi og bæredygtige løsninger til Smart City-udvikling, vedvarende energi og præcisionsmålinger.

Vi er nu distributør
Virksomhedsnyt

GAC Governors America Corp

Pr. 15. Februar 2026 er OEM Automatic Klitsø A/S dansk distributør for GAC (Governors America Corp.).

Powerstart Listing
Virksomhedsnyt

Powerstart Limited

Pr. 15. Februar 2026 er OEM Automatic Klitsø A/S dansk distributør for Powerstart Limited.

Skueglas og belysning Listing
Tips og guides

Procesovervågning til lukkede og krævende miljøer

Hos os får du gennemprøvede løsninger til procesovervågning og visuel inspektion i lukkede beholdere og anlæg. Sortimentet omfatter skueglas og belysning fra FH Papenmeier, udviklet til brug i både standard- og krævende industrielle miljøer.

MS filtre
Produktnyheder

Driftssikker filtrering til fødevareprocesser

M&S’ vinkelfiltre og snavssamlere er udviklet til effektiv filtrering og opsamling af procesrester i fødevareindustrien, hvor driftssikkerhed, hygiejne og nem service er afgørende. Et vinkelfilter til fødevarer anvendes til pumpbare medier og beskytter kritiske komponenter som pumper, ventiler og varmevekslere mod slid, tilstopning og uplanlagte driftsstop.

Favoritter Artikler Elektrisk tilslutning Fotocelleteknik Lystype Pris
Indstøbt kabel 2m
Fiberforstærker
Rød LED
4-polet kontakt M8 stik
Fiberforstærker
Rød LED
Indstøbt kabel 2m
Fiberforstærker
Rød LED
4-polet kontakt M8 stik
Fiberforstærker
Blå LED
Indstøbt kabel 2m
Direkte aftaster baggrundsblændet
Grøn LED
4-polet kontakt M8 stik
Fiberforstærker
Grøn LED
Indstøbt kabel 2m
Fiberforstærker
Rød LED

Udvalgt variant

Vælg en variant på listen

Teknisk rådgivning

Julie Magtengaard

Produktchef, El Automation

Kundeservice
Har du har brug for hjælp? Kontakt os:
Har du brug for hjælp? Klik her!
Logo

COOKIE-INDSTILLINGER FOR OEMKLITSO.DK

Cookies hjælper os med at forbedre din oplevelse med os. Så for at kunne analysere trafikken, håndtere loginoplysninger, tilbyde dig personlige oplysninger og for at grundlæggende funktionalitet kan fungere på webssitet, skal vi bruge nogle cookies.

NØDVENDIGE COOKIES

Disse cookies er nødvendige for, at webstedet fungerer og kan ikke slås fra i vores systemer. De bruges normalt kun som reaktion på handlinger, du har foretaget i forbindelse med en serviceanmodning, f.eks. Når du angiver personlige præferencer, logger ind eller udfylder en formular.

ANALYSE OG MÅLING

Disse cookies giver os mulighed for at tælle antallet af besøg og trafikkilder, så vi kan måle og forbedre vores websteds ydeevne. De hjælper os med at vide, hvilke sider der er mere eller mindre populære, og hvordan besøgende navigerer rundt på webstedet. De oplysninger, som disse cookies indsamler, er aggregerede og derfor helt anonyme. Hvis du ikke tillader disse cookies, ved vi ikke, hvornår du har besøgt vores websted.

MARKEDSFØRING

Disse cookies kan tilføjes af vores partnere. De kan bruge dem til at oprette en profil af dig baseret på dine interesser for at vise dig mere relevante oplysninger. De gemmer ingen personlige oplysninger - kun oplysninger om din browser og enhed. Hvis du ikke accepterer disse cookies, får du en mere generel og mindre tilpasset brugeroplevelse.