DATASENSING

Lysbom SG Body Big

SG Body Big er den ideelle kropsbeskyttelse for afstande op til 60 meter, og fås med 2, 3 eller 4 stråler samt differentieret beskyttelsesfelt på 500, 800, 900, og 1200 mm. SG Body Big har ingen døde zoner, hvilket betyder, at kabinettets længde minimeres. Derudover kommer SG Body Big med et 7-segment display, kaldet "Alignment mode" som gør tilpasning let, samt en række monteringsbeslag, som gør den velegnet til de fleste industrielle anvendelser. Lysbommen fås med det højeste sikkerhedsniveau (Type 4) i henhold til de nyeste sikkerhedsstandarder EN ISO 13849-1 og EN 62061. SG Body Big har indbygget overvåget nulstilling, input til overvågning af eksterne kontaktorer samt to sikre elektronisk kortslutningsovervågede udgange. Det betyder, at SG Body Big kan fungere som en "Stand alone" og der er ikke behov for nogen ekstern kontrolenhed. Eksempler på applikationer: Kropsbeskyttelse med 2 stråler (beskyttelsesfelt 500 mm), Kropsbeskyttelse med 3 stråler (beskyttelsesfelt 800 mm), Kropsbeskyttelse med 4 stråler (beskyttelsesfelt fra 900 til 1200 mm)

  • Rækkevidde op til 60 m
  • 2, 3 eller 4 stråler
  • Type 4 iht. EN 61496

Udvalgt variant

Udvalgt variant

Specifikationer

Antal stråler 2
Effektforbrug Sender 1,6 W. Modtager 4,2 W (uden belastning)
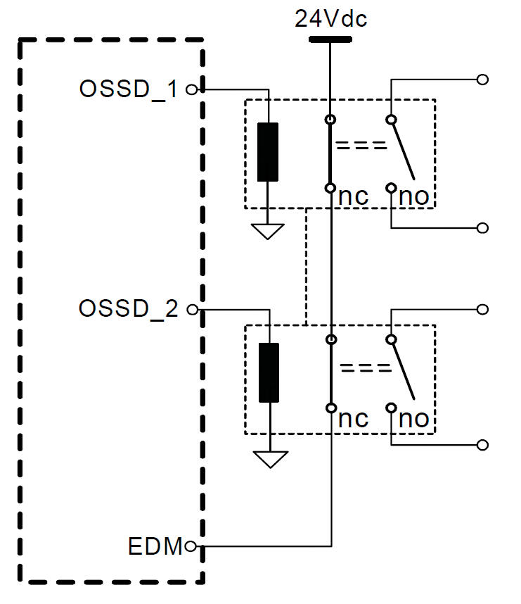
Ekstra funktionalitet EDM, nustilling
Forsyningsspænding 24 V DC
Funktion EDM, Manuel/automatisk restart
Godkendelser CE, cULus, TÜV
I henhold til EMC, LVD, MD
IP-klasse IP65
Kabelforbindelsesmodtager M12, 8-polet
Kabelforbindelsestransmitter M12, 5-polet
Kabellængde max 70 m
Kontaktstrøm max 0,5 A
Materiale hus Aluminium
PL e (EN ISO 13849-1)
Protection height 500 mm
Rækkevidde max 60 m
Scope 6-60 m
SFF 0.98929999999999996
Sikre udgange 2 PNP
SIL 3 (EN IEC 61508)
Spændingstolerance ±20 %
Temperaturområde fra 0 °C
Temperaturområde til 55 °C
Type 4

Produktbeskrivelse

SG Body Big er den ideelle kropsbeskyttelse for afstande op til 60 meter, og fås med 2, 3 eller 4 stråler samt differentieret beskyttelsesfelt på 500, 800, 900, og 1200 mm. SG Body Big har ingen døde zoner, hvilket betyder, at kabinettets længde minimeres. Derudover kommer SG Body Big med et 7-segment display, kaldet "Alignment mode" som gør tilpasning let, samt en række monteringsbeslag, som gør den velegnet til de fleste industrielle anvendelser. Lysbommen fås med det højeste sikkerhedsniveau (Type 4) i henhold til de nyeste sikkerhedsstandarder EN ISO 13849-1 og EN 62061. SG Body Big har indbygget overvåget nulstilling, input til overvågning af eksterne kontaktorer samt to sikre elektronisk kortslutningsovervågede udgange. Det betyder, at SG Body Big kan fungere som en "Stand alone" og der er ikke behov for nogen ekstern kontrolenhed. Eksempler på applikationer: Kropsbeskyttelse med 2 stråler (beskyttelsesfelt 500 mm), Kropsbeskyttelse med 3 stråler (beskyttelsesfelt 800 mm), Kropsbeskyttelse med 4 stråler (beskyttelsesfelt fra 900 til 1200 mm)

Tilbehør

Relaterede produkter

Auer Smart Signal_Portraet
Produktnyheder

Næste niveau af industriel varsling

En ny produktserie fra Auer Signal lanceres i løbet af 2025, og de første modeller er nu klar til markedet. Serien er kendetegnet ved høj ydeevne, fleksibilitet og smarte funktioner – alt samlet i et moderne og robust design.

Produktnyheder

Vores sikkerhedsradar fra Inxpect kan nu nemt samarbejde med Universal Robots

Sikkerhedsradarene kommer nu med et officielt URCap plugin. Både programmører og slutbrugere vil have stor gavn af den strømlinede integration mellem Inxpect-sensorer og UR-robotter.

Lær mere om fødevarer_Listing
Tips og guides

Fødevarer - Hygiejne & proceskontrol

Når det kommer til komponenter, der skal anvendes i fødevareproduktion, sætter vi kvalitet og sikkerhed i højsædet for at sikre, at de lever op til de højeste standarder og følger branchens regler. Ved valg af komponenter er materialevalg, korrekt godkendelse, kompatibilitet og pålidelighed helt afgørende faktorer i denne branche. Hver komponent skal vælges omhyggeligt og tilpasses for at imødekomme de strenge krav, der stilles.

Tips og guides

Lær mere om strømforsyninger

Vi tilbyder et komplet sortiment af strømforsyninger, redundante systemer, DC-UPS og en række specialtilpassede enheder til f.eks. eksplosionsfarlige miljøer (ATEX) eller NEC class 2-kredsløb fra vores producent PULS. Strømforsyninger til 110 V DC indspænding med strømkapacitet fra 0,6 A op til 20 A (24 V DC).

Smart-Line af Zimmerlin
Produktnyheder

Tankdæksler på rekordtid med Smart-Line

Nu kan du få præfabrikerede og konfigurerbare trykdæksler leveret på kun 2 uger – en hurtig og fleksibel løsning, der sparer dig både tid og besvær.

XV Ventiltermial
Produktnyheder

Modulær ventilterminal fra Aventics – XV-serien

Aventics XV-serie fra Emerson muliggør øget fleksibilitet og effektivitet i produktionssystemer. Den moderne ventilteknologi i denne serie forbedrer udnyttelsen af trykluft og optimerer ydeevnen i pneumatiske systemer. Med sit kompakte design sparer XV-serien plads i styreskabet, samtidig med at ventilerne har lang levetid og kræver minimal vedligeholdelse. Dette giver øget oppetid og gør serien til et fremragende valg for nutidens krævende produktionsmiljøer.

Favoritter Artikler Antal stråler Protection height Pris
2
500 mm
3
800 mm
4
900 mm
4
1200 mm

Udvalgt variant

Vælg en variant på listen

Kundeservice
Har du har brug for hjælp? Kontakt os:
Har du brug for hjælp? Klik her!
Logo

COOKIE-INDSTILLINGER FOR OEMKLITSO.DK

Cookies hjælper os med at forbedre din oplevelse med os. Så for at kunne analysere trafikken, håndtere loginoplysninger, tilbyde dig personlige oplysninger og for at grundlæggende funktionalitet kan fungere på webssitet, skal vi bruge nogle cookies.

NØDVENDIGE COOKIES

Disse cookies er nødvendige for, at webstedet fungerer og kan ikke slås fra i vores systemer. De bruges normalt kun som reaktion på handlinger, du har foretaget i forbindelse med en serviceanmodning, f.eks. Når du angiver personlige præferencer, logger ind eller udfylder en formular.

ANALYSE OG MÅLING

Disse cookies giver os mulighed for at tælle antallet af besøg og trafikkilder, så vi kan måle og forbedre vores websteds ydeevne. De hjælper os med at vide, hvilke sider der er mere eller mindre populære, og hvordan besøgende navigerer rundt på webstedet. De oplysninger, som disse cookies indsamler, er aggregerede og derfor helt anonyme. Hvis du ikke tillader disse cookies, ved vi ikke, hvornår du har besøgt vores websted.

MARKEDSFØRING

Disse cookies kan tilføjes af vores partnere. De kan bruge dem til at oprette en profil af dig baseret på dine interesser for at vise dig mere relevante oplysninger. De gemmer ingen personlige oplysninger - kun oplysninger om din browser og enhed. Hvis du ikke accepterer disse cookies, får du en mere generel og mindre tilpasset brugeroplevelse.