LOVATO

Multi instrument for DIN-skinne

DMG300

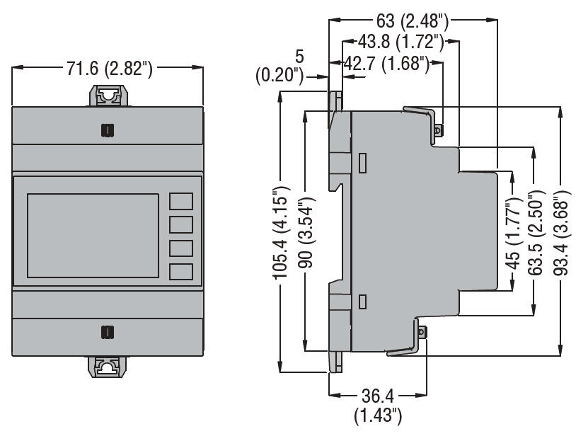
DMG300 er en multi-instrument til at kombinere brugervenlighed med en lang række avancerede funktioner. Trods ekstremt begrænsede dimensioner (kun 72 mm brede) har DMG300 samme ydeevne som nogle af de mest avancerede produkter på markedet. En grafisk LCD display (128x80 pixel) giver den højeste brugervenlighed.

Med separat forsyningsspænding samt evnen til at forbinde transformeren til at måle spænding tillader DMG300 passer i LV, MV og HV-applikationer. Over 300 elektriske parametre kan læses og indbefatter spænding og strøm harmonisk analyse op til 31:a ordningen.

 

Side

Beskrivelse (navigation udføres med pil op/ned)

Underliggende sider, vælges ved hjælp af lovato_refresh.tif

1

Fase-fase spænding - V(L1-L2), V(L2-L3), V(L3-L1), V(LL)EQ

HI

LO

AV

 

GR

2

Fase-N spænding - V(L1-N), V(L2-N), V(L3-N), V(L-N)EQ

HI

LO

AV

 

GR

3

Fase og N strøm - I(L1), I(L2), I(L3), I(N)

HI

LO

AV

MD

GR

4

Aktiv effekt - P(L1), P(L2), P(L3), P(TOT)

HI

LO

AV

MD

GR

5

Reaktiv effekt - Q(L1), Q(L2), Q(L3), Q(TOT)

HI

LO

AV

MD

GR

6

Tilsyneladende effekt - S(L1), S(L2), S(L3), S(TOT)

HI

LO

AV

MD

GR

7

Effektfaktor - PF(L1), PF(L2), PF(L3), PF(EQ)

HI

LO

AV

 

GR

8

Frekvens og asymmetri - F, ASY(VLL), ASY(VLN), ASY(I)

HI

LO

AV

 

 

9

Fase-fase samlede spændings harmoniske indhold - THD-V(L1-L2), THD-V(L2-L3), THD-V(L3-L1)

HI

LO

AV

 

GR

10

Analyse af fase-fase spændings harmoniske indhold - H2...31 V(L1-L2)-V(L2-L3)-V(L3-L1)

 

 

 

 

 

11

Kurve spænding, fase-fase

L1-L2

L2-L3

L3-L1

 

 

12

Fase-N samlede spændings harmoniske indhold - THD-V(L1), THD-V(L2), THD-V(L3)

HI

LO

AV

 

GR

13

Analyse af fase-N spændings harmoniske indhold - H2...31 V(L1)-V(L2)-V(L3)

 

 

 

 

 

14

Kurve spænding, fase-N

L1-N

L2-N

L3-N

 

 

15

Løbende harmoniske indhold - THD-I(L1), THD-I(L2), THD-I(L3)

HI

LO

AV

 

GR

16

Analyse af løbende harmoniske indhold - H2...31 I(L1)-I(L2)-I(L3)

 

 

 

 

 

17

Kurve strøm

L1

L2

L3

 

 

18

Energimålere - kWh+(TOT), kWh-(TOT), kvar+(TOT), kvar-(TOT), kVA(TOT)

PARTIAL

20

Trendgraf

 

21

Drifttidsmålere - Hr(TOT), Hr(Part)

 

27

Information om model, version og serienummer

 

28

Lovato logo

 

HI = Højeste registrerede værdi

LO = Laveste registrerede værdi

AV = Middelværdi

MD = Max. behov

GR = Søjlediagram

PARTIAL = Brøktal kan nulstilles af brugeren.

 

Nogle sider vises kun, når funktionen af disse er aktiveret, såsom sider for alarmer og specificerede grænser. Der er også mulighed for at oprette 4 stk egne sider, hvor folk selv vælger hvad der skal vises. 

DMG300 har indbygget infrarød port, som giver mulighed for hele 3stk. udvidelsesmoduler af EXM serien. Blandt andet kan brugeren vælge den ønskede forbindelse til kommunikation; RS232, RS485, USB eller Ethernet. Udvidelsesmodulet er 2 moduler bred (36 mm) og låses nemt og sikkert fastgjort til den side af multi-instrumentet. Mere information om de EXM moduler, der kan tilsluttes til DMG300 findes under "Tilbehør". 

For mere information, kontakt OEM Automatic Klitsø, produktområde El-tavle.

 

  • Grafisk LCD display
  • Udvidelsesmuligheder
  • Bredde kun 72 mm
  • For LV-, MV- og HV-applikationer

Udvalgt variant

SD115_2_CO.jpg

Multiinstrument grafisk LCD DIN udvides

Art:

Udvalgt variant

Specifikationer

Anbefalet sikring F1A (hurtig)
Antal ekspansionsmoduler maks 3 pc
Effektforbrug 1,3 W
Effektforbrug 3,2 VA
Forsyningsspænding AC max 240 V AC
Forsyningsspænding AC min 100 V AC
Forsyningsspænding DC max 250 V DC
Forsyningsspænding DC min 110 V DC
Frekvens max 66 Hz
Frekvens min 45 Hz
Godkendelser CSA C22.2-N°14, EN50470-3, EN61000-6-2, EN61000-6-3, EN61010-1, UL 508
IP klasse Front IP40
IP klasse tilslutning IP20
Kan udvides Ja
LED Nej
Montage DIN-skinne
Målenøjagtighed Aktiv energi IEC/EN 62053-21 Class 0,5S
Målenøjagtighed spænding (L-L) ±0,2 % (50...830 V AC)
Målenøjagtighed strøm ±0,2 % (0,1...1,1 x In)
Måleområde strøm For 5A-skala: 0,010-6 A. For 1A-skala: 0,010-1,2 A.
Temperaturområde drift fra -20 °C
Temperaturområde drift til 60 °C
Temperaturområde lager fra -30 °C
Temperaturområde lager til 80 °C
Tilslutning af strømtransformer og udgang 6x 0,2..2,5 mm²
Tilslutning strømtransformer og udgang, tilspændingsmoment 0,44
Tilslutningsspænding og måling 6x 0,2..4 mm²
Tilslutningsspænding og måling, tilspændingsmoment 0,8
Type af måleværdi True RMS
Vægt 0,315 kg

Produktbeskrivelse

DMG300 er en multi-instrument til at kombinere brugervenlighed med en lang række avancerede funktioner. Trods ekstremt begrænsede dimensioner (kun 72 mm brede) har DMG300 samme ydeevne som nogle af de mest avancerede produkter på markedet. En grafisk LCD display (128x80 pixel) giver den højeste brugervenlighed.

Med separat forsyningsspænding samt evnen til at forbinde transformeren til at måle spænding tillader DMG300 passer i LV, MV og HV-applikationer. Over 300 elektriske parametre kan læses og indbefatter spænding og strøm harmonisk analyse op til 31:a ordningen.

 

Side

Beskrivelse (navigation udføres med pil op/ned)

Underliggende sider, vælges ved hjælp af lovato_refresh.tif

1

Fase-fase spænding - V(L1-L2), V(L2-L3), V(L3-L1), V(LL)EQ

HI

LO

AV

 

GR

2

Fase-N spænding - V(L1-N), V(L2-N), V(L3-N), V(L-N)EQ

HI

LO

AV

 

GR

3

Fase og N strøm - I(L1), I(L2), I(L3), I(N)

HI

LO

AV

MD

GR

4

Aktiv effekt - P(L1), P(L2), P(L3), P(TOT)

HI

LO

AV

MD

GR

5

Reaktiv effekt - Q(L1), Q(L2), Q(L3), Q(TOT)

HI

LO

AV

MD

GR

6

Tilsyneladende effekt - S(L1), S(L2), S(L3), S(TOT)

HI

LO

AV

MD

GR

7

Effektfaktor - PF(L1), PF(L2), PF(L3), PF(EQ)

HI

LO

AV

 

GR

8

Frekvens og asymmetri - F, ASY(VLL), ASY(VLN), ASY(I)

HI

LO

AV

 

 

9

Fase-fase samlede spændings harmoniske indhold - THD-V(L1-L2), THD-V(L2-L3), THD-V(L3-L1)

HI

LO

AV

 

GR

10

Analyse af fase-fase spændings harmoniske indhold - H2...31 V(L1-L2)-V(L2-L3)-V(L3-L1)

 

 

 

 

 

11

Kurve spænding, fase-fase

L1-L2

L2-L3

L3-L1

 

 

12

Fase-N samlede spændings harmoniske indhold - THD-V(L1), THD-V(L2), THD-V(L3)

HI

LO

AV

 

GR

13

Analyse af fase-N spændings harmoniske indhold - H2...31 V(L1)-V(L2)-V(L3)

 

 

 

 

 

14

Kurve spænding, fase-N

L1-N

L2-N

L3-N

 

 

15

Løbende harmoniske indhold - THD-I(L1), THD-I(L2), THD-I(L3)

HI

LO

AV

 

GR

16

Analyse af løbende harmoniske indhold - H2...31 I(L1)-I(L2)-I(L3)

 

 

 

 

 

17

Kurve strøm

L1

L2

L3

 

 

18

Energimålere - kWh+(TOT), kWh-(TOT), kvar+(TOT), kvar-(TOT), kVA(TOT)

PARTIAL

20

Trendgraf

 

21

Drifttidsmålere - Hr(TOT), Hr(Part)

 

27

Information om model, version og serienummer

 

28

Lovato logo

 

HI = Højeste registrerede værdi

LO = Laveste registrerede værdi

AV = Middelværdi

MD = Max. behov

GR = Søjlediagram

PARTIAL = Brøktal kan nulstilles af brugeren.

 

Nogle sider vises kun, når funktionen af disse er aktiveret, såsom sider for alarmer og specificerede grænser. Der er også mulighed for at oprette 4 stk egne sider, hvor folk selv vælger hvad der skal vises. 

DMG300 har indbygget infrarød port, som giver mulighed for hele 3stk. udvidelsesmoduler af EXM serien. Blandt andet kan brugeren vælge den ønskede forbindelse til kommunikation; RS232, RS485, USB eller Ethernet. Udvidelsesmodulet er 2 moduler bred (36 mm) og låses nemt og sikkert fastgjort til den side af multi-instrumentet. Mere information om de EXM moduler, der kan tilsluttes til DMG300 findes under "Tilbehør". 

For mere information, kontakt OEM Automatic Klitsø, produktområde El-tavle.

 

Tilbehør

Relaterede produkter

Tips og guides

Lær mere om strømforsyninger

Vi tilbyder et komplet sortiment af strømforsyninger, redundante systemer, DC-UPS og en række specialtilpassede enheder til f.eks. eksplosionsfarlige miljøer (ATEX) eller NEC class 2-kredsløb fra vores producent PULS. Strømforsyninger til 110 V DC indspænding med strømkapacitet fra 0,6 A op til 20 A (24 V DC).

Kabelgennemføring
Produktnyheder

ORGANISÉR DINE KABLER MED VORES KABELGENNEMFØRINGSSYSTEM FRA CONTA-CLIP 

Lær mere om, hvordan innovative kabelgennemføringssystemer kan imødekomme nutidens industrielle udfordringer ved at spare tid, forenkle installationen og tilbyde enestående fleksibilitet. Følg med, når vi dykker ned i, hvordan vores kabelgennemføringssystemer fra Conta-Clip påvirker industrielle installationer

Auer Smart Signal_Portraet
Produktnyheder

Næste niveau af industriel varsling

En ny produktserie fra Auer Signal lanceres i løbet af 2025, og de første modeller er nu klar til markedet. Serien er kendetegnet ved høj ydeevne, fleksibilitet og smarte funktioner – alt samlet i et moderne og robust design.

x guard maskinafskaermning
Produktnyheder

X‑Guard maskinafskærmning – fleksible og sikre hegnsystemer til industrien.

At beskytte både mennesker og maskiner er en selvfølge i et sikkert og effektivt produktionsmiljø. Med X‑Guard maskinafskærmning fra Axelent tilbyder vi hos OEM Automatic Klitsø et komplet, modulært og brugervenligt hegnsystem, der opfylder alle gældende krav til maskinsikkerhed og standarder. X‑Guard er udviklet med tre tydelige grundprincipper: fleksibilitet, enkel montering og høj sikkerhed. Resultatet er et smart og velafprøvet system, som i dag er et af markedets mest populære maskinafskærmninger til industrielle miljøer.

Liag ventil Listing
Produktnyheder

Hygiejniske ventiler fra LIAG – effektiv produktgenvinding og hygiejne i én løsning

I fødevare-, kosmetik- og farmaceutisk industri er der høje krav til hygiejne og effektivitet. Når du arbejder med viskose produkter, pastøse medier eller væsker med partikler, er det afgørende at have en ventil, der sikrer fuld passage, nem rengøring på stedet (CIP) og minimal vedligeholdelse.

Lær mere om fødevarer_Listing
Tips og guides

Fødevarer - Hygiejne & proceskontrol

Når det kommer til komponenter, der skal anvendes i fødevareproduktion, sætter vi kvalitet og sikkerhed i højsædet for at sikre, at de lever op til de højeste standarder og følger branchens regler. Ved valg af komponenter er materialevalg, korrekt godkendelse, kompatibilitet og pålidelighed helt afgørende faktorer i denne branche. Hver komponent skal vælges omhyggeligt og tilpasses for at imødekomme de strenge krav, der stilles.

Teknisk rådgivning

Lars Bogetoft Christensen

Produktchef, El Automation

Kundeservice
Har du har brug for hjælp? Kontakt os:
Har du brug for hjælp? Klik her!
Logo

COOKIE-INDSTILLINGER FOR OEMKLITSO.DK

Cookies hjælper os med at forbedre din oplevelse med os. Så for at kunne analysere trafikken, håndtere loginoplysninger, tilbyde dig personlige oplysninger og for at grundlæggende funktionalitet kan fungere på webssitet, skal vi bruge nogle cookies.

NØDVENDIGE COOKIES

Disse cookies er nødvendige for, at webstedet fungerer og kan ikke slås fra i vores systemer. De bruges normalt kun som reaktion på handlinger, du har foretaget i forbindelse med en serviceanmodning, f.eks. Når du angiver personlige præferencer, logger ind eller udfylder en formular.

ANALYSE OG MÅLING

Disse cookies giver os mulighed for at tælle antallet af besøg og trafikkilder, så vi kan måle og forbedre vores websteds ydeevne. De hjælper os med at vide, hvilke sider der er mere eller mindre populære, og hvordan besøgende navigerer rundt på webstedet. De oplysninger, som disse cookies indsamler, er aggregerede og derfor helt anonyme. Hvis du ikke tillader disse cookies, ved vi ikke, hvornår du har besøgt vores websted.

MARKEDSFØRING

Disse cookies kan tilføjes af vores partnere. De kan bruge dem til at oprette en profil af dig baseret på dine interesser for at vise dig mere relevante oplysninger. De gemmer ingen personlige oplysninger - kun oplysninger om din browser og enhed. Hvis du ikke accepterer disse cookies, får du en mere generel og mindre tilpasset brugeroplevelse.