| 2047_Dimensions width x height x depth (mm) | 140x260x176 |
|---|---|
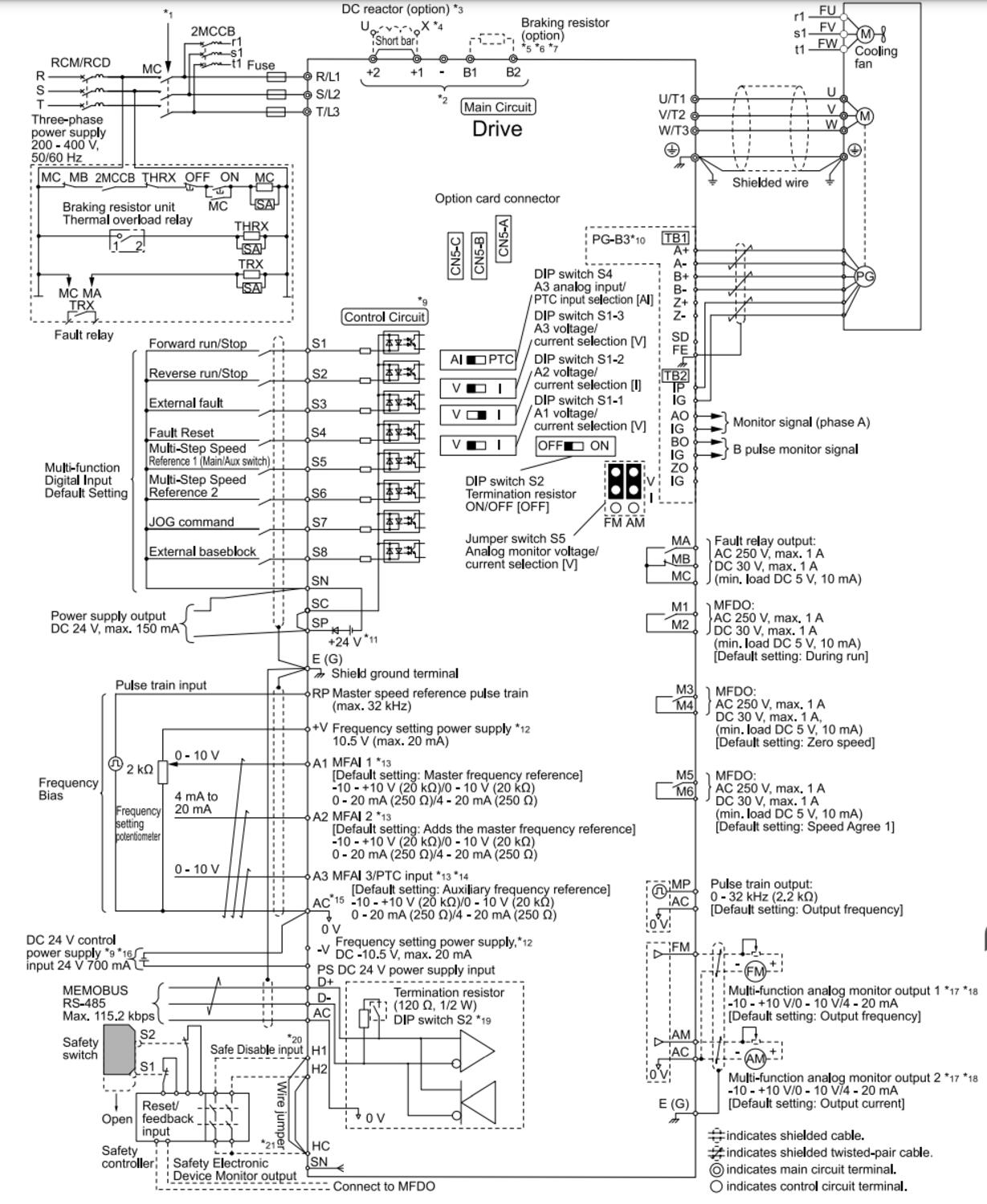
| Analoge indgange | 3 pc |
| Analoge udgange | 2 pc |
| Digitale indgange | 8 pc |
| Digitale udgange | 4 pc |
| EMC-filter | Ja |
| Forsyningsspænding | 400 V AC |
| Frekvens max | 590 Hz |
| Godkendelser | CE, UKCA, cUL, RoHS, UL |
| Indkommende faser | 3 |
| IP-klasse | IP20 |
|---|---|
| Max Motorstørrelse (HD) | 0,55 kW |
| Max Motorstørrelse (ND) | 0,75 kW |
| Nominel udgangsstrøm (HD) | 1,8 A |
| Nominel udgangsstrøm (ND) | 2,1 A |
| Tolereret overbelastning i 60s (HD) | 150 % |
| Tolereret overbelastning i 60s (ND) | 110 % |
| Vægt | 3,4 kg |
Den nye Millenium-generation er udviklet for at videreføre et gennemprøvet koncept og tilpasse det til nutidens krav om opkobling, fleksibilitet og brugervenlighed. Denne guide henvender sig til dig, der vil forstå, hvordan den nye Millenium anvendes i praksis, hvad der adskiller den fra tidligere generationer – og hvornår den er det rette valg.
Vi tilbyder et komplet sortiment af strømforsyninger, redundante systemer, DC-UPS og en række specialtilpassede enheder til f.eks. eksplosionsfarlige miljøer (ATEX) eller NEC class 2-kredsløb fra vores producent PULS. Strømforsyninger til 110 V DC indspænding med strømkapacitet fra 0,6 A op til 20 A (24 V DC).
Lær mere om, hvordan innovative kabelgennemføringssystemer kan imødekomme nutidens industrielle udfordringer ved at spare tid, forenkle installationen og tilbyde enestående fleksibilitet. Følg med, når vi dykker ned i, hvordan vores kabelgennemføringssystemer fra Conta-Clip påvirker industrielle installationer
En ny produktserie fra Auer Signal lanceres i løbet af 2025, og de første modeller er nu klar til markedet. Serien er kendetegnet ved høj ydeevne, fleksibilitet og smarte funktioner – alt samlet i et moderne og robust design.
Med de nye S202A-MC sensorer fra Inxpect får du en avanceret sikkerhedsløsning, der kombinerer høj fleksibilitet med dokumenteret driftssikkerhed. Løsningen er udviklet til moderne produktionsmiljøer, hvor kravene til både oppetid og personbeskyttelse er høje.
I moderne automatiseringsløsninger er præcis og stabil objektdetektering afgørende for en effektiv og sikker drift. KSS85-serien fra TAKEX er en innovativ pladesensor, der gør det muligt at registrere objekter via direkte kontakt – uanset farve, materiale eller form. Med sin fleksible og tynde konstruktion kan sensoren monteres næsten hvor som helst og sikrer pålidelig registrering i en lang række industrielle applikationer.
|
|
|
|
|
|
||
|---|---|---|---|---|---|---|
|
|
|
|
|
|
||
|
|
|
|
|
|
||
|
|
|
|
|
|
||
|
|
|
|
|
|
||
|
|
|
|
|
|
||
|
|
|
|
|
|
| Favoritter | Artikler | 2047_Dimensions width x height x depth (mm) | Max Motorstørrelse (HD) | Max Motorstørrelse (ND) | Nominel udgangsstrøm (HD) | Nominel udgangsstrøm (ND) | Vægt | Pris | |
|---|---|---|---|---|---|---|---|---|---|
|
Frekvensomformer 0,75kW 400V 2,1A EMC ND
Art:
GA70C4002BBA
Kopieret
|
140x260x176
|
0,55 kW
|
0,75 kW
|
1,8 A
|
2,1 A
|
3,4 kg
|
|
||
|
Frekvensomformer 1,5kW 400V 4,1A EMC ND
Art:
GA70C4004BBA
Kopieret
|
140x260x176
|
0,75 kW
|
1,5 kW
|
3,4 A
|
4,1 A
|
3,4 kg
|
|
||
|
Frekvensomformer 2,2kW 400V 5,4A EMC ND
Art:
GA70C4005BBA
Kopieret
|
140x260x176
|
1,5 kW
|
2,2 kW
|
4,8 A
|
5,4 A
|
3,4 kg
|
|
||
|
Frekvensomformer 3,0kW 400V 7,1A EMC ND
Art:
GA70C4007BBA
Kopieret
|
140x260x211
|
2,2 kW
|
3 kW
|
5,5 A
|
7,1 A
|
3,7 kg
|
|
||
|
Frekvensomformer 3,7kW 400V 8,9A EMC ND
Art:
GA70C4009BBA
Kopieret
|
140x260x211
|
3 kW
|
3,7 kW
|
7,2 A
|
8,9 A
|
3,7 kg
|
|
||
|
Frekvensomformer 5,5kW 400V 11,9A EMC ND
Art:
GA70C4012BBA
Kopieret
|
140x260x211
|
3,7 kW
|
5,5 kW
|
9,2 A
|
11,9 A
|
3,7 kg
|
|
||
|
Frekvensomformer 7,5kW 400V 17,5A EMC ND
Art:
GA70C4018BBA
Kopieret
|
140x260x211
|
5,5 kW
|
7,5 kW
|
14,8 A
|
17,5 A
|
4 kg
|
|
||
|
Frekvensomformer 11kW 400V 23,4A EMC ND
Art:
GA70C4023BBA
Kopieret
|
140x260x211
|
7,5 kW
|
11 kW
|
18 A
|
23,4 A
|
4 kg
|
|
||
|
Frekvensomformer 15kW 400V 31A EMC ND
Art:
GA70C4031BBA
Kopieret
|
180x300x202
|
11 kW
|
15 kW
|
24 A
|
31 A
|
5,5 kg
|
|
||
|
Frekvensomformer 18,5kW 400V 38A EMC ND
Art:
GA70C4038BBA
Kopieret
|
180x300x202
|
15 kW
|
18,5 kW
|
31 A
|
38 A
|
5,5 kg
|
|
||
|
Frekvensomformer 22kW 400V 44A EMC ND
Art:
GA70C4044BBA
Kopieret
|
220x350x227
|
18,5 kW
|
22 kW
|
39 A
|
44 A
|
8 kg
|
|
||
|
Frekvensomformer 30kW 400V 60A EMC ND
Art:
GA70C4060BBA
Kopieret
|
220x350x246
|
22 kW
|
30 kW
|
45 A
|
59,6 A
|
13 kg
|
|
||
|
Frekvensomformer 37kW 400V 74,9A EMC ND
Art:
GA70C4075BBA
Kopieret
|
240x400x280
|
30 kW
|
37 kW
|
60 A
|
74,9 A
|
15 kg
|
|
||
|
Frekvensomformer 45kW 400V 89,2A EMC ND
Art:
GA70C4089BBA
Kopieret
|
255x450x280
|
37 kW
|
45 kW
|
75 A
|
89,2 A
|
21 kg
|
|
||
|
Frekvensomformer 55kW 400V 103A EMC ND
Art:
GA70C4103BBA
Kopieret
|
255x450x280
|
45 kW
|
55 kW
|
91 A
|
103 A
|
25 kg
|
|
||
|
Frekvensomformer 75kW 400V 140A EMC ND
Art:
GA70C4140BBA
Kopieret
|
264x543x335
|
55 kW
|
75 kW
|
112 A
|
140 A
|
37 kg
|
|
||
|
Frekvensomformer 90kW 400V 168A EMC ND
Art:
GA70C4168BBA
Kopieret
|
264x543x335
|
75 kW
|
90 kW
|
150 A
|
168 A
|
38 kg
|
|
||
|
Frekvensomformer 110kW 400V 208A EMC ND
Art:
GA70C4208BBA
Kopieret
|
312x700x420
|
90 kW
|
110 kW
|
180 A
|
208 A
|
61 kg
|
|
||
|
Frekvensomformer 132kW 400V 250A EMC ND
Art:
GA70C4250BBA
Kopieret
|
312x700x420
|
110 kW
|
132 kW
|
216 A
|
250 A
|
63 kg
|
|
||
|
Frekvensomformer 160kW 400V 296A EMC ND
Art:
GA70C4296BBA
Kopieret
|
312x700x420
|
132 kW
|
160 kW
|
260 A
|
296 A
|
66 kg
|
|
||
|
Frekvensomformer 200kW 400V 371A EMC ND
Art:
GA70C4371BBA
Kopieret
|
440x800x472
|
160 kW
|
200 kW
|
304 A
|
371 A
|
111 kg
|
|
||
|
Frekvensomformer 220kW 400V 389A EMC ND
Art:
GA70C4389BBA
Kopieret
|
440x800x472
|
200 kW
|
220 kW
|
371 A
|
389 A
|
117 kg
|
|
||
|
Frekvensomformer 250kW 400V 453A EMC ND
Art:
GA70C4453BBA
Kopieret
|
510x1140x480
|
220 kW
|
250 kW
|
414 A
|
453 A
|
198 kg
|
|
||
|
Frekvensomformer 315kW 400V 568A EMC ND
Art:
GA70C4568BBA
Kopieret
|
510x1140x480
|
250 kW
|
315 kW
|
453 A
|
568 A
|
198 kg
|
|
||
|
Frekvensomformer 355kW 400V 675A EMC ND
Art:
GA70C4675BBA
Kopieret
|
510x1140x480
|
315 kW
|
355 kW
|
605 A
|
675 A
|
207 kg
|
|
Vælg en variant på listen