DELCON

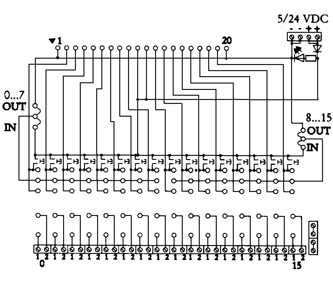
Sokkelmodul til adaptersystem, 16-kanals

  • Hutig og sikker installation
  • Testknapper til funktions simulering
  • PNP eller NPN

Udvalgt variant

358055_812.jpg

Sokkelmodul 16-kanaler, ind/ud, NPN, testknap

Art:

Udvalgt variant

Specifikationer

Tilbehør

Det nye millennium
Produktnyheder

Guide: Er den nye Millenium den rette Micro-PLC til dit behov?

Den nye Millenium-generation er udviklet for at videreføre et gennemprøvet koncept og tilpasse det til nutidens krav om opkobling, fleksibilitet og brugervenlighed. Denne guide henvender sig til dig, der vil forstå, hvordan den nye Millenium anvendes i praksis, hvad der adskiller den fra tidligere generationer – og hvornår den er det rette valg.

Tips og guides

Lær mere om strømforsyninger

Vi tilbyder et komplet sortiment af strømforsyninger, redundante systemer, DC-UPS og en række specialtilpassede enheder til f.eks. eksplosionsfarlige miljøer (ATEX) eller NEC class 2-kredsløb fra vores producent PULS. Strømforsyninger til 110 V DC indspænding med strømkapacitet fra 0,6 A op til 20 A (24 V DC).

Kabelgennemføring
Produktnyheder

ORGANISÉR DINE KABLER MED VORES KABELGENNEMFØRINGSSYSTEM FRA CONTA-CLIP 

Lær mere om, hvordan innovative kabelgennemføringssystemer kan imødekomme nutidens industrielle udfordringer ved at spare tid, forenkle installationen og tilbyde enestående fleksibilitet. Følg med, når vi dykker ned i, hvordan vores kabelgennemføringssystemer fra Conta-Clip påvirker industrielle installationer

Auer Smart Signal_Portraet
Produktnyheder

Næste niveau af industriel varsling

En ny produktserie fra Auer Signal lanceres i løbet af 2025, og de første modeller er nu klar til markedet. Serien er kendetegnet ved høj ydeevne, fleksibilitet og smarte funktioner – alt samlet i et moderne og robust design.

Artikel listing
Tips og guides

Pumper: Løftehøjde vs. Tryk – forstå forskellen

En af de vigtigste faktorer ved valg af en centrifugalpumpe er begrebet “total løftehøjde” (Total Head). En misforståelse af dette kan føre til valg af en pumpe, der enten ikke leverer den ønskede ydeevne eller får hyppige driftsstop, hvilket i sidste ende påvirker hele systemet.

Skueglas og belysning Listing
Tips og guides

Procesovervågning til lukkede og krævende miljøer

Hos os får du gennemprøvede løsninger til procesovervågning og visuel inspektion i lukkede beholdere og anlæg. Sortimentet omfatter skueglas og belysning fra FH Papenmeier, udviklet til brug i både standard- og krævende industrielle miljøer.

Teknisk rådgivning

Lars Bogetoft Christensen

Produktchef, El Automation

Kundeservice
Har du har brug for hjælp? Kontakt os:
Har du brug for hjælp? Klik her!
Logo

COOKIE-INDSTILLINGER FOR OEMKLITSO.DK

Cookies hjælper os med at forbedre din oplevelse med os. Så for at kunne analysere trafikken, håndtere loginoplysninger, tilbyde dig personlige oplysninger og for at grundlæggende funktionalitet kan fungere på webssitet, skal vi bruge nogle cookies.

NØDVENDIGE COOKIES

Disse cookies er nødvendige for, at webstedet fungerer og kan ikke slås fra i vores systemer. De bruges normalt kun som reaktion på handlinger, du har foretaget i forbindelse med en serviceanmodning, f.eks. Når du angiver personlige præferencer, logger ind eller udfylder en formular.

ANALYSE OG MÅLING

Disse cookies giver os mulighed for at tælle antallet af besøg og trafikkilder, så vi kan måle og forbedre vores websteds ydeevne. De hjælper os med at vide, hvilke sider der er mere eller mindre populære, og hvordan besøgende navigerer rundt på webstedet. De oplysninger, som disse cookies indsamler, er aggregerede og derfor helt anonyme. Hvis du ikke tillader disse cookies, ved vi ikke, hvornår du har besøgt vores websted.

MARKEDSFØRING

Disse cookies kan tilføjes af vores partnere. De kan bruge dem til at oprette en profil af dig baseret på dine interesser for at vise dig mere relevante oplysninger. De gemmer ingen personlige oplysninger - kun oplysninger om din browser og enhed. Hvis du ikke accepterer disse cookies, får du en mere generel og mindre tilpasset brugeroplevelse.