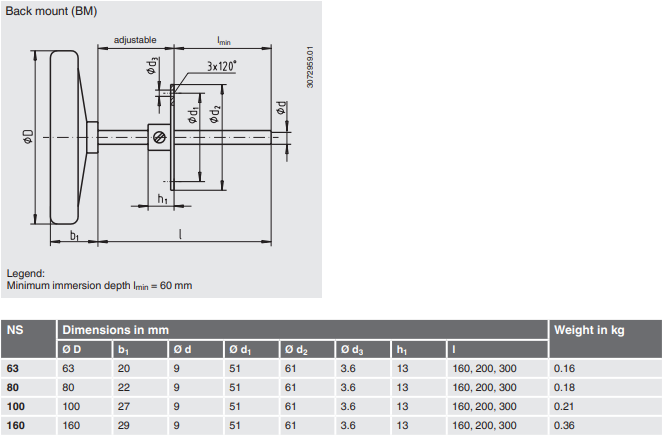
| Diameter | 63 mm |
|---|---|
| Indstikslængde | 100 mm |
| Materiale hus | Aluminium |
| Materiale medieberørte del | Kobberlegering |
| Plug diameter | 9 mm |
| Temperaturområde fra | -30 °C |
| Temperaturområde til | 50 °C |
| Tilslutningsposition | Bagud |
Nu kan du få præfabrikerede og konfigurerbare trykdæksler leveret på kun 2 uger – en hurtig og fleksibel løsning, der sparer dig både tid og besvær.
Aventics XV-serie fra Emerson muliggør øget fleksibilitet og effektivitet i produktionssystemer. Den moderne ventilteknologi i denne serie forbedrer udnyttelsen af trykluft og optimerer ydeevnen i pneumatiske systemer. Med sit kompakte design sparer XV-serien plads i styreskabet, samtidig med at ventilerne har lang levetid og kræver minimal vedligeholdelse. Dette giver øget oppetid og gør serien til et fremragende valg for nutidens krævende produktionsmiljøer.
Efterhånden som kravene til pålidelig niveau- og flowmåling stiger, bliver behovet for smartere og mere robust teknologi stadig vigtigere. Med Rosemount 1208 niveau- og flowradar præsenterer vi hos OEM Automatic en ny, berøringsfri niveauradar, der kombinerer høj præcision med nem installation – uanset om det er vand, havre eller kemikalier.
Vi tilbyder et bredt udvalg af Tescom trykregulatorer, der dækker alt fra laboratorieanalyser til industrielle gasinstallationer. Tescom er kendt for sin høje kvalitet, fleksibilitet og pålidelighed – uanset om du arbejder med brandfarlige gasser, kalibreringsudstyr eller trykpaneler.
Fra og med 2025 har ACCREDIA introduceret et nyt logo og ændret logikken for tildeling af akkrediteringsnumre til kalibreringslaboratorier. Som følge heraf er Sensecas akkrediteringsnummer nu 00171, hvilket erstatter det tidligere LAT 124.
Senseca har fuldført denne opdatering inden den officielle deadline den 30. september 2025, og vi er glade for at kunne informere om, at alle nødvendige tilpasninger er implementeret.
Lær mere om, hvordan innovative kabelgennemføringssystemer kan imødekomme nutidens industrielle udfordringer ved at spare tid, forenkle installationen og tilbyde enestående fleksibilitet. Følg med, når vi dykker ned i, hvordan vores kabelgennemføringssystemer fra Conta-Clip påvirker industrielle installationer
|
|
|
|
|
|
||
|---|---|---|---|---|---|---|
|
|
|
|
|
|
||
|
|
|
|
|
|
||
|
|
|
|
|
|
||
|
|
|
|
|
|
||
|
|
|
|
|
|
||
|
|
|
|
|
|
| Favoritter | Artikler | Diameter | Indstikslængde | Temperaturområde fra | Temperaturområde til | Pris | |
|---|---|---|---|---|---|---|---|
Ø63 -30-50°C 100x9mm flange Ø61mm
Art:
A48-31122963
Kopieret
|
63 mm
|
100 mm
|
-30 °C
|
50 °C
|
| ||
Ø63 -30-50°C 160x9mm flange Ø61mm
Art:
A48-14343632
Kopieret
|
63 mm
|
160 mm
|
-30 °C
|
50 °C
|
| ||
Ø63 -30-50°C 200x9mm flange Ø61mm
Art:
A48-14115404
Kopieret
|
63 mm
|
200 mm
|
-30 °C
|
50 °C
|
| ||
Ø63 -30-50°C 300x9mm flange Ø61mm
Art:
A48-14343630
Kopieret
|
63 mm
|
300 mm
|
-30 °C
|
50 °C
|
| ||
Ø63 0-60°C 200x9mm flange Ø61mm
Art:
A48-14000445
Kopieret
|
63 mm
|
200 mm
|
0 °C
|
60 °C
|
| ||
Ø63 0-60°C 300x9mm flange Ø61mm
Art:
A48-14343629
Kopieret
|
63 mm
|
300 mm
|
0 °C
|
60 °C
|
| ||
Ø63 0-60°C 100x9mm flange Ø61mm
Art:
A48-13020714
Kopieret
|
63 mm
|
100 mm
|
0 °C
|
60 °C
|
| ||
Ø63 0-60°C 160x9mm flange Ø61mm
Art:
A48-30203414
Kopieret
|
63 mm
|
160 mm
|
0 °C
|
60 °C
|
| ||
Ø63 0-80°C 160x9mm flange Ø61mm
Art:
A48-3903214
Kopieret
|
63 mm
|
160 mm
|
0 °C
|
80 °C
|
| ||
Ø63 0-80°C 100x9mm flange Ø61mm
Art:
A48-13461398
Kopieret
|
63 mm
|
100 mm
|
0 °C
|
80 °C
|
| ||
Ø63 0-80°C 200x9mm flange Ø61mm
Art:
A48-12015903
Kopieret
|
63 mm
|
200 mm
|
0 °C
|
80 °C
|
| ||
Ø63 0-80°C 300x9mm flange Ø61mm
Art:
A48-12405281
Kopieret
|
63 mm
|
300 mm
|
0 °C
|
80 °C
|
| ||
Ø63 0-120°C 300x9mm flange Ø61mm
Art:
A48-12447740
Kopieret
|
63 mm
|
300 mm
|
0 °C
|
120 °C
|
| ||
Ø63 0-120°C 160x9mm flange Ø61mm
Art:
A48-3903222
Kopieret
|
63 mm
|
160 mm
|
0 °C
|
120 °C
|
| ||
Ø63 0-120°C 200x9mm flange Ø61mm
Art:
A48-13473728
Kopieret
|
63 mm
|
200 mm
|
0 °C
|
120 °C
|
| ||
Ø63 0-120°C 100x9mm flange Ø61mm
Art:
A48-14029824
Kopieret
|
63 mm
|
100 mm
|
0 °C
|
120 °C
|
| ||
Ø80 -30-50°C 100x9mm flange Ø61mm
Art:
A48-35127449
Kopieret
|
80 mm
|
100 mm
|
-30 °C
|
50 °C
|
| ||
Ø80 -30-50°C 160x9mm flange Ø61mm
Art:
A48-14343656
Kopieret
|
80 mm
|
160 mm
|
-30 °C
|
50 °C
|
| ||
Ø80 0-60°C 300x9mm flange Ø61mm
Art:
A48-14343652
Kopieret
|
80 mm
|
300 mm
|
0 °C
|
60 °C
|
| ||
Ø80 -30-50°C 200x9mm flange Ø61mm
Art:
A48-36544543
Kopieret
|
80 mm
|
200 mm
|
-30 °C
|
50 °C
|
| ||
Ø80 -30-50°C 300x9mm flange Ø61mm
Art:
A48-14343654
Kopieret
|
80 mm
|
300 mm
|
-30 °C
|
50 °C
|
| ||
Ø80 0-60°C 200x9mm flange Ø61mm
Art:
A48-14113091
Kopieret
|
80 mm
|
200 mm
|
0 °C
|
60 °C
|
| ||
Ø80 0-60°C 160x9mm flange Ø61mm
Art:
A48-13311468
Kopieret
|
80 mm
|
160 mm
|
0 °C
|
60 °C
|
| ||
Ø80 0-80°C 100x9mm flange Ø61mm
Art:
A48-13136870
Kopieret
|
80 mm
|
100 mm
|
0 °C
|
80 °C
|
| ||
Ø80 0-60°C 100x9mm flange Ø61mm
Art:
A48-13214772
Kopieret
|
80 mm
|
100 mm
|
0 °C
|
60 °C
|
| ||
Ø80 0-80°C 200x9mm flange Ø61mm
Art:
A48-3509354
Kopieret
|
80 mm
|
200 mm
|
0 °C
|
80 °C
|
| ||
Ø80 0-80°C 160x9mm flange Ø61mm
Art:
A48-3903249
Kopieret
|
80 mm
|
160 mm
|
0 °C
|
80 °C
|
| ||
Ø80 0-80°C 300x9mm flange Ø61mm
Art:
A48-14343647
Kopieret
|
80 mm
|
300 mm
|
0 °C
|
80 °C
|
| ||
Ø80 0-120°C 300x9mm flange Ø61mm
Art:
A48-14020459
Kopieret
|
80 mm
|
300 mm
|
0 °C
|
120 °C
|
| ||
Ø80 0-120°C 100x9mm flange Ø61mm
Art:
A48-12794296
Kopieret
|
80 mm
|
100 mm
|
0 °C
|
120 °C
|
| ||
Ø80 0-120°C 200x9mm flange Ø61mm
Art:
A48-12131075
Kopieret
|
80 mm
|
200 mm
|
0 °C
|
120 °C
|
| ||
Ø80 0-120°C 160x9mm flange Ø61mm
Art:
A48-14009708
Kopieret
|
80 mm
|
160 mm
|
0 °C
|
120 °C
|
| ||
Ø100 -30-50°C 100x9mm flange Ø61mm
Art:
A48-14343659
Kopieret
|
100 mm
|
100 mm
|
-30 °C
|
50 °C
|
| ||
Ø100 -30-50°C 300x9mm flange Ø61mm
Art:
A48-14343662
Kopieret
|
100 mm
|
300 mm
|
-30 °C
|
50 °C
|
| ||
Ø100 0-60°C 300x9mm flange Ø61mm
Art:
A48-12901629
Kopieret
|
100 mm
|
300 mm
|
0 °C
|
60 °C
|
| ||
Ø100 -30-50°C 200x9mm flange Ø61mm
Art:
A48-14343661
Kopieret
|
100 mm
|
200 mm
|
-30 °C
|
50 °C
|
| ||
Ø100 -30-50°C 160x9mm flange Ø61mm
Art:
A48-47426836
Kopieret
|
100 mm
|
160 mm
|
-30 °C
|
50 °C
|
| ||
Ø100 0-60°C 160x9mm flange Ø61mm
Art:
A48-12003051
Kopieret
|
100 mm
|
160 mm
|
0 °C
|
60 °C
|
| ||
Ø100 0-60°C 200x9mm flange Ø61mm
Art:
A48-3821021
Kopieret
|
100 mm
|
200 mm
|
0 °C
|
60 °C
|
| ||
Ø100 0-120°C 200x9mm flange Ø61mm
Art:
A48-3509966
Kopieret
|
100 mm
|
200 mm
|
0 °C
|
120 °C
|
| ||
Ø100 0-120°C 100x9mm flange Ø61mm
Art:
A48-13318447
Kopieret
|
100 mm
|
100 mm
|
0 °C
|
120 °C
|
| ||
Ø100 0-60°C 100x9mm flange Ø61mm
Art:
A48-13024361
Kopieret
|
100 mm
|
100 mm
|
0 °C
|
60 °C
|
| ||
Ø100 0-120°C 160x9mm flange Ø61mm
Art:
A48-3903281
Kopieret
|
100 mm
|
160 mm
|
0 °C
|
120 °C
|
| ||
Ø100 0-120°C 300x9mm flange Ø61mm
Art:
A48-13084101
Kopieret
|
100 mm
|
300 mm
|
0 °C
|
120 °C
|
|
Vælg en variant på listen
Mikkel Arlien-Søborg