EFFEPI

Effepi lukkeventil 90 grader type \"C\"

Lukkeventil vinkel type "C"

 

Denne ventil har en 90° vinkel som leder mediet nede fra og enten til venstre eller højre i rørføringen.

dette løser rigtig mange plads problemer i installationer hvor pladsen er træng, derudover lukker den også lufttæt.

 

Pakninger: NBR eller FPM

 

Tilslutninger med GAS ISO228 hun-hun fittings.

trykluft tilslutning 1/8"

 

Temperaturområder:

NBR -20°C - +100°C

FPM -15°C - +100°C

 

Aktuator tryk:

Max tryk aktuator: 8 bar.

Se tryk skema i tekniske filer

 

Versioner og størrelser:

DA: 1.1/4" - 2" - 3" (double acting)

 

Anodiserende behandlet udvendigt i aluminium

  • Materiale: Messing
  • Aktuator: Aluminium
  • Størrelser: DN32, DN50, DN80
  • Fås kun som double acting
  • Temperaturområder: NBR -20°C - +100°C FPM -15°C - +100°C

Udvalgt variant

Udvalgt variant

Specifikationer

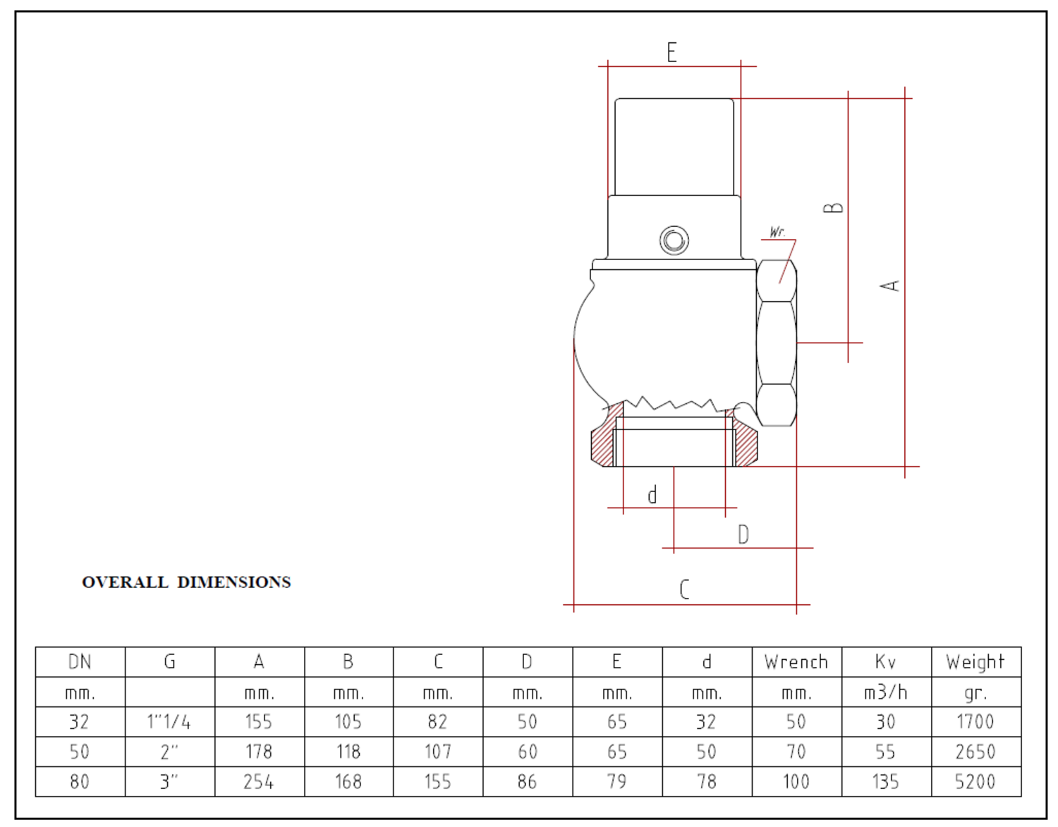
Mål & tilslutninger

Tekniske illustrationer

Produktbeskrivelse

Lukkeventil vinkel type "C"

 

Denne ventil har en 90° vinkel som leder mediet nede fra og enten til venstre eller højre i rørføringen.

dette løser rigtig mange plads problemer i installationer hvor pladsen er træng, derudover lukker den også lufttæt.

 

Pakninger: NBR eller FPM

 

Tilslutninger med GAS ISO228 hun-hun fittings.

trykluft tilslutning 1/8"

 

Temperaturområder:

NBR -20°C - +100°C

FPM -15°C - +100°C

 

Aktuator tryk:

Max tryk aktuator: 8 bar.

Se tryk skema i tekniske filer

 

Versioner og størrelser:

DA: 1.1/4" - 2" - 3" (double acting)

 

Anodiserende behandlet udvendigt i aluminium

Tilbehør

Artikel listing
Tips og guides

Pumper: Løftehøjde vs. Tryk – forstå forskellen

En af de vigtigste faktorer ved valg af en centrifugalpumpe er begrebet “total løftehøjde” (Total Head). En misforståelse af dette kan føre til valg af en pumpe, der enten ikke leverer den ønskede ydeevne eller får hyppige driftsstop, hvilket i sidste ende påvirker hele systemet.

Det nye millennium
Produktnyheder

Guide: Er den nye Millenium den rette Micro-PLC til dit behov?

Den nye Millenium-generation er udviklet for at videreføre et gennemprøvet koncept og tilpasse det til nutidens krav om opkobling, fleksibilitet og brugervenlighed. Denne guide henvender sig til dig, der vil forstå, hvordan den nye Millenium anvendes i praksis, hvad der adskiller den fra tidligere generationer – og hvornår den er det rette valg.

Skueglas og belysning Listing
Tips og guides

Procesovervågning til lukkede og krævende miljøer

Hos os får du gennemprøvede løsninger til procesovervågning og visuel inspektion i lukkede beholdere og anlæg. Sortimentet omfatter skueglas og belysning fra FH Papenmeier, udviklet til brug i både standard- og krævende industrielle miljøer.

Vi er nu distributør
Virksomhedsnyt

GAC Governors America Corp

Pr. 15. Februar 2026 er OEM Automatic Klitsø A/S dansk distributør for GAC (Governors America Corp.).

Powerstart Listing
Virksomhedsnyt

Powerstart Limited

Pr. 15. Februar 2026 er OEM Automatic Klitsø A/S dansk distributør for Powerstart Limited.

MS filtre
Produktnyheder

Driftssikker filtrering til fødevareprocesser

M&S’ vinkelfiltre og snavssamlere er udviklet til effektiv filtrering og opsamling af procesrester i fødevareindustrien, hvor driftssikkerhed, hygiejne og nem service er afgørende. Et vinkelfilter til fødevarer anvendes til pumpbare medier og beskytter kritiske komponenter som pumper, ventiler og varmevekslere mod slid, tilstopning og uplanlagte driftsstop.

Favoritter Artikler Pris

Udvalgt variant

Vælg en variant på listen

Kundeservice
Har du har brug for hjælp? Kontakt os:
Har du brug for hjælp? Klik her!
Logo

COOKIE-INDSTILLINGER FOR OEMKLITSO.DK

Cookies hjælper os med at forbedre din oplevelse med os. Så for at kunne analysere trafikken, håndtere loginoplysninger, tilbyde dig personlige oplysninger og for at grundlæggende funktionalitet kan fungere på webssitet, skal vi bruge nogle cookies.

NØDVENDIGE COOKIES

Disse cookies er nødvendige for, at webstedet fungerer og kan ikke slås fra i vores systemer. De bruges normalt kun som reaktion på handlinger, du har foretaget i forbindelse med en serviceanmodning, f.eks. Når du angiver personlige præferencer, logger ind eller udfylder en formular.

ANALYSE OG MÅLING

Disse cookies giver os mulighed for at tælle antallet af besøg og trafikkilder, så vi kan måle og forbedre vores websteds ydeevne. De hjælper os med at vide, hvilke sider der er mere eller mindre populære, og hvordan besøgende navigerer rundt på webstedet. De oplysninger, som disse cookies indsamler, er aggregerede og derfor helt anonyme. Hvis du ikke tillader disse cookies, ved vi ikke, hvornår du har besøgt vores websted.

MARKEDSFØRING

Disse cookies kan tilføjes af vores partnere. De kan bruge dem til at oprette en profil af dig baseret på dine interesser for at vise dig mere relevante oplysninger. De gemmer ingen personlige oplysninger - kun oplysninger om din browser og enhed. Hvis du ikke accepterer disse cookies, får du en mere generel og mindre tilpasset brugeroplevelse.