ASCO

Panelcylinder som skrues fast

Serie 429

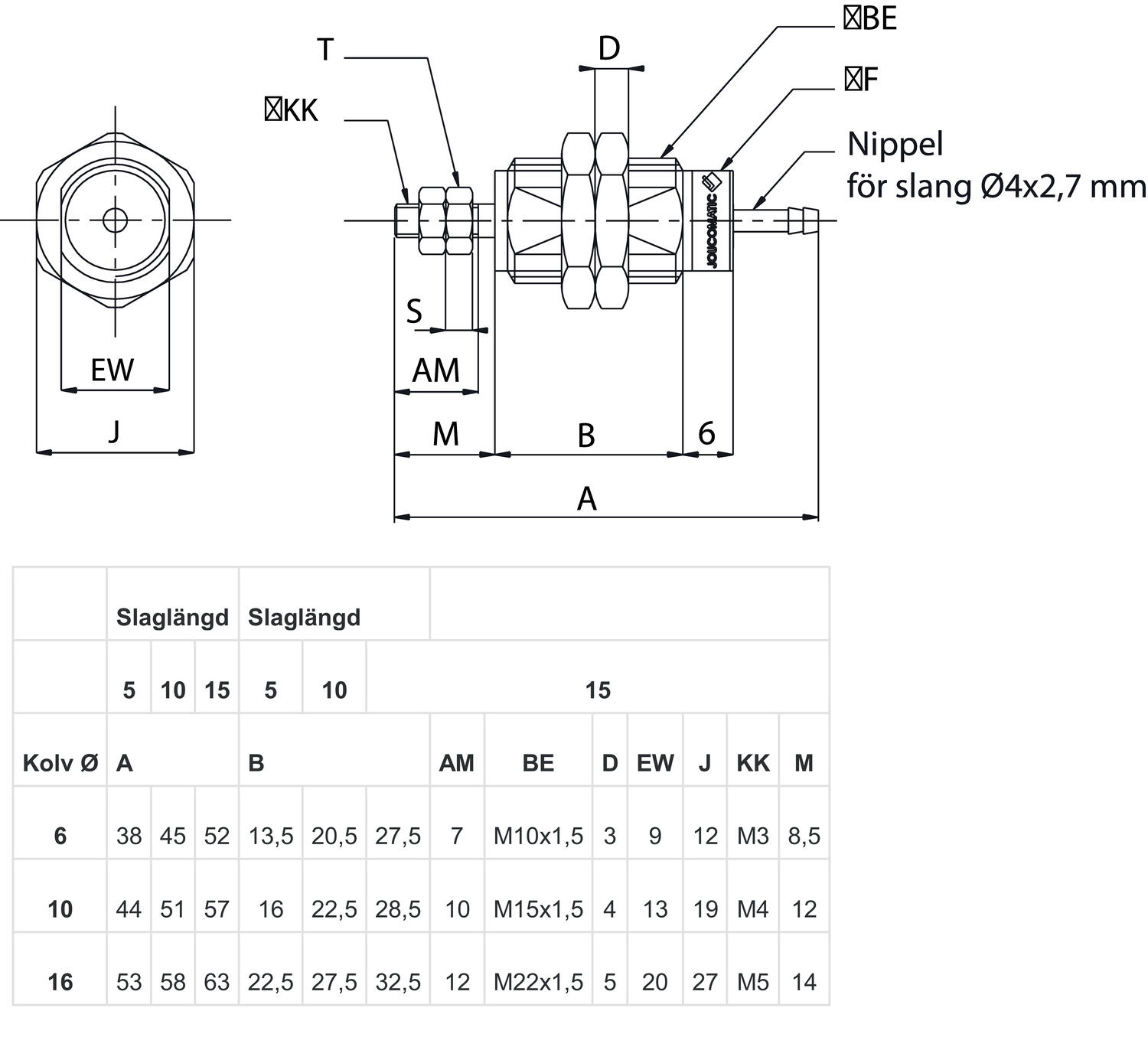
Asco Numatics enkelt- eller dobbeltvirkende cylindre til indbygning. Cylinderkroppens udv. gevind muliggør finjustering af cylinderens stiling ved montering. Alle lufttilslutninger sidder på cylinderens bagende vha. slanger, Ø4/2,7 mm. Enkeltvirkende cylindre bør kun belastes i plusbevægelsen.
  • Til panelmontering
  • Enkelt- eller dobbeltvirkende
  • Ø6mm til 16mm
  • Slaglængde 5 -15mm

Udvalgt variant

Udvalgt variant

Specifikationer

Diameter stempel 6 mm
Slaglængde 5 mm
Tilslutning luft Push-on Ø3 mm
Materiale cylinderrør Nikkelplateret messing
Materiale stempelstang Stål
Materiale stempelstangsmøtrik Nikkelplateret messing
Materiale stempelstangstætning NBR
Materiale stempeltætning NBR
Materiale fjeder Messing
Materiale endestykke Nikkelplateret messing
Temperaturområde fra 5 °C
Temperaturområde til 60 °C
Funktion Enkeltvirkende, Udæmpet
Montering Uafhængig
Max arbejdstryk, enkelt 7 bar
Arbejdstryk enkeltvirkende min. 3 bar
Max tryk 10 bar
Vægt 0,01 kg

Mål & tilslutninger

Produktbeskrivelse

Asco Numatics enkelt- eller dobbeltvirkende cylindre til indbygning. Cylinderkroppens udv. gevind muliggør finjustering af cylinderens stiling ved montering. Alle lufttilslutninger sidder på cylinderens bagende vha. slanger, Ø4/2,7 mm. Enkeltvirkende cylindre bør kun belastes i plusbevægelsen.

Tilbehør

Smart-Line af Zimmerlin
Produktnyheder

Tankdæksler på rekordtid med Smart-Line

Nu kan du få præfabrikerede og konfigurerbare trykdæksler leveret på kun 2 uger – en hurtig og fleksibel løsning, der sparer dig både tid og besvær.

XV Ventiltermial
Produktnyheder

Modulær ventilterminal fra Aventics – XV-serien

Aventics XV-serie fra Emerson muliggør øget fleksibilitet og effektivitet i produktionssystemer. Den moderne ventilteknologi i denne serie forbedrer udnyttelsen af trykluft og optimerer ydeevnen i pneumatiske systemer. Med sit kompakte design sparer XV-serien plads i styreskabet, samtidig med at ventilerne har lang levetid og kræver minimal vedligeholdelse. Dette giver øget oppetid og gør serien til et fremragende valg for nutidens krævende produktionsmiljøer.

Omkostningseffektiv niveaumåling
Produktnyheder

Omkostningseffektiv og pålidelig niveaumåling med Rosemount 1208 niveau- og flowradar

Efterhånden som kravene til pålidelig niveau- og flowmåling stiger, bliver behovet for smartere og mere robust teknologi stadig vigtigere. Med Rosemount 1208 niveau- og flowradar præsenterer vi hos OEM Automatic en ny, berøringsfri niveauradar, der kombinerer høj præcision med nem installation – uanset om det er vand, havre eller kemikalier.

Tescom Trykregulatorer
Produktnyheder

TESCOM MULTI-PURPOSE TRYKREGULATORER

Vi tilbyder et bredt udvalg af Tescom trykregulatorer, der dækker alt fra laboratorieanalyser til industrielle gasinstallationer. Tescom er kendt for sin høje kvalitet, fleksibilitet og pålidelighed – uanset om du arbejder med brandfarlige gasser, kalibreringsudstyr eller trykpaneler.

Accredia logo
Produktnyheder

Senseca Italy Calibration Center opdaterer akkrediteringsnummer og logo

Fra og med 2025 har ACCREDIA introduceret et nyt logo og ændret logikken for tildeling af akkrediteringsnumre til kalibreringslaboratorier. Som følge heraf er Sensecas akkrediteringsnummer nu 00171, hvilket erstatter det tidligere LAT 124.

Senseca har fuldført denne opdatering inden den officielle deadline den 30. september 2025, og vi er glade for at kunne informere om, at alle nødvendige tilpasninger er implementeret.

Kabelgennemføring
Produktnyheder

ORGANISÉR DINE KABLER MED VORES KABELGENNEMFØRINGSSYSTEM FRA CONTA-CLIP 

Lær mere om, hvordan innovative kabelgennemføringssystemer kan imødekomme nutidens industrielle udfordringer ved at spare tid, forenkle installationen og tilbyde enestående fleksibilitet. Følg med, når vi dykker ned i, hvordan vores kabelgennemføringssystemer fra Conta-Clip påvirker industrielle installationer

Favoritter Artikler Diameter stempel Slaglængde Funktion Max arbejdstryk, dobbelt Min arbejdstryk, dobbelt Max arbejdstryk, enkelt Arbejdstryk enkeltvirkende min. Vægt Pris
6 mm
5 mm
Enkeltvirkende, Udæmpet
7 bar
3 bar
0,01 kg
6 mm
5 mm
Dobbeltvirkende, Udæmpet
7 bar
1,5 bar
0,034 kg
6 mm
10 mm
Enkeltvirkende, Udæmpet
7 bar
3 bar
0,015 kg
6 mm
10 mm
Dobbeltvirkende, Udæmpet
7 bar
1,5 bar
0,042 kg
6 mm
15 mm
Enkeltvirkende, Udæmpet
7 bar
3 bar
0,018 kg
6 mm
15 mm
Dobbeltvirkende, Udæmpet
7 bar
1,5 bar
0,05 kg
10 mm
5 mm
Enkeltvirkende, Udæmpet
7 bar
3 bar
0,03 kg
10 mm
5 mm
Dobbeltvirkende, Udæmpet
7 bar
1,5 bar
0,082 kg
10 mm
10 mm
Enkeltvirkende, Udæmpet
7 bar
3 bar
0,037 kg
10 mm
10 mm
Dobbeltvirkende, Udæmpet
7 bar
1,5 bar
0,094 kg
10 mm
15 mm
Enkeltvirkende, Udæmpet
7 bar
3 bar
0,042 kg
10 mm
15 mm
Dobbeltvirkende, Udæmpet
7 bar
1,5 bar
0,106 kg
16 mm
5 mm
Enkeltvirkende, Udæmpet
7 bar
3 bar
0,086 kg
16 mm
5 mm
Dobbeltvirkende, Udæmpet
7 bar
1,5 bar
0,126 kg
16 mm
10 mm
Enkeltvirkende, Udæmpet
7 bar
3 bar
0,093 kg
16 mm
10 mm
Dobbeltvirkende, Udæmpet
7 bar
1,5 bar
0,138 kg
16 mm
15 mm
Enkeltvirkende, Udæmpet
7 bar
3 bar
0,1 kg
16 mm
15 mm
Dobbeltvirkende, Udæmpet
7 bar
1,5 bar
0,155 kg

Udvalgt variant

Vælg en variant på listen

Kundeservice
Har du har brug for hjælp? Kontakt os:
Har du brug for hjælp? Klik her!
Logo

COOKIE-INDSTILLINGER FOR OEMKLITSO.DK

Cookies hjælper os med at forbedre din oplevelse med os. Så for at kunne analysere trafikken, håndtere loginoplysninger, tilbyde dig personlige oplysninger og for at grundlæggende funktionalitet kan fungere på webssitet, skal vi bruge nogle cookies.

NØDVENDIGE COOKIES

Disse cookies er nødvendige for, at webstedet fungerer og kan ikke slås fra i vores systemer. De bruges normalt kun som reaktion på handlinger, du har foretaget i forbindelse med en serviceanmodning, f.eks. Når du angiver personlige præferencer, logger ind eller udfylder en formular.

ANALYSE OG MÅLING

Disse cookies giver os mulighed for at tælle antallet af besøg og trafikkilder, så vi kan måle og forbedre vores websteds ydeevne. De hjælper os med at vide, hvilke sider der er mere eller mindre populære, og hvordan besøgende navigerer rundt på webstedet. De oplysninger, som disse cookies indsamler, er aggregerede og derfor helt anonyme. Hvis du ikke tillader disse cookies, ved vi ikke, hvornår du har besøgt vores websted.

MARKEDSFØRING

Disse cookies kan tilføjes af vores partnere. De kan bruge dem til at oprette en profil af dig baseret på dine interesser for at vise dig mere relevante oplysninger. De gemmer ingen personlige oplysninger - kun oplysninger om din browser og enhed. Hvis du ikke accepterer disse cookies, får du en mere generel og mindre tilpasset brugeroplevelse.