ASCO

Magnetventil, direkte virkende, 1/4\" eller 1/2\"

Serie 327, 3/2-vejs, universal.

 

Teknisk specifikation

ASCO Numatics 327-serien er en 3/2- eller 2/2-vejs direkte virkende magnetventil. Den fås i et utal af varianter hvor der kan vælges materiale, strømforbrug og flowbehov. Ventilen er korrosion- og vibrationsbestandig og har en meget høj driftsikkerhed.

Senest er ventilen opdateret med muligheden for en fluorosilicone-pakning ((F)VMQ) med meget gode temperaturegenskaber. Kombineret med en ekstra stærk fjeder kan ventilen nu operere i temperaturspændet -60°C til +90°C (omgivelse).

Ventilen fås med automatisk eller manual reset og kan leveres med en lang række certifikater alt efter behov inklusiv ATEX, IECEx, CU TR, NEPSI, INMETRO, KOSHA, SIL3, Exida and TÜV.

 

Differenstryk

0-16 bar

Maks. tilladt tryk

16 bar

Maks. viskositet

65 cSt (mm²/s)

Responstid

75-100 ms (luft P=6 bar)

Medie

Luft, gas, vand og olie

Medietemperatur

-25°C til +60°C, NBR (nitril)
-20°C til +120°C, FPM (Viton)

-50°C til +60°C, (F)VMQ ((fluoro) silicone)

Omgivelsestemperatur

-60 °C til +90 °C

IP-klasse

IP65/66/67

Standardspændinger

24/48 VDC

 

24V- 48V  115V - 230V/50/60 Hz

Other Voltages on request

Tilslutning

DIN 43650/A

Design

 

Ventilkrop

Messing

AISI316L SS

Kernerør

Rustfrit 305SS

Rustfrit 305SS

Kerne

Rustfrit 430FSS

Rustfrit 430FSS

Fjeder

Rustfrit 17-7PHSS

Rustfrit 17-7PHSS

Pakninger og sædepakninger

FPM/VMQ/(F)VMQ

FPM/VMQ/(F)VMQ

Glidering

PTFE

PTFE

Spole

Epoxy

Epoxy

 

 

 

 

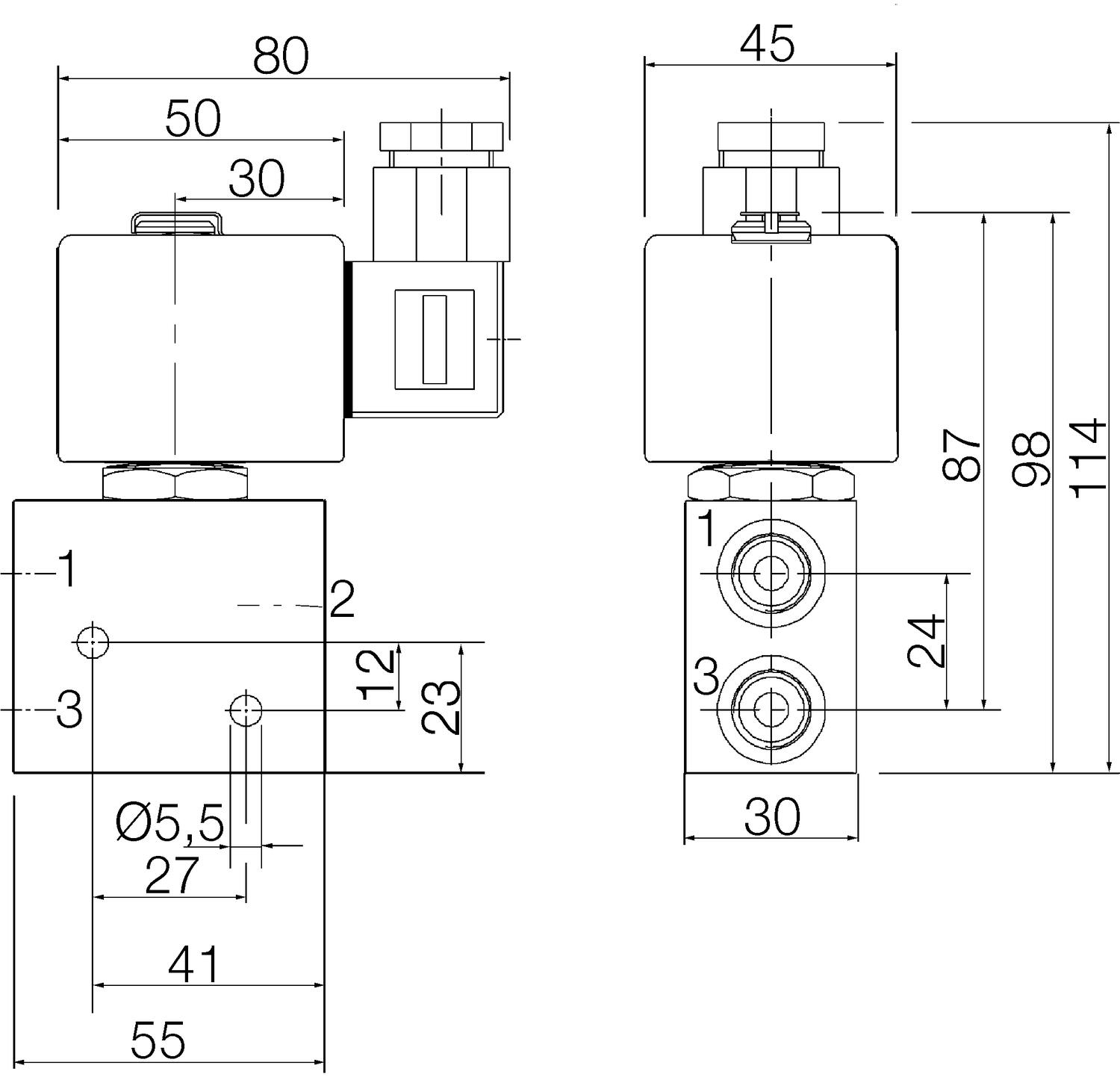
Dimensioner

 

 

Bestillingsnummer

 

327-ventilen fås i mange udgaver. Nedenfor ses et udvalg af de mest gængse udgaver. Kontakt os for specielle udgaver f.eks. høje/lave temperaturer, ATEX, NEMA, SIL-3, NAMUR tilslutninger, High-flow, manuel reset funktion, ekstra sikret, andre spændinger med bl.a. lav-energi udgaver, hold-funktion og meget mere.

 

Artikelnr.

Tilslutning

Lysning

Flow-faktor Kv

Differenstryk bar

Effekt VA/ W

 

 

 

 

21

13

vand/luft/gas

 

230V/50-60Hz.

24VDC

G

mm

(m³/h)

l/min.

(m³/h)

l/min.

min.

~/=

~

=

Messing ventilhus FPM/NBR-pakninger

 

 

 

 

 

 

 

3/2 - Universal FPM pakninger

 

 

 

 

 

 

 

 

 

 

SCG327B001

SCG327B001S3

1/4

5.7

0.43

7.17

0.49

8.17

0

10

0.5-10

0.5-11.6

3/2 - Universal NBR-pakninger

 

 

 

 

 

 

 

SCG327A647

SCG327A647S3

1/4

12

1,50

25.0

1.50

25.0

0

10

8-14.1

6.4-14

SCG327A607

SCG327A607S3

1/2

12

1,50

25.0

1.50

25.0

0

10

8-14.1

6.4-14

Rustfrit ventilhus FPM/NBR-pakninger

 

 

 

 

 

 

 

 

3/2 - Universal FPM-pakninger

 

 

 

 

 

 

 

 

 

 

SCG327B002

SCG327B002S3

1/4

5.7

0.43

7.17

0.49

8.17

0

10

0.5-10

0.5-11.6

3/2 - Universal NBR-pakninger

 

 

 

 

 

 

 

 

 

 

SCG327A648

SCG327A648S3

1/4

12

1,50

25.0

1.50

25.0

0

10

8-14.1

6.4-14

SCG327A608

SCG327A608S3

1/2

12

1,50

25.0

1.50

25.0

0

10

8-14.1

6.4-14

For bestilling eller teknisk support kontakt:

Jakob Thomsen
Produktchef
Tryk & Flow
[email protected]

48 10 64 30 

 

Specielle versioner

  • Andre spændinger
  • Lavtemperatur ned til -60 °C
  • Eksplosionssikrede versioner
  • Håndbetjening
  • Namur-version

 

Tilbehør

  • Kabelstik - 18209N21

 

  • Højkvalitetsventil til krævende opgaver (SIL-3 kan opnås)
  • Mange muligheder for spoler, materialer, funktioner og indkapslinger (Incl. ATEX)
  • Funktionsdygtig ned til -60°C i omgivelsestemperatur
  • 0-16 bars arbejdsområde
  • Mulighed for NAMUR tilslutning eller 2/2 funktion

Udvalgt variant

Udvalgt variant

Specifikationer

Differenstryk luft max 10 bar
Differenstryk max 10 bar
Differenstryk min 0 bar
Differenstryk vand max 10 bar
Effektforbrug 10 W
Flowkoefficient 0,45
Funktion 1 3/2
Funktion 2 Universel
Gennemløb 5,7 mm
IP-klasse IP65
Materiale fjeder Rustfrit stål
Materiale glidering PTFE
Materiale sædetætning FPM
Materiale spole Epoxy
Materiale stempel Rustfrit stål
Materiale tætninger FPM
Materiale ventilhus Messing
Max flow 7,5 l/min
Medietemperatur fra -20 °C
Medietemperatur til 120 °C
Responstid 100 ms
Spænding AC 230 V
Temperaturområde fra -40 °C
Temperaturområde til 55 °C
Tilkoblingsport 1-2 G1/4
Tilkoblingsport 3 G1/4
Type ventil Magnetventil
Vægt 0,95 kg
Viskositet max 65 cSt

Produktbeskrivelse

 

Teknisk specifikation

ASCO Numatics 327-serien er en 3/2- eller 2/2-vejs direkte virkende magnetventil. Den fås i et utal af varianter hvor der kan vælges materiale, strømforbrug og flowbehov. Ventilen er korrosion- og vibrationsbestandig og har en meget høj driftsikkerhed.

Senest er ventilen opdateret med muligheden for en fluorosilicone-pakning ((F)VMQ) med meget gode temperaturegenskaber. Kombineret med en ekstra stærk fjeder kan ventilen nu operere i temperaturspændet -60°C til +90°C (omgivelse).

Ventilen fås med automatisk eller manual reset og kan leveres med en lang række certifikater alt efter behov inklusiv ATEX, IECEx, CU TR, NEPSI, INMETRO, KOSHA, SIL3, Exida and TÜV.

 

Differenstryk

0-16 bar

Maks. tilladt tryk

16 bar

Maks. viskositet

65 cSt (mm²/s)

Responstid

75-100 ms (luft P=6 bar)

Medie

Luft, gas, vand og olie

Medietemperatur

-25°C til +60°C, NBR (nitril)
-20°C til +120°C, FPM (Viton)

-50°C til +60°C, (F)VMQ ((fluoro) silicone)

Omgivelsestemperatur

-60 °C til +90 °C

IP-klasse

IP65/66/67

Standardspændinger

24/48 VDC

 

24V- 48V  115V - 230V/50/60 Hz

Other Voltages on request

Tilslutning

DIN 43650/A

Design

 

Ventilkrop

Messing

AISI316L SS

Kernerør

Rustfrit 305SS

Rustfrit 305SS

Kerne

Rustfrit 430FSS

Rustfrit 430FSS

Fjeder

Rustfrit 17-7PHSS

Rustfrit 17-7PHSS

Pakninger og sædepakninger

FPM/VMQ/(F)VMQ

FPM/VMQ/(F)VMQ

Glidering

PTFE

PTFE

Spole

Epoxy

Epoxy

 

 

 

 

Dimensioner

 

 

Bestillingsnummer

 

327-ventilen fås i mange udgaver. Nedenfor ses et udvalg af de mest gængse udgaver. Kontakt os for specielle udgaver f.eks. høje/lave temperaturer, ATEX, NEMA, SIL-3, NAMUR tilslutninger, High-flow, manuel reset funktion, ekstra sikret, andre spændinger med bl.a. lav-energi udgaver, hold-funktion og meget mere.

 

Artikelnr.

Tilslutning

Lysning

Flow-faktor Kv

Differenstryk bar

Effekt VA/ W

 

 

 

 

21

13

vand/luft/gas

 

230V/50-60Hz.

24VDC

G

mm

(m³/h)

l/min.

(m³/h)

l/min.

min.

~/=

~

=

Messing ventilhus FPM/NBR-pakninger

 

 

 

 

 

 

 

3/2 - Universal FPM pakninger

 

 

 

 

 

 

 

 

 

 

SCG327B001

SCG327B001S3

1/4

5.7

0.43

7.17

0.49

8.17

0

10

0.5-10

0.5-11.6

3/2 - Universal NBR-pakninger

 

 

 

 

 

 

 

SCG327A647

SCG327A647S3

1/4

12

1,50

25.0

1.50

25.0

0

10

8-14.1

6.4-14

SCG327A607

SCG327A607S3

1/2

12

1,50

25.0

1.50

25.0

0

10

8-14.1

6.4-14

Rustfrit ventilhus FPM/NBR-pakninger

 

 

 

 

 

 

 

 

3/2 - Universal FPM-pakninger

 

 

 

 

 

 

 

 

 

 

SCG327B002

SCG327B002S3

1/4

5.7

0.43

7.17

0.49

8.17

0

10

0.5-10

0.5-11.6

3/2 - Universal NBR-pakninger

 

 

 

 

 

 

 

 

 

 

SCG327A648

SCG327A648S3

1/4

12

1,50

25.0

1.50

25.0

0

10

8-14.1

6.4-14

SCG327A608

SCG327A608S3

1/2

12

1,50

25.0

1.50

25.0

0

10

8-14.1

6.4-14

For bestilling eller teknisk support kontakt:

Jakob Thomsen
Produktchef
Tryk & Flow
[email protected]

48 10 64 30 

 

Specielle versioner

  • Andre spændinger
  • Lavtemperatur ned til -60 °C
  • Eksplosionssikrede versioner
  • Håndbetjening
  • Namur-version

 

Tilbehør

  • Kabelstik - 18209N21

 

Tilbehør

Vi er nu distributør
Virksomhedsnyt

GAC Governors America Corp

Pr. 15. Februar 2026 er OEM Automatic Klitsø A/S dansk distributør for GAC (Governors America Corp.).

Powerstart Listing
Virksomhedsnyt

Powerstart Limited

Pr. 15. Februar 2026 er OEM Automatic Klitsø A/S dansk distributør for Powerstart Limited.

Skueglas og belysning Listing
Tips og guides

Procesovervågning til lukkede og krævende miljøer

Hos os får du gennemprøvede løsninger til procesovervågning og visuel inspektion i lukkede beholdere og anlæg. Sortimentet omfatter skueglas og belysning fra FH Papenmeier, udviklet til brug i både standard- og krævende industrielle miljøer.

MS filtre
Produktnyheder

Driftssikker filtrering til fødevareprocesser

M&S’ vinkelfiltre og snavssamlere er udviklet til effektiv filtrering og opsamling af procesrester i fødevareindustrien, hvor driftssikkerhed, hygiejne og nem service er afgørende. Et vinkelfilter til fødevarer anvendes til pumpbare medier og beskytter kritiske komponenter som pumper, ventiler og varmevekslere mod slid, tilstopning og uplanlagte driftsstop.

x guard maskinafskaermning
Produktnyheder

X‑Guard maskinafskærmning – fleksible og sikre hegnsystemer til industrien.

At beskytte både mennesker og maskiner er en selvfølge i et sikkert og effektivt produktionsmiljø. Med X‑Guard maskinafskærmning fra Axelent tilbyder vi hos OEM Automatic Klitsø et komplet, modulært og brugervenligt hegnsystem, der opfylder alle gældende krav til maskinsikkerhed og standarder. X‑Guard er udviklet med tre tydelige grundprincipper: fleksibilitet, enkel montering og høj sikkerhed. Resultatet er et smart og velafprøvet system, som i dag er et af markedets mest populære maskinafskærmninger til industrielle miljøer.

Liag ventil Listing
Produktnyheder

Hygiejniske ventiler fra LIAG – effektiv produktgenvinding og hygiejne i én løsning

I fødevare-, kosmetik- og farmaceutisk industri er der høje krav til hygiejne og effektivitet. Når du arbejder med viskose produkter, pastøse medier eller væsker med partikler, er det afgørende at have en ventil, der sikrer fuld passage, nem rengøring på stedet (CIP) og minimal vedligeholdelse.

Favoritter Artikler Differenstryk max Differenstryk vand max Effektforbrug Flowkoefficient Gennemløb Materiale sædetætning Materiale tætninger Materiale ventilhus Max flow Medietemperatur fra Medietemperatur til Spænding AC Spænding DC Temperaturområde til Tilkoblingsport 1-2 Tilkoblingsport 3 Vægt Pris
10 bar
10 bar
10 W
0,45
5,7 mm
FPM
FPM
Messing
7,5 l/min
-20 °C
120 °C
230 V
55 °C
G1/4
G1/4
0,95 kg
10 bar
10 bar
11,2 W
0,45
5,7 mm
FPM
FPM
Messing
7,5 l/min
-20 °C
120 °C
24 V
55 °C
G1/4
G1/4
0,95 kg
10 bar
10 bar
10 W
0,45
5,7 mm
FPM
FPM
Rustfrit stål 316L
7,5 l/min
-20 °C
120 °C
230 V
55 °C
G1/4
G1/4
0,95 kg
10 bar
10 bar
11,2 W
0,45
5,7 mm
FPM
FPM
Rustfrit stål 316L
7,5 l/min
-20 °C
120 °C
24 V
55 °C
G1/4
G1/4
0,95 kg
14,1 W
1,5
12 mm
FPM
FPM
Messing
25 l/min
-10 °C
90 °C
230 V
90 °C
G1/2
G1/2
1,6 kg
14 W
1,5
12 mm
FPM
FPM
Messing
25 l/min
-10 °C
90 °C
24 V
90 °C
G1/2
G1/2
1,6 kg
14,1 W
1,5
12 mm
FPM
FPM
Rustfrit stål 316L
25 l/min
-10 °C
90 °C
230 V
90 °C
G1/2
G1/2
1,6 kg
14 W
1,5
12 mm
FPM
FPM
Rustfrit stål 316L
25 l/min
-10 °C
90 °C
24 V
90 °C
G1/2
G1/2
1,6 kg
10 bar
10 W
1,5
12 mm
NBR
NBR
Messing
25 l/min
-25 °C
60 °C
230 V
60 °C
G1/4
G1/4
1,6 kg
10 bar
10 W
1,5
12 mm
NBR
NBR
Messing
25 l/min
-25 °C
60 °C
24 V
60 °C
G1/4
G1/4
1,6 kg
10 bar
10 W
1,5
12 mm
NBR
NBR
Rustfrit stål 316L
25 l/min
-25 °C
60 °C
230 V
60 °C
G1/4
G1/4
1,6 kg
10 bar
10 W
1,5
12 mm
NBR
NBR
Rustfrit stål 316L
25 l/min
-25 °C
60 °C
24 V
60 °C
G1/4
G1/4
1,6 kg
10 W
1,5
12 mm
NBR
NBR
Messing
25 l/min
-25 °C
60 °C
230 V
60 °C
G1/2
G1/2
1,6 kg
10 W
1,5
12 mm
NBR
NBR
Messing
25 l/min
-25 °C
60 °C
24 V
60 °C
G1/2
G1/2
1,6 kg
10 W
1,5
12 mm
NBR
NBR
Rustfrit stål 316L
25 l/min
-25 °C
60 °C
230 V
60 °C
G1/2
G1/2
1,6 kg
10 W
1,5
12 mm
NBR
NBR
Rustfrit stål 316L
25 l/min
-25 °C
60 °C
24 V
60 °C
G1/2
G1/2
1,6 kg

Udvalgt variant

Vælg en variant på listen

Teknisk rådgivning

Henrik Philipsen

Produktchef, Tryk & Flow

Kundeservice
Har du har brug for hjælp? Kontakt os:
Har du brug for hjælp? Klik her!
Logo

COOKIE-INDSTILLINGER FOR OEMKLITSO.DK

Cookies hjælper os med at forbedre din oplevelse med os. Så for at kunne analysere trafikken, håndtere loginoplysninger, tilbyde dig personlige oplysninger og for at grundlæggende funktionalitet kan fungere på webssitet, skal vi bruge nogle cookies.

NØDVENDIGE COOKIES

Disse cookies er nødvendige for, at webstedet fungerer og kan ikke slås fra i vores systemer. De bruges normalt kun som reaktion på handlinger, du har foretaget i forbindelse med en serviceanmodning, f.eks. Når du angiver personlige præferencer, logger ind eller udfylder en formular.

ANALYSE OG MÅLING

Disse cookies giver os mulighed for at tælle antallet af besøg og trafikkilder, så vi kan måle og forbedre vores websteds ydeevne. De hjælper os med at vide, hvilke sider der er mere eller mindre populære, og hvordan besøgende navigerer rundt på webstedet. De oplysninger, som disse cookies indsamler, er aggregerede og derfor helt anonyme. Hvis du ikke tillader disse cookies, ved vi ikke, hvornår du har besøgt vores websted.

MARKEDSFØRING

Disse cookies kan tilføjes af vores partnere. De kan bruge dem til at oprette en profil af dig baseret på dine interesser for at vise dig mere relevante oplysninger. De gemmer ingen personlige oplysninger - kun oplysninger om din browser og enhed. Hvis du ikke accepterer disse cookies, får du en mere generel og mindre tilpasset brugeroplevelse.