ASCO

Magnetventil, ophængt membran, 3/8\"-1\"

Serie L133, 2/2-vejs, normalt lukket.

 Sirai serie L133 er en meget alsidig ventil som kan bruges til luft, inerte gasser, vand og olie. Ventilen kræver ikke noget minimum differenstryk og er dermed velegnet til lukkede systemer eller til f.eks at forbinde to tanke, hvor der kan være samme tryk eller til at tømme en tank. Ventilen med den ophængte membran er lidt dyrere end den almindelige og bruger lidt mere strøm for at arbejde med et tilsvarende tryk.

 

Eksempler på applikationer hvor denne ventil bruges er: Luftkompressorer, gulvvaskemaskiner, varmesystemer til køretøjer (ambulancer, busser, lastbiler), bageriovne, gasbrændere, plasmaskærere, airconditionanlæg og til tømning af tanke.

 

  • Kræver intet differenstryk.
  • Velegnet til lukkede systemer eller tømning af tanke.
  • Arbejdstryk 0-10 bar. (0-8 bar for DC-spoler)
  • Mulighed for NBR-, FPM- (Viton) eller EPDM-pakninger.

Udvalgt variant

Udvalgt variant

Specifikationer

Differenstryk max 10 bar
Differenstryk min 0 bar
Elektrisk tilslutning DIN A 43650
Flowkoefficient 2
Funktion 1 2/2
Funktion 2 Normalt lukket
Gennemløb 12,5 mm
IP-klasse IP67
Materiale fjeder Rustfrit stål
Materiale indvendige dele Rustfrit stål, PPS
Materiale kortslutningsring Kobber
Materiale membran NBR
Materiale sæde Messing
Materiale spole PPS
Materiale stempel Rustfrit stål
Materiale tætninger NBR
Materiale ventilhus Messing
Max tryk 16 bar
Medietemperatur fra -10 °C
Medietemperatur til 90 °C
Omgivelsestemperatur fra -10 °C
Responstid ind 100 ms
Responstid ud 400 ms
Spænding AC 230 V
Tilslutning G3/8
Vægt 0,34 kg
Viskositet max 37 cSt

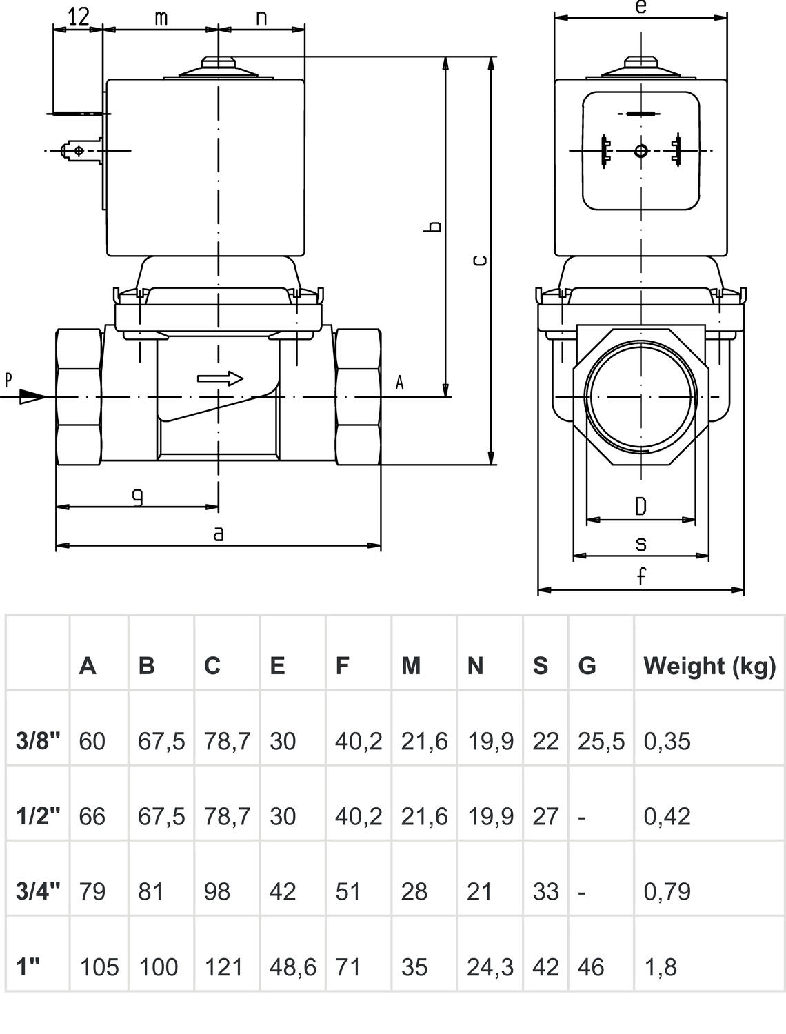
Mål & tilslutninger

Produktbeskrivelse

 Sirai serie L133 er en meget alsidig ventil som kan bruges til luft, inerte gasser, vand og olie. Ventilen kræver ikke noget minimum differenstryk og er dermed velegnet til lukkede systemer eller til f.eks at forbinde to tanke, hvor der kan være samme tryk eller til at tømme en tank. Ventilen med den ophængte membran er lidt dyrere end den almindelige og bruger lidt mere strøm for at arbejde med et tilsvarende tryk.

 

Eksempler på applikationer hvor denne ventil bruges er: Luftkompressorer, gulvvaskemaskiner, varmesystemer til køretøjer (ambulancer, busser, lastbiler), bageriovne, gasbrændere, plasmaskærere, airconditionanlæg og til tømning af tanke.

 

Tilbehør

Vi er nu distributør
Virksomhedsnyt

GAC Governors America Corp

Pr. 15. Februar 2026 er OEM Automatic Klitsø A/S dansk distributør for GAC (Governors America Corp.).

Powerstart Listing
Virksomhedsnyt

Powerstart Limited

Pr. 15. Februar 2026 er OEM Automatic Klitsø A/S dansk distributør for Powerstart Limited.

Skueglas og belysning Listing
Tips og guides

Procesovervågning til lukkede og krævende miljøer

Hos os får du gennemprøvede løsninger til procesovervågning og visuel inspektion i lukkede beholdere og anlæg. Sortimentet omfatter skueglas og belysning fra FH Papenmeier, udviklet til brug i både standard- og krævende industrielle miljøer.

MS filtre
Produktnyheder

Driftssikker filtrering til fødevareprocesser

M&S’ vinkelfiltre og snavssamlere er udviklet til effektiv filtrering og opsamling af procesrester i fødevareindustrien, hvor driftssikkerhed, hygiejne og nem service er afgørende. Et vinkelfilter til fødevarer anvendes til pumpbare medier og beskytter kritiske komponenter som pumper, ventiler og varmevekslere mod slid, tilstopning og uplanlagte driftsstop.

x guard maskinafskaermning
Produktnyheder

X‑Guard maskinafskærmning – fleksible og sikre hegnsystemer til industrien.

At beskytte både mennesker og maskiner er en selvfølge i et sikkert og effektivt produktionsmiljø. Med X‑Guard maskinafskærmning fra Axelent tilbyder vi hos OEM Automatic Klitsø et komplet, modulært og brugervenligt hegnsystem, der opfylder alle gældende krav til maskinsikkerhed og standarder. X‑Guard er udviklet med tre tydelige grundprincipper: fleksibilitet, enkel montering og høj sikkerhed. Resultatet er et smart og velafprøvet system, som i dag er et af markedets mest populære maskinafskærmninger til industrielle miljøer.

Liag ventil Listing
Produktnyheder

Hygiejniske ventiler fra LIAG – effektiv produktgenvinding og hygiejne i én løsning

I fødevare-, kosmetik- og farmaceutisk industri er der høje krav til hygiejne og effektivitet. Når du arbejder med viskose produkter, pastøse medier eller væsker med partikler, er det afgørende at have en ventil, der sikrer fuld passage, nem rengøring på stedet (CIP) og minimal vedligeholdelse.

Favoritter Artikler Differenstryk max Effekt Flowkoefficient Gennemløb IP-klasse Materiale indvendige dele Materiale spole Medietemperatur til Spænding AC Spænding DC Tilslutning Vægt Pris
10 bar
2
12,5 mm
IP67
Rustfrit stål, PPS
PPS
90 °C
230 V
G3/8
0,34 kg
10 bar
2,2
12,5 mm
IP67
Rustfrit stål, PPS
PPS
90 °C
230 V
G1/2
0,41 kg
3 bar
13 W
4,5
17 mm
IP65
Messing, Rustfrit stål
PET
90 °C
24 V
G3/4
0,79 kg
10 bar
4,5
17 mm
IP65
Messing, Rustfrit stål
PET
90 °C
230 V
G3/4
0,79 kg
3 bar
17 W
9
24 mm
IP65
Messing, Rustfrit stål
PPS
90 °C
24 V
G1
1,81 kg
10 bar
9
24 mm
IP65
Messing, Rustfrit stål
PPS
80 °C
230 V
G1
1,81 kg

Udvalgt variant

Vælg en variant på listen

Teknisk rådgivning

Henrik Philipsen

Produktchef, Tryk & Flow

Kundeservice
Har du har brug for hjælp? Kontakt os:
Har du brug for hjælp? Klik her!
Logo

COOKIE-INDSTILLINGER FOR OEMKLITSO.DK

Cookies hjælper os med at forbedre din oplevelse med os. Så for at kunne analysere trafikken, håndtere loginoplysninger, tilbyde dig personlige oplysninger og for at grundlæggende funktionalitet kan fungere på webssitet, skal vi bruge nogle cookies.

NØDVENDIGE COOKIES

Disse cookies er nødvendige for, at webstedet fungerer og kan ikke slås fra i vores systemer. De bruges normalt kun som reaktion på handlinger, du har foretaget i forbindelse med en serviceanmodning, f.eks. Når du angiver personlige præferencer, logger ind eller udfylder en formular.

ANALYSE OG MÅLING

Disse cookies giver os mulighed for at tælle antallet af besøg og trafikkilder, så vi kan måle og forbedre vores websteds ydeevne. De hjælper os med at vide, hvilke sider der er mere eller mindre populære, og hvordan besøgende navigerer rundt på webstedet. De oplysninger, som disse cookies indsamler, er aggregerede og derfor helt anonyme. Hvis du ikke tillader disse cookies, ved vi ikke, hvornår du har besøgt vores websted.

MARKEDSFØRING

Disse cookies kan tilføjes af vores partnere. De kan bruge dem til at oprette en profil af dig baseret på dine interesser for at vise dig mere relevante oplysninger. De gemmer ingen personlige oplysninger - kun oplysninger om din browser og enhed. Hvis du ikke accepterer disse cookies, får du en mere generel og mindre tilpasset brugeroplevelse.