ASCO

Pneumatikventil til ekstreme miljøer, RG 1/4\"

Serie L12

Ventilerne i serie L's unikke "spoole-and-sleeve"-konstruktion bruges, hvor der er støv, høje temperaturer, høj driftsfrekvens. Glideren er i hærdet rustfrit stål og løber frit i en perforeret bøsning, lavet i samme materiale. Delene er meget fint tilpasset hinanden og da tolerancerne er så små som 1um, er intern lækage normalt ubetydelig. Der er ingen O-ringe eller andre tætninger omkring glideren og takket være dette, kan en mekanisk levetid på 200 millioner omstillinger garanteres. Det er muligt at købe et renoveringssæt bestående af glider og bøsning, som let kan erstatte de gamle dele, hvorefter den igen kan håndtere 200 millioner omstillinger. Ventilen bliver ikke påvirket af støv og lignende, fordi partikler hurtigt bliver blæst ud af udstødsportene, inden de når at sætte sig fast. Således opstår der ikke ridser osv. Hvis du bestiller en ventil med Viton®-tætninger, kan den bruges i luftstyret version op til +150 ° C. I elektrisk styret tilstand er spolens maksimale temperatur begrænset til 100 ° C. Ved at dreje en pakning i ventilenden, kan du nemt skifte fra intern til ekstern pilotluft.

  • Flow 1000 l/min
  • Effektoptage 3,35 W
  • Temperaturområde -20 till +80 °C (Upp till +150 °C på førespørgsel)
  • Levetid over 200 millioner omstyringer
  • Kan tåle støv og partikler

Udvalgt variant

Udvalgt variant

Specifikationer

Type ventil Elstyret
Vægt 0,27 kg
IP-klasse IP65
Effektforbrug 3,35 W
Spænding DC 24 V
Temperaturområde fra -20 °C
Temperaturområde til 80 °C
Materiale spole Termoplast
Tilslutning G1/4
Differenstryk max 10 bar
Differenstryk min 0 bar
Flowkoefficient 0,87
Max flow 1000 l/min
Funktion 1 5/2
Funktion 2 Elstyret med fjerderretur
Materiale hus Anodiseret aluminium
Materiale stempel Rustfrit stål
Materiale kortslutningsring Kobber
Materiale indvendige dele Rustfrit stål
Max tryk 10 bar
Montering Ingen

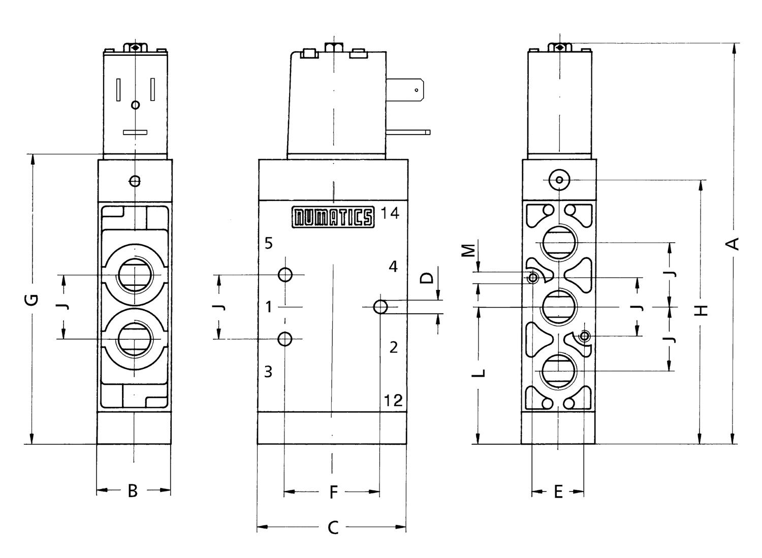
Mål & tilslutninger

Tekniske illustrationer

Produktbeskrivelse

Ventilerne i serie L's unikke "spoole-and-sleeve"-konstruktion bruges, hvor der er støv, høje temperaturer, høj driftsfrekvens. Glideren er i hærdet rustfrit stål og løber frit i en perforeret bøsning, lavet i samme materiale. Delene er meget fint tilpasset hinanden og da tolerancerne er så små som 1um, er intern lækage normalt ubetydelig. Der er ingen O-ringe eller andre tætninger omkring glideren og takket være dette, kan en mekanisk levetid på 200 millioner omstillinger garanteres. Det er muligt at købe et renoveringssæt bestående af glider og bøsning, som let kan erstatte de gamle dele, hvorefter den igen kan håndtere 200 millioner omstillinger. Ventilen bliver ikke påvirket af støv og lignende, fordi partikler hurtigt bliver blæst ud af udstødsportene, inden de når at sætte sig fast. Således opstår der ikke ridser osv. Hvis du bestiller en ventil med Viton®-tætninger, kan den bruges i luftstyret version op til +150 ° C. I elektrisk styret tilstand er spolens maksimale temperatur begrænset til 100 ° C. Ved at dreje en pakning i ventilenden, kan du nemt skifte fra intern til ekstern pilotluft.

Tilbehør

XV Ventiltermial
Produktnyheder

Modulær ventilterminal fra Aventics – XV-serien

Aventics XV-serie fra Emerson muliggør øget fleksibilitet og effektivitet i produktionssystemer. Den moderne ventilteknologi i denne serie forbedrer udnyttelsen af trykluft og optimerer ydeevnen i pneumatiske systemer. Med sit kompakte design sparer XV-serien plads i styreskabet, samtidig med at ventilerne har lang levetid og kræver minimal vedligeholdelse. Dette giver øget oppetid og gør serien til et fremragende valg for nutidens krævende produktionsmiljøer.

Omkostningseffektiv niveaumåling
Produktnyheder

Omkostningseffektiv og pålidelig niveaumåling med Rosemount 1208 niveau- og flowradar

Efterhånden som kravene til pålidelig niveau- og flowmåling stiger, bliver behovet for smartere og mere robust teknologi stadig vigtigere. Med Rosemount 1208 niveau- og flowradar præsenterer vi hos OEM Automatic en ny, berøringsfri niveauradar, der kombinerer høj præcision med nem installation – uanset om det er vand, havre eller kemikalier.

Tescom Trykregulatorer
Produktnyheder

TESCOM MULTI-PURPOSE TRYKREGULATORER

Vi tilbyder et bredt udvalg af Tescom trykregulatorer, der dækker alt fra laboratorieanalyser til industrielle gasinstallationer. Tescom er kendt for sin høje kvalitet, fleksibilitet og pålidelighed – uanset om du arbejder med brandfarlige gasser, kalibreringsudstyr eller trykpaneler.

Accredia logo
Produktnyheder

Senseca Italy Calibration Center opdaterer akkrediteringsnummer og logo

Fra og med 2025 har ACCREDIA introduceret et nyt logo og ændret logikken for tildeling af akkrediteringsnumre til kalibreringslaboratorier. Som følge heraf er Sensecas akkrediteringsnummer nu 00171, hvilket erstatter det tidligere LAT 124.

Senseca har fuldført denne opdatering inden den officielle deadline den 30. september 2025, og vi er glade for at kunne informere om, at alle nødvendige tilpasninger er implementeret.

Kabelgennemføring
Produktnyheder

ORGANISÉR DINE KABLER MED VORES KABELGENNEMFØRINGSSYSTEM FRA CONTA-CLIP 

Lær mere om, hvordan innovative kabelgennemføringssystemer kan imødekomme nutidens industrielle udfordringer ved at spare tid, forenkle installationen og tilbyde enestående fleksibilitet. Følg med, når vi dykker ned i, hvordan vores kabelgennemføringssystemer fra Conta-Clip påvirker industrielle installationer

VS pumpe listing image
Produktnyheder

NY VAKUUMPUMPE MED FOKUS PÅ DRIFTSSIKKERHED OG LAVERE VEDLIGEHOLDELSE

Industrien kræver driftssikre løsninger med minimal vedligeholdelse – og det er præcis, hvad den nye VS-serie fra Salvatore Robuschi leverer.
Når pålidelighed og effektivitet er afgørende, tilbyder VS-serien en gennemtænkt løsning inden for væskeringsvakuumpumper.

Favoritter Artikler Vægt Funktion 1 Funktion 2 Pris
0,27 kg
5/2
Elstyret med fjerderretur
0,42 kg
5/2
Elstyret
0,42 kg
5/3
Udluftet central position, Elstyret
0,42 kg
5/3
Elstyret, Lukket midterstilling
0,42 kg
5/3
Elstyret, Trykcenter position

Udvalgt variant

Vælg en variant på listen

Kundeservice
Har du har brug for hjælp? Kontakt os:
Har du brug for hjælp? Klik her!
Logo

COOKIE-INDSTILLINGER FOR OEMKLITSO.DK

Cookies hjælper os med at forbedre din oplevelse med os. Så for at kunne analysere trafikken, håndtere loginoplysninger, tilbyde dig personlige oplysninger og for at grundlæggende funktionalitet kan fungere på webssitet, skal vi bruge nogle cookies.

NØDVENDIGE COOKIES

Disse cookies er nødvendige for, at webstedet fungerer og kan ikke slås fra i vores systemer. De bruges normalt kun som reaktion på handlinger, du har foretaget i forbindelse med en serviceanmodning, f.eks. Når du angiver personlige præferencer, logger ind eller udfylder en formular.

ANALYSE OG MÅLING

Disse cookies giver os mulighed for at tælle antallet af besøg og trafikkilder, så vi kan måle og forbedre vores websteds ydeevne. De hjælper os med at vide, hvilke sider der er mere eller mindre populære, og hvordan besøgende navigerer rundt på webstedet. De oplysninger, som disse cookies indsamler, er aggregerede og derfor helt anonyme. Hvis du ikke tillader disse cookies, ved vi ikke, hvornår du har besøgt vores websted.

MARKEDSFØRING

Disse cookies kan tilføjes af vores partnere. De kan bruge dem til at oprette en profil af dig baseret på dine interesser for at vise dig mere relevante oplysninger. De gemmer ingen personlige oplysninger - kun oplysninger om din browser og enhed. Hvis du ikke accepterer disse cookies, får du en mere generel og mindre tilpasset brugeroplevelse.