AVENTICS

Sikkerhedsventil, 2040 l/min

Serie SV05

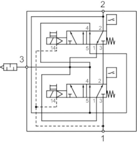
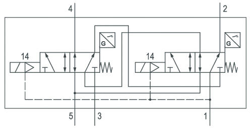
AVENTICS-serierne SV01/03/05 består af redundante 3/2 eller 5/2 dobbeltventiler til ekstern overvågning af maskiner med pneumatiske styringer. Sikkerhedsventilerne er designet til at imødekomme behov og krav til sikker lufttilførsel, afblæsning (3/2 ventiler) og sikker cylinderretur (5/2 ventiler) i henhold til kravene i ISO 13849-1-2 til sikkerhedsfunktioner. Med serie SV03-AS2 kan der opnås kategori 4-relevant kontrol og samtidig det højeste performance level ”e” (PL. e) i overensstemmelse med ISO 13849-1.

3/2 dobbeltventilerne aktiverer kun trykluftforsyningen når alle forhold for en sikker systemopstart  er opfyldte, hvilket forhindrer ulykker. I tilfælde af en maskinfejl eller en nødsituation udtømmer ventilen betjeningslinjerne, hvilket sikrer en de-energized tilstand.

 

  • Sikker tryksætning og afluftning
  • Tilslutning G1/2 eller NPT 1/2
  • ISO 13849-1, Kategori 4, PL. e
  • 3/2 eller 5/2 ventil
  • B10-værdi: 10 mio.

Udvalgt variant

Udvalgt variant

Specifikationer

Tekniske data

Flow-kapacitet 2040 l/min
Tilslutning luft 1/2 BSP
Godkendelser ISO 13849-1
Arbejdstryk min 3 bar
Max arbejdstryk 10 bar
Responstid ind 178 ms
Responstid ud 42 ms
Spænding DC 24 V
Vægt 3,25 kg

Tekniske illustrationer

Produktbeskrivelse

AVENTICS-serierne SV01/03/05 består af redundante 3/2 eller 5/2 dobbeltventiler til ekstern overvågning af maskiner med pneumatiske styringer. Sikkerhedsventilerne er designet til at imødekomme behov og krav til sikker lufttilførsel, afblæsning (3/2 ventiler) og sikker cylinderretur (5/2 ventiler) i henhold til kravene i ISO 13849-1-2 til sikkerhedsfunktioner. Med serie SV03-AS2 kan der opnås kategori 4-relevant kontrol og samtidig det højeste performance level ”e” (PL. e) i overensstemmelse med ISO 13849-1.

3/2 dobbeltventilerne aktiverer kun trykluftforsyningen når alle forhold for en sikker systemopstart  er opfyldte, hvilket forhindrer ulykker. I tilfælde af en maskinfejl eller en nødsituation udtømmer ventilen betjeningslinjerne, hvilket sikrer en de-energized tilstand.

 

Tilbehør

XV Ventiltermial
Produktnyheder

Modulær ventilterminal fra Aventics – XV-serien

Aventics XV-serie fra Emerson muliggør øget fleksibilitet og effektivitet i produktionssystemer. Den moderne ventilteknologi i denne serie forbedrer udnyttelsen af trykluft og optimerer ydeevnen i pneumatiske systemer. Med sit kompakte design sparer XV-serien plads i styreskabet, samtidig med at ventilerne har lang levetid og kræver minimal vedligeholdelse. Dette giver øget oppetid og gør serien til et fremragende valg for nutidens krævende produktionsmiljøer.

Smart-Line af Zimmerlin
Produktnyheder

Tankdæksler på rekordtid med Smart-Line

Nu kan du få præfabrikerede og konfigurerbare trykdæksler leveret på kun 2 uger – en hurtig og fleksibel løsning, der sparer dig både tid og besvær.

Omkostningseffektiv niveaumåling
Produktnyheder

Omkostningseffektiv og pålidelig niveaumåling med Rosemount 1208 niveau- og flowradar

Efterhånden som kravene til pålidelig niveau- og flowmåling stiger, bliver behovet for smartere og mere robust teknologi stadig vigtigere. Med Rosemount 1208 niveau- og flowradar præsenterer vi hos OEM Automatic en ny, berøringsfri niveauradar, der kombinerer høj præcision med nem installation – uanset om det er vand, havre eller kemikalier.

Tescom Trykregulatorer
Produktnyheder

TESCOM MULTI-PURPOSE TRYKREGULATORER

Vi tilbyder et bredt udvalg af Tescom trykregulatorer, der dækker alt fra laboratorieanalyser til industrielle gasinstallationer. Tescom er kendt for sin høje kvalitet, fleksibilitet og pålidelighed – uanset om du arbejder med brandfarlige gasser, kalibreringsudstyr eller trykpaneler.

Accredia logo
Produktnyheder

Senseca Italy Calibration Center opdaterer akkrediteringsnummer og logo

Fra og med 2025 har ACCREDIA introduceret et nyt logo og ændret logikken for tildeling af akkrediteringsnumre til kalibreringslaboratorier. Som følge heraf er Sensecas akkrediteringsnummer nu 00171, hvilket erstatter det tidligere LAT 124.

Senseca har fuldført denne opdatering inden den officielle deadline den 30. september 2025, og vi er glade for at kunne informere om, at alle nødvendige tilpasninger er implementeret.

Kabelgennemføring
Produktnyheder

ORGANISÉR DINE KABLER MED VORES KABELGENNEMFØRINGSSYSTEM FRA CONTA-CLIP 

Lær mere om, hvordan innovative kabelgennemføringssystemer kan imødekomme nutidens industrielle udfordringer ved at spare tid, forenkle installationen og tilbyde enestående fleksibilitet. Følg med, når vi dykker ned i, hvordan vores kabelgennemføringssystemer fra Conta-Clip påvirker industrielle installationer

Favoritter Artikler Flow-kapacitet Tilslutning luft Vægt Pris
2040 l/min
1/2 BSP
3,25 kg
2040 l/min
1/2" NPT
3,25 kg
3400 l/min
1/2" NPT
3,27 kg

Udvalgt variant

Vælg en variant på listen

Kundeservice
Har du har brug for hjælp? Kontakt os:
Har du brug for hjælp? Klik her!
Logo

COOKIE-INDSTILLINGER FOR OEMKLITSO.DK

Cookies hjælper os med at forbedre din oplevelse med os. Så for at kunne analysere trafikken, håndtere loginoplysninger, tilbyde dig personlige oplysninger og for at grundlæggende funktionalitet kan fungere på webssitet, skal vi bruge nogle cookies.

NØDVENDIGE COOKIES

Disse cookies er nødvendige for, at webstedet fungerer og kan ikke slås fra i vores systemer. De bruges normalt kun som reaktion på handlinger, du har foretaget i forbindelse med en serviceanmodning, f.eks. Når du angiver personlige præferencer, logger ind eller udfylder en formular.

ANALYSE OG MÅLING

Disse cookies giver os mulighed for at tælle antallet af besøg og trafikkilder, så vi kan måle og forbedre vores websteds ydeevne. De hjælper os med at vide, hvilke sider der er mere eller mindre populære, og hvordan besøgende navigerer rundt på webstedet. De oplysninger, som disse cookies indsamler, er aggregerede og derfor helt anonyme. Hvis du ikke tillader disse cookies, ved vi ikke, hvornår du har besøgt vores websted.

MARKEDSFØRING

Disse cookies kan tilføjes af vores partnere. De kan bruge dem til at oprette en profil af dig baseret på dine interesser for at vise dig mere relevante oplysninger. De gemmer ingen personlige oplysninger - kun oplysninger om din browser og enhed. Hvis du ikke accepterer disse cookies, får du en mere generel og mindre tilpasset brugeroplevelse.