TRAFAG

Differenspressostat, marine

Model PD

Trafag pressostater bruges, når man ønsker at kontrollere eller overvåge et tryk via et elektrisk on/off-signal. I mekaniske pressostater påvirker målesensoren en elektrisk microswitch, når trykket når den indstillede kontaktværdi. Måleprincippet i PD-modellen er et bælgsystem med to tryktilslutninger for måling af differenstrykket. Det solide og robuste design gør, at pressostaterne fra Trafag kan bruges i fx marine-, jernbane-, hydraulikapplikationer.

 

Optioner:

• Plomberet på bestemt kontaktpunkt
• Medieberørte dele i rustfrit stål 1.4435

  • Differenstryk -0,6...3,4 til 1...16 bar
  • Medietemperatur -40...+150°C
  • ABS, BV, CCS, DNV, GL, KRS, LRS, RINA

Udvalgt variant

Udvalgt variant

Specifikationer

Chok, mekanisk 50 g / 11 ms
Differenstryk -0,6...3,4 bar
Displayvisning Mekanisk
Driftstemperatur -25...70°C
Driftstryk -1...6 bar
Elektrisk tilslutning Skrueterminaler
Gentagelsesnøjagtighed, typisk ±1% FS
Godkendelser, marine ABS, BV, DNV, GL, Rina
Hysterese 0,16 bar
IP-klasse IP65
Justering Justeringsskrue
Kabelforskruning M20x1,5, kabel Ø6...13 mm, PA
Kontakt Skiftekontakt
Levetid for microswitch 0,3 mio cykler
Luftfugtighed max 95 % Rh
Materiale Aluminium
Materiale pakning NBR
Materiale, sensor Bronze
Max overtryk 12 bar
Medieberørte dele, procestilslutning Messing
Medietemperatur fra -40 °C
Medietemperatur til 150 °C
Montagemoment Max 25 Nm
Nøjagtighed, skala, typisk ±2% FS
Sensorteknologi Bælg
Temperaturområde lager fra -25 °C
Temperaturområde lager til 85 °C
Trykområde max 3,4 bar
Trykområde min -0,6 bar
Tryktilslutning G1/8 F
Type pressostat Differenstryk, Marine
Vægt 610 g
Vibration, resonans ±1,6 mm (5...25Hz), 4 g (25...100Hz)

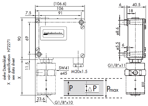
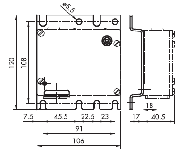
Mål & tilslutninger

Tekniske illustrationer

Produktbeskrivelse

Trafag pressostater bruges, når man ønsker at kontrollere eller overvåge et tryk via et elektrisk on/off-signal. I mekaniske pressostater påvirker målesensoren en elektrisk microswitch, når trykket når den indstillede kontaktværdi. Måleprincippet i PD-modellen er et bælgsystem med to tryktilslutninger for måling af differenstrykket. Det solide og robuste design gør, at pressostaterne fra Trafag kan bruges i fx marine-, jernbane-, hydraulikapplikationer.

 

Optioner:

• Plomberet på bestemt kontaktpunkt
• Medieberørte dele i rustfrit stål 1.4435

Tilbehør

XV Ventiltermial
Produktnyheder

Modulær ventilterminal fra Aventics – XV-serien

Aventics XV-serie fra Emerson muliggør øget fleksibilitet og effektivitet i produktionssystemer. Den moderne ventilteknologi i denne serie forbedrer udnyttelsen af trykluft og optimerer ydeevnen i pneumatiske systemer. Med sit kompakte design sparer XV-serien plads i styreskabet, samtidig med at ventilerne har lang levetid og kræver minimal vedligeholdelse. Dette giver øget oppetid og gør serien til et fremragende valg for nutidens krævende produktionsmiljøer.

Omkostningseffektiv niveaumåling
Produktnyheder

Omkostningseffektiv og pålidelig niveaumåling med Rosemount 1208 niveau- og flowradar

Efterhånden som kravene til pålidelig niveau- og flowmåling stiger, bliver behovet for smartere og mere robust teknologi stadig vigtigere. Med Rosemount 1208 niveau- og flowradar præsenterer vi hos OEM Automatic en ny, berøringsfri niveauradar, der kombinerer høj præcision med nem installation – uanset om det er vand, havre eller kemikalier.

Tescom Trykregulatorer
Produktnyheder

TESCOM MULTI-PURPOSE TRYKREGULATORER

Vi tilbyder et bredt udvalg af Tescom trykregulatorer, der dækker alt fra laboratorieanalyser til industrielle gasinstallationer. Tescom er kendt for sin høje kvalitet, fleksibilitet og pålidelighed – uanset om du arbejder med brandfarlige gasser, kalibreringsudstyr eller trykpaneler.

Accredia logo
Produktnyheder

Senseca Italy Calibration Center opdaterer akkrediteringsnummer og logo

Fra og med 2025 har ACCREDIA introduceret et nyt logo og ændret logikken for tildeling af akkrediteringsnumre til kalibreringslaboratorier. Som følge heraf er Sensecas akkrediteringsnummer nu 00171, hvilket erstatter det tidligere LAT 124.

Senseca har fuldført denne opdatering inden den officielle deadline den 30. september 2025, og vi er glade for at kunne informere om, at alle nødvendige tilpasninger er implementeret.

Kabelgennemføring
Produktnyheder

ORGANISÉR DINE KABLER MED VORES KABELGENNEMFØRINGSSYSTEM FRA CONTA-CLIP 

Lær mere om, hvordan innovative kabelgennemføringssystemer kan imødekomme nutidens industrielle udfordringer ved at spare tid, forenkle installationen og tilbyde enestående fleksibilitet. Følg med, når vi dykker ned i, hvordan vores kabelgennemføringssystemer fra Conta-Clip påvirker industrielle installationer

VS pumpe listing image
Produktnyheder

NY VAKUUMPUMPE MED FOKUS PÅ DRIFTSSIKKERHED OG LAVERE VEDLIGEHOLDELSE

Industrien kræver driftssikre løsninger med minimal vedligeholdelse – og det er præcis, hvad den nye VS-serie fra Salvatore Robuschi leverer.
Når pålidelighed og effektivitet er afgørende, tilbyder VS-serien en gennemtænkt løsning inden for væskeringsvakuumpumper.

Favoritter Artikler Differenstryk Driftstryk Hysterese Max overtryk Trykområde max Trykområde min Pris
-0,6...3,4 bar
-1...6 bar
0,16 bar
12 bar
3,4 bar
-0,6 bar
0...6 bar
-1...8 bar
0,16 bar
12 bar
6 bar
0 bar
1...16 bar
-1...18 bar
0,4 bar
24 bar
16 bar
1 bar

Udvalgt variant

Vælg en variant på listen

Kundeservice
Har du har brug for hjælp? Kontakt os:
Har du brug for hjælp? Klik her!
Logo

COOKIE-INDSTILLINGER FOR OEMKLITSO.DK

Cookies hjælper os med at forbedre din oplevelse med os. Så for at kunne analysere trafikken, håndtere loginoplysninger, tilbyde dig personlige oplysninger og for at grundlæggende funktionalitet kan fungere på webssitet, skal vi bruge nogle cookies.

NØDVENDIGE COOKIES

Disse cookies er nødvendige for, at webstedet fungerer og kan ikke slås fra i vores systemer. De bruges normalt kun som reaktion på handlinger, du har foretaget i forbindelse med en serviceanmodning, f.eks. Når du angiver personlige præferencer, logger ind eller udfylder en formular.

ANALYSE OG MÅLING

Disse cookies giver os mulighed for at tælle antallet af besøg og trafikkilder, så vi kan måle og forbedre vores websteds ydeevne. De hjælper os med at vide, hvilke sider der er mere eller mindre populære, og hvordan besøgende navigerer rundt på webstedet. De oplysninger, som disse cookies indsamler, er aggregerede og derfor helt anonyme. Hvis du ikke tillader disse cookies, ved vi ikke, hvornår du har besøgt vores websted.

MARKEDSFØRING

Disse cookies kan tilføjes af vores partnere. De kan bruge dem til at oprette en profil af dig baseret på dine interesser for at vise dig mere relevante oplysninger. De gemmer ingen personlige oplysninger - kun oplysninger om din browser og enhed. Hvis du ikke accepterer disse cookies, får du en mere generel og mindre tilpasset brugeroplevelse.