WIKA

Termoelement til separat dyklomme

Serie TC10-B

  • Type K, J, E, N eller T
  • Måleområde fra -40 op til 1200°C
  • Udskiftelig måleindsats
  • Halslængde fra 30mm og op
  • Option: SIL2 og ATEX

Udvalgt variant

Udvalgt variant

Specifikationer

Indstikslængde 150 mm
IP-klasse IP65
Material Sensor Body Rustfrit stål 316Ti
Materiale hus Aluminium
Materiale medieberørte del Inoconel - 600
Neck length 0,05 m
Omgivelsestemperatur fra -40 °C
Omgivelsestemperatur til 80 °C
Plug diameter 6 mm
Temperaturområde fra -40 °C
Temperaturområde til 1200 °C

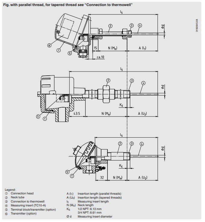
Mål & tilslutninger

Tilbehør

Relaterede produkter

Liag ventil Listing
Produktnyheder

Hygiejniske ventiler fra LIAG – effektiv produktgenvinding og hygiejne i én løsning

I fødevare-, kosmetik- og farmaceutisk industri er der høje krav til hygiejne og effektivitet. Når du arbejder med viskose produkter, pastøse medier eller væsker med partikler, er det afgørende at have en ventil, der sikrer fuld passage, nem rengøring på stedet (CIP) og minimal vedligeholdelse.

Lær mere om fødevarer_Listing
Tips og guides

Fødevarer - Hygiejne & proceskontrol

Når det kommer til komponenter, der skal anvendes i fødevareproduktion, sætter vi kvalitet og sikkerhed i højsædet for at sikre, at de lever op til de højeste standarder og følger branchens regler. Ved valg af komponenter er materialevalg, korrekt godkendelse, kompatibilitet og pålidelighed helt afgørende faktorer i denne branche. Hver komponent skal vælges omhyggeligt og tilpasses for at imødekomme de strenge krav, der stilles.

Tips og guides

Lær mere om strømforsyninger

Vi tilbyder et komplet sortiment af strømforsyninger, redundante systemer, DC-UPS og en række specialtilpassede enheder til f.eks. eksplosionsfarlige miljøer (ATEX) eller NEC class 2-kredsløb fra vores producent PULS. Strømforsyninger til 110 V DC indspænding med strømkapacitet fra 0,6 A op til 20 A (24 V DC).

Smart-Line af Zimmerlin
Produktnyheder

Tankdæksler på rekordtid med Smart-Line

Nu kan du få præfabrikerede og konfigurerbare trykdæksler leveret på kun 2 uger – en hurtig og fleksibel løsning, der sparer dig både tid og besvær.

XV Ventiltermial
Produktnyheder

Modulær ventilterminal fra Aventics – XV-serien

Aventics XV-serie fra Emerson muliggør øget fleksibilitet og effektivitet i produktionssystemer. Den moderne ventilteknologi i denne serie forbedrer udnyttelsen af trykluft og optimerer ydeevnen i pneumatiske systemer. Med sit kompakte design sparer XV-serien plads i styreskabet, samtidig med at ventilerne har lang levetid og kræver minimal vedligeholdelse. Dette giver øget oppetid og gør serien til et fremragende valg for nutidens krævende produktionsmiljøer.

Omkostningseffektiv niveaumåling
Produktnyheder

Omkostningseffektiv og pålidelig niveaumåling med Rosemount 1208 niveau- og flowradar

Efterhånden som kravene til pålidelig niveau- og flowmåling stiger, bliver behovet for smartere og mere robust teknologi stadig vigtigere. Med Rosemount 1208 niveau- og flowradar præsenterer vi hos OEM Automatic en ny, berøringsfri niveauradar, der kombinerer høj præcision med nem installation – uanset om det er vand, havre eller kemikalier.

Favoritter Artikler Indstikslængde Neck length Temperaturområde til Pris
150 mm
0,05 m
1200 °C
150 mm
0,05 m
750 °C
150 mm
0,05 m
1200 °C
250 mm
0,05 m
1200 °C
250 mm
0,05 m
750 °C
250 mm
0,05 m
1200 °C
150 mm
0,15 m
1200 °C
150 mm
0,15 m
750 °C
150 mm
0,15 m
1200 °C
250 mm
0,15 m
1200 °C
250 mm
0,15 m
750 °C
250 mm
0,15 m
1200 °C

Udvalgt variant

Vælg en variant på listen

Kundeservice
Har du har brug for hjælp? Kontakt os:
Har du brug for hjælp? Klik her!
Logo

COOKIE-INDSTILLINGER FOR OEMKLITSO.DK

Cookies hjælper os med at forbedre din oplevelse med os. Så for at kunne analysere trafikken, håndtere loginoplysninger, tilbyde dig personlige oplysninger og for at grundlæggende funktionalitet kan fungere på webssitet, skal vi bruge nogle cookies.

NØDVENDIGE COOKIES

Disse cookies er nødvendige for, at webstedet fungerer og kan ikke slås fra i vores systemer. De bruges normalt kun som reaktion på handlinger, du har foretaget i forbindelse med en serviceanmodning, f.eks. Når du angiver personlige præferencer, logger ind eller udfylder en formular.

ANALYSE OG MÅLING

Disse cookies giver os mulighed for at tælle antallet af besøg og trafikkilder, så vi kan måle og forbedre vores websteds ydeevne. De hjælper os med at vide, hvilke sider der er mere eller mindre populære, og hvordan besøgende navigerer rundt på webstedet. De oplysninger, som disse cookies indsamler, er aggregerede og derfor helt anonyme. Hvis du ikke tillader disse cookies, ved vi ikke, hvornår du har besøgt vores websted.

MARKEDSFØRING

Disse cookies kan tilføjes af vores partnere. De kan bruge dem til at oprette en profil af dig baseret på dine interesser for at vise dig mere relevante oplysninger. De gemmer ingen personlige oplysninger - kun oplysninger om din browser og enhed. Hvis du ikke accepterer disse cookies, får du en mere generel og mindre tilpasset brugeroplevelse.