Vi har lukket fra den 24. december, og vender stærkt tilbage d. 2. januar.
THK
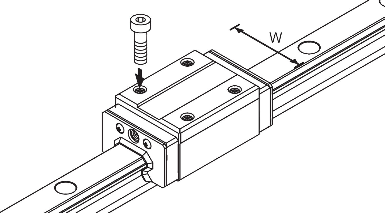
Se data for HSR skinneføring til lineær bevægelse fra THK nedenfor.
HSR - A | HSR - B |
Vognen har fire gevindhuller for nem | Vognen har fire gevindhuller for fastgørelse |
HSR - CA | HSR - CB |
| |
Vognen har seks gevindhuller for nem | Vognen har fire gevindhuller for fastgørelse |
HSR - R |
|
|
|
En smallere vogn med fire gevindskårne |
|
Tekniske data |
Type | Belastning, kN | Maks. statisk moment, kNm | Vægt | ||||||
C (dyn) | C(stat) | MA | MB | MC | Vogn (kg) | Skinne (kg/m) | |||
1 vogn | 2 vogn | 1 vogn | 2 vogn | 1 vogn | |||||
HSR 15A | 8.33 | 13.5 | 0.0805 | 0.457 | 0.0805 | 0.457 | 0.0844 | 0.2 | 1.5 |
HSR 15AM | |||||||||
HSR 20A | 13.8 | 23.8 | 0.19 | 1.04 | 0.19 | 1.04 | 0.201 | 0.35 | 2.3 |
HSR 20AM | |||||||||
HSR 20LA | 21.3 | 31.8 | 0.323 | 1.66 | 0.323 | 1.66 | 0.27 | 0.47 | |
HSR 20LAM | |||||||||
HSR 25A | 19.9 | 34.4 | 0.307 | 1.71 | 0.307 | 1.71 | 0.344 | 0.59 | 3.3 |
HSR 25AM | |||||||||
HSR 25LA | 27.2 | 45.9 | 0.529 | 2.74 | 0.529 | 2.74 | 0.459 | 0.75 | |
HSR 25LAM | |||||||||
HSR 30A | 28 | 46.8 | 0.524 | 2.7 | 0.524 | 2.7 | 0.562 | 1.1 | 4.8 |
HSR 30AM | |||||||||
HSR 30LA | 37.3 | 62.5 | 0.889 | 4.37 | 0.889 | 4.37 | 0.751 | 1.3 | |
HSR 30LAM | |||||||||
HSR 35A | 37.3 | 61.1 | 0.782 | 3.93 | 0.782 | 3.93 | 0.905 | 1.6 | 6.6 |
HSR 35AM | |||||||||
HSR 35LA | 50.2 | 81.5 | 1.32 | 6.35 | 1.32 | 6.35 | 1.2 | 2 | |
HSR 35LAM | |||||||||
HSR 45A | 60 | 95.6 | 1.42 | 7.92 | 1.42 | 7.92 | 1.83 | 2.8 | 11 |
HSR 45LA | 80.4 | 127 | 2.44 | 12.6 | 2.44 | 12.6 | 2.43 | 3.3 | |
HSR 55A | 88.5 | 137 | 2.45 | 13.2 | 2.45 | 132 | 3.2 | 4.5 | 15.1 |
HSR 55LA | 119 | 183 | 4.22 | 21.3 | 4.22 | 21.3 | 4.28 | 5.7 | |
HSR 65A | 141 | 215 | 4.8 | 23.5 | 4.8 | 23.5 | 5.82 | 8.5 | 22.5 |
HSR 65LA | 1925 | 286 | 8.72 | 40.5 | 8.72 | 40.5 | 7.7 | 10.7 | |
HSR 85A | 210 | 310 | 8.31 | 45.6 | 8.31 | 45.6 | 11 | 17 | 35.2 |
HSR 85LA | 282 | 412 | 14.2 | 72.5 | 14.2 | 72.5 | 14.7 | 23 | |
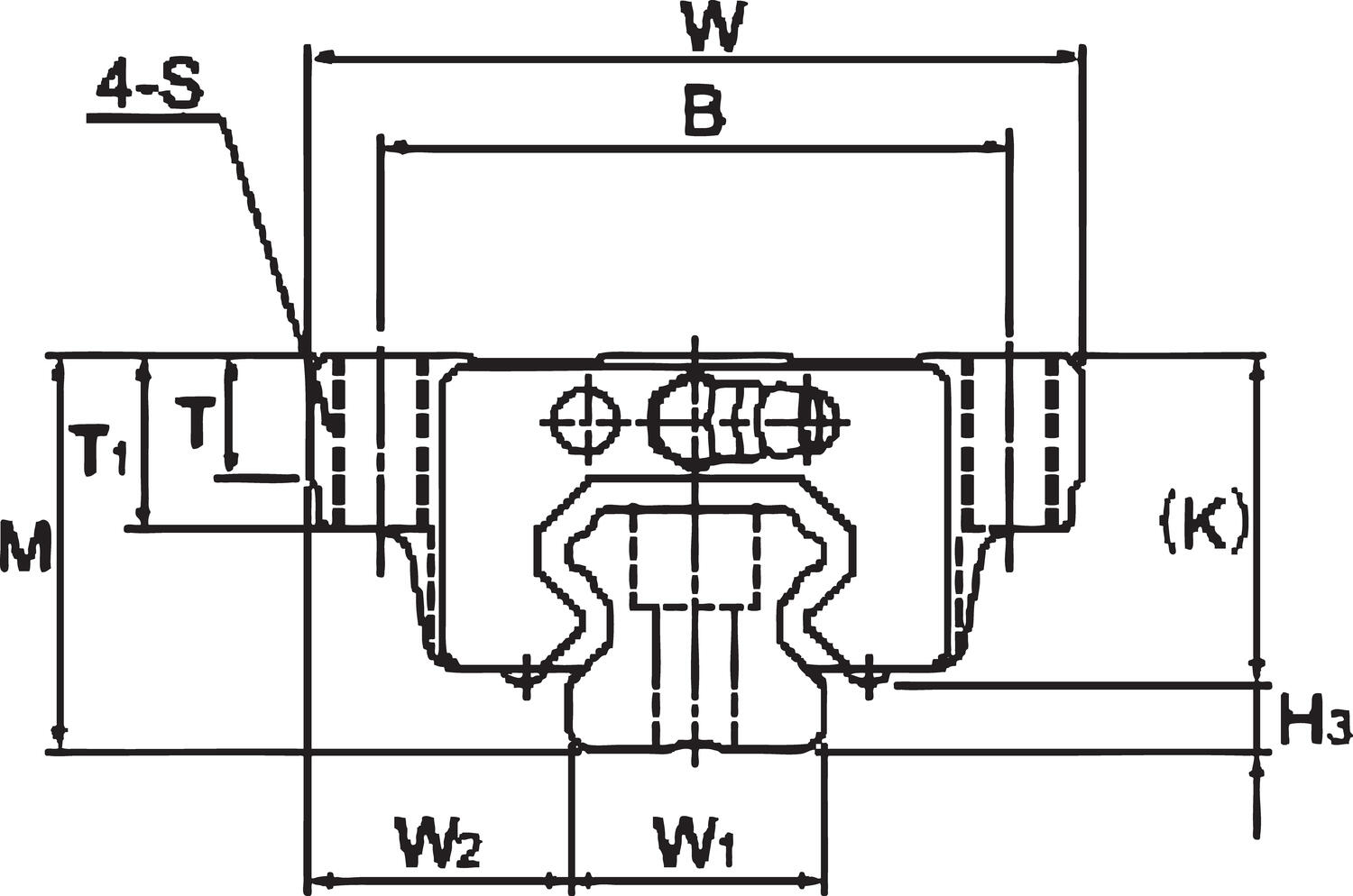
Dimensioner | |
| |
Type | Ydermål | Vogn | Skinne | |||||||||||||
M | W | L | B | C | S | L1 | T | K | N | E | W1 | W | M | F | d1 X d2 X h | |
HSR 15A | 24 | 47 | 56.6 | 38 | 30 | M5 | 38.8 | 7 | 19.3 | 4.3 | 5.5 | 15 | 16 | 15 | 60 | 4.5*7.5*5.3 |
HSR 15AM | ||||||||||||||||
HSR 20A | 30 | 63 | 74 | 3853 | 40 | M6 | 50.8 | 10 | 26 | 5 | 12 | 20 | 21.5 | 18 | 60 | 6*9.5*8.5 |
HSR 20AM | ||||||||||||||||
HSR 20LA | 30 | 63 | 90 | 53 | 40 | M6 | 66.8 | 10 | 26 | 5 | 12 | 20 | 21.5 | 18 | 60 | 6*9.5*8.5 |
HSR 20LAM | ||||||||||||||||
HSR 25A | 36 | 70 | 83.1 | 57 | 45 | M8 | 59.5 | 11 | 30.5 | 6 | 12 | 23 | 23.5 | 22 | 60 | 7*11*9 |
HSR 25AM | ||||||||||||||||
HSR 25LA | 36 | 70 | 102.2 | 57 | 45 | M8 | 78.6 | 11 | 30.5 | 6 | 12 | 23 | 23.5 | 22 | 60 | 7*11*9 |
HSR 25LAM | ||||||||||||||||
HSR 30A | 42 | 90 | 98 | 72 | 52 | M10 | 70.4 | 9 | 35 | 7 | 12 | 28 | 31 | 26 | 80 | 9*14*12 |
HSR 30AM | ||||||||||||||||
HSR 30LA | 42 | 90 | 120.6 | 72 | 52 | M10 | 93 | 9 | 35 | 7 | 12 | 28 | 31 | 26 | 80 | 9*14*12 |
HSR 30LAM | ||||||||||||||||
HSR 35A | 48 | 100 | 109.4 | 82 | 62 | M10 | 80.4 | 12 | 40.5 | 8 | 12 | 34 | 33 | 29 | 80 | 9*14*12 |
HSR 35AM | ||||||||||||||||
HSR 35LA | 48 | 100 | 134.8 | 82 | 62 | M10 | 105.8 | 12 | 40.5 | 8 | 12 | 34 | 33 | 29 | 80 | 9*14*12 |
HSR 35LAM | ||||||||||||||||
HSR 45A | 60 | 120 | 139 | 100 | 80 | M12 | 98 | 13 | 50 | 10 | 16 | 45 | 37.5 | 38 | 105 | 14*20*17 |
HSR 45LA | 170.8 | 129.8 | ||||||||||||||
HSR 55A | 70 | 140 | 163 | 116 | 95 | M14 | 118 | 13.5 | 57 | 11 | 16 | 53 | 43.5 | 44 | 120 | 16*23*20 |
HSR 55LA | 201.1 | 156.1 | ||||||||||||||
HSR 65A | 90 | 170 | 186 | 142 | 110 | M16 | 147 | 21.5 | 76 | 19 | 16 | 63 | 53.5 | 53 | 150 | 18*26*22 |
HSR 65LA | 245.5 | 206.5 | ||||||||||||||
HSR 85A | 110 | 215 | 245.5 | 185 | 140 | M20 | 178.6 | 28 | 94 | 23 | 16 | 85 | 65 | 65 | 180 | 24*35*28 |
HSR 85LA | 303 | 236 | ||||||||||||||
Tekniske data |
Type | Belastning, kN | Maks. statisk moment, kNm | Vægt | ||||||
C (dyn) | C(stat) | MA | MB | MC | Vogn (kg) | Skinne (kg/m) | |||
1 vogn | 2 vogn | 1 vogn | 2 vogn | 1 vogn | |||||
HSR 15B | 8.33 | 13.5 | 0.0805 | 0.457 | 0.0805 | 0.457 | 0.0844 | 0.2 | 1.5 |
HSR 15BM | |||||||||
HSR 20LB | 13.8 | 23.8 | 0.19 | 1.04 | 0.19 | 1.04 | 0.201 | 0.35 | 2.3 |
HSR 20LBM | |||||||||
HSR 20LB | 21.3 | 31.8 | 0.323 | 1.66 | 0.323 | 1.66 | 0.27 | 0.47 | |
HSR 20LBM | |||||||||
HSR 25B | 19.9 | 34.4 | 0.307 | 1.71 | 0.307 | 1.71 | 0.344 | 0.59 | 3.3 |
HSR 25BM | |||||||||
HSR 25LB | 27.2 | 45.9 | 0.529 | 2.74 | 0.529 | 2.74 | 0.459 | 0.75 | |
HSR 25LBM | |||||||||
HSR 30B | 28 | 46.8 | 0.524 | 2.7 | 0.524 | 2.7 | 0.562 | 1.1 | 4.8 |
HSR 30BM | |||||||||
HSR 30BA | 37.3 | 62.5 | 0.889 | 4.37 | 0.889 | 4.37 | 0.751 | 1.3 | |
HSR 30LBM | |||||||||
HSR 35B | 37.3 | 61.1 | 0.782 | 3.93 | 0.782 | 3.93 | 0.905 | 1.6 | 6.6 |
HSR 35BM | |||||||||
HSR 35LB | 50.2 | 81.5 | 1.32 | 6.35 | 1.32 | 6.35 | 1.2 | 2 | |
HSR 35LBM | |||||||||
HSR 45B | 60 | 95.6 | 1.42 | 7.92 | 1.42 | 7.92 | 1.83 | 2.8 | 11 |
HSR 45LB | 80.4 | 127 | 2.44 | 12.6 | 2.44 | 12.6 | 2.43 | 3.3 | |
HSR 55B | 88.5 | 137 | 2.45 | 13.2 | 2.45 | 13.2 | 3.2 | 4.5 | 15.1 |
HSR 55LB | 119 | 183 | 4.22 | 21.3 | 4.22 | 21.3 | 4.28 | 5.7 | |
HSR 65B | 141 | 215 | 4.8 | 23.5 | 4.8 | 23.5 | 5.82 | 8.5 | 22.5 |
HSR 65LB | 192 | 286 | 8.72 | 40.5 | 8.72 | 40.5 | 7.7 | 10.7 | |
HSR 85B | 210 | 310 | 8.31 | 45.6 | 8.31 | 45.6 | 11 | 17 | 35.2 |
HSR 85LB | 282 | 412 | 14.2 | 72.5 | 14.2 | 72.5 | 14.7 | 23 | |
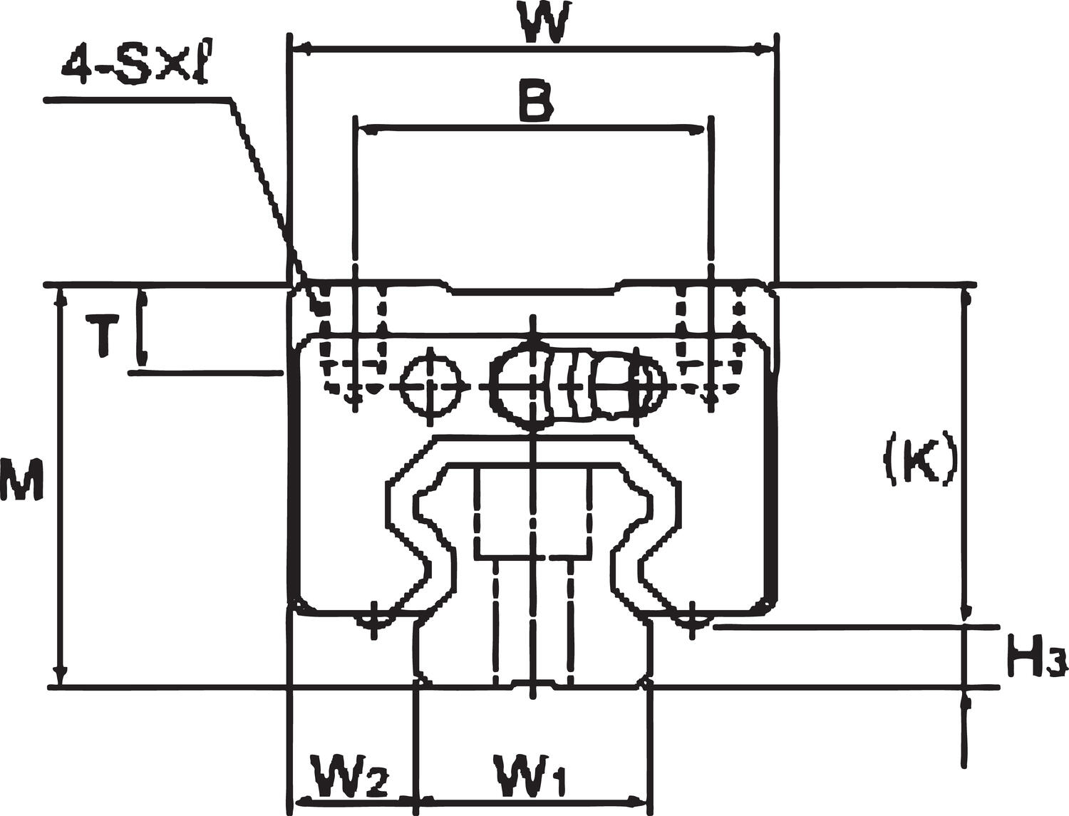
Dimensioner | |
Type | Ydermål | Vogn | Skinne | |||||||||||||
M | W | L | B | C | H | L1 | T | K | N | E | W1 | W | M | F | d1 X d2 X h | |
HSR 15B | 24 | 47 | 56.6 | 38 | 30 | 4.5 | 38.8 | 7 | 19.3 | 4.3 | 5.5 | 15 | 16 | 15 | 60 | 4.5*7.5*5.3 |
HSR 15BM | ||||||||||||||||
HSR 20LB | 30 | 63 | 74 | 52 | 40 | 6 | 50.8 | 9.5 | 26 | 5 | 12 | 20 | 21.5 | 18 | 60 | 6*9.5*8.5 |
HSR 20LBM | ||||||||||||||||
HSR 20LB | 30 | 63 | 90 | 52 | 40 | 6 | 66.8 | 9.5 | 26 | 5 | 12 | 20 | 21.5 | 18 | 60 | 6*9.5*8.5 |
HSR 20LBM | ||||||||||||||||
HSR 25B | 36 | 70 | 83.1 | 57 | 45 | 7 | 59.5 | 11 | 30.5 | 6 | 12 | 23 | 23.5 | 22 | 60 | 7*11*9 |
HSR 25BM | ||||||||||||||||
HSR 25LB | 36 | 70 | 102.2 | 57 | 45 | 7 | 78.6 | 11 | 30.5 | 6 | 12 | 23 | 23.5 | 22 | 60 | 7*11*9 |
HSR 25LBM | ||||||||||||||||
HSR 30B | 42 | 90 | 98 | 72 | 52 | 9 | 70.4 | 9 | 35 | 7 | 12 | 28 | 31 | 26 | 80 | 9*14*12 |
HSR 30BM | ||||||||||||||||
HSR 30BA | 42 | 90 | 120.6 | 72 | 52 | 9 | 93 | 9 | 35 | 7 | 12 | 28 | 31 | 26 | 80 | 9*14*12 |
HSR 30LBM | ||||||||||||||||
HSR 35B | 48 | 100 | 109.4 | 82 | 62 | 9 | 80.4 | 12 | 40.5 | 8 | 12 | 34 | 33 | 29 | 80 | 9*14*12 |
HSR 35BM | ||||||||||||||||
HSR 35LB | 48 | 100 | 134.8 | 82 | 62 | 9 | 105.8 | 12 | 40.5 | 8 | 12 | 34 | 33 | 29 | 80 | 9*14*12 |
HSR 35LBM | ||||||||||||||||
HSR 45B | 60 | 120 | 139 | 100 | 80 | 11 | 98 | 13 | 50 | 10 | 16 | 45 | 37.5 | 38 | 105 | 14*20*17 |
HSR 45LB | 170.8 | 129.8 | ||||||||||||||
HSR 55B | 70 | 140 | 163 | 116 | 95 | 14 | 118 | 13.5 | 57 | 11 | 16 | 53 | 43.5 | 44 | 120 | 16*23*20 |
HSR 55LB | 201.1 | 156.1 | ||||||||||||||
HSR 65B | 90 | 170 | 186 | 142 | 110 | 16 | 147 | 21.5 | 76 | 19 | 16 | 63 | 53.5 | 53 | 150 | 18*26*22 |
HSR 65LB | 245.5 | 206.5 | ||||||||||||||
HSR 85B | 110 | 215 | 245.6 | 185 | 140 | 18 | 178.6 | 28 | 94 | 23 | 16 | 85 | 65 | 65 | 180 | 24*35*28 |
HSR 85LB | 303 | 236 | ||||||||||||||
Tekniske data |
Type | Belastning, kN | Maks. statisk moment, kNm | Vægt | ||||||
C (dyn) | C(stat) | MA | MB | MC | Vogn (kg) | Skinne (kg/m) | |||
1 vogn | 2 vogn | 1 vogn | 2 vogn | 1 vogn | |||||
HSR 15C (Ct) | 8.33 | 13.5 | 0.0805 | 0.457 | 0.0805 | 0.457 | 0.0844 | 0.2 | 1.5 |
HSR 20C (Ct) | 13.8 | 23.8 | 0.19 | 1.04 | 0.19 | 1.04 | 0.201 | 0.35 | 2.3 |
HSR 25C (Ct) | 19.9 | 34.4 | 0.307 | 1.71 | 0.307 | 1.71 | 0.344 | 0.59 | 3.3 |
HSR 30C (Ct) | 28 | 46.8 | 0.524 | 2.7 | 0.524 | 2.7 | 0.562 | 1.0 | 4.8 |
HSR 35C (Ct) | 37.3 | 61.1 | 0.782 | 3.39 | 0.782 | 3.39 | 0.905 | 1.6 | 6.6 |
Dimensioner | |
| |
Type | Ydermål | Vogn | Skinne | |||||||||||||
M | W | L | B | C | H | L1 | T | K | N | E | W1 | W | M | F | d1 X d2 X h | |
HSR 15C (Ct) | 24 | 47 | 56.6 | 38 | 30 | 4.4 | 38.1 | 7 | 19.3 | 4.3 | 5.5 | 15 | 16 | 15 | 60 | 4.5*7.5*5.3 |
HSR 20C (Ct) | 30 | 63 | 74 | 53 | 40 | 5.4 | 50.8 | 10 | 26 | 5 | 12 | 20 | 21.5 | 18 | 60 | 6*9.5*8.5 |
HSR 25C (Ct) | 36 | 70 | 83.1 | 57 | 45 | 6.8 | 59.5 | 11 | 30.5 | 6 | 12 | 23 | 235 | 22 | 60 | 7*11*9 |
HSR 30C (Ct) | 42 | 90 | 98 | 72 | 53 | 8.5 | 70.4 | 9 | 35 | 7 | 12 | 28 | 31 | 26 | 80 | 9*14*12 |
HSR 35C (Ct) | 48 | 100 | 109.4 | 82 | 62 | 8.5 | 80.4 | 12 | 40.5 | 8 | 12 | 34 | 33 | 29 | 80 | 9*14*12 |
| ||||||||||||||||
|
|
|
|
|
|
|
|
|
|
|
|
|
|
|
| |
HSR-CA, HSR-CAM, HSR-HA OCH HSA-HAM |
|
Tekniske data |
Type | Belastning, kN | Maks. statisk moment, kNm | Vægt | ||||||
C (dyn) | C(stat) | MA | MB | MC | Vogn (kg) | Skinne (kg/m) | |||
1 vogn | 2 vogn | 1 vogn | 2 vogn | 1 vogn | |||||
HSR 20CA | 13.8 | 23.8 | 0.19 | 1.04 | 0.19 | 1.04 | 0.201 | 0.35 | 2.3 |
HSR 20CAM | |||||||||
HSR 20HA | 21.3 | 31.8 | 0.323 | 1.66 | 0.323 | 1.66 | 0.27 | 0.47 | |
HSR 20 HAM | |||||||||
HSR 25CA | 19.9 | 34.4 | 0.307 | 1.71 | 0.307 | 1.71 | 0.344 | 0.59 | 3.3 |
HSR 25CAM | |||||||||
HSR 25HA | 27.2 | 45.9 | 0.529 | 2.74 | 0.529 | 2.74 | 0.459 | 0.75 | |
HSR 25HAM | |||||||||
HSR 30CA | 28 | 46.8 | 0.524 | 2.7 | 0.524 | 2.7 | 0.562 | 1.1 | 4.8 |
HSR 30CAM | |||||||||
HSR 30HA | 37.3 | 52.5 | 0.889 | 4.37 | 0.889 | 4.37 | 0.751 | 1.3 | |
HSR 30HAM | |||||||||
HSR 35CA | 37.3 | 61.1 | 0.782 | 3.93 | 0.782 | 3.93 | 0.905 | 1.6 | 6.6 |
HSR 35CAM | |||||||||
HSR 35HA | 50.2 | 81.5 | 1.32 | 6.35 | 1.32 | 6.35 | 1.2 | 2 | 6.6 |
HSR 35HAM | |||||||||
HSR 45CA | 60 | 95.6 | 1.42 | 7.92 | 1.42 | 7.92 | 1.83 | 2.8 | 11 |
HSR 45CAM | 80.4 | 127 | 2.44 | 12.6 | 2.44 | 12.6 | 2.43 | 3.3 | |
HSR 55CA | 88.5 | 137 | 2.45 | 13.2 | 2.45 | 13.2 | 3.2 | 4.5 | 15.1 |
HSR 55HA | 119 | 183 | 4.22 | 21.3 | 4.22 | 21.3 | 4.28 | 5.7 | |
HSR 65CA | 141 | 215 | 4.8 | 23.5 | 4.8 | 23.5 | 5.82 | 8.5 | 22.5 |
HSR 65 HA | 192 | 286 | 8.72 | 40.5 | 8.72 | 40.5 | 7.7 | 10.7 | |
HSR 85CA | 210 | 310 | 8.31 | 45.6 | 8.31 | 45.6 | 11 | 17 | 35.2 |
HSR 85 HA | 282 | 412 | 14.2 | 72.5 | 14.2 | 72.5 | 14.7 | 23 | |
Dimensioner | |
Type | Ydermål | Vogn | Skinne | |||||||||||||
M | W | L | B | C | S | L1 | T | K | N | E | W1 | W | M | F | d1 X d2 X h | |
HSR 20CA | 30 | 63 | 74 | 53 | 40 | M6 | 50.8 | 9.5 | 26 | 5 | 12 | 20 | 21.5 | 18 | 60 | 6*9.5*8.5 |
HSR 20CAM | ||||||||||||||||
HSR 20HA | 30 | 63 | 90 | 53 | 40 | M6 | 66.8 | 9.5 | 26 | 5 | 12 | 20 | 21.5 | 18 | 60 | 6*9.5*8.5 |
HSR 20 HAM | ||||||||||||||||
HSR 25CA | 36 | 70 | 83.1 | 57 | 45 | M8 | 59.5 | 11 | 30.5 | 6 | 12 | 23 | 23.5 | 22 | 60 | 7*11*9 |
HSR 25CAM | ||||||||||||||||
HSR 25HA | 36 | 70 | 102.2 | 57 | 45 | M8 | 78.6 | 11 | 30.5 | 6 | 12 | 23 | 23.5 | 22 | 60 | 7*11*9 |
HSR 25HAM | ||||||||||||||||
HSR 30CA | 42 | 90 | 98 | 72 | 52 | M10 | 70.4 | 9 | 35 | 7 | 12 | 28 | 31 | 26 | 80 | 9*14*12 |
HSR 30CAM | ||||||||||||||||
HSR 30HA | 42 | 90 | 120.6 | 72 | 52 | M10 | 93 | 9 | 35 | 7 | 12 | 28 | 31 | 26 | 80 | 9*14*12 |
HSR 30HAM | ||||||||||||||||
HSR 35CA | 48 | 100 | 109.4 | 82 | 62 | M10 | 80.4 | 12 | 40.5 | 8 | 12 | 34 | 33 | 29 | 80 | 9*14*12 |
HSR 35CAM | ||||||||||||||||
HSR 35HA | 48 | 100 | 134.8 | 82 | 62 | M10 | 105.8 | 12 | 40.5 | 8 | 12 | 34 | 33 | 29 | 80 | 9*14*12 |
HSR 35HAM | ||||||||||||||||
HSR 45CA | 60 | 120 | 139 | 100 | 80 | M12 | 98 | 13 | 50 | 10 | 16 | 45 | 37.5 | 38 | 105 | 14*20*17 |
HSR 45CAM | 170.8 | 129.8 | ||||||||||||||
HSR 55CA | 70 | 140 | 163 | 116 | 95 | M14 | 118 | 13.5 | 57 | 11 | 16 | 53 | 43.5 | 44 | 120 | 16*23*20 |
HSR 55HA | 201.1 | 156.1 | ||||||||||||||
HSR 65CA | 90 | 170 | 186 | 142 | 110 | M16 | 147 | 21.5 | 76 | 19 | 16 | 63 | 53.5 | 53 | 150 | 18*26*22 |
HSR 65 HA | 245.5 | 206.5 | ||||||||||||||
HSR 85CA | 110 | 215 | 245.6 | 185 | 140 | M20 | 178.6 | 28 | 94 | 23 | 16 | 85 | 65 | 65 | 180 | 24*35*28 |
HSR 85 HA | 303 | 236 | ||||||||||||||
Tekniske data |
Type | Belastning, kN | Maks. statisk moment, kNm | Vægt | ||||||
C (dyn) | C(stat) | MA | MB | MC | Vogn (kg) | Skinne (kg/m) | |||
1 vogn | 2 vogn | 1 vogn | 2 vogn | 1 vogn | |||||
HSR 20CB | 13.8 | 23.8 | 0.19 | 1.04 | 0.19 | 1.04 | 0.201 | 0.35 | 23 |
HSR 20CBM | |||||||||
HSR 20HB | 21.3 | 31.8 | 0.323 | 1.66 | 0.323 | 1.66 | 0.27 | 0.47 | 23 |
HSR 20HBM | |||||||||
HSR 25CB | 19.9 | 34.4 | 0.307 | 1.71 | 0.307 | 1.71 | 0.344 | 0.59 | 3.3 |
HSR 25CBM | |||||||||
HSR 25HB | 27.2 | 45.9 | 0.529 | 2.74 | 0.529 | 2.74 | 0.459 | 0.75 | 3.3 |
HSR 25HBM | |||||||||
HSR 30CB | 28 | 46.8 | 0.524 | 2.7 | 0.524 | 2.7 | 0.562 | 1.1 | 4.8 |
HSR 30CBM | |||||||||
HSR 30HB | 37.3 | 52.5 | 0.889 | 4.37 | 0.889 | 4.37 | 0.751 | 1.3 | 4.8 |
HSR 30HBM | |||||||||
HSR 35CB | 37.3 | 61.1 | 0.782 | 3.93 | 0.782 | 3.93 | 0.905 | 1.6 | 6.6 |
HSR 35CBM | |||||||||
HSR 35HB | 50.2 | 81.5 | 1.32 | 6.35 | 1.32 | 6.35 | 1.2 | 2 | 6.6 |
HSR 35HBM | |||||||||
HSR 45CB | 60 | 95.6 | 1.42 | 7.92 | 1.42 | 7.92 | 1.83 | 2.8 | 11 |
HSR 45HB | 80.4 | 127 | 2.44 | 12.6 | 2.44 | 12.6 | 2.43 | 3.3 | |
HSR 55CB | 88.5 | 137 | 2.45 | 13.2 | 2.45 | 13.2 | 3.2 | 4.5 | 15.1 |
HSR 55HB | 119 | 183 | 4.22 | 21.3 | 4.22 | 21.3 | 4.28 | 5.7 | |
HSR 65CB | 141 | 215 | 4.8 | 23.5 | 4.8 | 23.5 | 5.82 | 8.5 | 22.5 |
HSR 65HB | 192 | 286 | 8.72 | 40.5 | 8.72 | 40.5 | 7.7 | 10.7 | |
HSR 85CB | 210 | 310 | 8.31 | 45.6 | 8.31 | 45.6 | 11 | 17 | 35.2 |
HSR 85HB | 282 | 412 | 14.2 | 72.5 | 14.2 | 72.5 | 14.7 | 23 | |
Dimensioner | |
Type | Ydermål | Vogn | Skinne | |||||||||||||
M | W | L | B | C | H | L1 | T | K | N | E | W1 | W | M | F | d1 X d2 X h | |
HSR 20CB | 30 | 63 | 74 | 53 | 40 | 6 | 50.8 | 9.5 | 26 | 5 | 12 | 20 | 21.5 | 0.35 | 2.3 | 6*9.5*8.5 |
HSR 20CBM | ||||||||||||||||
HSR 20HB | 30 | 63 | 90 | 53 | 40 | 6 | 66.8 | 9.5 | 26 | 5 | 12 | 20 | 21.5 | 0.45 | 2.3 | 6*9.5*8.5 |
HSR 20HBM | ||||||||||||||||
HSR 25CB | 36 | 70 | 83.1 | 57 | 45 | 7 | 59.5 | 11 | 30.5 | 6 | 12 | 23 | 23.5 | 0.59 | 3.3 | 7*11*9 |
HSR 25CBM | ||||||||||||||||
HSR 25HB | 36 | 70 | 102.2 | 57 | 45 | 7 | 78.6 | 11 | 30.5 | 6 | 12 | 23 | 23.5 | 0.75 | 3.3 | 7*11*9 |
HSR 25HBM | ||||||||||||||||
HSR 30CB | 42 | 90 | 98 | 72 | 52 | 9 | 70.4 | 9 | 35 | 7 | 12 | 28 | 31 | 1.1 | 4.8 | 9*14*12 |
HSR 30CBM | ||||||||||||||||
HSR 30HB | 42 | 90 | 120.6 | 72 | 52 | 9 | 93 | 9 | 35 | 7 | 12 | 28 | 31 | 1.3 | 4.8 | 9*14*12 |
HSR 30HBM | ||||||||||||||||
HSR 35CB | 48 | 100 | 109.4 | 82 | 62 | 9 | 80.4 | 12 | 40 | 8 | 12 | 34 | 33 | 1.6 | 6.6 | 9*14*12 |
HSR 35CBM | ||||||||||||||||
HSR 35HB | 48 | 100 | 134.8 | 82 | 62 | 9 | 105.8 | 12 | 40 | 8 | 12 | 34 | 33 | 2 | 6.6 | 9*14*12 |
HSR 35HBM | ||||||||||||||||
HSR 45CB | 60 | 120 | 139 | 100 | 80 | 11 | 98 | 13 | 50 | 10 | 16 | 45 | 37.5 | 2.8 | 11 | 14*20*17 |
HSR 45HB | 170.8 | 129.8 | 3.3 | |||||||||||||
HSR 55CB | 70 | 140 | 163 | 116 | 95 | 14 | 118 | 13.5 | 59 | 11 | 16 | 53 | 43.5 | 4.5 | 15.1 | 16*23*20 |
HSR 55HB | 201.1 | 156.1 | 5.7 | |||||||||||||
HSR 65CB | 90 | 170 | 186 | 142 | 110 | 16 | 174 | 21.5 | 76 | 19 | 16 | 63 | 53.5 | 8.5 | 22.5 | 18*26*22 |
HSR 65HB | 245.5 | 206.5 | 10.7 | |||||||||||||
HSR 85CB | 110 | 215 | 245.6 | 185 | 140 | 18 | 178.6 | 28 | 94 | 23 | 16 | 85 | 65 | 17 | 35.2 | 24*35*28 |
HSR 85HB | 110 | 303 | 236 | 23 | ||||||||||||
Tekniske data |
Type | Belastning, kN | Maks. statisk moment, kNm | Vægt | ||||||
C (dyn) | C(stat) | MA | MB | MC | Vogn (kg) | Skinne (kg/m) | |||
1 vogn | 2 vogn | 1 vogn | 2 vogn | 1 vogn | |||||
HSR 15B | 8.33 | 13.5 | 0.0805 | 0.457 | 0.0805 | 0.457 | 0.0844 | 0.18 | 1.5 |
HSR 15RM | |||||||||
HSR 20R | 13.8 | 23.8 | 0.19 | 1.04 | 0.19 | 1.04 | 0.201 | 0.25 | 2.3 |
HSR 20RM | |||||||||
HSR 20LR | 21.3 | 31.8 | 0.323 | 1.66 | 0.323 | 1.66 | 0.27 | 0.35 | |
HSR 20LRM | |||||||||
HSR 25A | 19.9 | 34.4 | 0.307 | 1.71 | 0.307 | 1.71 | 0.344 | 0.54 | 3.3 |
HSR 25RM | |||||||||
HSR 25LR | 27.2 | 45.9 | 0.529 | 2.74 | 0.529 | 2.74 | 0.459 | 0.67 | |
HSR 25LRM | |||||||||
HSR 30R | 28 | 46.8 | 0.524 | 2.7 | 0.524 | 2.7 | 0.562 | 0.9 | 4.8 |
HSR 30RM | |||||||||
HSR 30LR | 37.3 | 62.5 | 0.889 | 4.37 | 0.889 | 4.37 | 0.751 | 1.1 | |
HSR 30LRM | |||||||||
HSR 35R | 37.3 | 61.1 | 0.782 | 3.93 | 0.782 | 3.93 | 0.905 | 1.5 | 6.6 |
HSR 35RM | |||||||||
HSR 35LR | 50.2 | 81.5 | 1.32 | 6.35 | 1.32 | 6.35 | 1.2 | 2 | |
HSR 35LRM | |||||||||
HSR 45R | 60 | 95.6 | 1.42 | 7.92 | 1.42 | 7.92 | 1.83 | 2.6 | 11 |
HSR 45LR | 80.4 | 127 | 2.44 | 12.6 | 2.44 | 12.6 | 2.43 | 3.1 | |
HSR 55R | 88.5 | 137 | 2.45 | 13.2 | 2.45 | 13.2 | 3.2 | 4.3 | 15.1 |
HSR 55LR | 119 | 183 | 4.22 | 21.3 | 4.22 | 21.3 | 4.28 | 5.4 | |
HSR 65R | 141 | 215 | 4.8 | 23.5 | 4.8 | 23.5 | 5.82 | 7.3 | 22.5 |
HSR 65LR | 192 | 286 | 8.72 | 40.5 | 8.72 | 40.5 | 7.7 | 9.3 | |
HSR 85R | 210 | 310 | 8.31 | 45.6 | 8.31 | 45.6 | 11 | 13 | 35.2 |
HSR 85LR | 282 | 412 | 14.2 | 72.5 | 14.2 | 72.5 | 14.7 | 16 | |
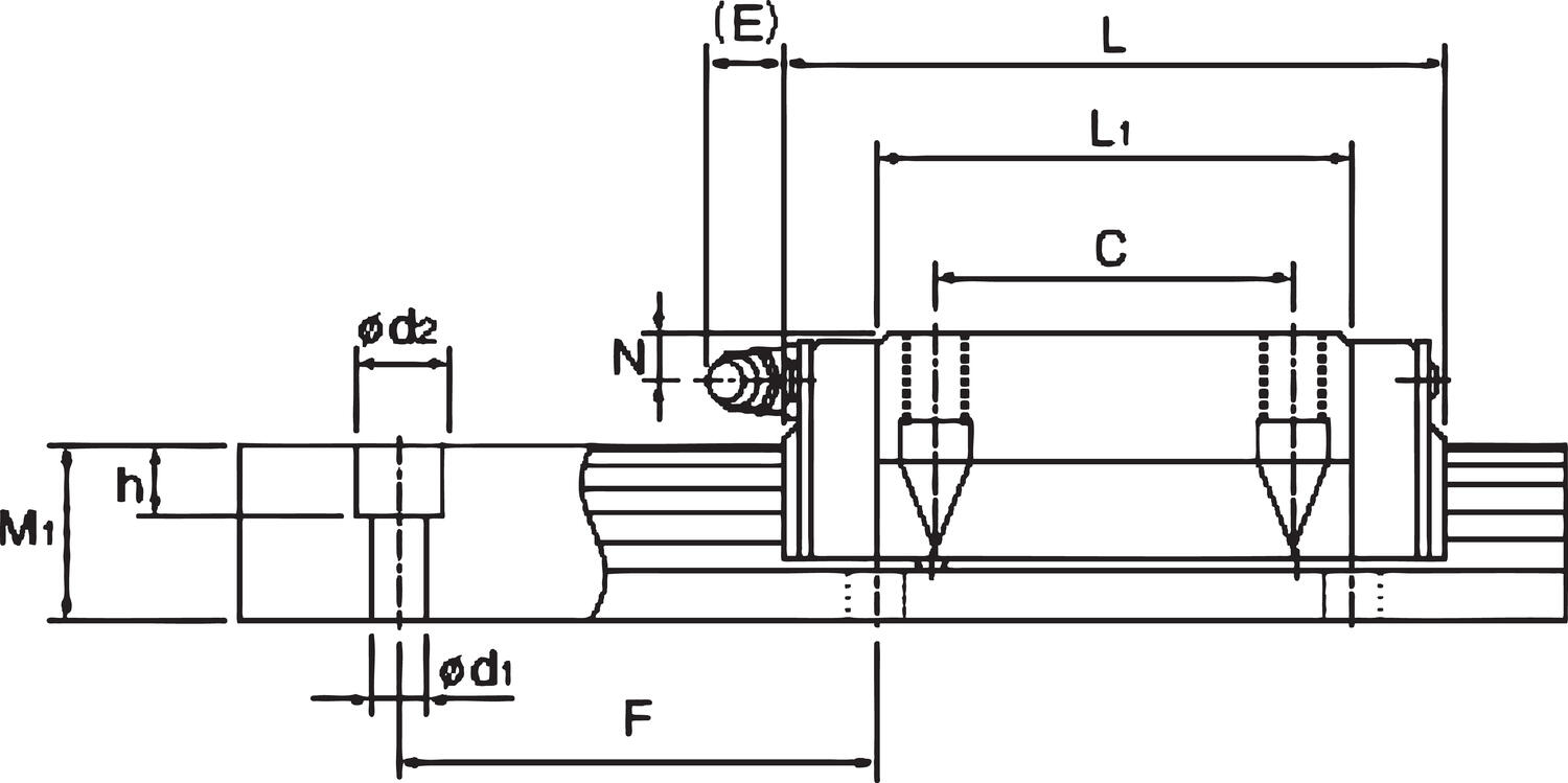
Dimensioner | |
|
|
Type | Ydermål | Vogn | Skinne | |||||||||||||
M | W | L | B | C | Sxl | L1 | T | K | N | E | W1 | W | M | F | d1 X d2 X h | |
HSR 15R | 28 | 34 | 56.6 | 26 | 26 | M4 | 38.8 | 6 | 23.3 | 8.3 | 5.5 | 15 | 9.5 | 15 | 60 | 4.5*7.5*5.3 |
HSR 15RM | ||||||||||||||||
HSR 20R | 30 | 44 | 74 | 32 | 36 | M5 | 50.8 | 8 | 26 | 5 | 12 | 20 | 12 | 18 | 60 | 6*9.5*8.5 |
HSR 20RM | ||||||||||||||||
HSR 20LR | 30 | 44 | 90 | 32 | 50 | M5 | 66.8 | 8 | 26 | 5 | 12 | 20 | 12 | 18 | 60 | 6*9.5*8.5 |
HSR 20LRM | ||||||||||||||||
HSR 25A | 40 | 48 | 83.1 | 35 | 35 | M6 | 59.5 | 9 | 34.5 | 10 | 12 | 23 | 12.5 | 22 | 60 | 7*11*9 |
HSR 25RM | ||||||||||||||||
HSR 25LR | 40 | 48 | 102.2 | 35 | 50 | M6 | 78.6 | 9 | 34.5 | 10 | 12 | 23 | 12.5 | 22 | 60 | 7*11*9 |
HSR 25LRM | ||||||||||||||||
HSR 30R | 45 | 60 | 98 | 40 | 40 | M6 | 70.4 | 9 | 38 | 10 | 12 | 28 | 16 | 26 | 80 | 9*14*12 |
HSR 30RM | ||||||||||||||||
HSR 30LR | 45 | 60 | 120.6 | 40 | 60 | M8 | 93 | 9 | 38 | 10 | 12 | 28 | 16 | 26 | 80 | 9*14*12 |
HSR 30LRM | ||||||||||||||||
HSR 35R | 55 | 70 | 109.4 | 50 | 50 | M8 | 80.4 | 11.7 | 47.5 | 15 | 12 | 34 | 18 | 29 | 80 | 9*14*12 |
HSR 35RM | ||||||||||||||||
HSR 35LR | 55 | 70 | 134.8 | 50 | 72 | M8 | 105.8 | 11.7 | 47.5 | 15 | 12 | 34 | 18 | 29 | 80 | 9*14*12 |
HSR 35LRM | ||||||||||||||||
HSR 45R | 70 | 86 | 139 | 60 | 60 | M10 | 98 | 15 | 60 | 20 | 16 | 45 | 20.5 | 38 | 105 | 14*20*17 |
HSR 45LR | 170.8 | 80 | 129.8 | |||||||||||||
HSR 55R | 80 | 100 | 163 | 75 | 75 | M12 | 118 | 20.5 | 67 | 21 | 16 | 53 | 23.5 | 44 | 120 | 16*23*20 |
HSR 55LR | 201.1 | 95 | 156.1 | |||||||||||||
HSR 65R | 90 | 126 | 186 | 76 | 70 | M16 | 147 | 23 | 76 | 19 | 16 | 63 | 31.5 | 53 | 150 | 18*26*22 |
HSR 65LR | 245.5 | 120 | 206.5 | |||||||||||||
HSR 85R | 110 | 156 | 245.6 | 100 | 80 | M18 | 178.6 | 29 | 94 | 23 | 16 | 85 | 35.5 | 65 | 180 | 24*35*28 |
HSR 85LR | 303 | 140 | 236 | |||||||||||||
HSR - R Grade Ct |
|
Tekniske data |
Type | Belastning, kN | Maks. statisk moment, kNm | Vægt | ||||||
C (dyn) | C(stat) | MA | MB | MC | Vogn (kg) | Skinne (kg/m) | |||
1 vogn | 2 vogn | 1 vogn | 2 vogn | 1 vogn | |||||
HSR 15R (Ct) | 8.33 | 13.5 | 0.0805 | 0.457 | 0.0805 | 0.457 | 0.0844 | 0.18 | 1.5 |
HSR 20R (Ct) | 13.8 | 23.8 | 0.19 | 1.04 | 0.19 | 1.04 | 0.201 | 0.25 | 2.3 |
HSR 25R (Ct) | 19.9 | 34.4 | 0.307 | 1.71 | 0.307 | 1.71 | 0.344 | 0.54 | 3.3 |
HSR 30R (Ct) | 28 | 46.8 | 0.524 | 2.7 | 0.524 | 2.7 | 0.562 | 0.9 | 4.8 |
HSR 35R (Ct) | 37.3 | 61.1 | 0.782 | 3.93 | 0.782 | 3.93 | 0.905 | 1.5 | 6.6 |
Dimensioner |
|
|
Type | Ydermål | Vogn | Skinne | |||||||||||||
M | W | L | B | C | Sxl | L1 | T | K | N | E | W1 | W | M | F | d1 X d2 X h | |
HSR 15R (Ct) | 28 | 34 | 56.6 | 26 | 26 | M4 | 38.8 | 6 | 23.3 | 8.3 | 5.5 | 15 | 9.5 | 15 | 60 | 4.5*7.5*5.3 |
HSR 20R (Ct) | 30 | 44 | 74 | 32 | 36 | M5 | 50.8 | 8 | 26 | 5 | 12 | 20 | 12 | 18 | 60 | 6*9.5*8.5 |
HSR 25R (Ct) | 40 | 48 | 83.1 | 35 | 35 | M6 | 59.5 | 9 | 34.5 | 10 | 12 | 23 | 12.5 | 22 | 60 | 7*11*9 |
HSR 30R (Ct) | 45 | 60 | 98 | 40 | 40 | M8 | 70.4 | 9 | 38 | 10 | 12 | 28 | 16 | 26 | 80 | 9*14*12 |
HSR 35R (Ct) | 55 | 70 | 109.4 | 50 | 50 | M8 | 80.4 | 11.7 | 47.5 | 15 | 12 | 34 | 18 | 29 | 80 | 9*14*12 |
| ||||||||||||||||
|
|
|
|
|
|
|
|
|
|
|
|
|
|
|
| |
Tekniske data |
Type | Belastning, kN | Maks. statisk moment, kNm | Vægt | ||||||
C (dyn) | C(stat) | MA | MB | MC | Vogn (kg) | Skinne (kg/m) | |||
1 vogn | 2 vogn | 1 vogn | 2 vogn | 1 vogn | |||||
HSR 15YR | 8.33 | 13.5 | 0.0805 | 0.457 | 0.0805 | 0.457 | 0.0844 | 0.18 | 1.5 |
HSR 15YRM | |||||||||
HSR 20YR | 13.8 | 23.8 | 0.19 | 1.04 | 0.19 | 1.04 | 0.201 | 0.25 | 2.3 |
HSR 20YRM | |||||||||
HSR 25YR | 19.9 | 34.4 | 0.307 | 1.71 | 0.307 | 1.71 | 0.344 | 0.54 | 3.3 |
HSR 25YRM | |||||||||
HSR 30YR | 28 | 46.8 | 0.524 | 2.7 | 0.524 | 2.7 | 0.562 | 0.9 | 4.8 |
HSR 30YRM | |||||||||
HSR 35YR | 37.3 | 61.1 | 0.782 | 3.93 | 0.782 | 3.93 | 0.905 | 1.5 | 6.6 |
HSR 35YRM | |||||||||
HSR 45YR | 60 | 95.6 | 1.42 | 7.92 | 1.42 | 7.92 | 1.83 | 2.6 | 11 |
HSR 55YR | 88.5 | 137 | 2.45 | 13.2 | 2.45 | 13.2 | 3.2 | 4.3 | 15.1 |
HSR 65YR | 141 | 215 | 4.8 | 23.5 | 4.8 | 23.5 | 5.82 | 7.3 | 22.5 |
Dimensioner | |
Type | Ydermål |
| Vogn | Skinne | ||||||||||||
M | W | L | B1 | B | C | Sxl | L1 | K | N | E | W1 | W | M | F | d1*d2*h | |
HSR 15YR | 28 | 33.5 | 56.6 | 4.3 | 11.5 | 18 | M4 | 38.8 | 23.3 | 8.3 | 5.5 | 15 | 24 | 15 | 60 | 4.5*7.5*5.3 |
HSR 15YRM | ||||||||||||||||
HSR 20YR | 30 | 43.5 | 74 | 4 | 11.5 | 25 | M5 | 50.8 | 26 | 5 | 12 | 20 | 31.5 | 18 | 60 | 6*9.5*8.5 |
HSR 20YRM | ||||||||||||||||
HSR 25YR | 40 | 47.5 | 83.1 | 6 | 16 | 30 | M6 | 59.5 | 34.5 | 10 | 12 | 23 | 35 | 22 | 60 | 7*11*9 |
HSR 25YRM | ||||||||||||||||
HSR 30YR | 45 | 59.5 | 98 | 8 | 16 | 40 | M6 | 70.4 | 38 | 10 | 12 | 28 | 43.5 | 26 | 80 | 9*14*12 |
HSR 30YRM | ||||||||||||||||
HSR 35YR | 55 | 69.5 | 107.4 | 8 | 23 | 43 | M8 | 80.4 | 47 | 15 | 12 | 34 | 51.5 | 29 | 80 | 9*14*12 |
HSR 35YRM | ||||||||||||||||
HSR 45YR | 70 | 85.5 | 139 | 10 | 30 | 55 | M10 | 98 | 60 | 20 | 16 | 45 | 65 | 38 | 105 | 14*20*17 |
HSR 55YR | 80 | 99.5 | 163 | 12 | 32 | 70 | M12 | 118 | 67 | 21 | 16 | 53 | 76 | 44 | 120 | 16*23*20 |
HSR 65YR | 90 | 124.5 | 186 | 12 | 35 | 85 | M16 | 147 | 76 | 19 | 16 | 63 | 93 | 53 | 150 | 18*26*22 |
|
Type | HSR15 | HSR20 | HSR25 | HSR30 | HSR35 | HSR45 | HSR55 | HSR65 | HSR85 |
Standardlængde | 160 | 160 | 220 | 280 | 280 | 570 | 780 | 1270 | 1530 |
F | 60 | 60 | 60 | 80 | 80 | 105 | 120 | 150 | 180 |
G | 20 | 20 | 20 | 20 | 20 | 22.5 | 30 | 35 | 45 |
Maks.længde | 3000 | 3000 | 3000 | 3000 | 3000 | 3090 | 3060 | 3000 | 3000 |
For bestillingsnumre kontakt venligst OEM Automatic Klitsø, El afd.
Se data for HSR skinneføring til lineær bevægelse fra THK nedenfor.
HSR - A | HSR - B |
Vognen har fire gevindhuller for nem | Vognen har fire gevindhuller for fastgørelse |
HSR - CA | HSR - CB |
| |
Vognen har seks gevindhuller for nem | Vognen har fire gevindhuller for fastgørelse |
HSR - R |
|
|
|
En smallere vogn med fire gevindskårne |
|
Tekniske data |
Type | Belastning, kN | Maks. statisk moment, kNm | Vægt | ||||||
C (dyn) | C(stat) | MA | MB | MC | Vogn (kg) | Skinne (kg/m) | |||
1 vogn | 2 vogn | 1 vogn | 2 vogn | 1 vogn | |||||
HSR 15A | 8.33 | 13.5 | 0.0805 | 0.457 | 0.0805 | 0.457 | 0.0844 | 0.2 | 1.5 |
HSR 15AM | |||||||||
HSR 20A | 13.8 | 23.8 | 0.19 | 1.04 | 0.19 | 1.04 | 0.201 | 0.35 | 2.3 |
HSR 20AM | |||||||||
HSR 20LA | 21.3 | 31.8 | 0.323 | 1.66 | 0.323 | 1.66 | 0.27 | 0.47 | |
HSR 20LAM | |||||||||
HSR 25A | 19.9 | 34.4 | 0.307 | 1.71 | 0.307 | 1.71 | 0.344 | 0.59 | 3.3 |
HSR 25AM | |||||||||
HSR 25LA | 27.2 | 45.9 | 0.529 | 2.74 | 0.529 | 2.74 | 0.459 | 0.75 | |
HSR 25LAM | |||||||||
HSR 30A | 28 | 46.8 | 0.524 | 2.7 | 0.524 | 2.7 | 0.562 | 1.1 | 4.8 |
HSR 30AM | |||||||||
HSR 30LA | 37.3 | 62.5 | 0.889 | 4.37 | 0.889 | 4.37 | 0.751 | 1.3 | |
HSR 30LAM | |||||||||
HSR 35A | 37.3 | 61.1 | 0.782 | 3.93 | 0.782 | 3.93 | 0.905 | 1.6 | 6.6 |
HSR 35AM | |||||||||
HSR 35LA | 50.2 | 81.5 | 1.32 | 6.35 | 1.32 | 6.35 | 1.2 | 2 | |
HSR 35LAM | |||||||||
HSR 45A | 60 | 95.6 | 1.42 | 7.92 | 1.42 | 7.92 | 1.83 | 2.8 | 11 |
HSR 45LA | 80.4 | 127 | 2.44 | 12.6 | 2.44 | 12.6 | 2.43 | 3.3 | |
HSR 55A | 88.5 | 137 | 2.45 | 13.2 | 2.45 | 132 | 3.2 | 4.5 | 15.1 |
HSR 55LA | 119 | 183 | 4.22 | 21.3 | 4.22 | 21.3 | 4.28 | 5.7 | |
HSR 65A | 141 | 215 | 4.8 | 23.5 | 4.8 | 23.5 | 5.82 | 8.5 | 22.5 |
HSR 65LA | 1925 | 286 | 8.72 | 40.5 | 8.72 | 40.5 | 7.7 | 10.7 | |
HSR 85A | 210 | 310 | 8.31 | 45.6 | 8.31 | 45.6 | 11 | 17 | 35.2 |
HSR 85LA | 282 | 412 | 14.2 | 72.5 | 14.2 | 72.5 | 14.7 | 23 | |
Dimensioner | |
| |
Type | Ydermål | Vogn | Skinne | |||||||||||||
M | W | L | B | C | S | L1 | T | K | N | E | W1 | W | M | F | d1 X d2 X h | |
HSR 15A | 24 | 47 | 56.6 | 38 | 30 | M5 | 38.8 | 7 | 19.3 | 4.3 | 5.5 | 15 | 16 | 15 | 60 | 4.5*7.5*5.3 |
HSR 15AM | ||||||||||||||||
HSR 20A | 30 | 63 | 74 | 3853 | 40 | M6 | 50.8 | 10 | 26 | 5 | 12 | 20 | 21.5 | 18 | 60 | 6*9.5*8.5 |
HSR 20AM | ||||||||||||||||
HSR 20LA | 30 | 63 | 90 | 53 | 40 | M6 | 66.8 | 10 | 26 | 5 | 12 | 20 | 21.5 | 18 | 60 | 6*9.5*8.5 |
HSR 20LAM | ||||||||||||||||
HSR 25A | 36 | 70 | 83.1 | 57 | 45 | M8 | 59.5 | 11 | 30.5 | 6 | 12 | 23 | 23.5 | 22 | 60 | 7*11*9 |
HSR 25AM | ||||||||||||||||
HSR 25LA | 36 | 70 | 102.2 | 57 | 45 | M8 | 78.6 | 11 | 30.5 | 6 | 12 | 23 | 23.5 | 22 | 60 | 7*11*9 |
HSR 25LAM | ||||||||||||||||
HSR 30A | 42 | 90 | 98 | 72 | 52 | M10 | 70.4 | 9 | 35 | 7 | 12 | 28 | 31 | 26 | 80 | 9*14*12 |
HSR 30AM | ||||||||||||||||
HSR 30LA | 42 | 90 | 120.6 | 72 | 52 | M10 | 93 | 9 | 35 | 7 | 12 | 28 | 31 | 26 | 80 | 9*14*12 |
HSR 30LAM | ||||||||||||||||
HSR 35A | 48 | 100 | 109.4 | 82 | 62 | M10 | 80.4 | 12 | 40.5 | 8 | 12 | 34 | 33 | 29 | 80 | 9*14*12 |
HSR 35AM | ||||||||||||||||
HSR 35LA | 48 | 100 | 134.8 | 82 | 62 | M10 | 105.8 | 12 | 40.5 | 8 | 12 | 34 | 33 | 29 | 80 | 9*14*12 |
HSR 35LAM | ||||||||||||||||
HSR 45A | 60 | 120 | 139 | 100 | 80 | M12 | 98 | 13 | 50 | 10 | 16 | 45 | 37.5 | 38 | 105 | 14*20*17 |
HSR 45LA | 170.8 | 129.8 | ||||||||||||||
HSR 55A | 70 | 140 | 163 | 116 | 95 | M14 | 118 | 13.5 | 57 | 11 | 16 | 53 | 43.5 | 44 | 120 | 16*23*20 |
HSR 55LA | 201.1 | 156.1 | ||||||||||||||
HSR 65A | 90 | 170 | 186 | 142 | 110 | M16 | 147 | 21.5 | 76 | 19 | 16 | 63 | 53.5 | 53 | 150 | 18*26*22 |
HSR 65LA | 245.5 | 206.5 | ||||||||||||||
HSR 85A | 110 | 215 | 245.5 | 185 | 140 | M20 | 178.6 | 28 | 94 | 23 | 16 | 85 | 65 | 65 | 180 | 24*35*28 |
HSR 85LA | 303 | 236 | ||||||||||||||
Tekniske data |
Type | Belastning, kN | Maks. statisk moment, kNm | Vægt | ||||||
C (dyn) | C(stat) | MA | MB | MC | Vogn (kg) | Skinne (kg/m) | |||
1 vogn | 2 vogn | 1 vogn | 2 vogn | 1 vogn | |||||
HSR 15B | 8.33 | 13.5 | 0.0805 | 0.457 | 0.0805 | 0.457 | 0.0844 | 0.2 | 1.5 |
HSR 15BM | |||||||||
HSR 20LB | 13.8 | 23.8 | 0.19 | 1.04 | 0.19 | 1.04 | 0.201 | 0.35 | 2.3 |
HSR 20LBM | |||||||||
HSR 20LB | 21.3 | 31.8 | 0.323 | 1.66 | 0.323 | 1.66 | 0.27 | 0.47 | |
HSR 20LBM | |||||||||
HSR 25B | 19.9 | 34.4 | 0.307 | 1.71 | 0.307 | 1.71 | 0.344 | 0.59 | 3.3 |
HSR 25BM | |||||||||
HSR 25LB | 27.2 | 45.9 | 0.529 | 2.74 | 0.529 | 2.74 | 0.459 | 0.75 | |
HSR 25LBM | |||||||||
HSR 30B | 28 | 46.8 | 0.524 | 2.7 | 0.524 | 2.7 | 0.562 | 1.1 | 4.8 |
HSR 30BM | |||||||||
HSR 30BA | 37.3 | 62.5 | 0.889 | 4.37 | 0.889 | 4.37 | 0.751 | 1.3 | |
HSR 30LBM | |||||||||
HSR 35B | 37.3 | 61.1 | 0.782 | 3.93 | 0.782 | 3.93 | 0.905 | 1.6 | 6.6 |
HSR 35BM | |||||||||
HSR 35LB | 50.2 | 81.5 | 1.32 | 6.35 | 1.32 | 6.35 | 1.2 | 2 | |
HSR 35LBM | |||||||||
HSR 45B | 60 | 95.6 | 1.42 | 7.92 | 1.42 | 7.92 | 1.83 | 2.8 | 11 |
HSR 45LB | 80.4 | 127 | 2.44 | 12.6 | 2.44 | 12.6 | 2.43 | 3.3 | |
HSR 55B | 88.5 | 137 | 2.45 | 13.2 | 2.45 | 13.2 | 3.2 | 4.5 | 15.1 |
HSR 55LB | 119 | 183 | 4.22 | 21.3 | 4.22 | 21.3 | 4.28 | 5.7 | |
HSR 65B | 141 | 215 | 4.8 | 23.5 | 4.8 | 23.5 | 5.82 | 8.5 | 22.5 |
HSR 65LB | 192 | 286 | 8.72 | 40.5 | 8.72 | 40.5 | 7.7 | 10.7 | |
HSR 85B | 210 | 310 | 8.31 | 45.6 | 8.31 | 45.6 | 11 | 17 | 35.2 |
HSR 85LB | 282 | 412 | 14.2 | 72.5 | 14.2 | 72.5 | 14.7 | 23 | |
Dimensioner | |
Type | Ydermål | Vogn | Skinne | |||||||||||||
M | W | L | B | C | H | L1 | T | K | N | E | W1 | W | M | F | d1 X d2 X h | |
HSR 15B | 24 | 47 | 56.6 | 38 | 30 | 4.5 | 38.8 | 7 | 19.3 | 4.3 | 5.5 | 15 | 16 | 15 | 60 | 4.5*7.5*5.3 |
HSR 15BM | ||||||||||||||||
HSR 20LB | 30 | 63 | 74 | 52 | 40 | 6 | 50.8 | 9.5 | 26 | 5 | 12 | 20 | 21.5 | 18 | 60 | 6*9.5*8.5 |
HSR 20LBM | ||||||||||||||||
HSR 20LB | 30 | 63 | 90 | 52 | 40 | 6 | 66.8 | 9.5 | 26 | 5 | 12 | 20 | 21.5 | 18 | 60 | 6*9.5*8.5 |
HSR 20LBM | ||||||||||||||||
HSR 25B | 36 | 70 | 83.1 | 57 | 45 | 7 | 59.5 | 11 | 30.5 | 6 | 12 | 23 | 23.5 | 22 | 60 | 7*11*9 |
HSR 25BM | ||||||||||||||||
HSR 25LB | 36 | 70 | 102.2 | 57 | 45 | 7 | 78.6 | 11 | 30.5 | 6 | 12 | 23 | 23.5 | 22 | 60 | 7*11*9 |
HSR 25LBM | ||||||||||||||||
HSR 30B | 42 | 90 | 98 | 72 | 52 | 9 | 70.4 | 9 | 35 | 7 | 12 | 28 | 31 | 26 | 80 | 9*14*12 |
HSR 30BM | ||||||||||||||||
HSR 30BA | 42 | 90 | 120.6 | 72 | 52 | 9 | 93 | 9 | 35 | 7 | 12 | 28 | 31 | 26 | 80 | 9*14*12 |
HSR 30LBM | ||||||||||||||||
HSR 35B | 48 | 100 | 109.4 | 82 | 62 | 9 | 80.4 | 12 | 40.5 | 8 | 12 | 34 | 33 | 29 | 80 | 9*14*12 |
HSR 35BM | ||||||||||||||||
HSR 35LB | 48 | 100 | 134.8 | 82 | 62 | 9 | 105.8 | 12 | 40.5 | 8 | 12 | 34 | 33 | 29 | 80 | 9*14*12 |
HSR 35LBM | ||||||||||||||||
HSR 45B | 60 | 120 | 139 | 100 | 80 | 11 | 98 | 13 | 50 | 10 | 16 | 45 | 37.5 | 38 | 105 | 14*20*17 |
HSR 45LB | 170.8 | 129.8 | ||||||||||||||
HSR 55B | 70 | 140 | 163 | 116 | 95 | 14 | 118 | 13.5 | 57 | 11 | 16 | 53 | 43.5 | 44 | 120 | 16*23*20 |
HSR 55LB | 201.1 | 156.1 | ||||||||||||||
HSR 65B | 90 | 170 | 186 | 142 | 110 | 16 | 147 | 21.5 | 76 | 19 | 16 | 63 | 53.5 | 53 | 150 | 18*26*22 |
HSR 65LB | 245.5 | 206.5 | ||||||||||||||
HSR 85B | 110 | 215 | 245.6 | 185 | 140 | 18 | 178.6 | 28 | 94 | 23 | 16 | 85 | 65 | 65 | 180 | 24*35*28 |
HSR 85LB | 303 | 236 | ||||||||||||||
Tekniske data |
Type | Belastning, kN | Maks. statisk moment, kNm | Vægt | ||||||
C (dyn) | C(stat) | MA | MB | MC | Vogn (kg) | Skinne (kg/m) | |||
1 vogn | 2 vogn | 1 vogn | 2 vogn | 1 vogn | |||||
HSR 15C (Ct) | 8.33 | 13.5 | 0.0805 | 0.457 | 0.0805 | 0.457 | 0.0844 | 0.2 | 1.5 |
HSR 20C (Ct) | 13.8 | 23.8 | 0.19 | 1.04 | 0.19 | 1.04 | 0.201 | 0.35 | 2.3 |
HSR 25C (Ct) | 19.9 | 34.4 | 0.307 | 1.71 | 0.307 | 1.71 | 0.344 | 0.59 | 3.3 |
HSR 30C (Ct) | 28 | 46.8 | 0.524 | 2.7 | 0.524 | 2.7 | 0.562 | 1.0 | 4.8 |
HSR 35C (Ct) | 37.3 | 61.1 | 0.782 | 3.39 | 0.782 | 3.39 | 0.905 | 1.6 | 6.6 |
Dimensioner | |
| |
Type | Ydermål | Vogn | Skinne | |||||||||||||
M | W | L | B | C | H | L1 | T | K | N | E | W1 | W | M | F | d1 X d2 X h | |
HSR 15C (Ct) | 24 | 47 | 56.6 | 38 | 30 | 4.4 | 38.1 | 7 | 19.3 | 4.3 | 5.5 | 15 | 16 | 15 | 60 | 4.5*7.5*5.3 |
HSR 20C (Ct) | 30 | 63 | 74 | 53 | 40 | 5.4 | 50.8 | 10 | 26 | 5 | 12 | 20 | 21.5 | 18 | 60 | 6*9.5*8.5 |
HSR 25C (Ct) | 36 | 70 | 83.1 | 57 | 45 | 6.8 | 59.5 | 11 | 30.5 | 6 | 12 | 23 | 235 | 22 | 60 | 7*11*9 |
HSR 30C (Ct) | 42 | 90 | 98 | 72 | 53 | 8.5 | 70.4 | 9 | 35 | 7 | 12 | 28 | 31 | 26 | 80 | 9*14*12 |
HSR 35C (Ct) | 48 | 100 | 109.4 | 82 | 62 | 8.5 | 80.4 | 12 | 40.5 | 8 | 12 | 34 | 33 | 29 | 80 | 9*14*12 |
| ||||||||||||||||
|
|
|
|
|
|
|
|
|
|
|
|
|
|
|
| |
HSR-CA, HSR-CAM, HSR-HA OCH HSA-HAM |
|
Tekniske data |
Type | Belastning, kN | Maks. statisk moment, kNm | Vægt | ||||||
C (dyn) | C(stat) | MA | MB | MC | Vogn (kg) | Skinne (kg/m) | |||
1 vogn | 2 vogn | 1 vogn | 2 vogn | 1 vogn | |||||
HSR 20CA | 13.8 | 23.8 | 0.19 | 1.04 | 0.19 | 1.04 | 0.201 | 0.35 | 2.3 |
HSR 20CAM | |||||||||
HSR 20HA | 21.3 | 31.8 | 0.323 | 1.66 | 0.323 | 1.66 | 0.27 | 0.47 | |
HSR 20 HAM | |||||||||
HSR 25CA | 19.9 | 34.4 | 0.307 | 1.71 | 0.307 | 1.71 | 0.344 | 0.59 | 3.3 |
HSR 25CAM | |||||||||
HSR 25HA | 27.2 | 45.9 | 0.529 | 2.74 | 0.529 | 2.74 | 0.459 | 0.75 | |
HSR 25HAM | |||||||||
HSR 30CA | 28 | 46.8 | 0.524 | 2.7 | 0.524 | 2.7 | 0.562 | 1.1 | 4.8 |
HSR 30CAM | |||||||||
HSR 30HA | 37.3 | 52.5 | 0.889 | 4.37 | 0.889 | 4.37 | 0.751 | 1.3 | |
HSR 30HAM | |||||||||
HSR 35CA | 37.3 | 61.1 | 0.782 | 3.93 | 0.782 | 3.93 | 0.905 | 1.6 | 6.6 |
HSR 35CAM | |||||||||
HSR 35HA | 50.2 | 81.5 | 1.32 | 6.35 | 1.32 | 6.35 | 1.2 | 2 | 6.6 |
HSR 35HAM | |||||||||
HSR 45CA | 60 | 95.6 | 1.42 | 7.92 | 1.42 | 7.92 | 1.83 | 2.8 | 11 |
HSR 45CAM | 80.4 | 127 | 2.44 | 12.6 | 2.44 | 12.6 | 2.43 | 3.3 | |
HSR 55CA | 88.5 | 137 | 2.45 | 13.2 | 2.45 | 13.2 | 3.2 | 4.5 | 15.1 |
HSR 55HA | 119 | 183 | 4.22 | 21.3 | 4.22 | 21.3 | 4.28 | 5.7 | |
HSR 65CA | 141 | 215 | 4.8 | 23.5 | 4.8 | 23.5 | 5.82 | 8.5 | 22.5 |
HSR 65 HA | 192 | 286 | 8.72 | 40.5 | 8.72 | 40.5 | 7.7 | 10.7 | |
HSR 85CA | 210 | 310 | 8.31 | 45.6 | 8.31 | 45.6 | 11 | 17 | 35.2 |
HSR 85 HA | 282 | 412 | 14.2 | 72.5 | 14.2 | 72.5 | 14.7 | 23 | |
Dimensioner | |
Type | Ydermål | Vogn | Skinne | |||||||||||||
M | W | L | B | C | S | L1 | T | K | N | E | W1 | W | M | F | d1 X d2 X h | |
HSR 20CA | 30 | 63 | 74 | 53 | 40 | M6 | 50.8 | 9.5 | 26 | 5 | 12 | 20 | 21.5 | 18 | 60 | 6*9.5*8.5 |
HSR 20CAM | ||||||||||||||||
HSR 20HA | 30 | 63 | 90 | 53 | 40 | M6 | 66.8 | 9.5 | 26 | 5 | 12 | 20 | 21.5 | 18 | 60 | 6*9.5*8.5 |
HSR 20 HAM | ||||||||||||||||
HSR 25CA | 36 | 70 | 83.1 | 57 | 45 | M8 | 59.5 | 11 | 30.5 | 6 | 12 | 23 | 23.5 | 22 | 60 | 7*11*9 |
HSR 25CAM | ||||||||||||||||
HSR 25HA | 36 | 70 | 102.2 | 57 | 45 | M8 | 78.6 | 11 | 30.5 | 6 | 12 | 23 | 23.5 | 22 | 60 | 7*11*9 |
HSR 25HAM | ||||||||||||||||
HSR 30CA | 42 | 90 | 98 | 72 | 52 | M10 | 70.4 | 9 | 35 | 7 | 12 | 28 | 31 | 26 | 80 | 9*14*12 |
HSR 30CAM | ||||||||||||||||
HSR 30HA | 42 | 90 | 120.6 | 72 | 52 | M10 | 93 | 9 | 35 | 7 | 12 | 28 | 31 | 26 | 80 | 9*14*12 |
HSR 30HAM | ||||||||||||||||
HSR 35CA | 48 | 100 | 109.4 | 82 | 62 | M10 | 80.4 | 12 | 40.5 | 8 | 12 | 34 | 33 | 29 | 80 | 9*14*12 |
HSR 35CAM | ||||||||||||||||
HSR 35HA | 48 | 100 | 134.8 | 82 | 62 | M10 | 105.8 | 12 | 40.5 | 8 | 12 | 34 | 33 | 29 | 80 | 9*14*12 |
HSR 35HAM | ||||||||||||||||
HSR 45CA | 60 | 120 | 139 | 100 | 80 | M12 | 98 | 13 | 50 | 10 | 16 | 45 | 37.5 | 38 | 105 | 14*20*17 |
HSR 45CAM | 170.8 | 129.8 | ||||||||||||||
HSR 55CA | 70 | 140 | 163 | 116 | 95 | M14 | 118 | 13.5 | 57 | 11 | 16 | 53 | 43.5 | 44 | 120 | 16*23*20 |
HSR 55HA | 201.1 | 156.1 | ||||||||||||||
HSR 65CA | 90 | 170 | 186 | 142 | 110 | M16 | 147 | 21.5 | 76 | 19 | 16 | 63 | 53.5 | 53 | 150 | 18*26*22 |
HSR 65 HA | 245.5 | 206.5 | ||||||||||||||
HSR 85CA | 110 | 215 | 245.6 | 185 | 140 | M20 | 178.6 | 28 | 94 | 23 | 16 | 85 | 65 | 65 | 180 | 24*35*28 |
HSR 85 HA | 303 | 236 | ||||||||||||||
Tekniske data |
Type | Belastning, kN | Maks. statisk moment, kNm | Vægt | ||||||
C (dyn) | C(stat) | MA | MB | MC | Vogn (kg) | Skinne (kg/m) | |||
1 vogn | 2 vogn | 1 vogn | 2 vogn | 1 vogn | |||||
HSR 20CB | 13.8 | 23.8 | 0.19 | 1.04 | 0.19 | 1.04 | 0.201 | 0.35 | 23 |
HSR 20CBM | |||||||||
HSR 20HB | 21.3 | 31.8 | 0.323 | 1.66 | 0.323 | 1.66 | 0.27 | 0.47 | 23 |
HSR 20HBM | |||||||||
HSR 25CB | 19.9 | 34.4 | 0.307 | 1.71 | 0.307 | 1.71 | 0.344 | 0.59 | 3.3 |
HSR 25CBM | |||||||||
HSR 25HB | 27.2 | 45.9 | 0.529 | 2.74 | 0.529 | 2.74 | 0.459 | 0.75 | 3.3 |
HSR 25HBM | |||||||||
HSR 30CB | 28 | 46.8 | 0.524 | 2.7 | 0.524 | 2.7 | 0.562 | 1.1 | 4.8 |
HSR 30CBM | |||||||||
HSR 30HB | 37.3 | 52.5 | 0.889 | 4.37 | 0.889 | 4.37 | 0.751 | 1.3 | 4.8 |
HSR 30HBM | |||||||||
HSR 35CB | 37.3 | 61.1 | 0.782 | 3.93 | 0.782 | 3.93 | 0.905 | 1.6 | 6.6 |
HSR 35CBM | |||||||||
HSR 35HB | 50.2 | 81.5 | 1.32 | 6.35 | 1.32 | 6.35 | 1.2 | 2 | 6.6 |
HSR 35HBM | |||||||||
HSR 45CB | 60 | 95.6 | 1.42 | 7.92 | 1.42 | 7.92 | 1.83 | 2.8 | 11 |
HSR 45HB | 80.4 | 127 | 2.44 | 12.6 | 2.44 | 12.6 | 2.43 | 3.3 | |
HSR 55CB | 88.5 | 137 | 2.45 | 13.2 | 2.45 | 13.2 | 3.2 | 4.5 | 15.1 |
HSR 55HB | 119 | 183 | 4.22 | 21.3 | 4.22 | 21.3 | 4.28 | 5.7 | |
HSR 65CB | 141 | 215 | 4.8 | 23.5 | 4.8 | 23.5 | 5.82 | 8.5 | 22.5 |
HSR 65HB | 192 | 286 | 8.72 | 40.5 | 8.72 | 40.5 | 7.7 | 10.7 | |
HSR 85CB | 210 | 310 | 8.31 | 45.6 | 8.31 | 45.6 | 11 | 17 | 35.2 |
HSR 85HB | 282 | 412 | 14.2 | 72.5 | 14.2 | 72.5 | 14.7 | 23 | |
Dimensioner | |
Type | Ydermål | Vogn | Skinne | |||||||||||||
M | W | L | B | C | H | L1 | T | K | N | E | W1 | W | M | F | d1 X d2 X h | |
HSR 20CB | 30 | 63 | 74 | 53 | 40 | 6 | 50.8 | 9.5 | 26 | 5 | 12 | 20 | 21.5 | 0.35 | 2.3 | 6*9.5*8.5 |
HSR 20CBM | ||||||||||||||||
HSR 20HB | 30 | 63 | 90 | 53 | 40 | 6 | 66.8 | 9.5 | 26 | 5 | 12 | 20 | 21.5 | 0.45 | 2.3 | 6*9.5*8.5 |
HSR 20HBM | ||||||||||||||||
HSR 25CB | 36 | 70 | 83.1 | 57 | 45 | 7 | 59.5 | 11 | 30.5 | 6 | 12 | 23 | 23.5 | 0.59 | 3.3 | 7*11*9 |
HSR 25CBM | ||||||||||||||||
HSR 25HB | 36 | 70 | 102.2 | 57 | 45 | 7 | 78.6 | 11 | 30.5 | 6 | 12 | 23 | 23.5 | 0.75 | 3.3 | 7*11*9 |
HSR 25HBM | ||||||||||||||||
HSR 30CB | 42 | 90 | 98 | 72 | 52 | 9 | 70.4 | 9 | 35 | 7 | 12 | 28 | 31 | 1.1 | 4.8 | 9*14*12 |
HSR 30CBM | ||||||||||||||||
HSR 30HB | 42 | 90 | 120.6 | 72 | 52 | 9 | 93 | 9 | 35 | 7 | 12 | 28 | 31 | 1.3 | 4.8 | 9*14*12 |
HSR 30HBM | ||||||||||||||||
HSR 35CB | 48 | 100 | 109.4 | 82 | 62 | 9 | 80.4 | 12 | 40 | 8 | 12 | 34 | 33 | 1.6 | 6.6 | 9*14*12 |
HSR 35CBM | ||||||||||||||||
HSR 35HB | 48 | 100 | 134.8 | 82 | 62 | 9 | 105.8 | 12 | 40 | 8 | 12 | 34 | 33 | 2 | 6.6 | 9*14*12 |
HSR 35HBM | ||||||||||||||||
HSR 45CB | 60 | 120 | 139 | 100 | 80 | 11 | 98 | 13 | 50 | 10 | 16 | 45 | 37.5 | 2.8 | 11 | 14*20*17 |
HSR 45HB | 170.8 | 129.8 | 3.3 | |||||||||||||
HSR 55CB | 70 | 140 | 163 | 116 | 95 | 14 | 118 | 13.5 | 59 | 11 | 16 | 53 | 43.5 | 4.5 | 15.1 | 16*23*20 |
HSR 55HB | 201.1 | 156.1 | 5.7 | |||||||||||||
HSR 65CB | 90 | 170 | 186 | 142 | 110 | 16 | 174 | 21.5 | 76 | 19 | 16 | 63 | 53.5 | 8.5 | 22.5 | 18*26*22 |
HSR 65HB | 245.5 | 206.5 | 10.7 | |||||||||||||
HSR 85CB | 110 | 215 | 245.6 | 185 | 140 | 18 | 178.6 | 28 | 94 | 23 | 16 | 85 | 65 | 17 | 35.2 | 24*35*28 |
HSR 85HB | 110 | 303 | 236 | 23 | ||||||||||||
Tekniske data |
Type | Belastning, kN | Maks. statisk moment, kNm | Vægt | ||||||
C (dyn) | C(stat) | MA | MB | MC | Vogn (kg) | Skinne (kg/m) | |||
1 vogn | 2 vogn | 1 vogn | 2 vogn | 1 vogn | |||||
HSR 15B | 8.33 | 13.5 | 0.0805 | 0.457 | 0.0805 | 0.457 | 0.0844 | 0.18 | 1.5 |
HSR 15RM | |||||||||
HSR 20R | 13.8 | 23.8 | 0.19 | 1.04 | 0.19 | 1.04 | 0.201 | 0.25 | 2.3 |
HSR 20RM | |||||||||
HSR 20LR | 21.3 | 31.8 | 0.323 | 1.66 | 0.323 | 1.66 | 0.27 | 0.35 | |
HSR 20LRM | |||||||||
HSR 25A | 19.9 | 34.4 | 0.307 | 1.71 | 0.307 | 1.71 | 0.344 | 0.54 | 3.3 |
HSR 25RM | |||||||||
HSR 25LR | 27.2 | 45.9 | 0.529 | 2.74 | 0.529 | 2.74 | 0.459 | 0.67 | |
HSR 25LRM | |||||||||
HSR 30R | 28 | 46.8 | 0.524 | 2.7 | 0.524 | 2.7 | 0.562 | 0.9 | 4.8 |
HSR 30RM | |||||||||
HSR 30LR | 37.3 | 62.5 | 0.889 | 4.37 | 0.889 | 4.37 | 0.751 | 1.1 | |
HSR 30LRM | |||||||||
HSR 35R | 37.3 | 61.1 | 0.782 | 3.93 | 0.782 | 3.93 | 0.905 | 1.5 | 6.6 |
HSR 35RM | |||||||||
HSR 35LR | 50.2 | 81.5 | 1.32 | 6.35 | 1.32 | 6.35 | 1.2 | 2 | |
HSR 35LRM | |||||||||
HSR 45R | 60 | 95.6 | 1.42 | 7.92 | 1.42 | 7.92 | 1.83 | 2.6 | 11 |
HSR 45LR | 80.4 | 127 | 2.44 | 12.6 | 2.44 | 12.6 | 2.43 | 3.1 | |
HSR 55R | 88.5 | 137 | 2.45 | 13.2 | 2.45 | 13.2 | 3.2 | 4.3 | 15.1 |
HSR 55LR | 119 | 183 | 4.22 | 21.3 | 4.22 | 21.3 | 4.28 | 5.4 | |
HSR 65R | 141 | 215 | 4.8 | 23.5 | 4.8 | 23.5 | 5.82 | 7.3 | 22.5 |
HSR 65LR | 192 | 286 | 8.72 | 40.5 | 8.72 | 40.5 | 7.7 | 9.3 | |
HSR 85R | 210 | 310 | 8.31 | 45.6 | 8.31 | 45.6 | 11 | 13 | 35.2 |
HSR 85LR | 282 | 412 | 14.2 | 72.5 | 14.2 | 72.5 | 14.7 | 16 | |
Dimensioner | |
|
|
Type | Ydermål | Vogn | Skinne | |||||||||||||
M | W | L | B | C | Sxl | L1 | T | K | N | E | W1 | W | M | F | d1 X d2 X h | |
HSR 15R | 28 | 34 | 56.6 | 26 | 26 | M4 | 38.8 | 6 | 23.3 | 8.3 | 5.5 | 15 | 9.5 | 15 | 60 | 4.5*7.5*5.3 |
HSR 15RM | ||||||||||||||||
HSR 20R | 30 | 44 | 74 | 32 | 36 | M5 | 50.8 | 8 | 26 | 5 | 12 | 20 | 12 | 18 | 60 | 6*9.5*8.5 |
HSR 20RM | ||||||||||||||||
HSR 20LR | 30 | 44 | 90 | 32 | 50 | M5 | 66.8 | 8 | 26 | 5 | 12 | 20 | 12 | 18 | 60 | 6*9.5*8.5 |
HSR 20LRM | ||||||||||||||||
HSR 25A | 40 | 48 | 83.1 | 35 | 35 | M6 | 59.5 | 9 | 34.5 | 10 | 12 | 23 | 12.5 | 22 | 60 | 7*11*9 |
HSR 25RM | ||||||||||||||||
HSR 25LR | 40 | 48 | 102.2 | 35 | 50 | M6 | 78.6 | 9 | 34.5 | 10 | 12 | 23 | 12.5 | 22 | 60 | 7*11*9 |
HSR 25LRM | ||||||||||||||||
HSR 30R | 45 | 60 | 98 | 40 | 40 | M6 | 70.4 | 9 | 38 | 10 | 12 | 28 | 16 | 26 | 80 | 9*14*12 |
HSR 30RM | ||||||||||||||||
HSR 30LR | 45 | 60 | 120.6 | 40 | 60 | M8 | 93 | 9 | 38 | 10 | 12 | 28 | 16 | 26 | 80 | 9*14*12 |
HSR 30LRM | ||||||||||||||||
HSR 35R | 55 | 70 | 109.4 | 50 | 50 | M8 | 80.4 | 11.7 | 47.5 | 15 | 12 | 34 | 18 | 29 | 80 | 9*14*12 |
HSR 35RM | ||||||||||||||||
HSR 35LR | 55 | 70 | 134.8 | 50 | 72 | M8 | 105.8 | 11.7 | 47.5 | 15 | 12 | 34 | 18 | 29 | 80 | 9*14*12 |
HSR 35LRM | ||||||||||||||||
HSR 45R | 70 | 86 | 139 | 60 | 60 | M10 | 98 | 15 | 60 | 20 | 16 | 45 | 20.5 | 38 | 105 | 14*20*17 |
HSR 45LR | 170.8 | 80 | 129.8 | |||||||||||||
HSR 55R | 80 | 100 | 163 | 75 | 75 | M12 | 118 | 20.5 | 67 | 21 | 16 | 53 | 23.5 | 44 | 120 | 16*23*20 |
HSR 55LR | 201.1 | 95 | 156.1 | |||||||||||||
HSR 65R | 90 | 126 | 186 | 76 | 70 | M16 | 147 | 23 | 76 | 19 | 16 | 63 | 31.5 | 53 | 150 | 18*26*22 |
HSR 65LR | 245.5 | 120 | 206.5 | |||||||||||||
HSR 85R | 110 | 156 | 245.6 | 100 | 80 | M18 | 178.6 | 29 | 94 | 23 | 16 | 85 | 35.5 | 65 | 180 | 24*35*28 |
HSR 85LR | 303 | 140 | 236 | |||||||||||||
HSR - R Grade Ct |
|
Tekniske data |
Type | Belastning, kN | Maks. statisk moment, kNm | Vægt | ||||||
C (dyn) | C(stat) | MA | MB | MC | Vogn (kg) | Skinne (kg/m) | |||
1 vogn | 2 vogn | 1 vogn | 2 vogn | 1 vogn | |||||
HSR 15R (Ct) | 8.33 | 13.5 | 0.0805 | 0.457 | 0.0805 | 0.457 | 0.0844 | 0.18 | 1.5 |
HSR 20R (Ct) | 13.8 | 23.8 | 0.19 | 1.04 | 0.19 | 1.04 | 0.201 | 0.25 | 2.3 |
HSR 25R (Ct) | 19.9 | 34.4 | 0.307 | 1.71 | 0.307 | 1.71 | 0.344 | 0.54 | 3.3 |
HSR 30R (Ct) | 28 | 46.8 | 0.524 | 2.7 | 0.524 | 2.7 | 0.562 | 0.9 | 4.8 |
HSR 35R (Ct) | 37.3 | 61.1 | 0.782 | 3.93 | 0.782 | 3.93 | 0.905 | 1.5 | 6.6 |
Dimensioner |
|
|
Type | Ydermål | Vogn | Skinne | |||||||||||||
M | W | L | B | C | Sxl | L1 | T | K | N | E | W1 | W | M | F | d1 X d2 X h | |
HSR 15R (Ct) | 28 | 34 | 56.6 | 26 | 26 | M4 | 38.8 | 6 | 23.3 | 8.3 | 5.5 | 15 | 9.5 | 15 | 60 | 4.5*7.5*5.3 |
HSR 20R (Ct) | 30 | 44 | 74 | 32 | 36 | M5 | 50.8 | 8 | 26 | 5 | 12 | 20 | 12 | 18 | 60 | 6*9.5*8.5 |
HSR 25R (Ct) | 40 | 48 | 83.1 | 35 | 35 | M6 | 59.5 | 9 | 34.5 | 10 | 12 | 23 | 12.5 | 22 | 60 | 7*11*9 |
HSR 30R (Ct) | 45 | 60 | 98 | 40 | 40 | M8 | 70.4 | 9 | 38 | 10 | 12 | 28 | 16 | 26 | 80 | 9*14*12 |
HSR 35R (Ct) | 55 | 70 | 109.4 | 50 | 50 | M8 | 80.4 | 11.7 | 47.5 | 15 | 12 | 34 | 18 | 29 | 80 | 9*14*12 |
| ||||||||||||||||
|
|
|
|
|
|
|
|
|
|
|
|
|
|
|
| |
Tekniske data |
Type | Belastning, kN | Maks. statisk moment, kNm | Vægt | ||||||
C (dyn) | C(stat) | MA | MB | MC | Vogn (kg) | Skinne (kg/m) | |||
1 vogn | 2 vogn | 1 vogn | 2 vogn | 1 vogn | |||||
HSR 15YR | 8.33 | 13.5 | 0.0805 | 0.457 | 0.0805 | 0.457 | 0.0844 | 0.18 | 1.5 |
HSR 15YRM | |||||||||
HSR 20YR | 13.8 | 23.8 | 0.19 | 1.04 | 0.19 | 1.04 | 0.201 | 0.25 | 2.3 |
HSR 20YRM | |||||||||
HSR 25YR | 19.9 | 34.4 | 0.307 | 1.71 | 0.307 | 1.71 | 0.344 | 0.54 | 3.3 |
HSR 25YRM | |||||||||
HSR 30YR | 28 | 46.8 | 0.524 | 2.7 | 0.524 | 2.7 | 0.562 | 0.9 | 4.8 |
HSR 30YRM | |||||||||
HSR 35YR | 37.3 | 61.1 | 0.782 | 3.93 | 0.782 | 3.93 | 0.905 | 1.5 | 6.6 |
HSR 35YRM | |||||||||
HSR 45YR | 60 | 95.6 | 1.42 | 7.92 | 1.42 | 7.92 | 1.83 | 2.6 | 11 |
HSR 55YR | 88.5 | 137 | 2.45 | 13.2 | 2.45 | 13.2 | 3.2 | 4.3 | 15.1 |
HSR 65YR | 141 | 215 | 4.8 | 23.5 | 4.8 | 23.5 | 5.82 | 7.3 | 22.5 |
Dimensioner | |
Type | Ydermål |
| Vogn | Skinne | ||||||||||||
M | W | L | B1 | B | C | Sxl | L1 | K | N | E | W1 | W | M | F | d1*d2*h | |
HSR 15YR | 28 | 33.5 | 56.6 | 4.3 | 11.5 | 18 | M4 | 38.8 | 23.3 | 8.3 | 5.5 | 15 | 24 | 15 | 60 | 4.5*7.5*5.3 |
HSR 15YRM | ||||||||||||||||
HSR 20YR | 30 | 43.5 | 74 | 4 | 11.5 | 25 | M5 | 50.8 | 26 | 5 | 12 | 20 | 31.5 | 18 | 60 | 6*9.5*8.5 |
HSR 20YRM | ||||||||||||||||
HSR 25YR | 40 | 47.5 | 83.1 | 6 | 16 | 30 | M6 | 59.5 | 34.5 | 10 | 12 | 23 | 35 | 22 | 60 | 7*11*9 |
HSR 25YRM | ||||||||||||||||
HSR 30YR | 45 | 59.5 | 98 | 8 | 16 | 40 | M6 | 70.4 | 38 | 10 | 12 | 28 | 43.5 | 26 | 80 | 9*14*12 |
HSR 30YRM | ||||||||||||||||
HSR 35YR | 55 | 69.5 | 107.4 | 8 | 23 | 43 | M8 | 80.4 | 47 | 15 | 12 | 34 | 51.5 | 29 | 80 | 9*14*12 |
HSR 35YRM | ||||||||||||||||
HSR 45YR | 70 | 85.5 | 139 | 10 | 30 | 55 | M10 | 98 | 60 | 20 | 16 | 45 | 65 | 38 | 105 | 14*20*17 |
HSR 55YR | 80 | 99.5 | 163 | 12 | 32 | 70 | M12 | 118 | 67 | 21 | 16 | 53 | 76 | 44 | 120 | 16*23*20 |
HSR 65YR | 90 | 124.5 | 186 | 12 | 35 | 85 | M16 | 147 | 76 | 19 | 16 | 63 | 93 | 53 | 150 | 18*26*22 |
|
Type | HSR15 | HSR20 | HSR25 | HSR30 | HSR35 | HSR45 | HSR55 | HSR65 | HSR85 |
Standardlængde | 160 | 160 | 220 | 280 | 280 | 570 | 780 | 1270 | 1530 |
F | 60 | 60 | 60 | 80 | 80 | 105 | 120 | 150 | 180 |
G | 20 | 20 | 20 | 20 | 20 | 22.5 | 30 | 35 | 45 |
Maks.længde | 3000 | 3000 | 3000 | 3000 | 3000 | 3090 | 3060 | 3000 | 3000 |
For bestillingsnumre kontakt venligst OEM Automatic Klitsø, El afd.
Når det kommer til komponenter, der skal anvendes i fødevareproduktion, sætter vi kvalitet og sikkerhed i højsædet for at sikre, at de lever op til de højeste standarder og følger branchens regler. Ved valg af komponenter er materialevalg, korrekt godkendelse, kompatibilitet og pålidelighed helt afgørende faktorer i denne branche. Hver komponent skal vælges omhyggeligt og tilpasses for at imødekomme de strenge krav, der stilles.
Vi tilbyder et komplet sortiment af strømforsyninger, redundante systemer, DC-UPS og en række specialtilpassede enheder til f.eks. eksplosionsfarlige miljøer (ATEX) eller NEC class 2-kredsløb fra vores producent PULS. Strømforsyninger til 110 V DC indspænding med strømkapacitet fra 0,6 A op til 20 A (24 V DC).
Nu kan du få præfabrikerede og konfigurerbare trykdæksler leveret på kun 2 uger – en hurtig og fleksibel løsning, der sparer dig både tid og besvær.
Aventics XV-serie fra Emerson muliggør øget fleksibilitet og effektivitet i produktionssystemer. Den moderne ventilteknologi i denne serie forbedrer udnyttelsen af trykluft og optimerer ydeevnen i pneumatiske systemer. Med sit kompakte design sparer XV-serien plads i styreskabet, samtidig med at ventilerne har lang levetid og kræver minimal vedligeholdelse. Dette giver øget oppetid og gør serien til et fremragende valg for nutidens krævende produktionsmiljøer.
Efterhånden som kravene til pålidelig niveau- og flowmåling stiger, bliver behovet for smartere og mere robust teknologi stadig vigtigere. Med Rosemount 1208 niveau- og flowradar præsenterer vi hos OEM Automatic en ny, berøringsfri niveauradar, der kombinerer høj præcision med nem installation – uanset om det er vand, havre eller kemikalier.
Vi tilbyder et bredt udvalg af Tescom trykregulatorer, der dækker alt fra laboratorieanalyser til industrielle gasinstallationer. Tescom er kendt for sin høje kvalitet, fleksibilitet og pålidelighed – uanset om du arbejder med brandfarlige gasser, kalibreringsudstyr eller trykpaneler.
|
|
|
|
|
|
||
|---|---|---|---|---|---|---|
|
|
|
|
|
|
||
|
|
|
|
|
|
||
|
|
|
|
|
|
||
|
|
|
|
|
|
||
|
|
|
|
|
|
||
|
|
|
|
|
|
| Favoritter | Artikler | Bredde | Dynamic load | Højde | Længde | Static load | Pris | |
|---|---|---|---|---|---|---|---|---|
|
HSR20R1SS(GK)
Art:
HSR20R1SS
Kopieret
|
|
|
|
|
|
| ||
|
HSR25C1SS (GK)
Art:
HSR25C1SS
Kopieret
|
70 mm
|
27,6 kN
|
36 mm
|
83,1 mm
|
36,4 kN
|
| ||
|
HSR35LC1SSC1(GK)
Art:
HSR35LC1SSC1
Kopieret
|
|
|
|
|
|
| ||
|
Art:
HSR 15A
Kopieret
|
47 mm
|
10,9 kN
|
24 mm
|
56,6 mm
|
15,7 kN
|
| ||
|
Art:
HSR 15AM
Kopieret
|
47 mm
|
10,9 kN
|
24 mm
|
56,6 mm
|
15,7 kN
|
| ||
|
Art:
HSR 15B
Kopieret
|
24 mm
|
10,9 kN
|
47 mm
|
56,6 mm
|
15,7 kN
|
| ||
|
Art:
HSR 15BM
Kopieret
|
24 mm
|
10,9 kN
|
47 mm
|
56,6 mm
|
15,7 kN
|
| ||
|
Art:
HSR 15RM
Kopieret
|
34 mm
|
10,9 kN
|
28 mm
|
56,6 mm
|
15,7 kN
|
| ||
|
Art:
HSR 15YR
Kopieret
|
33,5 mm
|
10,9 kN
|
28 mm
|
56,6 mm
|
15,7 kN
|
| ||
|
Art:
HSR 15YRM
Kopieret
|
33,5 mm
|
10,9 kN
|
28 mm
|
56,6 mm
|
15,7 kN
|
| ||
|
Art:
HSR 20A
Kopieret
|
63 mm
|
19,8 kN
|
30 mm
|
74 mm
|
27,4 kN
|
| ||
|
Art:
HSR 20AM
Kopieret
|
63 mm
|
19,8 kN
|
30 mm
|
74 mm
|
27,4 kN
|
| ||
|
Art:
HSR 20CB
Kopieret
|
63 mm
|
19,8 kN
|
30 mm
|
74 mm
|
27,4 kN
|
| ||
|
Art:
HSR 20CBM
Kopieret
|
63 mm
|
19,8 kN
|
30 mm
|
74 mm
|
27,4 kN
|
| ||
|
Art:
HSR 20HB
Kopieret
|
63 mm
|
23,9 kN
|
30 mm
|
90 mm
|
35,8 kN
|
| ||
|
Art:
HSR 20HBM
Kopieret
|
63 mm
|
23,9 kN
|
30 mm
|
90 mm
|
35,8 kN
|
| ||
|
Art:
HSR 20LA
Kopieret
|
63 mm
|
23,9 kN
|
30 mm
|
90 mm
|
35,8 kN
|
| ||
|
Art:
HSR 20LAM
Kopieret
|
63 mm
|
23,9 kN
|
30 mm
|
90 mm
|
35,8 kN
|
| ||
|
Art:
HSR 20LB
Kopieret
|
63 mm
|
23,9 kN
|
30 mm
|
90 mm
|
35,8 kN
|
| ||
|
Art:
HSR 20LBM
Kopieret
|
36 mm
|
23,9 kN
|
30 mm
|
90 mm
|
35,8 kN
|
| ||
|
Art:
HSR 20LR
Kopieret
|
44 mm
|
23,9 kN
|
30 mm
|
90 mm
|
35,8 kN
|
| ||
|
Art:
HSR 20LRM
Kopieret
|
44 mm
|
23,9 kN
|
30 mm
|
90 mm
|
35,8 kN
|
| ||
|
Art:
HSR 20R
Kopieret
|
44 mm
|
19,8 kN
|
30 mm
|
74 mm
|
27,4 kN
|
| ||
|
Art:
HSR 20RM
Kopieret
|
44 mm
|
19,8 kN
|
30 mm
|
74 mm
|
27,4 kN
|
| ||
|
Art:
HSR 20YR
Kopieret
|
43,5 mm
|
19,8 kN
|
30 mm
|
74 mm
|
27,4 kN
|
| ||
|
Art:
HSR 20YRM
Kopieret
|
43,5 mm
|
19,8 kN
|
30 mm
|
74 mm
|
27,4 kN
|
| ||
|
Art:
HSR 25A
Kopieret
|
70 mm
|
27,6 kN
|
36 mm
|
83,1 mm
|
36,4 kN
|
| ||
|
Art:
HSR 25AM
Kopieret
|
70 mm
|
27,6 kN
|
36 mm
|
83,1 mm
|
36,4 kN
|
| ||
|
Art:
HSR 25B
Kopieret
|
70 mm
|
27,6 kN
|
36 mm
|
83,1 mm
|
36,4 kN
|
| ||
|
Art:
HSR 25BM
Kopieret
|
70 mm
|
27,6 kN
|
36 mm
|
83,1 mm
|
36,4 kN
|
| ||
|
Art:
HSR 25CB
Kopieret
|
70 mm
|
37,6 kN
|
36 mm
|
83,1 mm
|
36,4 kN
|
| ||
|
Art:
HSR 25CBM
Kopieret
|
70 mm
|
27,6 kN
|
36 mm
|
83,1 mm
|
36,4 kN
|
| ||
|
Art:
HSR 25HB
Kopieret
|
70 mm
|
35,2 kN
|
36 mm
|
102,2 mm
|
51,6 kN
|
| ||
|
Art:
HSR 25HBM
Kopieret
|
70 mm
|
35,2 kN
|
36 mm
|
102,2 mm
|
51,6 kN
|
| ||
|
Art:
HSR 25LA
Kopieret
|
70 mm
|
35,2 kN
|
36 mm
|
102,2 mm
|
51,6 kN
|
| ||
|
Art:
HSR 25LAM
Kopieret
|
70 mm
|
35,2 kN
|
36 mm
|
102,2 mm
|
51,6 kN
|
| ||
|
Art:
HSR 25LB
Kopieret
|
70 mm
|
35,2 kN
|
36 mm
|
102,2 mm
|
51,6 kN
|
| ||
|
Art:
HSR 25LBM
Kopieret
|
70 mm
|
35,2 kN
|
36 mm
|
102,2 mm
|
51,6 kN
|
| ||
|
Art:
HSR 25LR
Kopieret
|
48 mm
|
35,2 kN
|
40 mm
|
102,2 mm
|
51,6 kN
|
| ||
|
Art:
HSR 25LRM
Kopieret
|
48 mm
|
35,2 kN
|
40 mm
|
102,2 mm
|
51,6 kN
|
| ||
|
Art:
HSR 25RM
Kopieret
|
48 mm
|
27,6 kN
|
40 mm
|
83,1 mm
|
36,4 kN
|
| ||
|
Art:
HSR 25YR
Kopieret
|
47,5 mm
|
27,6 kN
|
40 mm
|
83,1 mm
|
36,4 kN
|
| ||
|
Art:
HSR 25YRM
Kopieret
|
47,5 mm
|
27,6 kN
|
40 mm
|
83,1 mm
|
36,4 kN
|
| ||
|
Art:
HSR 30A
Kopieret
|
90 mm
|
40,5 kN
|
42 mm
|
98 mm
|
53,7 kN
|
| ||
|
Art:
HSR 30AM
Kopieret
|
90 mm
|
40,5 kN
|
42 mm
|
98 mm
|
53,7 kN
|
| ||
|
Art:
HSR 30B
Kopieret
|
90 mm
|
40,5 kN
|
42 mm
|
98 mm
|
53,7 kN
|
| ||
|
Art:
HSR 30BM
Kopieret
|
90 mm
|
40,5 kN
|
42 mm
|
98 mm
|
53,7 kN
|
| ||
|
Art:
HSR 30CB
Kopieret
|
90 mm
|
40,5 kN
|
42 mm
|
98 mm
|
53,7 kN
|
| ||
|
Art:
HSR 30CBM
Kopieret
|
90 mm
|
40,5 kN
|
42 mm
|
98 mm
|
53,7 kN
|
| ||
|
Art:
HSR 30HB
Kopieret
|
90 mm
|
48,9 kN
|
42 mm
|
120,6 mm
|
70,2 kN
|
| ||
|
Art:
HSR 30HBM
Kopieret
|
90 mm
|
48,9 kN
|
42 mm
|
120,6 mm
|
70,2 kN
|
| ||
|
Art:
HSR 30LA
Kopieret
|
90 mm
|
48,9 kN
|
42 mm
|
120,6 mm
|
70,2 kN
|
| ||
|
Art:
HSR 30LAM
Kopieret
|
90 mm
|
48,9 kN
|
42 mm
|
120,6 mm
|
70,2 kN
|
| ||
|
Art:
HSR 30LBM
Kopieret
|
90 mm
|
48,9 kN
|
42 mm
|
120,6 mm
|
70,2 kN
|
| ||
|
Art:
HSR 30LRM
Kopieret
|
60 mm
|
48,9 kN
|
45 mm
|
120,6 mm
|
70,2 kN
|
| ||
|
Art:
HSR 30LR
Kopieret
|
60 mm
|
48,9 kN
|
45 mm
|
120,6 mm
|
70,2 kN
|
| ||
|
Art:
HSR 30R
Kopieret
|
60 mm
|
40,5 kN
|
45 mm
|
98 mm
|
53,7 kN
|
| ||
|
Art:
HSR 30RM
Kopieret
|
60 mm
|
40,5 kN
|
45 mm
|
98 mm
|
53,7 kN
|
| ||
|
Art:
HSR 30YR
Kopieret
|
59,5 mm
|
40,5 kN
|
45 mm
|
98 mm
|
53,7 kN
|
| ||
|
Art:
HSR 30YRM
Kopieret
|
59,5 mm
|
40,5 kN
|
45 mm
|
98 mm
|
53,7 kN
|
| ||
|
Art:
HSR 35A
Kopieret
|
100 mm
|
53,9 kN
|
48 mm
|
109,4 mm
|
70,2 kN
|
| ||
|
Art:
HSR 35AM
Kopieret
|
100 mm
|
53,9 kN
|
48 mm
|
109,4 mm
|
70,2 kN
|
| ||
|
Art:
HSR 35B
Kopieret
|
100 mm
|
53,9 kN
|
48 mm
|
109,4 mm
|
70,2 kN
|
| ||
|
Art:
HSR 35BM
Kopieret
|
100 mm
|
53,9 kN
|
48 mm
|
109,4 mm
|
70,2 kN
|
| ||
|
Art:
HSR 35CB
Kopieret
|
100 mm
|
53,9 kN
|
48 mm
|
109,4 mm
|
70,2 kN
|
| ||
|
Art:
HSR 35CBM
Kopieret
|
100 mm
|
53,9 kN
|
48 mm
|
109,4 mm
|
70,2 kN
|
| ||
|
Art:
HSR 35HB
Kopieret
|
100 mm
|
65 kN
|
48 mm
|
134,8 mm
|
91,7 kN
|
| ||
|
Art:
HSR 35HBM
Kopieret
|
100 mm
|
65 kN
|
48 mm
|
134,8 mm
|
91,7 kN
|
| ||
|
Art:
HSR 35LA
Kopieret
|
100 mm
|
65 kN
|
48 mm
|
134,8 mm
|
91,7 kN
|
| ||
|
Art:
HSR 35LAM
Kopieret
|
100 mm
|
65 kN
|
48 mm
|
134,8 mm
|
91,7 kN
|
| ||
|
Art:
HSR 35LB
Kopieret
|
100 mm
|
65 kN
|
48 mm
|
134,8 mm
|
91,7 kN
|
| ||
|
Art:
HSR 35LBM
Kopieret
|
100 mm
|
65 kN
|
48 mm
|
134,8 mm
|
91,7 kN
|
| ||
|
Art:
HSR 35LR
Kopieret
|
70 mm
|
65 kN
|
55 mm
|
134,8 mm
|
91,7 kN
|
| ||
|
Art:
HSR 35LRM
Kopieret
|
70 mm
|
65 kN
|
55 mm
|
134,8 mm
|
91,7 kN
|
| ||
|
Art:
HSR 35R
Kopieret
|
70 mm
|
53,9 kN
|
55 mm
|
109,4 mm
|
70,2 kN
|
| ||
|
Art:
HSR 35RM
Kopieret
|
70 mm
|
53,9 kN
|
55 mm
|
109,4 mm
|
70,2 kN
|
| ||
|
Art:
HSR 35YR
Kopieret
|
69,5 mm
|
53,9 kN
|
55 mm
|
109,4 mm
|
70,2 kN
|
| ||
|
Art:
HSR 35YRM
Kopieret
|
69,5 mm
|
53,9 kN
|
55 mm
|
109,4 mm
|
70,2 kN
|
| ||
|
Art:
HSR 45A
Kopieret
|
120 mm
|
82,2 kN
|
60 mm
|
139 mm
|
101 kN
|
| ||
|
Art:
HSR 45B
Kopieret
|
120 mm
|
82,2 kN
|
60 mm
|
139 mm
|
101 kN
|
| ||
|
Art:
HSR 45CB
Kopieret
|
120 mm
|
82,2 kN
|
60 mm
|
139 mm
|
101 kN
|
| ||
|
Art:
HSR 45HB
Kopieret
|
120 mm
|
100 kN
|
60 mm
|
170,8 mm
|
135 kN
|
| ||
|
Art:
HSR 45LA
Kopieret
|
120 mm
|
100 kN
|
60 mm
|
170,8 mm
|
135 kN
|
| ||
|
Art:
HSR 45LB
Kopieret
|
120 mm
|
100 kN
|
60 mm
|
170,8 mm
|
135 kN
|
| ||
|
Art:
HSR 45LR
Kopieret
|
86 mm
|
100 kN
|
70 mm
|
170,8 mm
|
135 kN
|
| ||
|
Art:
HSR 45R
Kopieret
|
86 mm
|
82,2 kN
|
70 mm
|
139 mm
|
101 kN
|
| ||
|
Art:
HSR 45YR
Kopieret
|
85,5 mm
|
82,2 kN
|
70 mm
|
139 mm
|
101 kN
|
| ||
|
Art:
HSR 55A
Kopieret
|
140 mm
|
121 kN
|
70 mm
|
163 mm
|
146 kN
|
| ||
|
Art:
HSR 55B
Kopieret
|
140 mm
|
121 kN
|
70 mm
|
163 mm
|
146 kN
|
| ||
|
Art:
HSR 55CB
Kopieret
|
140 mm
|
121 kN
|
70 mm
|
163 mm
|
146 kN
|
| ||
|
Art:
HSR 55HB
Kopieret
|
140 mm
|
148 kN
|
70 mm
|
201,1 mm
|
194 kN
|
| ||
|
Art:
HSR 55LA
Kopieret
|
140 mm
|
148 kN
|
70 mm
|
201,1 mm
|
194 kN
|
| ||
|
Art:
HSR 55LB
Kopieret
|
140 mm
|
148 kN
|
70 mm
|
201,1 mm
|
194 kN
|
| ||
|
Art:
HSR 55LR
Kopieret
|
100 mm
|
148 kN
|
80 mm
|
201,1 mm
|
194 kN
|
| ||
|
Art:
HSR 55R
Kopieret
|
100 mm
|
121 kN
|
80 mm
|
163 mm
|
146 kN
|
| ||
|
Art:
HSR 55YR
Kopieret
|
99,5 mm
|
121 kN
|
80 mm
|
163 mm
|
146 kN
|
| ||
|
Art:
HSR 65A
Kopieret
|
170 mm
|
195 kN
|
90 mm
|
186 mm
|
228 kN
|
| ||
|
Art:
HSR 65B
Kopieret
|
170 mm
|
195 kN
|
90 mm
|
186 mm
|
228 kN
|
| ||
|
Art:
HSR 65CB
Kopieret
|
170 mm
|
195 kN
|
90 mm
|
186 mm
|
228 kN
|
| ||
|
Art:
HSR 65HB
Kopieret
|
170 mm
|
249 kN
|
90 mm
|
245,5 mm
|
323 kN
|
| ||
|
Art:
HSR 65LA
Kopieret
|
170 mm
|
249 kN
|
90 mm
|
245,5 mm
|
323 kN
|
| ||
|
Art:
HSR 65LB
Kopieret
|
170 mm
|
249 kN
|
90 mm
|
245,5 mm
|
323 kN
|
| ||
|
Art:
HSR 65LR
Kopieret
|
126 mm
|
249 kN
|
90 mm
|
245,5 mm
|
323 kN
|
| ||
|
Art:
HSR 65R
Kopieret
|
126 mm
|
195 kN
|
90 mm
|
186 mm
|
228 kN
|
| ||
|
Art:
HSR 65YR
Kopieret
|
124,5 mm
|
195 kN
|
90 mm
|
186 mm
|
228 kN
|
| ||
|
Art:
HSR 85A
Kopieret
|
215 mm
|
304 kN
|
110 mm
|
245,6 mm
|
355 kN
|
| ||
|
Art:
HSR 85B
Kopieret
|
215 mm
|
304 kN
|
110 mm
|
245,6 mm
|
355 kN
|
| ||
|
Art:
HSR 85CB
Kopieret
|
215 mm
|
304 kN
|
110 mm
|
245,6 mm
|
355 kN
|
| ||
|
Art:
HSR 85HB
Kopieret
|
215 mm
|
367 kN
|
110 mm
|
303 mm
|
464 kN
|
| ||
|
Art:
HSR 85LA
Kopieret
|
215 mm
|
367 kN
|
110 mm
|
303 mm
|
464 kN
|
| ||
|
Art:
HSR 85LB
Kopieret
|
215 mm
|
367 kN
|
110 mm
|
303 mm
|
464 kN
|
| ||
|
Art:
HSR 85LR
Kopieret
|
156 mm
|
367 kN
|
110 mm
|
303 mm
|
464 kN
|
| ||
|
Art:
HSR 85R
Kopieret
|
156 mm
|
304 kN
|
110 mm
|
245,6 mm
|
355 kN
|
| ||
|
Art:
HSR 100HA
Kopieret
|
250 mm
|
441 kN
|
120 mm
|
334 mm
|
540 kN
|
| ||
|
Art:
HSR 100HB
Kopieret
|
250 mm
|
441 kN
|
120 mm
|
334 mm
|
540 kN
|
| ||
|
Art:
HSR 100HR
Kopieret
|
200 mm
|
441 kN
|
120 mm
|
334 mm
|
540 kN
|
| ||
|
Art:
HSR 120HA
Kopieret
|
290 mm
|
540 kN
|
130 mm
|
365 mm
|
653 kN
|
| ||
|
Art:
HSR 120HB
Kopieret
|
290 mm
|
540 kN
|
130 mm
|
365 mm
|
653 kN
|
| ||
|
Art:
HSR 120HR
Kopieret
|
220 mm
|
540 kN
|
130 mm
|
365 mm
|
653 kN
|
| ||
|
Art:
HSR 150HA
Kopieret
|
350 mm
|
518 kN
|
145 mm
|
396 mm
|
728 kN
|
| ||
|
Art:
HSR 150HB
Kopieret
|
350 mm
|
518 kN
|
145 mm
|
396 mm
|
728 kN
|
| ||
|
Art:
HSR 150HR
Kopieret
|
266 mm
|
518 kN
|
145 mm
|
396 mm
|
728 kN
|
|
Vælg en variant på listen
Paw Christensen