DATASENSING

M18 udvidet tasteafstand

Induktiv sensor

Induktive sensorer bruges til aftastning for impuls- eller bevægelsesaftasting for metalgenstande. Sensoren har ingen bevægelige dele og er derfor velegnet til applikationer med høje kontaktfrekvenser. Den kompakte størrelse gør den let at montere, og den berøringsfri aftastning gør, at sensoren ikke slides mekanisk.

  • Med 8 og 14 mm tasteafstand
  • LED-indikering
  • Kabel eller M12-tilslutning

Udvalgt variant

Udvalgt variant

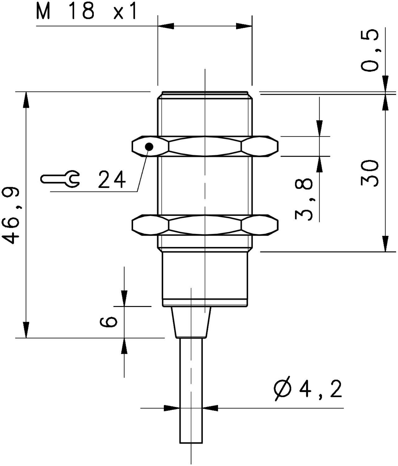
Specifikationer

12694_Output function NO
Elektrisk tilslutning Indstøbt kabel 2m
Forsyningsspænding 10-30 V DC
IP-klasse IP67
Kabellængde 2000 mm
LED-indikering Ja
Materiale hus Forniklet messing
Montering Indbygningsbar
Reaktionstid 75 ms
Størrelse M18
Tasteafstand 8 mm
Temperaturområde fra -25 °C
Temperaturområde til 70 °C
Type sensor Induktiv
Udgang PNP
Udgangsstrøm max 0,2 A
Vægt 145 g

Mål & tilslutninger

Produktbeskrivelse

Induktive sensorer bruges til aftastning for impuls- eller bevægelsesaftasting for metalgenstande. Sensoren har ingen bevægelige dele og er derfor velegnet til applikationer med høje kontaktfrekvenser. Den kompakte størrelse gør den let at montere, og den berøringsfri aftastning gør, at sensoren ikke slides mekanisk.

Tilbehør

Relaterede produkter

Dis sensor istedet for kviksølvsafbrydere
Tips og guides

Derfor skal du skifte fra kviksølvsafbrydere til DIS-sensorer

I mange år har kviksølvsafbrydere været anvendt i industrien, særligt i lifte og andre tunge maskiner, på grund af deres pålidelighed og holdbarhed. Men med stigende fokus på miljø- og sundhedsrisici er det blevet afgørende at erstatte dem med sikrere alternativer som DIS-sensorer.

Senseca opkober to virksomheder_front
Produktnyheder

Senseca styrker sin position med strategiske opkøb

Senseca styrker sin position med opkøbet af Biral og Geonica, der bringer ekspertise inden for miljømåling og sensorteknologi. Dette strategiske skridt kombinerer avanceret teknologi og bæredygtige løsninger til Smart City-udvikling, vedvarende energi og præcisionsmålinger.

Lær mere om fødevarer_Listing
Tips og guides

Fødevarer - Hygiejne & proceskontrol

Når det kommer til komponenter, der skal anvendes i fødevareproduktion, sætter vi kvalitet og sikkerhed i højsædet for at sikre, at de lever op til de højeste standarder og følger branchens regler. Ved valg af komponenter er materialevalg, korrekt godkendelse, kompatibilitet og pålidelighed helt afgørende faktorer i denne branche. Hver komponent skal vælges omhyggeligt og tilpasses for at imødekomme de strenge krav, der stilles.

Tips og guides

Lær mere om strømforsyninger

Vi tilbyder et komplet sortiment af strømforsyninger, redundante systemer, DC-UPS og en række specialtilpassede enheder til f.eks. eksplosionsfarlige miljøer (ATEX) eller NEC class 2-kredsløb fra vores producent PULS. Strømforsyninger til 110 V DC indspænding med strømkapacitet fra 0,6 A op til 20 A (24 V DC).

Smart-Line af Zimmerlin
Produktnyheder

Tankdæksler på rekordtid med Smart-Line

Nu kan du få præfabrikerede og konfigurerbare trykdæksler leveret på kun 2 uger – en hurtig og fleksibel løsning, der sparer dig både tid og besvær.

XV Ventiltermial
Produktnyheder

Modulær ventilterminal fra Aventics – XV-serien

Aventics XV-serie fra Emerson muliggør øget fleksibilitet og effektivitet i produktionssystemer. Den moderne ventilteknologi i denne serie forbedrer udnyttelsen af trykluft og optimerer ydeevnen i pneumatiske systemer. Med sit kompakte design sparer XV-serien plads i styreskabet, samtidig med at ventilerne har lang levetid og kræver minimal vedligeholdelse. Dette giver øget oppetid og gør serien til et fremragende valg for nutidens krævende produktionsmiljøer.

Favoritter Artikler 12694_Output function Elektrisk tilslutning Kabellængde Montering Tasteafstand Temperaturområde til Vægt Pris
NO
Indstøbt kabel 2m
2000 mm
Indbygningsbar
8 mm
70 °C
145 g
NO
4-polet kontakt M12 stik
Indbygningsbar
8 mm
60 °C
95 g
NC
Indstøbt kabel 2m
2000 mm
Indbygningsbar
8 mm
70 °C
145 g
NC
4-polet kontakt M12 stik
Indbygningsbar
8 mm
60 °C
95 g
NO
Indstøbt kabel 2m
2000 mm
Ikke indbygningsbar
14 mm
70 °C
145 g
NO
4-polet kontakt M12 stik
Ikke indbygningsbar
14 mm
60 °C
95 g
NC
Indstøbt kabel 2m
2000 mm
Ikke indbygningsbar
14 mm
70 °C
145 g
NC
4-polet kontakt M12 stik
Ikke indbygningsbar
14 mm
60 °C
95 g

Udvalgt variant

Vælg en variant på listen

Teknisk rådgivning

Mathias Aarslev

Kundeservice
Har du har brug for hjælp? Kontakt os:
Har du brug for hjælp? Klik her!
Logo

COOKIE-INDSTILLINGER FOR OEMKLITSO.DK

Cookies hjælper os med at forbedre din oplevelse med os. Så for at kunne analysere trafikken, håndtere loginoplysninger, tilbyde dig personlige oplysninger og for at grundlæggende funktionalitet kan fungere på webssitet, skal vi bruge nogle cookies.

NØDVENDIGE COOKIES

Disse cookies er nødvendige for, at webstedet fungerer og kan ikke slås fra i vores systemer. De bruges normalt kun som reaktion på handlinger, du har foretaget i forbindelse med en serviceanmodning, f.eks. Når du angiver personlige præferencer, logger ind eller udfylder en formular.

ANALYSE OG MÅLING

Disse cookies giver os mulighed for at tælle antallet af besøg og trafikkilder, så vi kan måle og forbedre vores websteds ydeevne. De hjælper os med at vide, hvilke sider der er mere eller mindre populære, og hvordan besøgende navigerer rundt på webstedet. De oplysninger, som disse cookies indsamler, er aggregerede og derfor helt anonyme. Hvis du ikke tillader disse cookies, ved vi ikke, hvornår du har besøgt vores websted.

MARKEDSFØRING

Disse cookies kan tilføjes af vores partnere. De kan bruge dem til at oprette en profil af dig baseret på dine interesser for at vise dig mere relevante oplysninger. De gemmer ingen personlige oplysninger - kun oplysninger om din browser og enhed. Hvis du ikke accepterer disse cookies, får du en mere generel og mindre tilpasset brugeroplevelse.