GELBAU

Styreenhed

452.4/462,4

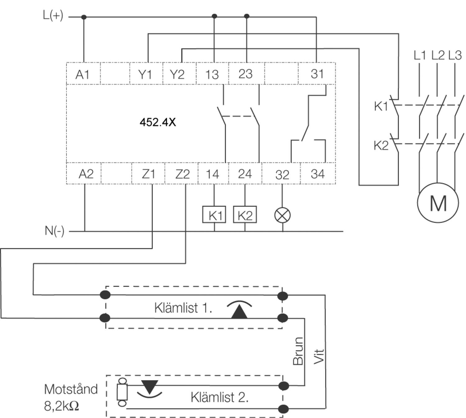
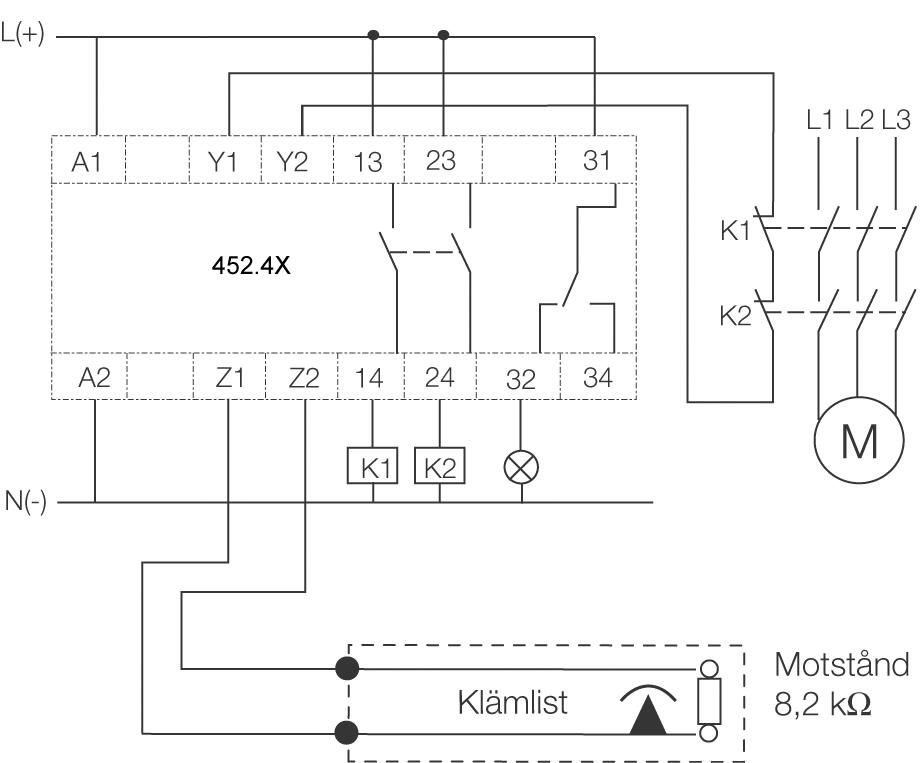
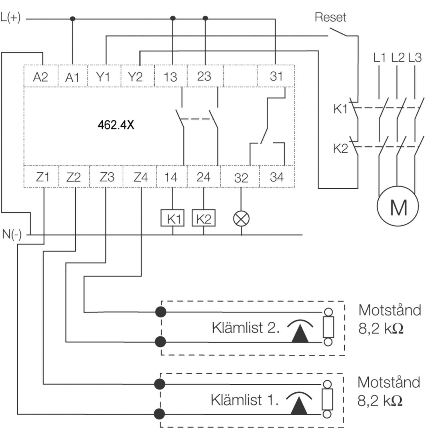
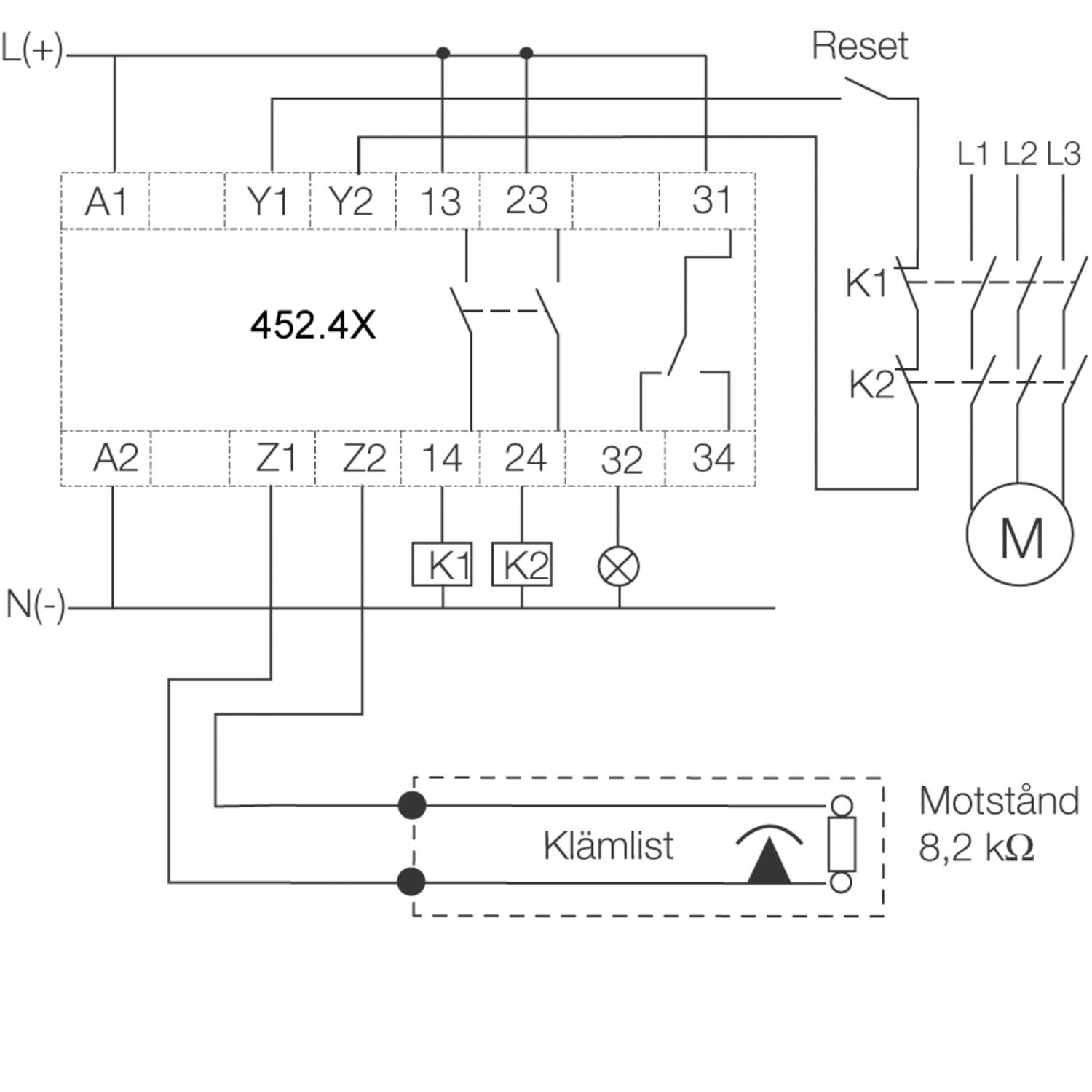
Kompakt styreenhed med kun 22,5 mm hus til overvågning af klemlister i farlige applikationer. Den er også egnet til brug på overvågede låger, som iht. standarden skal have relæer iht. sikkerhedskategori 3. En lav strøm sendes fra styreenhedens konnektorer (Z1 og Z2) gennem klemlisten og der dannes en sluttet kreds via modstand (8.2 kΩ). Styreenhedens udgange bryder strømmen, hvis en/noget trykker på klemlisterne og også efter en kortslutning eller åben kreds.

 

 

 

  • 2 NO+1 CO udgang
  • Sikkerhedskategori 3 iht. EN954-1
  • Automatisk eller manuel nulstilling
  • Fås med variabel forsyningsspænding

Udvalgt variant

Udvalgt variant

Specifikationer

Elektriske data

Effektforbrug 3 W
Kontaktspænding max 250 V AC/24 V DC
Kontaktstrøm max 4 A AC/DC
Forsyningsspænding 24 V DC
Tolerance max 10 %
Tolerance min -15 %
Fuse output 4 A
Disconnection 15 ms

Dimensioner

Cable length to clip list max 50 m (min. 0,5 m2)
Terminal Strip længde Max 100 m

*Invisible Heading*

Omgivelsestemperatur fra -20 °C
Omgivelsestemperatur til 55 °C
Montering DIN-skinne

Godkendelser

Godkendelser CE, TÜV NORD
IP klasse tilslutning IP20
IP-klasse hus IP40
PL e enl. SS-EN ISO 13849-1:2008
I henhold til EMC, LVD, MD

Downloads

Mål & tilslutninger

Produktbeskrivelse

Kompakt styreenhed med kun 22,5 mm hus til overvågning af klemlister i farlige applikationer. Den er også egnet til brug på overvågede låger, som iht. standarden skal have relæer iht. sikkerhedskategori 3. En lav strøm sendes fra styreenhedens konnektorer (Z1 og Z2) gennem klemlisten og der dannes en sluttet kreds via modstand (8.2 kΩ). Styreenhedens udgange bryder strømmen, hvis en/noget trykker på klemlisterne og også efter en kortslutning eller åben kreds.

 

 

 

Tilbehør

Relaterede produkter

Auer Smart Signal_Portraet
Produktnyheder

Næste niveau af industriel varsling

En ny produktserie fra Auer Signal lanceres i løbet af 2025, og de første modeller er nu klar til markedet. Serien er kendetegnet ved høj ydeevne, fleksibilitet og smarte funktioner – alt samlet i et moderne og robust design.

Produktnyheder

Vores sikkerhedsradar fra Inxpect kan nu nemt samarbejde med Universal Robots

Sikkerhedsradarene kommer nu med et officielt URCap plugin. Både programmører og slutbrugere vil have stor gavn af den strømlinede integration mellem Inxpect-sensorer og UR-robotter.

x guard maskinafskaermning
Produktnyheder

X‑Guard maskinafskærmning – fleksible og sikre hegnsystemer til industrien.

At beskytte både mennesker og maskiner er en selvfølge i et sikkert og effektivt produktionsmiljø. Med X‑Guard maskinafskærmning fra Axelent tilbyder vi hos OEM Automatic Klitsø et komplet, modulært og brugervenligt hegnsystem, der opfylder alle gældende krav til maskinsikkerhed og standarder. X‑Guard er udviklet med tre tydelige grundprincipper: fleksibilitet, enkel montering og høj sikkerhed. Resultatet er et smart og velafprøvet system, som i dag er et af markedets mest populære maskinafskærmninger til industrielle miljøer.

Liag ventil Listing
Produktnyheder

Hygiejniske ventiler fra LIAG – effektiv produktgenvinding og hygiejne i én løsning

I fødevare-, kosmetik- og farmaceutisk industri er der høje krav til hygiejne og effektivitet. Når du arbejder med viskose produkter, pastøse medier eller væsker med partikler, er det afgørende at have en ventil, der sikrer fuld passage, nem rengøring på stedet (CIP) og minimal vedligeholdelse.

Lær mere om fødevarer_Listing
Tips og guides

Fødevarer - Hygiejne & proceskontrol

Når det kommer til komponenter, der skal anvendes i fødevareproduktion, sætter vi kvalitet og sikkerhed i højsædet for at sikre, at de lever op til de højeste standarder og følger branchens regler. Ved valg af komponenter er materialevalg, korrekt godkendelse, kompatibilitet og pålidelighed helt afgørende faktorer i denne branche. Hver komponent skal vælges omhyggeligt og tilpasses for at imødekomme de strenge krav, der stilles.

Tips og guides

Lær mere om strømforsyninger

Vi tilbyder et komplet sortiment af strømforsyninger, redundante systemer, DC-UPS og en række specialtilpassede enheder til f.eks. eksplosionsfarlige miljøer (ATEX) eller NEC class 2-kredsløb fra vores producent PULS. Strømforsyninger til 110 V DC indspænding med strømkapacitet fra 0,6 A op til 20 A (24 V DC).

Favoritter Artikler Forsyningsspænding Pris
24 V DC
230 V AC
24 V DC
230 V AC
24-230 V AC/24-110 V DC
24-230 V AC/24-110 V DC

Udvalgt variant

Vælg en variant på listen

Kundeservice
Har du har brug for hjælp? Kontakt os:
Har du brug for hjælp? Klik her!
Logo

COOKIE-INDSTILLINGER FOR OEMKLITSO.DK

Cookies hjælper os med at forbedre din oplevelse med os. Så for at kunne analysere trafikken, håndtere loginoplysninger, tilbyde dig personlige oplysninger og for at grundlæggende funktionalitet kan fungere på webssitet, skal vi bruge nogle cookies.

NØDVENDIGE COOKIES

Disse cookies er nødvendige for, at webstedet fungerer og kan ikke slås fra i vores systemer. De bruges normalt kun som reaktion på handlinger, du har foretaget i forbindelse med en serviceanmodning, f.eks. Når du angiver personlige præferencer, logger ind eller udfylder en formular.

ANALYSE OG MÅLING

Disse cookies giver os mulighed for at tælle antallet af besøg og trafikkilder, så vi kan måle og forbedre vores websteds ydeevne. De hjælper os med at vide, hvilke sider der er mere eller mindre populære, og hvordan besøgende navigerer rundt på webstedet. De oplysninger, som disse cookies indsamler, er aggregerede og derfor helt anonyme. Hvis du ikke tillader disse cookies, ved vi ikke, hvornår du har besøgt vores websted.

MARKEDSFØRING

Disse cookies kan tilføjes af vores partnere. De kan bruge dem til at oprette en profil af dig baseret på dine interesser for at vise dig mere relevante oplysninger. De gemmer ingen personlige oplysninger - kun oplysninger om din browser og enhed. Hvis du ikke accepterer disse cookies, får du en mere generel og mindre tilpasset brugeroplevelse.