CROUZET

Tidsrelæ til DIN-skinne

1-polet (22,5 mm)

Tidsrelæer med syv forskellige funktionsvarianter, hvoraf TUR1 er et flerfunktionsrelæ med funktioner som f.eks. A, B, C, D, Di, H, At, Ht, Ac og Bw. Til funktionerne D/Di og Ac er aktiverings- og deaktiveringstider ens (ét håndtag). Funktionen L/Li har valgfrie tider. En ekstern last kan tilsluttes parallelt med kontrolindgangen (Y1). Direkte aflæsning af tid med to valgfrie skalaer. Alle indstillinger findes på forsiden, dvs. de er tilgængelige for ændringer efter installation. Monteret på DIN-skinne. Etiket på forsiden til egne tekster. Grøn lysdiode angiver tilsluttet forsyningsspænding dvs. blinker ved tidsberegning. Gul lysdiode angiver, at relæet er aktiveret. Ingen opspænding til andre spændinger.

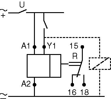
Drawings on functions to T-R1

 

Tekniske data

Forsyningsspænding

24 V DC, 24-240 V AC (50/60 Hz)

Effektforbrug

0,6 W ved 24 V DC
1,5 W ved 24 V AC
32 VA ved 230 V AC

Tidsinterval

0,1-1 s, 1-10 s, 0,1-1 m, 1-10 m
0,1-1 t, 1-10 t, 10-100 t

TQR

20/40/60/80/100/120/140 ms

Repetitionsnøjagtighed

±0,5 % (under stabile forhold)

Driftsområde

0,85-115 % af Un

Pulstid

30 ms (100 ms med last)

Nulstillingstid

100 ms

Relæudgang

Enkeltpolet, skifte AgNi (cadmiumfri)

Brydekapacitet

2000 VA/80 W

Maks. strømstyrke

8 A AC1

Min. strømstyrke

10 mA/5 V DC

Elektrisk levetid

105tilslutninger ved 8 A 250 V (resistiv last)

Levetid

5x106tilslutninger

Beskyttelsesklasse

tilslutning

IP20

hus

IP40

front :

IP50

Temperatur

drift

-20 °C til +60 °C

opbevaring

-30 °C til +60 °C

Kabeltværsnit

med krave

2x1,5 mm²

uden krave

2x2,5 mm²

Husmateriale

Selvslukkende (halogenfri)

Vægt

90 g

Godkendelse

Ce-marking, UL file-nummer E198086, Approved of CSA

CE-mærket ifølge

CEI 1812-1, 89/336/EØF

EMC

EN50081-1/2, EN50082-1/2

LVD

73/23/CEE, 93/68/EØF

Montering

DIN-skinne (35 mm)

 

Mål

Dimensions

 

Tilslutning

Connection

Connection

Connection

Funktion: A-At, H-Ht, B, C, Di-D, Ac, B-Bw

Li:
L:
Connection, strap

Q

 

Best.nr.

Bestillingsnr.

Beskrivelse

Funktion

Spænding

88865100

TUR4, 1-polet, flerfunktions

A, Ac, At, B, Bw, C, D, Di, H, Ht

12 V AC/DC

88865103

TUR3, 1-polet, flerfunktions

A, Ac, At, B, Bw, C, D, Di, H, Ht

12-240 V AC/DC

88865105

TUR1, 1-polet, flerfunktions

A, Ac, At, B, Bw, C, D, Di, H, Ht

24 V DC, 24/240 V AC

88865115

TAR1, 1-polet, aktiveringsforsinkelse

A, At

24 V DC, 24/240 V AC

88865125

TBR1, 1-polet, justerbar pulslængde

B

24 V DC, 24/240 V AC

88865135

TCR1, 1-polet, deaktiveringsforsinkelse

C

24 V DC, 24/240 V AC

88865145

THR1, 1-polet, inv. aktivering

H, Ht

24 V DC, 24/240 V AC

88865155

TLR1, 1-polet, pause-/driftstid

L, Li

24 V DC, 24/240 V AC

88865175

TQR1, 1-polet, Y/D-start

Q

24 V DC, 24/240 V AC

88865176

TQR6, 1-polet, Y/D-start

Q

230 V AC, 380, 440 V AC

 

  • Multi-/enkeltfunktion
  • 7 tidsintervaller: 0,1 sek – 100 timer
  • Multiindgangsspænding
  • 22,5 mm bred

Udvalgt variant

Udvalgt variant

Specifikationer

Produktbeskrivelse

Tidsrelæer med syv forskellige funktionsvarianter, hvoraf TUR1 er et flerfunktionsrelæ med funktioner som f.eks. A, B, C, D, Di, H, At, Ht, Ac og Bw. Til funktionerne D/Di og Ac er aktiverings- og deaktiveringstider ens (ét håndtag). Funktionen L/Li har valgfrie tider. En ekstern last kan tilsluttes parallelt med kontrolindgangen (Y1). Direkte aflæsning af tid med to valgfrie skalaer. Alle indstillinger findes på forsiden, dvs. de er tilgængelige for ændringer efter installation. Monteret på DIN-skinne. Etiket på forsiden til egne tekster. Grøn lysdiode angiver tilsluttet forsyningsspænding dvs. blinker ved tidsberegning. Gul lysdiode angiver, at relæet er aktiveret. Ingen opspænding til andre spændinger.

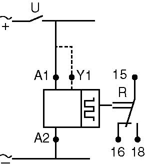
Drawings on functions to T-R1

 

Tekniske data

Forsyningsspænding

24 V DC, 24-240 V AC (50/60 Hz)

Effektforbrug

0,6 W ved 24 V DC
1,5 W ved 24 V AC
32 VA ved 230 V AC

Tidsinterval

0,1-1 s, 1-10 s, 0,1-1 m, 1-10 m
0,1-1 t, 1-10 t, 10-100 t

TQR

20/40/60/80/100/120/140 ms

Repetitionsnøjagtighed

±0,5 % (under stabile forhold)

Driftsområde

0,85-115 % af Un

Pulstid

30 ms (100 ms med last)

Nulstillingstid

100 ms

Relæudgang

Enkeltpolet, skifte AgNi (cadmiumfri)

Brydekapacitet

2000 VA/80 W

Maks. strømstyrke

8 A AC1

Min. strømstyrke

10 mA/5 V DC

Elektrisk levetid

105tilslutninger ved 8 A 250 V (resistiv last)

Levetid

5x106tilslutninger

Beskyttelsesklasse

tilslutning

IP20

hus

IP40

front :

IP50

Temperatur

drift

-20 °C til +60 °C

opbevaring

-30 °C til +60 °C

Kabeltværsnit

med krave

2x1,5 mm²

uden krave

2x2,5 mm²

Husmateriale

Selvslukkende (halogenfri)

Vægt

90 g

Godkendelse

Ce-marking, UL file-nummer E198086, Approved of CSA

CE-mærket ifølge

CEI 1812-1, 89/336/EØF

EMC

EN50081-1/2, EN50082-1/2

LVD

73/23/CEE, 93/68/EØF

Montering

DIN-skinne (35 mm)

 

Mål

Dimensions

 

Tilslutning

Connection

Connection

Connection

Funktion: A-At, H-Ht, B, C, Di-D, Ac, B-Bw

Li:
L:
Connection, strap

Q

 

Best.nr.

Bestillingsnr.

Beskrivelse

Funktion

Spænding

88865100

TUR4, 1-polet, flerfunktions

A, Ac, At, B, Bw, C, D, Di, H, Ht

12 V AC/DC

88865103

TUR3, 1-polet, flerfunktions

A, Ac, At, B, Bw, C, D, Di, H, Ht

12-240 V AC/DC

88865105

TUR1, 1-polet, flerfunktions

A, Ac, At, B, Bw, C, D, Di, H, Ht

24 V DC, 24/240 V AC

88865115

TAR1, 1-polet, aktiveringsforsinkelse

A, At

24 V DC, 24/240 V AC

88865125

TBR1, 1-polet, justerbar pulslængde

B

24 V DC, 24/240 V AC

88865135

TCR1, 1-polet, deaktiveringsforsinkelse

C

24 V DC, 24/240 V AC

88865145

THR1, 1-polet, inv. aktivering

H, Ht

24 V DC, 24/240 V AC

88865155

TLR1, 1-polet, pause-/driftstid

L, Li

24 V DC, 24/240 V AC

88865175

TQR1, 1-polet, Y/D-start

Q

24 V DC, 24/240 V AC

88865176

TQR6, 1-polet, Y/D-start

Q

230 V AC, 380, 440 V AC

 

Tilbehør

Kabelgennemføring
Produktnyheder

ORGANISÉR DINE KABLER MED VORES KABELGENNEMFØRINGSSYSTEM FRA CONTA-CLIP 

Lær mere om, hvordan innovative kabelgennemføringssystemer kan imødekomme nutidens industrielle udfordringer ved at spare tid, forenkle installationen og tilbyde enestående fleksibilitet. Følg med, når vi dykker ned i, hvordan vores kabelgennemføringssystemer fra Conta-Clip påvirker industrielle installationer

Auer Smart Signal_Portraet
Produktnyheder

Næste niveau af industriel varsling

En ny produktserie fra Auer Signal lanceres i løbet af 2025, og de første modeller er nu klar til markedet. Serien er kendetegnet ved høj ydeevne, fleksibilitet og smarte funktioner – alt samlet i et moderne og robust design.

XV Ventiltermial
Produktnyheder

Modulær ventilterminal fra Aventics – XV-serien

Aventics XV-serie fra Emerson muliggør øget fleksibilitet og effektivitet i produktionssystemer. Den moderne ventilteknologi i denne serie forbedrer udnyttelsen af trykluft og optimerer ydeevnen i pneumatiske systemer. Med sit kompakte design sparer XV-serien plads i styreskabet, samtidig med at ventilerne har lang levetid og kræver minimal vedligeholdelse. Dette giver øget oppetid og gør serien til et fremragende valg for nutidens krævende produktionsmiljøer.

Omkostningseffektiv niveaumåling
Produktnyheder

Omkostningseffektiv og pålidelig niveaumåling med Rosemount 1208 niveau- og flowradar

Efterhånden som kravene til pålidelig niveau- og flowmåling stiger, bliver behovet for smartere og mere robust teknologi stadig vigtigere. Med Rosemount 1208 niveau- og flowradar præsenterer vi hos OEM Automatic en ny, berøringsfri niveauradar, der kombinerer høj præcision med nem installation – uanset om det er vand, havre eller kemikalier.

Tescom Trykregulatorer
Produktnyheder

TESCOM MULTI-PURPOSE TRYKREGULATORER

Vi tilbyder et bredt udvalg af Tescom trykregulatorer, der dækker alt fra laboratorieanalyser til industrielle gasinstallationer. Tescom er kendt for sin høje kvalitet, fleksibilitet og pålidelighed – uanset om du arbejder med brandfarlige gasser, kalibreringsudstyr eller trykpaneler.

Accredia logo
Produktnyheder

Senseca Italy Calibration Center opdaterer akkrediteringsnummer og logo

Fra og med 2025 har ACCREDIA introduceret et nyt logo og ændret logikken for tildeling af akkrediteringsnumre til kalibreringslaboratorier. Som følge heraf er Sensecas akkrediteringsnummer nu 00171, hvilket erstatter det tidligere LAT 124.

Senseca har fuldført denne opdatering inden den officielle deadline den 30. september 2025, og vi er glade for at kunne informere om, at alle nødvendige tilpasninger er implementeret.

Favoritter Artikler Pris

Udvalgt variant

Vælg en variant på listen

Teknisk rådgivning

Lars Bogetoft Christensen

Kundeservice
Har du har brug for hjælp? Kontakt os:
Har du brug for hjælp? Klik her!
Logo

COOKIE-INDSTILLINGER FOR OEMKLITSO.DK

Cookies hjælper os med at forbedre din oplevelse med os. Så for at kunne analysere trafikken, håndtere loginoplysninger, tilbyde dig personlige oplysninger og for at grundlæggende funktionalitet kan fungere på webssitet, skal vi bruge nogle cookies.

NØDVENDIGE COOKIES

Disse cookies er nødvendige for, at webstedet fungerer og kan ikke slås fra i vores systemer. De bruges normalt kun som reaktion på handlinger, du har foretaget i forbindelse med en serviceanmodning, f.eks. Når du angiver personlige præferencer, logger ind eller udfylder en formular.

ANALYSE OG MÅLING

Disse cookies giver os mulighed for at tælle antallet af besøg og trafikkilder, så vi kan måle og forbedre vores websteds ydeevne. De hjælper os med at vide, hvilke sider der er mere eller mindre populære, og hvordan besøgende navigerer rundt på webstedet. De oplysninger, som disse cookies indsamler, er aggregerede og derfor helt anonyme. Hvis du ikke tillader disse cookies, ved vi ikke, hvornår du har besøgt vores websted.

MARKEDSFØRING

Disse cookies kan tilføjes af vores partnere. De kan bruge dem til at oprette en profil af dig baseret på dine interesser for at vise dig mere relevante oplysninger. De gemmer ingen personlige oplysninger - kun oplysninger om din browser og enhed. Hvis du ikke accepterer disse cookies, får du en mere generel og mindre tilpasset brugeroplevelse.