CROUZET

Tidsrelæ til DIN-skinne

2-polet

Tidsrelæ med to forskellige tidsvarianter: TA2 (aktiveringsforsinkelse) og TK2 (deaktiveringsforsinkelse uden forsyningsspænding). Topolet relæudgang. Direkte aflæsning af tid med to valgfrie skalaer. Grøn lysdiode angiver tilsluttet forsyningsspænding. Blinker ved tidsberegning. Gul lysdiode angiver, at relæet er aktiveret. Alle indstillinger findes på forsiden, dvs. de er tilgængelige for ændringer efter installation. Monteret på DIN-skinne. Etiket på forsiden til egne tekster. Ingen opspænding til andre spændinger.

Funktion A
Aktiveringsforsinkelse

Funktion At
Aktiveringsforsinkelse, akkumuleret tid (blokering)

Funktion K
Deaktiveringsforsinkelse uden forsyningsspænding

Function drawing A

Function drawing At

Function drawing K

 

Tekniske data

Forsyningsspænding

24 V DC, 24-240 V AC (50-60 Hz)

Driftsområde

0,85-115 % af Un

Effektforbrug

0,6 W ved 24 V DC
1,5 W ved 24 V AC
32 VA ved 230 V AC

Tidsinterval

(TA2) 0,1-1 s, 1-10 s, 0,1-1 m, 1-10 m
0,1-1 t, 1-10 t, 10-100 t

Tidsinterval

(TK2) 0,06-0,6 s, 0,25-2,5 s, 2-20 s, 16-160 s

Repetitionsnøjagtighed

±0,5 % (under stabile forhold)

Pulstid

30 ms (100 ms med last)

Nulstillingstid

100 ms

Relæudgang

Topolet, skifte (cadmiumfri)

Brydekapacitet

2000 VA/80 W

Maks. strømstyrke

8 A AC1

Min. strømstyrke

10 mA/5 V DC

Elektrisk levetid

105tilslutninger ved 8 A 250 V (resistiv last)

Levetid

5x106tilslutninger

Beskyttelsesklasse

tilslutning

IP20

hus

IP40

front

IP50 (ikke TK2R1)

Temperatur

drift

-20 °C til +60 °C

opbevaring

-30 °C til +60 °C

Kabeltværsnit

med krave

2x1,5 mm²

uden krave

2x2,5 mm²

Husmateriale

Selvslukkende (halogenfri)

Vægt

90 g

Godkendelse

Ce-marking, UL file-nummer E198086, Approved of CSA

CE-mærket ifølge

CEI 1812-1, 89/336/EØF

EMC

EN50081-1/2, EN50082-1/2

LVD

73/23/CEE, 93/68/EØF

Montering

DIN-skinne (35 mm)

 

Mål

Dimensions

 

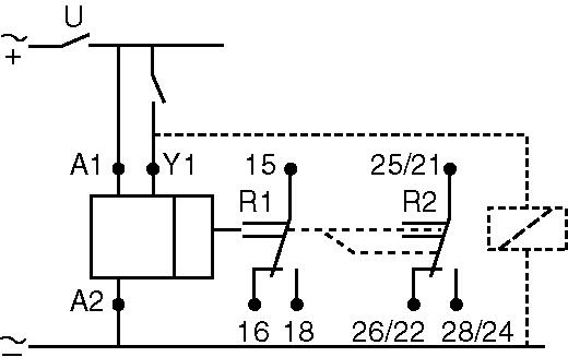
Tilslutning

Connection function A-At

Connection function K

Funktion: A-At

Funktion K

 

Best.nr.

Bestillingsnr.

Beskrivelse

Funktion

Spænding

88865215

TA2R1, 2-polet, aktiveringsforsinkelse, 0,1 s-100 t

A-At

24 V DC, 24-240 V AC

88865265

TK2R1, deaktivering uden effekt, 0,06 s-160 s

K

24 V DC, 24-240 V AC

 

  • Enkeltfunktion
  • 7 tidsintervaller 0,1 sek – 100 timer (TA2R1)
  • Multiindgangsspænding: 24 V DC, 24-240 V AC
  • 22,5 mm bred

Udvalgt variant

Timerelay for DIN rail, 2-pole

TIDR. TA2R1 24VDC, 24-240VAC

Art:

Udvalgt variant

Specifikationer

Produktbeskrivelse

Tidsrelæ med to forskellige tidsvarianter: TA2 (aktiveringsforsinkelse) og TK2 (deaktiveringsforsinkelse uden forsyningsspænding). Topolet relæudgang. Direkte aflæsning af tid med to valgfrie skalaer. Grøn lysdiode angiver tilsluttet forsyningsspænding. Blinker ved tidsberegning. Gul lysdiode angiver, at relæet er aktiveret. Alle indstillinger findes på forsiden, dvs. de er tilgængelige for ændringer efter installation. Monteret på DIN-skinne. Etiket på forsiden til egne tekster. Ingen opspænding til andre spændinger.

Funktion A
Aktiveringsforsinkelse

Funktion At
Aktiveringsforsinkelse, akkumuleret tid (blokering)

Funktion K
Deaktiveringsforsinkelse uden forsyningsspænding

Function drawing A

Function drawing At

Function drawing K

 

Tekniske data

Forsyningsspænding

24 V DC, 24-240 V AC (50-60 Hz)

Driftsområde

0,85-115 % af Un

Effektforbrug

0,6 W ved 24 V DC
1,5 W ved 24 V AC
32 VA ved 230 V AC

Tidsinterval

(TA2) 0,1-1 s, 1-10 s, 0,1-1 m, 1-10 m
0,1-1 t, 1-10 t, 10-100 t

Tidsinterval

(TK2) 0,06-0,6 s, 0,25-2,5 s, 2-20 s, 16-160 s

Repetitionsnøjagtighed

±0,5 % (under stabile forhold)

Pulstid

30 ms (100 ms med last)

Nulstillingstid

100 ms

Relæudgang

Topolet, skifte (cadmiumfri)

Brydekapacitet

2000 VA/80 W

Maks. strømstyrke

8 A AC1

Min. strømstyrke

10 mA/5 V DC

Elektrisk levetid

105tilslutninger ved 8 A 250 V (resistiv last)

Levetid

5x106tilslutninger

Beskyttelsesklasse

tilslutning

IP20

hus

IP40

front

IP50 (ikke TK2R1)

Temperatur

drift

-20 °C til +60 °C

opbevaring

-30 °C til +60 °C

Kabeltværsnit

med krave

2x1,5 mm²

uden krave

2x2,5 mm²

Husmateriale

Selvslukkende (halogenfri)

Vægt

90 g

Godkendelse

Ce-marking, UL file-nummer E198086, Approved of CSA

CE-mærket ifølge

CEI 1812-1, 89/336/EØF

EMC

EN50081-1/2, EN50082-1/2

LVD

73/23/CEE, 93/68/EØF

Montering

DIN-skinne (35 mm)

 

Mål

Dimensions

 

Tilslutning

Connection function A-At

Connection function K

Funktion: A-At

Funktion K

 

Best.nr.

Bestillingsnr.

Beskrivelse

Funktion

Spænding

88865215

TA2R1, 2-polet, aktiveringsforsinkelse, 0,1 s-100 t

A-At

24 V DC, 24-240 V AC

88865265

TK2R1, deaktivering uden effekt, 0,06 s-160 s

K

24 V DC, 24-240 V AC

 

Tilbehør

Tips og guides

Lær mere om strømforsyninger

Vi tilbyder et komplet sortiment af strømforsyninger, redundante systemer, DC-UPS og en række specialtilpassede enheder til f.eks. eksplosionsfarlige miljøer (ATEX) eller NEC class 2-kredsløb fra vores producent PULS. Strømforsyninger til 110 V DC indspænding med strømkapacitet fra 0,6 A op til 20 A (24 V DC).

Kabelgennemføring
Produktnyheder

ORGANISÉR DINE KABLER MED VORES KABELGENNEMFØRINGSSYSTEM FRA CONTA-CLIP 

Lær mere om, hvordan innovative kabelgennemføringssystemer kan imødekomme nutidens industrielle udfordringer ved at spare tid, forenkle installationen og tilbyde enestående fleksibilitet. Følg med, når vi dykker ned i, hvordan vores kabelgennemføringssystemer fra Conta-Clip påvirker industrielle installationer

Auer Smart Signal_Portraet
Produktnyheder

Næste niveau af industriel varsling

En ny produktserie fra Auer Signal lanceres i løbet af 2025, og de første modeller er nu klar til markedet. Serien er kendetegnet ved høj ydeevne, fleksibilitet og smarte funktioner – alt samlet i et moderne og robust design.

x guard maskinafskaermning
Produktnyheder

X‑Guard maskinafskærmning – fleksible og sikre hegnsystemer til industrien.

At beskytte både mennesker og maskiner er en selvfølge i et sikkert og effektivt produktionsmiljø. Med X‑Guard maskinafskærmning fra Axelent tilbyder vi hos OEM Automatic Klitsø et komplet, modulært og brugervenligt hegnsystem, der opfylder alle gældende krav til maskinsikkerhed og standarder. X‑Guard er udviklet med tre tydelige grundprincipper: fleksibilitet, enkel montering og høj sikkerhed. Resultatet er et smart og velafprøvet system, som i dag er et af markedets mest populære maskinafskærmninger til industrielle miljøer.

Liag ventil Listing
Produktnyheder

Hygiejniske ventiler fra LIAG – effektiv produktgenvinding og hygiejne i én løsning

I fødevare-, kosmetik- og farmaceutisk industri er der høje krav til hygiejne og effektivitet. Når du arbejder med viskose produkter, pastøse medier eller væsker med partikler, er det afgørende at have en ventil, der sikrer fuld passage, nem rengøring på stedet (CIP) og minimal vedligeholdelse.

Lær mere om fødevarer_Listing
Tips og guides

Fødevarer - Hygiejne & proceskontrol

Når det kommer til komponenter, der skal anvendes i fødevareproduktion, sætter vi kvalitet og sikkerhed i højsædet for at sikre, at de lever op til de højeste standarder og følger branchens regler. Ved valg af komponenter er materialevalg, korrekt godkendelse, kompatibilitet og pålidelighed helt afgørende faktorer i denne branche. Hver komponent skal vælges omhyggeligt og tilpasses for at imødekomme de strenge krav, der stilles.

Teknisk rådgivning

Lars Bogetoft Christensen

Produktchef, El Automation

Kundeservice
Har du har brug for hjælp? Kontakt os:
Har du brug for hjælp? Klik her!
Logo

COOKIE-INDSTILLINGER FOR OEMKLITSO.DK

Cookies hjælper os med at forbedre din oplevelse med os. Så for at kunne analysere trafikken, håndtere loginoplysninger, tilbyde dig personlige oplysninger og for at grundlæggende funktionalitet kan fungere på webssitet, skal vi bruge nogle cookies.

NØDVENDIGE COOKIES

Disse cookies er nødvendige for, at webstedet fungerer og kan ikke slås fra i vores systemer. De bruges normalt kun som reaktion på handlinger, du har foretaget i forbindelse med en serviceanmodning, f.eks. Når du angiver personlige præferencer, logger ind eller udfylder en formular.

ANALYSE OG MÅLING

Disse cookies giver os mulighed for at tælle antallet af besøg og trafikkilder, så vi kan måle og forbedre vores websteds ydeevne. De hjælper os med at vide, hvilke sider der er mere eller mindre populære, og hvordan besøgende navigerer rundt på webstedet. De oplysninger, som disse cookies indsamler, er aggregerede og derfor helt anonyme. Hvis du ikke tillader disse cookies, ved vi ikke, hvornår du har besøgt vores websted.

MARKEDSFØRING

Disse cookies kan tilføjes af vores partnere. De kan bruge dem til at oprette en profil af dig baseret på dine interesser for at vise dig mere relevante oplysninger. De gemmer ingen personlige oplysninger - kun oplysninger om din browser og enhed. Hvis du ikke accepterer disse cookies, får du en mere generel og mindre tilpasset brugeroplevelse.