ASCO

Luftaktiveret 3/2-vejs sædeventil ½\" - 2\"

Serie E398

Differenstryk

0-40 bar

Maks. tilladt tryk

40 bar

Maks. viskositet

5.000 cSt (mm²/s)

Responstid

10-50 ms

Pilotmedie

Filtreret luft

Maks. pilottryk

10 bar

Min. pilottryk

Se diagram eller tabel under fanen "DIMENSIONER"

Medietemperatur

-10 °C til +250 °C

Omgivelsestemperatur

-10 °C til +180 °C

Medie

Neutrale og aggressive medier
Damp og overophedet vand

Design

 

Ventilkrop

Rustfrit

Ventiltætning

Grafit

Stempelstangstætning

PTFE chevron

Stempelstang

Rustfrit

Stempel

Rustfrit

Stempeltætning

Bronze PTFE

Aktuator

Aluminium (Nikkelbeklædt)

 

 

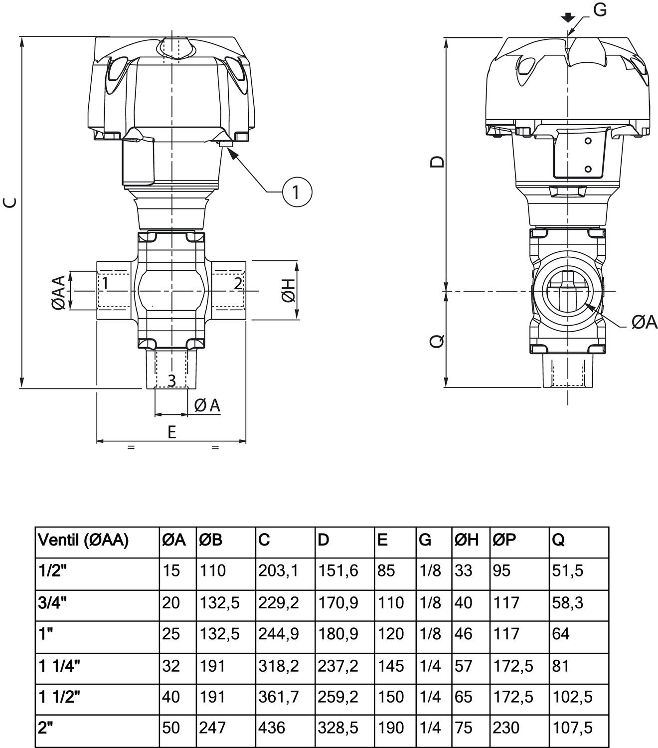
Dimensioner

 

Ventil (ØAA)

ØA

ØB

C

D

E

G

ØH

ØP

Q

Vægt (kg)

1/2"

15

110

203.1

151.6

85

1/8

33

95

51.5

1.88

3/4"

20

132.5

229.2

170.9

110

1/8

40

117

58.3

3.52

1"

25

132.5

244.9

180.9

120

1/8

46

117

64

4.24

1 1/4"

32

191

318.2

237.2

145

1/4

57

172.5

81

9.38

1 1/2"

40

191

361.7

259.2

150

1/4

65

172.5

102.5

11.9

2"

50

247

436

328.5

190

1/4

75

230

107.5

23.66

 

Best.nr.

Artikelnr.

Tilslutning

Lysning

Flow-faktor
Kv

Pilottryk
bar

Differenstryk
bar

Aktuator

Rustfrit ventilhus

 

 

Mixerfunktion

Fordelerfunktion

 

 

 

 

 

 

G

mm

(m³/h)

(m³/h)

(m³/h)

(m³/h)

min.

maks.

min.

Vand/olie/
damp

mm

U - Universel

3 –> 2

1 –> 2

2 –> 3

2 –> 1

 

 

 

 

 

E398A001

1/2

15

3.3

4.4

3.5

4.6

*

10

0

40

80

E398A002

3/4

20

8.0

7.4

8.1

7.7

*

10

0

40

100

E398A003

1

25

11.4

11.6

12.1

11.9

*

10

0

40

100

E398A004

1 1/4

32

18.9

16.6

17.9

16.6

*

10

0

40

150

E398A005

1 1/2

40

27

27

27

27

*

10

0

40

150

E398A006

2

50

51

51

51

51

*

10

0

40

200

Mulighed for versioner med svejse- eller flangetilslutning.



(*) Min. pilottryk afhænger af differenstrykket, se diagram under fanen "DIMENSIONER".

Specielle versioner

  • Pilotventil - SCG356A002VMS
  • Flangetilslutning
  • Svejsetilslutning

Tilbehør

  • Pilotventil
  • Alle flowretninger mulige. Også mixer funktion. (Universel)
  • Meget solid ventil med arbejdstryk 0 til 40 bar
  • Klarer medietemperaturer op til +250 °C.
  • Klarer viskositet op til 5.000 cSt (mm2/s)
  • Materiale i rustfrit stål og PTFE

Udvalgt variant

Udvalgt variant

Specifikationer

Differenstryk damp max 40 bar
Differenstryk luft max 40 bar
Differenstryk max 40 bar
Differenstryk min 0 bar
Differenstryk olie max 40 bar
Differenstryk vand max 40 bar
Funktion 1 3/2
Funktion 2 Universel
Gennemløb 15 mm
Godkendelser SIL2
Materiale aktuator Nikkelplateret aluminium
Materiale stempelstang Rustfrit stål
Materiale stempeltætning Bronze, PTFE
Materiale stuffing box Rustfrit stål
Materiale stuffing box tætning PTFE, karbonfyldt
Materiale tætninger Grafit
Materiale ventilhus Rustfrit stål 316L
Max tryk 40 bar
Medietemperatur fra -10 °C
Medietemperatur til 250 °C
Styretryk max 10 bar
Temperaturområde fra -25 °C
Temperaturområde til 180 °C
Tilslutning 1/2 BSP
Tilslutning luft 1/8 BSP
Type ventil Sædeventil
Vægt 1,88 kg
Viskositet max 5000 cSt

Produktbeskrivelse

Differenstryk

0-40 bar

Maks. tilladt tryk

40 bar

Maks. viskositet

5.000 cSt (mm²/s)

Responstid

10-50 ms

Pilotmedie

Filtreret luft

Maks. pilottryk

10 bar

Min. pilottryk

Se diagram eller tabel under fanen "DIMENSIONER"

Medietemperatur

-10 °C til +250 °C

Omgivelsestemperatur

-10 °C til +180 °C

Medie

Neutrale og aggressive medier
Damp og overophedet vand

Design

 

Ventilkrop

Rustfrit

Ventiltætning

Grafit

Stempelstangstætning

PTFE chevron

Stempelstang

Rustfrit

Stempel

Rustfrit

Stempeltætning

Bronze PTFE

Aktuator

Aluminium (Nikkelbeklædt)

 

 

Dimensioner

 

Ventil (ØAA)

ØA

ØB

C

D

E

G

ØH

ØP

Q

Vægt (kg)

1/2"

15

110

203.1

151.6

85

1/8

33

95

51.5

1.88

3/4"

20

132.5

229.2

170.9

110

1/8

40

117

58.3

3.52

1"

25

132.5

244.9

180.9

120

1/8

46

117

64

4.24

1 1/4"

32

191

318.2

237.2

145

1/4

57

172.5

81

9.38

1 1/2"

40

191

361.7

259.2

150

1/4

65

172.5

102.5

11.9

2"

50

247

436

328.5

190

1/4

75

230

107.5

23.66

 

Best.nr.

Artikelnr.

Tilslutning

Lysning

Flow-faktor
Kv

Pilottryk
bar

Differenstryk
bar

Aktuator

Rustfrit ventilhus

 

 

Mixerfunktion

Fordelerfunktion

 

 

 

 

 

 

G

mm

(m³/h)

(m³/h)

(m³/h)

(m³/h)

min.

maks.

min.

Vand/olie/
damp

mm

U - Universel

3 –> 2

1 –> 2

2 –> 3

2 –> 1

 

 

 

 

 

E398A001

1/2

15

3.3

4.4

3.5

4.6

*

10

0

40

80

E398A002

3/4

20

8.0

7.4

8.1

7.7

*

10

0

40

100

E398A003

1

25

11.4

11.6

12.1

11.9

*

10

0

40

100

E398A004

1 1/4

32

18.9

16.6

17.9

16.6

*

10

0

40

150

E398A005

1 1/2

40

27

27

27

27

*

10

0

40

150

E398A006

2

50

51

51

51

51

*

10

0

40

200

Mulighed for versioner med svejse- eller flangetilslutning.



(*) Min. pilottryk afhænger af differenstrykket, se diagram under fanen "DIMENSIONER".

Specielle versioner

  • Pilotventil - SCG356A002VMS
  • Flangetilslutning
  • Svejsetilslutning

Tilbehør

  • Pilotventil

Tilbehør

Relaterede produkter

Vi er nu distributør
Virksomhedsnyt

GAC Governors America Corp

Pr. 15. Februar 2026 er OEM Automatic Klitsø A/S dansk distributør for GAC (Governors America Corp.).

Powerstart Listing
Virksomhedsnyt

Powerstart Limited

Pr. 15. Februar 2026 er OEM Automatic Klitsø A/S dansk distributør for Powerstart Limited.

Skueglas og belysning Listing
Tips og guides

Procesovervågning til lukkede og krævende miljøer

Hos os får du gennemprøvede løsninger til procesovervågning og visuel inspektion i lukkede beholdere og anlæg. Sortimentet omfatter skueglas og belysning fra FH Papenmeier, udviklet til brug i både standard- og krævende industrielle miljøer.

MS filtre
Produktnyheder

Driftssikker filtrering til fødevareprocesser

M&S’ vinkelfiltre og snavssamlere er udviklet til effektiv filtrering og opsamling af procesrester i fødevareindustrien, hvor driftssikkerhed, hygiejne og nem service er afgørende. Et vinkelfilter til fødevarer anvendes til pumpbare medier og beskytter kritiske komponenter som pumper, ventiler og varmevekslere mod slid, tilstopning og uplanlagte driftsstop.

x guard maskinafskaermning
Produktnyheder

X‑Guard maskinafskærmning – fleksible og sikre hegnsystemer til industrien.

At beskytte både mennesker og maskiner er en selvfølge i et sikkert og effektivt produktionsmiljø. Med X‑Guard maskinafskærmning fra Axelent tilbyder vi hos OEM Automatic Klitsø et komplet, modulært og brugervenligt hegnsystem, der opfylder alle gældende krav til maskinsikkerhed og standarder. X‑Guard er udviklet med tre tydelige grundprincipper: fleksibilitet, enkel montering og høj sikkerhed. Resultatet er et smart og velafprøvet system, som i dag er et af markedets mest populære maskinafskærmninger til industrielle miljøer.

Liag ventil Listing
Produktnyheder

Hygiejniske ventiler fra LIAG – effektiv produktgenvinding og hygiejne i én løsning

I fødevare-, kosmetik- og farmaceutisk industri er der høje krav til hygiejne og effektivitet. Når du arbejder med viskose produkter, pastøse medier eller væsker med partikler, er det afgørende at have en ventil, der sikrer fuld passage, nem rengøring på stedet (CIP) og minimal vedligeholdelse.

Favoritter Artikler Gennemløb Godkendelser Tilslutning Tilslutning luft Vægt Pris
15 mm
SIL2
1/2 BSP
1/8 BSP
1,88 kg
20 mm
SIL2
3/4 BSP
1/8 BSP
3,52 kg
25 mm
SIL2
G1
1/8 BSP
4,24 kg
32 mm
SIL2
1 1/4 BSP
1/4 BSP
9,38 kg
40 mm
SIL2
1 1/2 BSP
1/4 BSP
11,9 kg
50 mm
G2
1/4 BSP
23,66 kg

Udvalgt variant

Vælg en variant på listen

Teknisk rådgivning

Henrik Philipsen

Produktchef, Tryk & Flow

Kundeservice
Har du har brug for hjælp? Kontakt os:
Har du brug for hjælp? Klik her!
Logo

COOKIE-INDSTILLINGER FOR OEMKLITSO.DK

Cookies hjælper os med at forbedre din oplevelse med os. Så for at kunne analysere trafikken, håndtere loginoplysninger, tilbyde dig personlige oplysninger og for at grundlæggende funktionalitet kan fungere på webssitet, skal vi bruge nogle cookies.

NØDVENDIGE COOKIES

Disse cookies er nødvendige for, at webstedet fungerer og kan ikke slås fra i vores systemer. De bruges normalt kun som reaktion på handlinger, du har foretaget i forbindelse med en serviceanmodning, f.eks. Når du angiver personlige præferencer, logger ind eller udfylder en formular.

ANALYSE OG MÅLING

Disse cookies giver os mulighed for at tælle antallet af besøg og trafikkilder, så vi kan måle og forbedre vores websteds ydeevne. De hjælper os med at vide, hvilke sider der er mere eller mindre populære, og hvordan besøgende navigerer rundt på webstedet. De oplysninger, som disse cookies indsamler, er aggregerede og derfor helt anonyme. Hvis du ikke tillader disse cookies, ved vi ikke, hvornår du har besøgt vores websted.

MARKEDSFØRING

Disse cookies kan tilføjes af vores partnere. De kan bruge dem til at oprette en profil af dig baseret på dine interesser for at vise dig mere relevante oplysninger. De gemmer ingen personlige oplysninger - kun oplysninger om din browser og enhed. Hvis du ikke accepterer disse cookies, får du en mere generel og mindre tilpasset brugeroplevelse.