TRAFAG

Pressostat, Atex

Model EXPK

Trafag pressostater bruges, når man ønsker at kontrollere eller overvåge et tryk via et elektrisk on-/off-signal. I mekaniske pressostater påvirker målesensoren en elektrisk microswitch, når trykket når den indstillede kontaktværdi. EXPK-modellen er robust og godkendt til brug i potentielt eksplosionsfarlige områder. Måleprincippet i EXPK-modellen er et stempel i rustfrit stål, hvilket gør den særdeles velegnet ved højere tryk og modstandsdygtig overfor trykstød og overtryk.

 

Optioner:
• Uden display
• Hus i rustfrit stål
• FKM O-ring (medietemperatur -15...150°C)

  • Måleområder 1...10 bar til 60...600 bar
  • Robust design med sensor i rustfrit stål
  • Atex til gas/støv

Udvalgt variant

Udvalgt variant

Specifikationer

Chok, mekanisk 50 g / 11 ms
Displayvisning Mekanisk
Driftstemperatur -50...+65°C
Elektrisk tilslutning Skrueterminaler
Gentagelsesnøjagtighed, typisk ±1% FS
Godkendelser, Atex ATEX
Hysterese 0,4...0,8 bar
IP-klasse IP65
Justering Justeringsskrue
Kabelforskruning M20x1,5, kabel Ø5...13 mm, PA
Kontakt Skiftekontakt SPDT
Levetid for microswitch 1 mio cykler
Luftfugtighed max 95 % Rh
Materiale Aluminium
Materiale pakning NBR
Materiale, sensor Rustfrit stål 316L
Max overtryk 100 bar
Medietemperatur fra -30 °C
Medietemperatur til 100 °C
Montagemoment Max 25 Nm
Nøjagtighed, skala, typisk ±2% FS
Sensorteknologi Stempel
Temperaturområde lager fra -25 °C
Temperaturområde lager til 65 °C
Trykområde max 10 bar
Trykområde min 0 bar
Tryktilslutning G1/4 F
Type pressostat ATEX
Vægt 710 g
Vibration, resonans ±1,6 mm (5...25Hz), 4 g (25...100Hz)

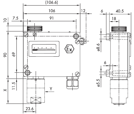
Mål & tilslutninger

Tekniske illustrationer

Produktbeskrivelse

Trafag pressostater bruges, når man ønsker at kontrollere eller overvåge et tryk via et elektrisk on-/off-signal. I mekaniske pressostater påvirker målesensoren en elektrisk microswitch, når trykket når den indstillede kontaktværdi. EXPK-modellen er robust og godkendt til brug i potentielt eksplosionsfarlige områder. Måleprincippet i EXPK-modellen er et stempel i rustfrit stål, hvilket gør den særdeles velegnet ved højere tryk og modstandsdygtig overfor trykstød og overtryk.

 

Optioner:
• Uden display
• Hus i rustfrit stål
• FKM O-ring (medietemperatur -15...150°C)

Tilbehør

Relaterede produkter

Cuboid Sikkerhedsrader
Produktnyheder

Inxpect Cuboid sikkerhedsradar – fleksibel sikkerhed uden kompromis

Med de nye S202A-MC sensorer fra Inxpect får du en avanceret sikkerhedsløsning, der kombinerer høj fleksibilitet med dokumenteret driftssikkerhed. Løsningen er udviklet til moderne produktionsmiljøer, hvor kravene til både oppetid og personbeskyttelse er høje.

Takex Pladesensor
Produktnyheder

Konktaktbaseret sensorteknologi

I moderne automatiseringsløsninger er præcis og stabil objektdetektering afgørende for en effektiv og sikker drift. KSS85-serien fra TAKEX er en innovativ pladesensor, der gør det muligt at registrere objekter via direkte kontakt – uanset farve, materiale eller form. Med sin fleksible og tynde konstruktion kan sensoren monteres næsten hvor som helst og sikrer pålidelig registrering i en lang række industrielle applikationer.

Emerson Samarbejde
Virksomhedsnyt

Vi udvider samarbejdet med Emerson i Danmark

OEM Automatic Klitsø styrker nu sit samarbejde med Emerson og påtager sig et udvidet ansvar for flere af deres førende varemærker på det danske marked. Det inkluderer blandt andet Aventics, ASCO, Tescom, AFAG og AGI – alle kendt for høj kvalitet og pålidelighed inden for industriel automation.

Artikel listing
Tips og guides

Pumper: Løftehøjde vs. Tryk – forstå forskellen

En af de vigtigste faktorer ved valg af en centrifugalpumpe er begrebet “total løftehøjde” (Total Head). En misforståelse af dette kan føre til valg af en pumpe, der enten ikke leverer den ønskede ydeevne eller får hyppige driftsstop, hvilket i sidste ende påvirker hele systemet.

Det nye millennium
Produktnyheder

Guide: Er den nye Millenium den rette Micro-PLC til dit behov?

Den nye Millenium-generation er udviklet for at videreføre et gennemprøvet koncept og tilpasse det til nutidens krav om opkobling, fleksibilitet og brugervenlighed. Denne guide henvender sig til dig, der vil forstå, hvordan den nye Millenium anvendes i praksis, hvad der adskiller den fra tidligere generationer – og hvornår den er det rette valg.

Skueglas og belysning Listing
Tips og guides

Procesovervågning til lukkede og krævende miljøer

Hos os får du gennemprøvede løsninger til procesovervågning og visuel inspektion i lukkede beholdere og anlæg. Sortimentet omfatter skueglas og belysning fra FH Papenmeier, udviklet til brug i både standard- og krævende industrielle miljøer.

Favoritter Artikler Hysterese Max overtryk Trykområde max Trykområde min Pris
0,4...0,8 bar
100 bar
10 bar
0 bar
2...5 bar
200 bar
40 bar
4 bar
4...11 bar
200 bar
100 bar
10 bar
8...26 bar
400 bar
250 bar
25 bar

Udvalgt variant

Vælg en variant på listen

Teknisk rådgivning

Mikkel Arlien-Søborg

Produktchef, Tryk & Flow

Kundeservice
Har du har brug for hjælp? Kontakt os:
Har du brug for hjælp? Klik her!