RICHTER

Richter PFA linede kugleventiler

Richter PFA Linede Kugleventiler

 

BVA PFA  

 

Richters kugleventiler er designet som shut-off ventiler og automatisteret ventiler til farlige og corrosive gasser

 

Fås i mange størrelser fra 1" helt op til 6" . Liner i PFA.

Membranventilen kan sidde i mange forskellige miljøer fra -60°C helt op til +200°C.

max tryk på ventilen er 16 bar.

Fås både med manuel aktuator og elektronisk styret aktuator.

Kan bestilles med Al2O3 ceramic ball.

 

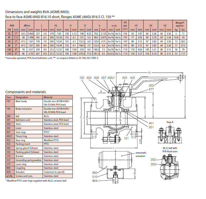
Fuld borret i størrelserne 1" og 2" til ASME/ANSI.

Hvilket resultere i et bedre flowrate, minimum tryktab og mere effektiv rensning med pegging system.

 

I størrelserne 3", 4" og 6" ASME/ANSI er ventilerne halv borret

Har et kompakt design, og bruger mindre torque for et en bedre økonomisk aktuation.

   

  • Materiale: Duktilt jern ASTM A395/ EN-JS1049; PFA linet
  • Liner: PFA
  • Temperatur: -60 °C to +200 °C (-75 °F to +400 °F)
  • Flange: ASME B16.10, klasse 150 kolonne 19
  • Norminel trykklasse 150

Udvalgt variant

Udvalgt variant

Specifikationer

Tekniske illustrationer

Produktbeskrivelse

Richter PFA Linede Kugleventiler

 

BVA PFA  

 

Richters kugleventiler er designet som shut-off ventiler og automatisteret ventiler til farlige og corrosive gasser

 

Fås i mange størrelser fra 1" helt op til 6" . Liner i PFA.

Membranventilen kan sidde i mange forskellige miljøer fra -60°C helt op til +200°C.

max tryk på ventilen er 16 bar.

Fås både med manuel aktuator og elektronisk styret aktuator.

Kan bestilles med Al2O3 ceramic ball.

 

Fuld borret i størrelserne 1" og 2" til ASME/ANSI.

Hvilket resultere i et bedre flowrate, minimum tryktab og mere effektiv rensning med pegging system.

 

I størrelserne 3", 4" og 6" ASME/ANSI er ventilerne halv borret

Har et kompakt design, og bruger mindre torque for et en bedre økonomisk aktuation.

   

Bestillingsinformation

Kontakt vores produktspecialist, for den mest optimale løsning, til netop dit behov 

Tilbehør

MS filtre
Produktnyheder

Driftssikker filtrering til fødevareprocesser

M&S’ vinkelfiltre og snavssamlere er udviklet til effektiv filtrering og opsamling af procesrester i fødevareindustrien, hvor driftssikkerhed, hygiejne og nem service er afgørende. Et vinkelfilter til fødevarer anvendes til pumpbare medier og beskytter kritiske komponenter som pumper, ventiler og varmevekslere mod slid, tilstopning og uplanlagte driftsstop.

Lær mere om fødevarer_Listing
Tips og guides

Fødevarer - Hygiejne & proceskontrol

Når det kommer til komponenter, der skal anvendes i fødevareproduktion, sætter vi kvalitet og sikkerhed i højsædet for at sikre, at de lever op til de højeste standarder og følger branchens regler. Ved valg af komponenter er materialevalg, korrekt godkendelse, kompatibilitet og pålidelighed helt afgørende faktorer i denne branche. Hver komponent skal vælges omhyggeligt og tilpasses for at imødekomme de strenge krav, der stilles.

Smart-Line af Zimmerlin
Produktnyheder

Tankdæksler på rekordtid med Smart-Line

Nu kan du få præfabrikerede og konfigurerbare trykdæksler leveret på kun 2 uger – en hurtig og fleksibel løsning, der sparer dig både tid og besvær.

Omkostningseffektiv niveaumåling
Produktnyheder

Omkostningseffektiv og pålidelig niveaumåling med Rosemount 1208 niveau- og flowradar

Efterhånden som kravene til pålidelig niveau- og flowmåling stiger, bliver behovet for smartere og mere robust teknologi stadig vigtigere. Med Rosemount 1208 niveau- og flowradar præsenterer vi hos OEM Automatic en ny, berøringsfri niveauradar, der kombinerer høj præcision med nem installation – uanset om det er vand, havre eller kemikalier.

Tescom Trykregulatorer
Produktnyheder

TESCOM MULTI-PURPOSE TRYKREGULATORER

Vi tilbyder et bredt udvalg af Tescom trykregulatorer, der dækker alt fra laboratorieanalyser til industrielle gasinstallationer. Tescom er kendt for sin høje kvalitet, fleksibilitet og pålidelighed – uanset om du arbejder med brandfarlige gasser, kalibreringsudstyr eller trykpaneler.

Tilpassede tankdæksler listing
Produktnyheder

Kundetilpassede tankdæksler/mandehuller i rustfri og syrefast stål

Har I brug for et tankdæksel eller tanklåg, der opfylder specifikke krav? Så er I kommet til det rigtige sted. Hos OEM Automatic Klitsø samarbejder vi med den tyske producent Zimmerlin for at kunne tilbyde kundetilpassede tankdæksler og tanklåg i rustfrit og syrefast stål – velegnede til både indendørs og udendørs miljøer.

Zimmerlin er en erfaren og innovativ producent med høj teknisk ekspertise og stort fokus på kvalitet og kundeønsker. Uanset om I søger en standardløsning eller har behov for en specialdesignet konstruktion, er de – og vi – en pålidelig partner gennem hele processen.

Favoritter Artikler Pris

Udvalgt variant

Vælg en variant på listen

Teknisk rådgivning

Linda Fenneberg

Produktchef, Proces

Kundeservice
Har du har brug for hjælp? Kontakt os:
Har du brug for hjælp? Klik her!
Logo

COOKIE-INDSTILLINGER FOR OEMKLITSO.DK

Cookies hjælper os med at forbedre din oplevelse med os. Så for at kunne analysere trafikken, håndtere loginoplysninger, tilbyde dig personlige oplysninger og for at grundlæggende funktionalitet kan fungere på webssitet, skal vi bruge nogle cookies.

NØDVENDIGE COOKIES

Disse cookies er nødvendige for, at webstedet fungerer og kan ikke slås fra i vores systemer. De bruges normalt kun som reaktion på handlinger, du har foretaget i forbindelse med en serviceanmodning, f.eks. Når du angiver personlige præferencer, logger ind eller udfylder en formular.

ANALYSE OG MÅLING

Disse cookies giver os mulighed for at tælle antallet af besøg og trafikkilder, så vi kan måle og forbedre vores websteds ydeevne. De hjælper os med at vide, hvilke sider der er mere eller mindre populære, og hvordan besøgende navigerer rundt på webstedet. De oplysninger, som disse cookies indsamler, er aggregerede og derfor helt anonyme. Hvis du ikke tillader disse cookies, ved vi ikke, hvornår du har besøgt vores websted.

MARKEDSFØRING

Disse cookies kan tilføjes af vores partnere. De kan bruge dem til at oprette en profil af dig baseret på dine interesser for at vise dig mere relevante oplysninger. De gemmer ingen personlige oplysninger - kun oplysninger om din browser og enhed. Hvis du ikke accepterer disse cookies, får du en mere generel og mindre tilpasset brugeroplevelse.