DEFINOX
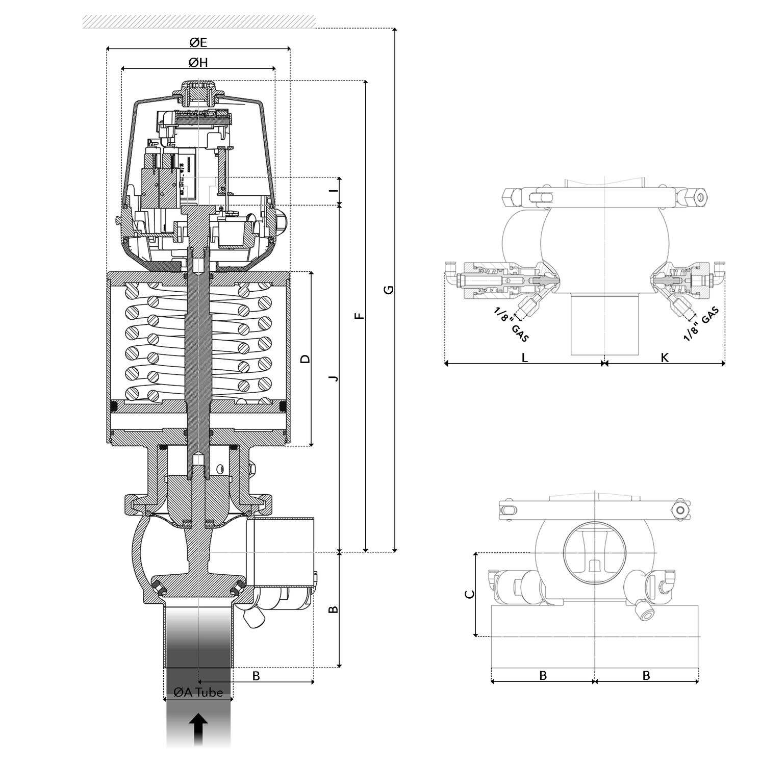
Definox NEOS Ventil.
Sædeventilen fra Definox opfylder de stærkeste krav til proces teknologien og er den ideelle løsning inden for food, bryggeri, kosmetik, og farmaceutiske processer. Sædeventilens design giver en bred vifte af muligheder og varianter.
NEOS Ventilen - Baseres på produktionen af DCX3 ventiler:

PFA flydende pakning:

Lækage indikator:
Specifikationer:
Materialer:
Tilslutningsmuligheder:
Overflade:
Driftsforhold:
Leveres som standard med:
| Beskrivelse | EHEDG Design |
|---|---|
| Certifikater | 3.1 EN10204 ved ordre |
| Design Norm | SMS |
| Diameter indre | 22,6 mm |
| Diameter ydre | 25 mm |
| Hus | L1-Body |
| Materiale aktuator | Rustfrit stål 304 |
| Materiale membran | PTFE |
| Materiale sædetætning | PFA |
| Materialekvalitet | 1.4404 |
| Max arbejdstryk | 8 bar |
|---|---|
| Overfladeruhed | RA<0,8/1,2µm |
| Pakning | PFA |
| Styretryk max | 7 bar |
| Styretryk min | 5,5 bar |
| Temperaturområde | -5°C/+140°C |
| Tilslutning | Svejseender |
| Vægt | 4,5 kg |
Definox NEOS Ventil.
Sædeventilen fra Definox opfylder de stærkeste krav til proces teknologien og er den ideelle løsning inden for food, bryggeri, kosmetik, og farmaceutiske processer. Sædeventilens design giver en bred vifte af muligheder og varianter.
NEOS Ventilen - Baseres på produktionen af DCX3 ventiler:

PFA flydende pakning:

Lækage indikator:
Specifikationer:
Materialer:
Tilslutningsmuligheder:
Overflade:
Driftsforhold:
Leveres som standard med:
M&S’ vinkelfiltre og snavssamlere er udviklet til effektiv filtrering og opsamling af procesrester i fødevareindustrien, hvor driftssikkerhed, hygiejne og nem service er afgørende. Et vinkelfilter til fødevarer anvendes til pumpbare medier og beskytter kritiske komponenter som pumper, ventiler og varmevekslere mod slid, tilstopning og uplanlagte driftsstop.
Når det kommer til komponenter, der skal anvendes i fødevareproduktion, sætter vi kvalitet og sikkerhed i højsædet for at sikre, at de lever op til de højeste standarder og følger branchens regler. Ved valg af komponenter er materialevalg, korrekt godkendelse, kompatibilitet og pålidelighed helt afgørende faktorer i denne branche. Hver komponent skal vælges omhyggeligt og tilpasses for at imødekomme de strenge krav, der stilles.
Nu kan du få præfabrikerede og konfigurerbare trykdæksler leveret på kun 2 uger – en hurtig og fleksibel løsning, der sparer dig både tid og besvær.
Efterhånden som kravene til pålidelig niveau- og flowmåling stiger, bliver behovet for smartere og mere robust teknologi stadig vigtigere. Med Rosemount 1208 niveau- og flowradar præsenterer vi hos OEM Automatic en ny, berøringsfri niveauradar, der kombinerer høj præcision med nem installation – uanset om det er vand, havre eller kemikalier.
Vi tilbyder et bredt udvalg af Tescom trykregulatorer, der dækker alt fra laboratorieanalyser til industrielle gasinstallationer. Tescom er kendt for sin høje kvalitet, fleksibilitet og pålidelighed – uanset om du arbejder med brandfarlige gasser, kalibreringsudstyr eller trykpaneler.
Har I brug for et tankdæksel eller tanklåg, der opfylder specifikke krav? Så er I kommet til det rigtige sted. Hos OEM Automatic Klitsø samarbejder vi med den tyske producent Zimmerlin for at kunne tilbyde kundetilpassede tankdæksler og tanklåg i rustfrit og syrefast stål – velegnede til både indendørs og udendørs miljøer.
Zimmerlin er en erfaren og innovativ producent med høj teknisk ekspertise og stort fokus på kvalitet og kundeønsker. Uanset om I søger en standardløsning eller har behov for en specialdesignet konstruktion, er de – og vi – en pålidelig partner gennem hele processen.
|
|
|
|
|
|
||
|---|---|---|---|---|---|---|
|
|
|
|
|
|
||
|
|
|
|
|
|
||
|
|
|
|
|
|
||
|
|
|
|
|
|
||
|
|
|
|
|
|
||
|
|
|
|
|
|
| Favoritter | Artikler | Design Norm | Diameter indre | Diameter ydre | Hus | Vægt | Pris | |
|---|---|---|---|---|---|---|---|---|
|
Sædeventil NEOS L1-NC 1'' PFA
Art:
DE-WS025A17100
Kopieret
|
SMS
|
22,6 mm
|
25 mm
|
L1-Body
|
4,5 kg
|
|
||
|
Sædeventil NEOS T1-NC 1'' PFA
Art:
DE-WS025A27100
Kopieret
|
SMS
|
22,6 mm
|
25 mm
|
T1-body
|
4,5 kg
|
|
||
|
Sædeventil NEOS X1-NC 1'' PFA
Art:
DE-WS025A37100
Kopieret
|
SMS
|
22,6 mm
|
25 mm
|
X1-Body
|
4,5 kg
|
|
||
|
Sædeventil NEOS L2-NC 1'' PFA
Art:
DE-WS025A47100
Kopieret
|
SMS
|
22,6 mm
|
25 mm
|
L2-Body
|
4,5 kg
|
|
||
|
Sædeventil NEOS T2-NC 1'' PFA
Art:
DE-WS025A57100
Kopieret
|
SMS
|
22,6 mm
|
25 mm
|
T2-Body
|
4,5 kg
|
|
||
|
Sædeventil NEOS X2-NC 1'' PFA
Art:
DE-WS025A67100
Kopieret
|
SMS
|
22,6 mm
|
25 mm
|
X2-Body
|
4,5 kg
|
|
||
|
Sædeventil NEOS L1-NC 1½'' PFA
Art:
DE-WS038A17100
Kopieret
|
SMS
|
35,6 mm
|
38 mm
|
L1-Body
|
4,6 kg
|
|
||
|
Sædeventil NEOS T1-NC 1½'' PFA
Art:
DE-WS038A27100
Kopieret
|
SMS
|
35,6 mm
|
38 mm
|
T1-Body
|
4,6 kg
|
|
||
|
Sædeventil NEOS X1-NC 1½'' PFA
Art:
DE-WS038A37100
Kopieret
|
SMS
|
35,6 mm
|
38 mm
|
X1-Body
|
4,6 kg
|
|
||
|
Sædeventil NEOS L2-NC 1½'' PFA
Art:
DE-WS038A47100
Kopieret
|
SMS
|
35,6 mm
|
38 mm
|
L2-Body
|
4,6 kg
|
|
||
|
Sædeventil NEOS T2-NC 1½'' PFA
Art:
DE-WS038A57100
Kopieret
|
SMS
|
35,6 mm
|
38 mm
|
T2-Body
|
4,6 kg
|
|
||
|
Sædeventil NEOS X2-NC 1½'' PFA
Art:
DE-WS038A67100
Kopieret
|
SMS
|
35,6 mm
|
38 mm
|
X2-Body
|
4,6 kg
|
|
||
|
Sædeventil NEOS L1-NC 2'' PFA
Art:
DE-WS051A17100
Kopieret
|
SMS
|
48,5 mm
|
51 mm
|
L1-Body
|
7,7 kg
|
|
||
|
Sædeventil NEOS T1-NC 2'' PFA
Art:
DE-WS051A27100
Kopieret
|
SMS
|
48,5 mm
|
51 mm
|
T1-Body
|
7,7 kg
|
|
||
|
Sædeventil NEOS X1-NC 2'' PFA
Art:
DE-WS051A37100
Kopieret
|
SMS
|
48,5 mm
|
51 mm
|
L1-Body
|
7,7 kg
|
|
||
|
Sædeventil NEOS L2-NC 2'' PFA
Art:
DE-WS051A47100
Kopieret
|
SMS
|
48,5 mm
|
51 mm
|
L2-Body
|
7,7 kg
|
|
||
|
Sædeventil NEOS T2-NC 2'' PFA
Art:
DE-WS051A57100
Kopieret
|
SMS
|
48,5 mm
|
51 mm
|
T2-Body
|
7,7 kg
|
|
||
|
Sædeventil NEOS X2-NC 2'' PFA
Art:
DE-WS051A67100
Kopieret
|
SMS
|
48,5 mm
|
51 mm
|
X2-Body
|
7,7 kg
|
|
||
|
Sædeventil NEOS L1-NC 2½'' PFA
Art:
DE-WS063A17100
Kopieret
|
SMS
|
60,3 mm
|
63,5 mm
|
L1-Body
|
17,7 kg
|
|
||
|
Sædeventil NEOS T1-NC 2½'' PFA
Art:
DE-WS063A27100
Kopieret
|
SMS
|
60,3 mm
|
63,5 mm
|
T1-Body
|
17,7 kg
|
|
||
|
Sædeventil NEOS X1-NC 2½'' PFA
Art:
DE-WS063A37100
Kopieret
|
SMS
|
60,3 mm
|
63,5 mm
|
X1-Body
|
17,7 kg
|
|
||
|
Sædeventil NEOS L2-NC 2½'' PFA
Art:
DE-WS063A47100
Kopieret
|
SMS
|
60,3 mm
|
63,5 mm
|
L2-Body
|
17,7 kg
|
|
||
|
Sædeventil NEOS T2-NC 2½'' PFA
Art:
DE-WS063A57100
Kopieret
|
SMS
|
60,3 mm
|
63,5 mm
|
T2-Body
|
17,7 kg
|
|
||
|
Sædeventil NEOS X2-NC 2½'' PFA
Art:
DE-WS063A67100
Kopieret
|
SMS
|
60,3 mm
|
63,5 mm
|
X2-Body
|
17,7 kg
|
|
||
|
Sædeventil NEOS L1-NC 3'' PFA
Art:
DE-WS076A17100
Kopieret
|
SMS
|
72,9 mm
|
76,1 mm
|
L1-Body
|
17,8 kg
|
|
||
|
Sædeventil NEOS T1-NC 3'' PFA
Art:
DE-WS076A27100
Kopieret
|
SMS
|
72,9 mm
|
76,1 mm
|
T1-Body
|
17,8 kg
|
|
||
|
Sædeventil NEOS X1-NC 3'' PFA
Art:
DE-WS076A37100
Kopieret
|
SMS
|
72,9 mm
|
76,1 mm
|
X1-Body
|
17,8 kg
|
|
||
|
Sædeventil NEOS L2-NC 3'' PFA
Art:
DE-WS076A47100
Kopieret
|
SMS
|
72,9 mm
|
76,1 mm
|
L2-Body
|
17,8 kg
|
|
||
|
Sædeventil NEOS T2-NC 3'' PFA
Art:
DE-WS076A57100
Kopieret
|
SMS
|
72,9 mm
|
76,1 mm
|
T2-Body
|
17,8 kg
|
|
||
|
Sædeventil NEOS X2-NC 3'' PFA
Art:
DE-WS076A67100
Kopieret
|
SMS
|
72,9 mm
|
76,1 mm
|
X2-Body
|
17,8 kg
|
|
||
|
Sædeventil NEOS L1-NC 4'' PFA
Art:
DE-WU101A17100
Kopieret
|
SMS
|
97,4 mm
|
10,6 mm
|
L1-Body
|
38 kg
|
|
||
|
Sædeventil NEOS T1-NC 4'' PFA
Art:
DE-WU101A27100
Kopieret
|
SMS
|
97,4 mm
|
10,6 mm
|
T1-Body
|
38 kg
|
|
||
|
Sædeventil NEOS L1-NC 4''/104 PFA
Art:
DE-WS104A17100
Kopieret
|
SMS
|
100 mm
|
104 mm
|
L1-Body
|
38 kg
|
|
||
|
Sædeventil NEOS T1-NC 4''/104 PFA
Art:
DE-WS104A27100
Kopieret
|
SMS
|
100 mm
|
104 mm
|
T1-Body
|
38 kg
|
|
||
|
Sædeventil NEOS X1-NC 4''/104 PFA
Art:
DE-WS104A37100
Kopieret
|
SMS
|
100 mm
|
104 mm
|
X1-Body
|
38 kg
|
|
||
|
Sædeventil NEOS L2-NC 4''/104 PFA
Art:
DE-WS104A47100
Kopieret
|
SMS
|
100 mm
|
104 mm
|
L2-Body
|
38 kg
|
|
||
|
Sædeventil NEOS T2-NC 4''/104 PFA
Art:
DE-WS104A57100
Kopieret
|
SMS
|
100 mm
|
104 mm
|
T2-Body
|
38 kg
|
|
||
|
Sædeventil NEOS X2-NC 4''/104 PFA
Art:
DE-WS104A67100
Kopieret
|
SMS
|
100 mm
|
104 mm
|
X2-Body
|
38 kg
|
|
||
|
Sædeventil NEOS L1-NC DN 25 PFA
Art:
DE-WD025A17100
Kopieret
|
DIN
|
26 mm
|
29 mm
|
L1-Body
|
4,5 kg
|
|
||
|
Sædeventil NEOS T1-NC DN 25 PFA
Art:
DE-WD025A27100
Kopieret
|
DIN
|
26 mm
|
29 mm
|
T1-Body
|
4,5 kg
|
|
||
|
Sædeventil NEOS X1-NC DN 25 PFA
Art:
DE-WD025A37100
Kopieret
|
DIN
|
26 mm
|
29 mm
|
X1-Body
|
4,5 kg
|
|
||
|
Sædeventil NEOS L2-NC DN 25 PFA
Art:
DE-WD025A47100
Kopieret
|
DIN
|
26 mm
|
29 mm
|
L2-Body
|
4,5 kg
|
|
||
|
Sædeventil NEOS T2-NC DN 25 PFA
Art:
DE-WD025A57100
Kopieret
|
DIN
|
26 mm
|
29 mm
|
T2-Body
|
4,5 kg
|
|
||
|
Sædeventil NEOS X2-NC DN 25 PFA
Art:
DE-WD025A67100
Kopieret
|
DIN
|
26 mm
|
29 mm
|
X2-Body
|
4,5 kg
|
|
||
|
Sædeventil NEOS L1-NC DN 40 PFA
Art:
DE-WD040A17100
Kopieret
|
DIN
|
38 mm
|
41 mm
|
L1-Body
|
4,5 kg
|
|
||
|
Sædeventil NEOS T1-NC DN 40 PFA
Art:
DE-WD040A27100
Kopieret
|
DIN
|
38 mm
|
41 mm
|
T1-Body
|
4,5 kg
|
|
||
|
Sædeventil NEOS X1-NC DN 40 PFA
Art:
DE-WD040A37100
Kopieret
|
DIN
|
38 mm
|
41 mm
|
X1-Body
|
4,5 kg
|
|
||
|
Sædeventil NEOS L2-NC DN 40 PFA
Art:
DE-WD040A47100
Kopieret
|
DIN
|
38 mm
|
41 mm
|
L2-Body
|
4,5 kg
|
|
||
|
Sædeventil NEOS T2-NC DN 40 PFA
Art:
DE-WD040A57100
Kopieret
|
DIN
|
38 mm
|
41 mm
|
T2-Body
|
4,5 kg
|
|
||
|
Sædeventil NEOS X2-NC DN 40 PFA
Art:
DE-WD040A67100
Kopieret
|
DIN
|
38 mm
|
41 mm
|
X2-Body
|
4,5 kg
|
|
||
|
Sædeventil NEOS L1-NC DN 50 PFA
Art:
DE-WD050A17100
Kopieret
|
DIN
|
50 mm
|
53 mm
|
L1-Body
|
8 kg
|
|
||
|
Sædeventil NEOS T1-NC DN 50 PFA
Art:
DE-WD050A27100
Kopieret
|
DIN
|
50 mm
|
53 mm
|
T1-Body
|
8 kg
|
|
||
|
Sædeventil NEOS X1-NC DN 50 PFA
Art:
DE-WD050A37100
Kopieret
|
DIN
|
50 mm
|
53 mm
|
X1-Body
|
8 kg
|
|
||
|
Sædeventil NEOS L2-NC DN 50 PFA
Art:
DE-WD050A47100
Kopieret
|
DIN
|
50 mm
|
53 mm
|
L2-Body
|
8 kg
|
|
||
|
Sædeventil NEOS T2-NC DN 50 PFA
Art:
DE-WD050A57100
Kopieret
|
DIN
|
50 mm
|
53 mm
|
T2-Body
|
8 kg
|
|
||
|
Sædeventil NEOS X2-NC DN 50 PFA
Art:
DE-WD050A67100
Kopieret
|
DIN
|
50 mm
|
53 mm
|
X2-Body
|
8 kg
|
|
||
|
Sædeventil NEOS L1-NC DN 65 PFA
Art:
DE-WD065A17100
Kopieret
|
DIN
|
66 mm
|
70 mm
|
L1-Body
|
17 kg
|
|
||
|
Sædeventil NEOS T1-NC DN 65 PFA
Art:
DE-WD065A27100
Kopieret
|
DIN
|
66 mm
|
70 mm
|
T1-Body
|
17 kg
|
|
||
|
Sædeventil NEOS X1-NC DN 65 PFA
Art:
DE-WD065A37100
Kopieret
|
DIN
|
66 mm
|
70 mm
|
X1-Body
|
17 kg
|
|
||
|
Sædeventil NEOS L2-NC DN 65 PFA
Art:
DE-WD065A47100
Kopieret
|
DIN
|
66 mm
|
70 mm
|
L2-Body
|
17 kg
|
|
||
|
Sædeventil NEOS T2-NC DN 65 PFA
Art:
DE-WD065A57100
Kopieret
|
DIN
|
66 mm
|
70 mm
|
T2-Body
|
17 kg
|
|
||
|
Sædeventil NEOS X2-NC DN 65 PFA
Art:
DE-WD065A67100
Kopieret
|
DIN
|
66 mm
|
70 mm
|
X2-Body
|
17 kg
|
|
||
|
Sædeventil NEOS L1-NC DN 80 PFA
Art:
DE-WD080A17100
Kopieret
|
DIN
|
81 mm
|
85 mm
|
L1-Body
|
18 kg
|
|
||
|
Sædeventil NEOS T1-NC DN 80 PFA
Art:
DE-WD080A27100
Kopieret
|
DIN
|
81 mm
|
85 mm
|
T1-Body
|
18 kg
|
|
||
|
Sædeventil NEOS X1-NC DN 80 PFA
Art:
DE-WD080A37100
Kopieret
|
DIN
|
81 mm
|
85 mm
|
X1-Body
|
18 kg
|
|
||
|
Sædeventil NEOS L2-NC DN 80 PFA
Art:
DE-WD080A47100
Kopieret
|
DIN
|
81 mm
|
85 mm
|
L2-Body
|
18 kg
|
|
||
|
Sædeventil NEOS T2-NC DN 80 PFA
Art:
DE-WD080A57100
Kopieret
|
DIN
|
81 mm
|
85 mm
|
T2-Body
|
18 kg
|
|
||
|
Sædeventil NEOS X2-NC DN 80 PFA
Art:
DE-WD080A67100
Kopieret
|
DIN
|
81 mm
|
85 mm
|
X2-Body
|
18 kg
|
|
||
|
Sædeventil NEOS L1-NC DN100 PFA
Art:
DE-WD100A17100
Kopieret
|
DIN
|
100 mm
|
104 mm
|
L1-Body
|
32 kg
|
|
||
|
Sædeventil NEOS T1-NC DN100 PFA
Art:
DE-WD100A27100
Kopieret
|
DIN
|
100 mm
|
104 mm
|
T1-Body
|
32 kg
|
|
||
|
Sædeventil NEOS X1-NC DN100 PFA
Art:
DE-WD100A37100
Kopieret
|
DIN
|
100 mm
|
104 mm
|
X1-Body
|
32 kg
|
|
||
|
Sædeventil NEOS L2-NC DN100 PFA
Art:
DE-WD100A47100
Kopieret
|
DIN
|
100 mm
|
104 mm
|
L2-Body
|
32 kg
|
|
||
|
Sædeventil NEOS T2-NC DN100 PFA
Art:
DE-WD100A57100
Kopieret
|
DIN
|
100 mm
|
104 mm
|
T2-Body
|
32 kg
|
|
||
|
Sædeventil NEOS X2-NC DN100 PFA
Art:
DE-WD100A67100
Kopieret
|
DIN
|
100 mm
|
104 mm
|
X2-Body
|
32 kg
|
|
Vælg en variant på listen