CROUZET SWITCHES

V3

Mikroswitche

Med over 60 års erfaring inden for snap-action-teknologi tilbyder Crouzet et komplet udvalg af mikroswitche til de meget krævende markeder. Det omfattende valg består af standard eller tilpassede Sub-subminiature, Subminiature, Miniature og Special mikroswitches, der alle er i overensstemmelse med de strengeste kvalitetsstandarder. Mikroswitchene er kendetegnede ved et stort udvalg af brydeevner fra 1 mA til 25 A, magnetiske udblæsningsversioner til High DC ratings, forseglede modeller, positive pause versioner, en lang række driftstemperaturer, modeller til eksplosiv atmosfære, lang levetid og forskellige aktuatorer, kontaktmaterialer og fastgørelsesmidler.
  • Mærkedata 0,1 A til 20 A/250 V AC
  • Driftstemperatur op til +125 °C
  • I overensstemmelse med standard EN 61058 og UL 1054
  • Fire forskellige installationsmuligheder for styrearme

Udvalgt variant

Udvalgt variant

Specifikationer

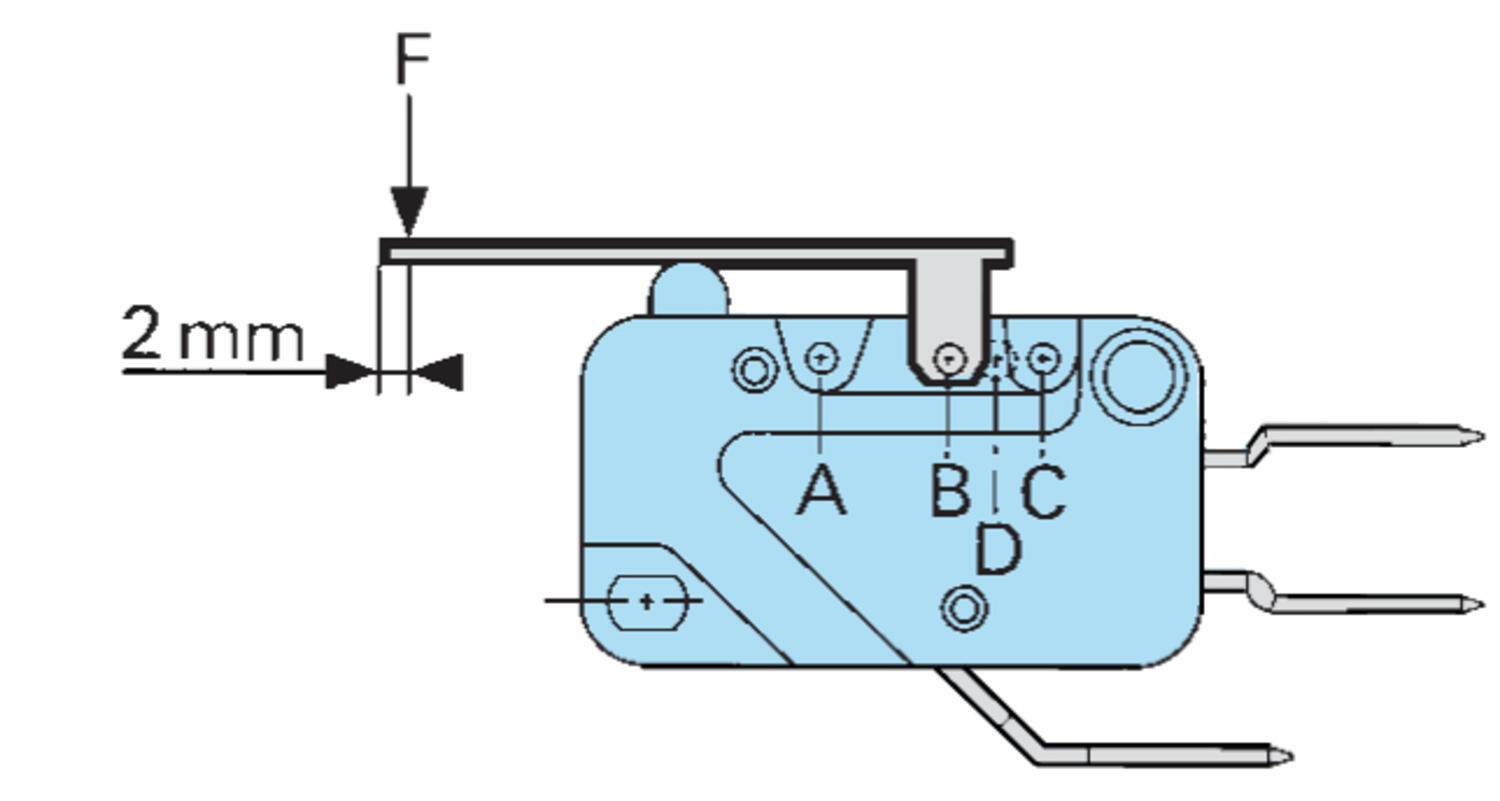
Allowable Operating Force Max 20 N
Contact Gap 0,4 mm
IP-klasse IP40
Kontakt type Vekslende kontakt
Max hysterese 0,35 mm
Operating Force Max 3 N
Operating Power Total Max 4,5 N
Over Movement My 1,1 mm
Rated current at 250 V AC 16 A
Return Movement Force Min 1 N
Sleep Max 16,1 mm
Switching Point 14,7±0,4 mm
Temperaturområde fra -60 °C
Temperaturområde til 125 °C
Thermal current at 250 V AC 20 A
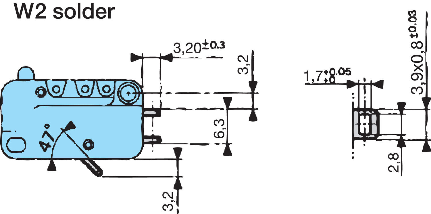
Tilslutning W2

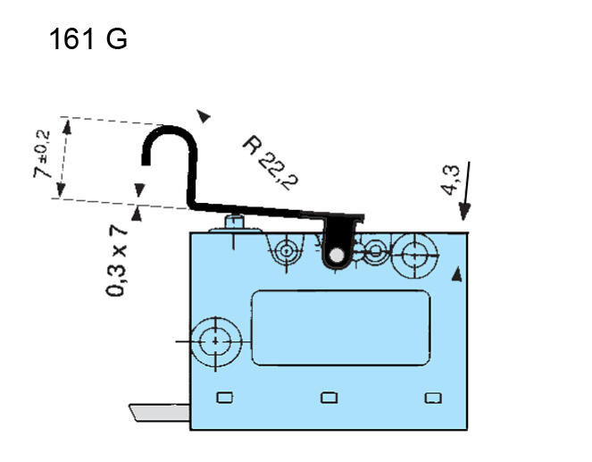
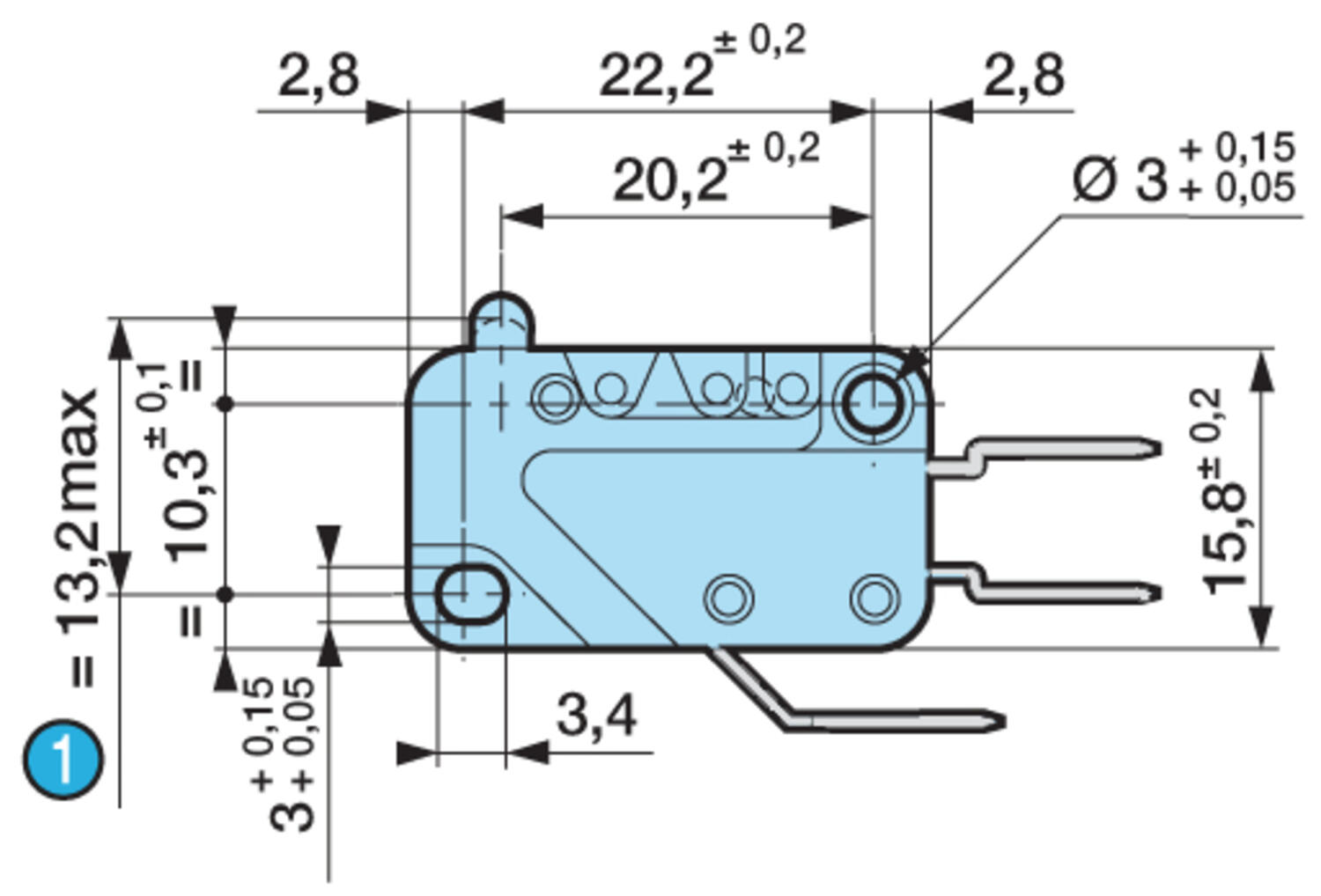
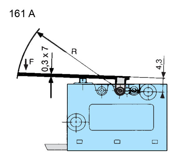
Mål & tilslutninger

Tekniske illustrationer

Produktbeskrivelse

Med over 60 års erfaring inden for snap-action-teknologi tilbyder Crouzet et komplet udvalg af mikroswitche til de meget krævende markeder. Det omfattende valg består af standard eller tilpassede Sub-subminiature, Subminiature, Miniature og Special mikroswitches, der alle er i overensstemmelse med de strengeste kvalitetsstandarder. Mikroswitchene er kendetegnede ved et stort udvalg af brydeevner fra 1 mA til 25 A, magnetiske udblæsningsversioner til High DC ratings, forseglede modeller, positive pause versioner, en lang række driftstemperaturer, modeller til eksplosiv atmosfære, lang levetid og forskellige aktuatorer, kontaktmaterialer og fastgørelsesmidler.

Tilbehør

Relaterede produkter

Dis sensor istedet for kviksølvsafbrydere
Tips og guides

Derfor skal du skifte fra kviksølvsafbrydere til DIS-sensorer

I mange år har kviksølvsafbrydere været anvendt i industrien, særligt i lifte og andre tunge maskiner, på grund af deres pålidelighed og holdbarhed. Men med stigende fokus på miljø- og sundhedsrisici er det blevet afgørende at erstatte dem med sikrere alternativer som DIS-sensorer.

Senseca opkober to virksomheder_front
Produktnyheder

Senseca styrker sin position med strategiske opkøb

Senseca styrker sin position med opkøbet af Biral og Geonica, der bringer ekspertise inden for miljømåling og sensorteknologi. Dette strategiske skridt kombinerer avanceret teknologi og bæredygtige løsninger til Smart City-udvikling, vedvarende energi og præcisionsmålinger.

x guard maskinafskaermning
Produktnyheder

X‑Guard maskinafskærmning – fleksible og sikre hegnsystemer til industrien.

At beskytte både mennesker og maskiner er en selvfølge i et sikkert og effektivt produktionsmiljø. Med X‑Guard maskinafskærmning fra Axelent tilbyder vi hos OEM Automatic Klitsø et komplet, modulært og brugervenligt hegnsystem, der opfylder alle gældende krav til maskinsikkerhed og standarder. X‑Guard er udviklet med tre tydelige grundprincipper: fleksibilitet, enkel montering og høj sikkerhed. Resultatet er et smart og velafprøvet system, som i dag er et af markedets mest populære maskinafskærmninger til industrielle miljøer.

Liag ventil Listing
Produktnyheder

Hygiejniske ventiler fra LIAG – effektiv produktgenvinding og hygiejne i én løsning

I fødevare-, kosmetik- og farmaceutisk industri er der høje krav til hygiejne og effektivitet. Når du arbejder med viskose produkter, pastøse medier eller væsker med partikler, er det afgørende at have en ventil, der sikrer fuld passage, nem rengøring på stedet (CIP) og minimal vedligeholdelse.

Lær mere om fødevarer_Listing
Tips og guides

Fødevarer - Hygiejne & proceskontrol

Når det kommer til komponenter, der skal anvendes i fødevareproduktion, sætter vi kvalitet og sikkerhed i højsædet for at sikre, at de lever op til de højeste standarder og følger branchens regler. Ved valg af komponenter er materialevalg, korrekt godkendelse, kompatibilitet og pålidelighed helt afgørende faktorer i denne branche. Hver komponent skal vælges omhyggeligt og tilpasses for at imødekomme de strenge krav, der stilles.

Tips og guides

Lær mere om strømforsyninger

Vi tilbyder et komplet sortiment af strømforsyninger, redundante systemer, DC-UPS og en række specialtilpassede enheder til f.eks. eksplosionsfarlige miljøer (ATEX) eller NEC class 2-kredsløb fra vores producent PULS. Strømforsyninger til 110 V DC indspænding med strømkapacitet fra 0,6 A op til 20 A (24 V DC).

Favoritter Artikler Operating Force Max Operating Power Total Max Over Movement My Rated current at 250 V AC Return Movement Force Min Sleep Max Spænding min Strøm min Switching Point Temperaturområde fra Thermal current at 250 V AC Tilslutning Pris
3 N
4,5 N
1,1 mm
16 A
1 N
16,1 mm
14,7±0,4 mm
-60 °C
20 A
W2
3 N
4,5 N
1,1 mm
16 A
1 N
16,1 mm
14,7±0,4 mm
-60 °C
20 A
W3
0,8 N
2 N
1,2 mm
16 A
0,2 N
16,2 mm
14,7±0,3 mm
-60 °C
20 A
W3
0,8 N
2 N
1,2 mm
16 A
0,2 N
16,2 mm
14,7±0,3 mm
-60 °C
20 A
W6A5
0,25 N
0,4 N
1,1 mm
4 A
0,05 N
16,3 mm
14,7±0,4 mm
-40 °C
5 A
W3
0,8 N
2 N
1,2 mm
5 A
0,2 N
16,2 mm
4 V
0,001 A
14,7±0,3 mm
-60 °C
6 A
W3

Udvalgt variant

Vælg en variant på listen

Teknisk rådgivning

Mathias Aarslev

Produktchef, El Automation

Kundeservice
Har du har brug for hjælp? Kontakt os:
Har du brug for hjælp? Klik her!
Logo

COOKIE-INDSTILLINGER FOR OEMKLITSO.DK

Cookies hjælper os med at forbedre din oplevelse med os. Så for at kunne analysere trafikken, håndtere loginoplysninger, tilbyde dig personlige oplysninger og for at grundlæggende funktionalitet kan fungere på webssitet, skal vi bruge nogle cookies.

NØDVENDIGE COOKIES

Disse cookies er nødvendige for, at webstedet fungerer og kan ikke slås fra i vores systemer. De bruges normalt kun som reaktion på handlinger, du har foretaget i forbindelse med en serviceanmodning, f.eks. Når du angiver personlige præferencer, logger ind eller udfylder en formular.

ANALYSE OG MÅLING

Disse cookies giver os mulighed for at tælle antallet af besøg og trafikkilder, så vi kan måle og forbedre vores websteds ydeevne. De hjælper os med at vide, hvilke sider der er mere eller mindre populære, og hvordan besøgende navigerer rundt på webstedet. De oplysninger, som disse cookies indsamler, er aggregerede og derfor helt anonyme. Hvis du ikke tillader disse cookies, ved vi ikke, hvornår du har besøgt vores websted.

MARKEDSFØRING

Disse cookies kan tilføjes af vores partnere. De kan bruge dem til at oprette en profil af dig baseret på dine interesser for at vise dig mere relevante oplysninger. De gemmer ingen personlige oplysninger - kun oplysninger om din browser og enhed. Hvis du ikke accepterer disse cookies, får du en mere generel og mindre tilpasset brugeroplevelse.