HOKUYO
UAM-05, er med sine fysiske mål på 80x80x95mm, den mindste sikkerheds laser scanner på markedet, men dette har ikke sat begrænsninger for de mange features.
Via det simple konfigurerings software, kan selv ret komplicerede advarsels og beskyttelses zoner let indstillesmanuelt eller via teach in. Zonerne kan også overvåges kontinuerligt, således at en en eventuel efterjustering hurtigt rettes til.
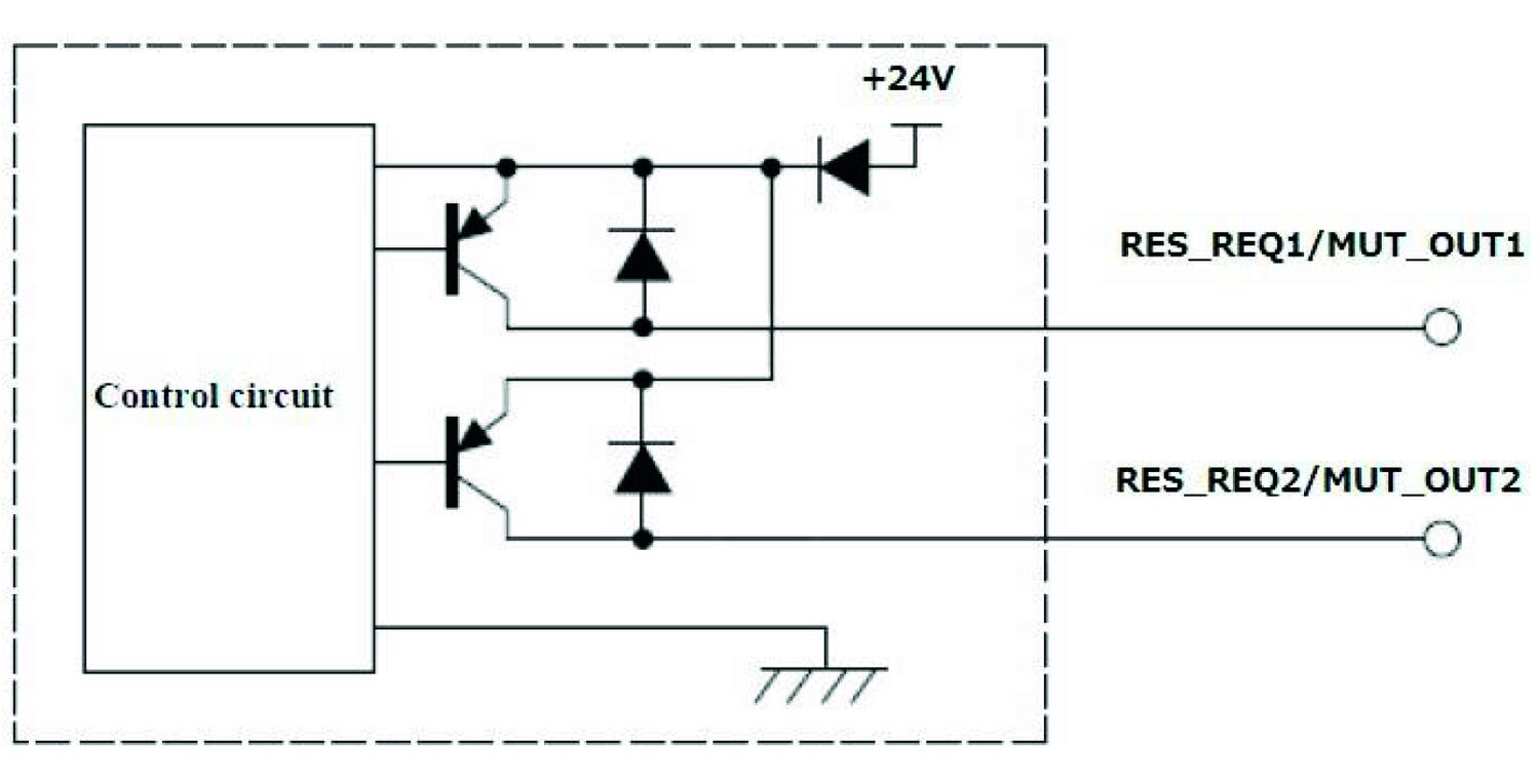
Under drift overvåges det programerede område af laserenheden,som aflæser afstanden til objektet ved princippet Time off flight (TOF). En pulserende laser stråle udsendes i en 270° roterende bevægelse, og hvis denne stråle reflekteres af et objekt inden for sikkerheds zonen, brydes OSSD udgangene. Sker det i en advarsels zone, vil det ikke afbryde OSSD udgangene, men man kan istedet få alarm signaler der kan bruges på anden vis.
Skannings område
Skanningsområdet kan indeholde både sikkerheds zoner og advarsels zoner som yderligere kan programeres på 2 forskellige måder. UAM-05 dækker et område på max. 5 meter sikkerheds zone og 20 meter advarsels zone, med 270° skannings vinkel
Metode 1 - som 2 særskilte sikkerheds zoner, der hver har 2 OSSD udgange. Her er der ingen advarsels zoner.
Metode 2- som 1 sikkerheds zone og 2 advarsels zoner.



Anvendelses områder
|
|
|
Område overvågning (fast) | Område overvågning (mobilt) | Område overvågning (som gitter) |
Data output
Måledata kan udløses via Ethernet, sammen med ind- og output tilstanden. Understøtter SCIP2.0 protokol
|
|
Konfiguration
UAM kan enten programeres via et forudprogrameret SD kort, eller med en PC, der er tilsluttet via USB.

Master/Slave-funktion
Hvis et større område skal overvåges, kan op til 4 enheder kombineres direkte i en master / slave opsætnin.

Encoder indgang
Hvis UAM-05 andvendes på AGV(Automatic guided vehicle) applikation, kan man med fordel anvende encoder indgangen, således at zonerne kan ændres i overensstemmelse med hastigheden.

| Advarselsfelt max | 20 m |
|---|---|
| Antal sikkerhedsfelter | 128 pc |
| Bredde | 80 mm |
| Forsyningsspænding | 24 V DC |
| Godkendelser | BG, CE, cULus, TÜV |
| Højde | 95 mm |
| I henhold til | EMC, LVD, MD |
| IP-klasse | IP65 |
| Længde | 80 mm |
| Laserklasse | Class 1 |
| Materiale frontglas | Polykarbonat |
| Materiale hus | Aluminium |
| Opløsning | 30 mm (max. 1,8 m), 50 mm (max. 3,0 m), 70 mm (max. 5,0 m), 150 mm (max. 5,0 m) |
|---|---|
| Scanningsvinkel | 270 ° |
| Sikkerhedsfelt max | 5 m |
| Spændingstolerance | ±10 % |
| Temperaturområde fra | -10 °C |
| Temperaturområde til | 55 °C |
| Tolerence | +100 mm |
| Udkoblingstid max | 510 ms |
| Udkoblingstid min. | 60 ms |
| Vægt | 0,8 kg |
UAM-05, er med sine fysiske mål på 80x80x95mm, den mindste sikkerheds laser scanner på markedet, men dette har ikke sat begrænsninger for de mange features.
Via det simple konfigurerings software, kan selv ret komplicerede advarsels og beskyttelses zoner let indstillesmanuelt eller via teach in. Zonerne kan også overvåges kontinuerligt, således at en en eventuel efterjustering hurtigt rettes til.
Under drift overvåges det programerede område af laserenheden,som aflæser afstanden til objektet ved princippet Time off flight (TOF). En pulserende laser stråle udsendes i en 270° roterende bevægelse, og hvis denne stråle reflekteres af et objekt inden for sikkerheds zonen, brydes OSSD udgangene. Sker det i en advarsels zone, vil det ikke afbryde OSSD udgangene, men man kan istedet få alarm signaler der kan bruges på anden vis.
Skannings område
Skanningsområdet kan indeholde både sikkerheds zoner og advarsels zoner som yderligere kan programeres på 2 forskellige måder. UAM-05 dækker et område på max. 5 meter sikkerheds zone og 20 meter advarsels zone, med 270° skannings vinkel
Metode 1 - som 2 særskilte sikkerheds zoner, der hver har 2 OSSD udgange. Her er der ingen advarsels zoner.
Metode 2- som 1 sikkerheds zone og 2 advarsels zoner.



Anvendelses områder
|
|
|
Område overvågning (fast) | Område overvågning (mobilt) | Område overvågning (som gitter) |
Data output
Måledata kan udløses via Ethernet, sammen med ind- og output tilstanden. Understøtter SCIP2.0 protokol
|
|
Konfiguration
UAM kan enten programeres via et forudprogrameret SD kort, eller med en PC, der er tilsluttet via USB.

Master/Slave-funktion
Hvis et større område skal overvåges, kan op til 4 enheder kombineres direkte i en master / slave opsætnin.

Encoder indgang
Hvis UAM-05 andvendes på AGV(Automatic guided vehicle) applikation, kan man med fordel anvende encoder indgangen, således at zonerne kan ændres i overensstemmelse med hastigheden.

Efterhånden som kravene til pålidelig niveau- og flowmåling stiger, bliver behovet for smartere og mere robust teknologi stadig vigtigere. Med Rosemount 1208 niveau- og flowradar præsenterer vi hos OEM Automatic en ny, berøringsfri niveauradar, der kombinerer høj præcision med nem installation – uanset om det er vand, havre eller kemikalier.
Aventics XV-serie fra Emerson muliggør øget fleksibilitet og effektivitet i produktionssystemer. Den moderne ventilteknologi i denne serie forbedrer udnyttelsen af trykluft og optimerer ydeevnen i pneumatiske systemer. Med sit kompakte design sparer XV-serien plads i styreskabet, samtidig med at ventilerne har lang levetid og kræver minimal vedligeholdelse. Dette giver øget oppetid og gør serien til et fremragende valg for nutidens krævende produktionsmiljøer.
Vi tilbyder et bredt udvalg af Tescom trykregulatorer, der dækker alt fra laboratorieanalyser til industrielle gasinstallationer. Tescom er kendt for sin høje kvalitet, fleksibilitet og pålidelighed – uanset om du arbejder med brandfarlige gasser, kalibreringsudstyr eller trykpaneler.
Fra og med 2025 har ACCREDIA introduceret et nyt logo og ændret logikken for tildeling af akkrediteringsnumre til kalibreringslaboratorier. Som følge heraf er Sensecas akkrediteringsnummer nu 00171, hvilket erstatter det tidligere LAT 124.
Senseca har fuldført denne opdatering inden den officielle deadline den 30. september 2025, og vi er glade for at kunne informere om, at alle nødvendige tilpasninger er implementeret.
Lær mere om, hvordan innovative kabelgennemføringssystemer kan imødekomme nutidens industrielle udfordringer ved at spare tid, forenkle installationen og tilbyde enestående fleksibilitet. Følg med, når vi dykker ned i, hvordan vores kabelgennemføringssystemer fra Conta-Clip påvirker industrielle installationer
Industrien kræver driftssikre løsninger med minimal vedligeholdelse – og det er præcis, hvad den nye VS-serie fra Salvatore Robuschi leverer.
Når pålidelighed og effektivitet er afgørende, tilbyder VS-serien en gennemtænkt løsning inden for væskeringsvakuumpumper.
|
|
|
|
|
|
||
|---|---|---|---|---|---|---|
|
|
|
|
|
|
||
|
|
|
|
|
|
||
|
|
|
|
|
|
||
|
|
|
|
|
|
||
|
|
|
|
|
|
||
|
|
|
|
|
|
| Favoritter | Artikler | Pris | |
|---|---|---|---|
|
Sikkerheds scanner 270° 5m, 3m kabel
Art:
UAM-05LP-T301
Kopieret
|
| ||
|
Sikkerheds scanner 270° 5m, med stik
Art:
UAM-05LP-T301C
Kopieret
|
|
Vælg en variant på listen