CROUZET CONTROL

1-faset over-/underspændingsrelæ MUS, MUSF

Kontrolrelæ til 1-faset spændingsovervågning, AC/DC. Relæet kræver ingen forsyningsspænding, men er i stedet strømfødet af målespændingen, der samtidigt overvåges (model MUS12DC er kun til DC-spænding). MUS-relæet giver brugeren muligheden for at vælge mellem forskellige kontrolfunktioner: Over- og underspænding, med eller uden hukommelse (hvis med hukommelse vælges, skal strømmen til relæet afbrydes for at genstarte) og en tidsforsinkelse Tt, der forhindrer midlertidige spændingsændringer (0,1-10 s). Justerbar hysterese (H) er 5 til 20 % af den indstillede værdi (gælder kun MUS-serien). Alle indstillinger foretages på fronten med en afbryder, og hvis indstillingen ændres i drift, begynder alle lysdioder at blinke, men enheden vil fortsat fungere normalt med den spænding, der blev indstillet ved den seneste forsyningstilslutning. MUSF-relæer har en vinduesfunktion, der betyder, at relæet overvåger spændingen mellem den nedre og den øvre grænseværdi. Grænseværdierne for over-/underspænding indstilles med to potentiometre på fronten, som er skaleret til den spænding (Un), der skal overvåges. MUSF har en statisk hysterese på 3 %. Funktionen er ellers den samme som for MUS-serien. Grøn lysdiode (Un) angiver forsyningsspænding OK. Gul lysdiode (R) angiver en aktiv relæudgang.

 

Over-/underspænding - uden hukommelse
(MUS)

Over-/underspænding - med hukommelse
(MUS)

Over-/underspænding - vinduesfunktion
(MUSF)

1: Grænseværdi

1: Grænseværdi

1: Øvre grænseværdi

2: Hysterese

2: Hysterese

2: Nedre grænseværdi

3: Overspændingsfunktion

3: Overspændingsfunktion

3: Hysterese

4: Underspændingsfunktion

4: Underspændingsfunktion

4: Overvåget signal

5: Overvåget signal

5: Overvåget signal

5: Tidsforsinkelse ved overskridelse
af grænseværdien (Tt)

6: Tidsforsinkelse ved overskridelse
af grænseværdien (Tt)

6: Tidsforsinkelse ved overskridelse
af grænseværdien (Tt)

6: Relæ

 

Tekniske data

Forsyningsspænding MUS12DC

12 V DC

 

Forsyningsspænding MUS/MUSF80ACDC

20-80 V AC/DC

 

Forsyningsspænding MUS/MUSF260AC/DC

65-260 V AC/DC

 

Effektforbrug

3,9 VA

 

Justerbart måleområde

Nedre grænseværdi

Øvre grænseværdi

MUS12DC

9 V DC

15 V DC

MUS/MUSF80ACDC

20 V AC/DC

80 V AC/DC

MUS/MUSF260ACDC

65 V AC/DC

260 V AC/DC

Hysterese

5-20 % af grænseværdi (MUS)

3 % af grænseværdi, statisk (MUSF)

Tidsforsinkelse, start

500 ms

 

Tidsforsinkelse Tt

0,1-10 s

 

Udgangsrelæ

Maks. brydestrøm 5 A (1 skiftekontakt, over-/underspænding)
Maks. brydespænding 250 V AC

Driftstemperatur

-20 °C til +50 °C

 

Vægt

80 g

 

Godkendelse

Ce-marking, (LVD) 73/23/EØF-EMC 89/336/EØF
RoHs.WEEE

Montering

DIN-skinne

 

 

Mål

 

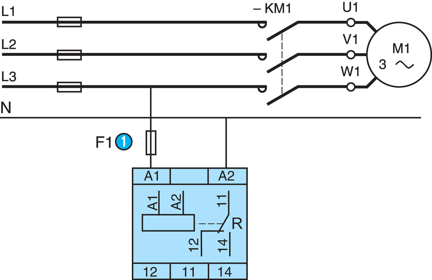
Tilslutning

1: F1: Flink sikring 100 mA (anbefaling)

 

Best.nr.

Bestillingsnr.

Beskrivelse

Forsyningsspænding

84872140

MUS12DC over-/underspænding (1 skiftekontakt)

12 V DC

84872141

MUS80ACDC over-/underspænding (1 skiftekontakt)

20-80 V AC/DC

84872142

MUS260ACDC over-/underspænding (1 skiftekontakt)

65-260 V AC/DC

84872151

MUSF80ACDC over-/underspænding (1 skiftekontakt) vinduesrelæ

20-80 V AC/DC

84872152

MUSF260ACDC over-/underspænding (1 skiftekontakt) vinduesrelæ

65-260 V AC/DC

 

  • Tre modeller med forskellige spændingsområder
  • Over-/underspænding med gentilslutning
  • Automatisk registrering af AC eller DC
  • 17,5 mm bredde til DIN-skinne

Udvalgt variant

Udvalgt variant

Specifikationer

Brydeevne 5A, 250V AC/DC
Forsyningsspænding 12V dc
Funktion Alarmer ved over- og underspænding
Grænseværdi nedre 9 V DC
Grænseværdi øvre 15 V DC
Hysterese 5-20% af grænseværdien
Montering 35 mm DIN-skinne
Temperaturområde fra -20 °C
Temperaturområde lager fra -40 °C
Temperaturområde lager til 70 °C
Temperaturområde til 50 °C
Tidsforsinkelse opstart 0,5 s
Tidsforsinkelse ved overskridelse af grænseværdien 0,1-10s
Udgang Relæ 1 pol C/O
Vægt 80 g

Mål & tilslutninger

Tekniske illustrationer

Produktbeskrivelse

Kontrolrelæ til 1-faset spændingsovervågning, AC/DC. Relæet kræver ingen forsyningsspænding, men er i stedet strømfødet af målespændingen, der samtidigt overvåges (model MUS12DC er kun til DC-spænding). MUS-relæet giver brugeren muligheden for at vælge mellem forskellige kontrolfunktioner: Over- og underspænding, med eller uden hukommelse (hvis med hukommelse vælges, skal strømmen til relæet afbrydes for at genstarte) og en tidsforsinkelse Tt, der forhindrer midlertidige spændingsændringer (0,1-10 s). Justerbar hysterese (H) er 5 til 20 % af den indstillede værdi (gælder kun MUS-serien). Alle indstillinger foretages på fronten med en afbryder, og hvis indstillingen ændres i drift, begynder alle lysdioder at blinke, men enheden vil fortsat fungere normalt med den spænding, der blev indstillet ved den seneste forsyningstilslutning. MUSF-relæer har en vinduesfunktion, der betyder, at relæet overvåger spændingen mellem den nedre og den øvre grænseværdi. Grænseværdierne for over-/underspænding indstilles med to potentiometre på fronten, som er skaleret til den spænding (Un), der skal overvåges. MUSF har en statisk hysterese på 3 %. Funktionen er ellers den samme som for MUS-serien. Grøn lysdiode (Un) angiver forsyningsspænding OK. Gul lysdiode (R) angiver en aktiv relæudgang.

 

Over-/underspænding - uden hukommelse
(MUS)

Over-/underspænding - med hukommelse
(MUS)

Over-/underspænding - vinduesfunktion
(MUSF)

1: Grænseværdi

1: Grænseværdi

1: Øvre grænseværdi

2: Hysterese

2: Hysterese

2: Nedre grænseværdi

3: Overspændingsfunktion

3: Overspændingsfunktion

3: Hysterese

4: Underspændingsfunktion

4: Underspændingsfunktion

4: Overvåget signal

5: Overvåget signal

5: Overvåget signal

5: Tidsforsinkelse ved overskridelse
af grænseværdien (Tt)

6: Tidsforsinkelse ved overskridelse
af grænseværdien (Tt)

6: Tidsforsinkelse ved overskridelse
af grænseværdien (Tt)

6: Relæ

 

Tekniske data

Forsyningsspænding MUS12DC

12 V DC

 

Forsyningsspænding MUS/MUSF80ACDC

20-80 V AC/DC

 

Forsyningsspænding MUS/MUSF260AC/DC

65-260 V AC/DC

 

Effektforbrug

3,9 VA

 

Justerbart måleområde

Nedre grænseværdi

Øvre grænseværdi

MUS12DC

9 V DC

15 V DC

MUS/MUSF80ACDC

20 V AC/DC

80 V AC/DC

MUS/MUSF260ACDC

65 V AC/DC

260 V AC/DC

Hysterese

5-20 % af grænseværdi (MUS)

3 % af grænseværdi, statisk (MUSF)

Tidsforsinkelse, start

500 ms

 

Tidsforsinkelse Tt

0,1-10 s

 

Udgangsrelæ

Maks. brydestrøm 5 A (1 skiftekontakt, over-/underspænding)
Maks. brydespænding 250 V AC

Driftstemperatur

-20 °C til +50 °C

 

Vægt

80 g

 

Godkendelse

Ce-marking, (LVD) 73/23/EØF-EMC 89/336/EØF
RoHs.WEEE

Montering

DIN-skinne

 

 

Mål

 

Tilslutning

1: F1: Flink sikring 100 mA (anbefaling)

 

Best.nr.

Bestillingsnr.

Beskrivelse

Forsyningsspænding

84872140

MUS12DC over-/underspænding (1 skiftekontakt)

12 V DC

84872141

MUS80ACDC over-/underspænding (1 skiftekontakt)

20-80 V AC/DC

84872142

MUS260ACDC over-/underspænding (1 skiftekontakt)

65-260 V AC/DC

84872151

MUSF80ACDC over-/underspænding (1 skiftekontakt) vinduesrelæ

20-80 V AC/DC

84872152

MUSF260ACDC over-/underspænding (1 skiftekontakt) vinduesrelæ

65-260 V AC/DC

 

Tilbehør

Omkostningseffektiv niveaumåling
Produktnyheder

Omkostningseffektiv og pålidelig niveaumåling med Rosemount 1208 niveau- og flowradar

Efterhånden som kravene til pålidelig niveau- og flowmåling stiger, bliver behovet for smartere og mere robust teknologi stadig vigtigere. Med Rosemount 1208 niveau- og flowradar præsenterer vi hos OEM Automatic en ny, berøringsfri niveauradar, der kombinerer høj præcision med nem installation – uanset om det er vand, havre eller kemikalier.

XV Ventiltermial
Produktnyheder

Modulær ventilterminal fra Aventics – XV-serien

Aventics XV-serie fra Emerson muliggør øget fleksibilitet og effektivitet i produktionssystemer. Den moderne ventilteknologi i denne serie forbedrer udnyttelsen af trykluft og optimerer ydeevnen i pneumatiske systemer. Med sit kompakte design sparer XV-serien plads i styreskabet, samtidig med at ventilerne har lang levetid og kræver minimal vedligeholdelse. Dette giver øget oppetid og gør serien til et fremragende valg for nutidens krævende produktionsmiljøer.

Tescom Trykregulatorer
Produktnyheder

TESCOM MULTI-PURPOSE TRYKREGULATORER

Vi tilbyder et bredt udvalg af Tescom trykregulatorer, der dækker alt fra laboratorieanalyser til industrielle gasinstallationer. Tescom er kendt for sin høje kvalitet, fleksibilitet og pålidelighed – uanset om du arbejder med brandfarlige gasser, kalibreringsudstyr eller trykpaneler.

Accredia logo
Produktnyheder

Senseca Italy Calibration Center opdaterer akkrediteringsnummer og logo

Fra og med 2025 har ACCREDIA introduceret et nyt logo og ændret logikken for tildeling af akkrediteringsnumre til kalibreringslaboratorier. Som følge heraf er Sensecas akkrediteringsnummer nu 00171, hvilket erstatter det tidligere LAT 124.

Senseca har fuldført denne opdatering inden den officielle deadline den 30. september 2025, og vi er glade for at kunne informere om, at alle nødvendige tilpasninger er implementeret.

Kabelgennemføring
Produktnyheder

ORGANISÉR DINE KABLER MED VORES KABELGENNEMFØRINGSSYSTEM FRA CONTA-CLIP 

Lær mere om, hvordan innovative kabelgennemføringssystemer kan imødekomme nutidens industrielle udfordringer ved at spare tid, forenkle installationen og tilbyde enestående fleksibilitet. Følg med, når vi dykker ned i, hvordan vores kabelgennemføringssystemer fra Conta-Clip påvirker industrielle installationer

VS pumpe listing image
Produktnyheder

NY VAKUUMPUMPE MED FOKUS PÅ DRIFTSSIKKERHED OG LAVERE VEDLIGEHOLDELSE

Industrien kræver driftssikre løsninger med minimal vedligeholdelse – og det er præcis, hvad den nye VS-serie fra Salvatore Robuschi leverer.
Når pålidelighed og effektivitet er afgørende, tilbyder VS-serien en gennemtænkt løsning inden for væskeringsvakuumpumper.

Favoritter Artikler Forsyningsspænding Funktion Grænseværdi nedre Grænseværdi øvre Hysterese Pris
12V dc
Alarmer ved over- og underspænding
9 V DC
15 V DC
5-20% af grænseværdien
24-48V ac/dc
Alarmer ved over- og underspænding
20 V AC/DC
80 V AC/DC
5-20% af grænseværdien
24-48V ac/dc
Alarmer ved over- og underspænding
20 V AC/DC
80 V AC/DC
Fast, 3% af grænseværdien
110-240V ac/dc
Alarmer ved over- eller underspænding
65 V AC/DC
260 V AC/DC
5-20% af grænseværdien
110-240V ac/dc
Alarmer ved over- og underspænding
65 V AC/DC
260 V AC/DC
Fast, 3% af grænseværdien

Udvalgt variant

Vælg en variant på listen

Teknisk rådgivning

Lars Bogetoft Christensen

Kundeservice
Har du har brug for hjælp? Kontakt os:
Har du brug for hjælp? Klik her!
Logo

COOKIE-INDSTILLINGER FOR OEMKLITSO.DK

Cookies hjælper os med at forbedre din oplevelse med os. Så for at kunne analysere trafikken, håndtere loginoplysninger, tilbyde dig personlige oplysninger og for at grundlæggende funktionalitet kan fungere på webssitet, skal vi bruge nogle cookies.

NØDVENDIGE COOKIES

Disse cookies er nødvendige for, at webstedet fungerer og kan ikke slås fra i vores systemer. De bruges normalt kun som reaktion på handlinger, du har foretaget i forbindelse med en serviceanmodning, f.eks. Når du angiver personlige præferencer, logger ind eller udfylder en formular.

ANALYSE OG MÅLING

Disse cookies giver os mulighed for at tælle antallet af besøg og trafikkilder, så vi kan måle og forbedre vores websteds ydeevne. De hjælper os med at vide, hvilke sider der er mere eller mindre populære, og hvordan besøgende navigerer rundt på webstedet. De oplysninger, som disse cookies indsamler, er aggregerede og derfor helt anonyme. Hvis du ikke tillader disse cookies, ved vi ikke, hvornår du har besøgt vores websted.

MARKEDSFØRING

Disse cookies kan tilføjes af vores partnere. De kan bruge dem til at oprette en profil af dig baseret på dine interesser for at vise dig mere relevante oplysninger. De gemmer ingen personlige oplysninger - kun oplysninger om din browser og enhed. Hvis du ikke accepterer disse cookies, får du en mere generel og mindre tilpasset brugeroplevelse.