CROUZET CONTROL

1-faset over-/understrømsrelæ HIL, HIH

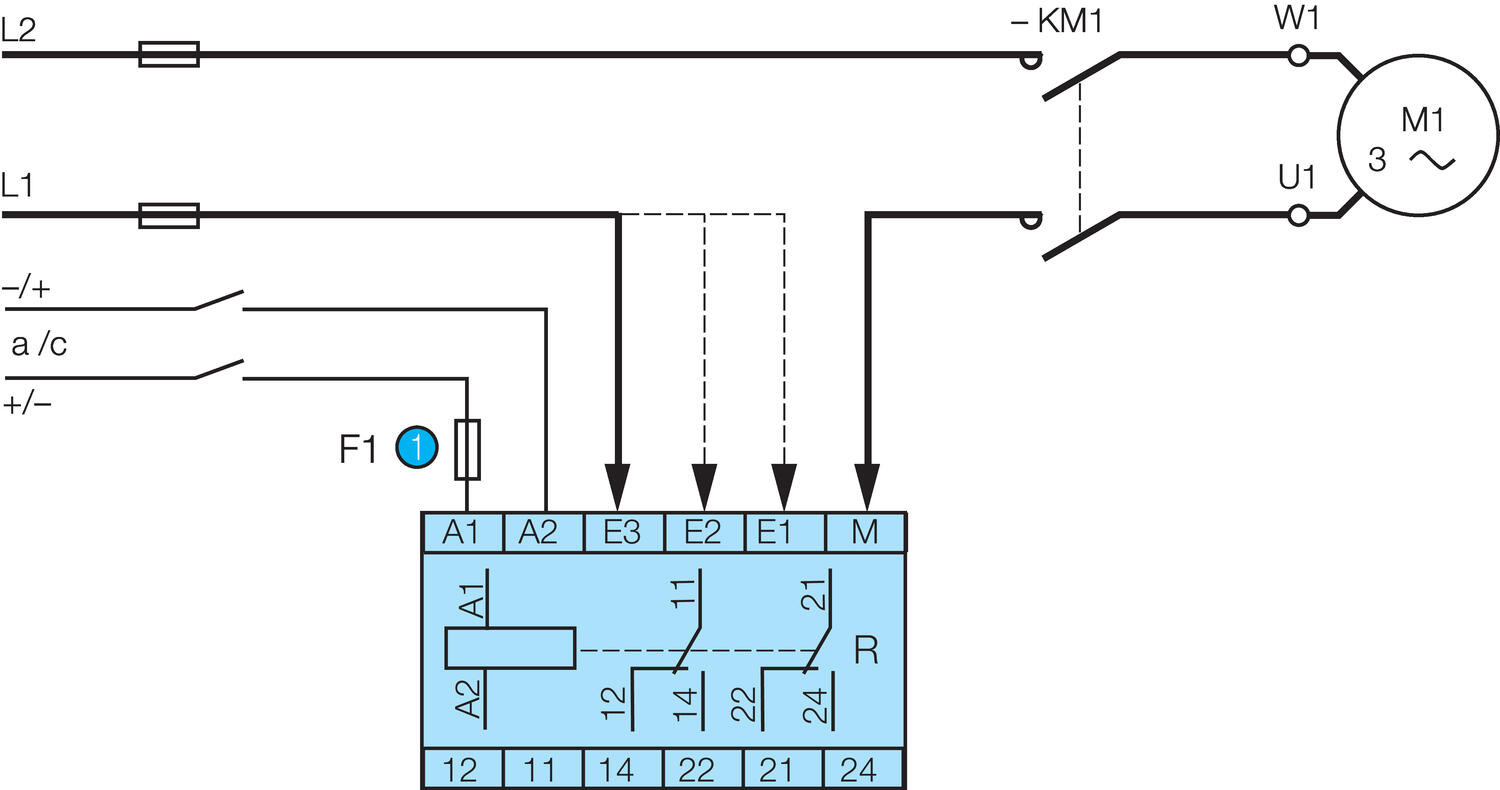
HIL- og HIH-kontrolrelæer anvendes til overvågning af 1-fasede AC/DC-strømstyrker. Relæet registrerer automatisk strømtypen, som skal måles. Relæet kræver en forsyningsspænding. Med en drejeafbryder kan der vælges mellem over- eller understrøm,med eller uden hukommelse. Hvis „med hukommelse“ vælges, skal forsyningsspændingen til relæet afbrydes for at genstarte. Afbryderpositionen, og derfor kontrolrelæets funktionstilstand, registreres, når driftsspændingen tilsluttes. Hvis afbryderen er i den forkerte position, forbliver relæet deaktiveret, og lysdioderne blinker for at angive en forkert indstilling. Hvis afbryderpositionen ændres ved drift, begynder alle lysdioder at blinke, men enheden vil fortsat fungere normalt med den funktion, der blev indstillet ved den seneste forsyningstilslutning. Lysdioderne vender tilbage til normal funktion, når afbryderen vender tilbage til sin originalposition, som blev indstillet før første forsyningstilslutning. Grænseværdien for over- og understrøm indstilles med et potentiometer, der er skaleret i procent af den strøm, der skal overvåges. Hysteresesværdien indstilles tilsvarende med en skala fra 5-50 % af den indstillede grænseværdi. Hystereseværdien kan ikke overstige måleområdets grænseværdi. Begge relæer er udstyret med en tidsforsinkelse (Tt) til at ignorere midlertidige strømafvigelser. HIL og HIH har også en tidsforsinkelse ved start (Tt), der kan justeres mellem 1-20 s for at undgå strømspidsbelastninger eller strømfald ved start. Hvis strømmen overstiger 10 A, kan der anvendes en strømtransformer. Grøn lysdiode (Un) angiver forsyningsspænding OK. Gul lysdiode (R) angiver en aktiv relæudgang.

  • To modeller: HIL 2 mA-500 mA, HIH 0,1 A-10 A
  • Styring/måling af galvanisk isolering
  • Automatisk registrering af AC eller DC
  • 35 mm bredde til DIN-skinne

Udvalgt variant

Udvalgt variant

Specifikationer

Brydeevne 5A, 250V AC/DC
E1-M max. continuous current in 25°C 2 A
E1-M max. current <1s at 25°C 17 A
E2-M max. continuous current in 25°C 11 A
E2-M max. current <1s at 25°C 20 A
E3-M max. continuous current in 25°C 11 A
E3-M max. current <1s at 25°C 50 A
Forsyningsspænding 24-240V ac/dc
Funktion Alarm ved over / under strøm
Godkendelser CE, CSA, RoHS, UL
Grænseværdi justerbar fra 10 %
Grænseværdi justerbar til 100 %
Hysterese Justerbar 5-50%
IP klasse kappe IP30
IP klasse tilslutning IP20
Montering DIN-skinne
Måleområde E1-M 0,1-1A
Måleområde E2-M 0,5-5A
Måleområde E3-M 1-10A
Temperaturområde fra -20 °C
Temperaturområde lager fra -30 °C
Temperaturområde lager til 70 °C
Temperaturområde til 50 °C
Tidsforsinkelse opstart 1-20s
Tidsforsinkelse ved overskridelse af grænseværdien 0,1-3s
Udgang Relæ 2 polet C/O
Vægt 130 g

Mål & tilslutninger

Tekniske illustrationer

Produktbeskrivelse

HIL- og HIH-kontrolrelæer anvendes til overvågning af 1-fasede AC/DC-strømstyrker. Relæet registrerer automatisk strømtypen, som skal måles. Relæet kræver en forsyningsspænding. Med en drejeafbryder kan der vælges mellem over- eller understrøm,med eller uden hukommelse. Hvis „med hukommelse“ vælges, skal forsyningsspændingen til relæet afbrydes for at genstarte. Afbryderpositionen, og derfor kontrolrelæets funktionstilstand, registreres, når driftsspændingen tilsluttes. Hvis afbryderen er i den forkerte position, forbliver relæet deaktiveret, og lysdioderne blinker for at angive en forkert indstilling. Hvis afbryderpositionen ændres ved drift, begynder alle lysdioder at blinke, men enheden vil fortsat fungere normalt med den funktion, der blev indstillet ved den seneste forsyningstilslutning. Lysdioderne vender tilbage til normal funktion, når afbryderen vender tilbage til sin originalposition, som blev indstillet før første forsyningstilslutning. Grænseværdien for over- og understrøm indstilles med et potentiometer, der er skaleret i procent af den strøm, der skal overvåges. Hysteresesværdien indstilles tilsvarende med en skala fra 5-50 % af den indstillede grænseværdi. Hystereseværdien kan ikke overstige måleområdets grænseværdi. Begge relæer er udstyret med en tidsforsinkelse (Tt) til at ignorere midlertidige strømafvigelser. HIL og HIH har også en tidsforsinkelse ved start (Tt), der kan justeres mellem 1-20 s for at undgå strømspidsbelastninger eller strømfald ved start. Hvis strømmen overstiger 10 A, kan der anvendes en strømtransformer. Grøn lysdiode (Un) angiver forsyningsspænding OK. Gul lysdiode (R) angiver en aktiv relæudgang.

Tilbehør

Tips og guides

Lær mere om strømforsyninger

Vi tilbyder et komplet sortiment af strømforsyninger, redundante systemer, DC-UPS og en række specialtilpassede enheder til f.eks. eksplosionsfarlige miljøer (ATEX) eller NEC class 2-kredsløb fra vores producent PULS. Strømforsyninger til 110 V DC indspænding med strømkapacitet fra 0,6 A op til 20 A (24 V DC).

Kabelgennemføring
Produktnyheder

ORGANISÉR DINE KABLER MED VORES KABELGENNEMFØRINGSSYSTEM FRA CONTA-CLIP 

Lær mere om, hvordan innovative kabelgennemføringssystemer kan imødekomme nutidens industrielle udfordringer ved at spare tid, forenkle installationen og tilbyde enestående fleksibilitet. Følg med, når vi dykker ned i, hvordan vores kabelgennemføringssystemer fra Conta-Clip påvirker industrielle installationer

Auer Smart Signal_Portraet
Produktnyheder

Næste niveau af industriel varsling

En ny produktserie fra Auer Signal lanceres i løbet af 2025, og de første modeller er nu klar til markedet. Serien er kendetegnet ved høj ydeevne, fleksibilitet og smarte funktioner – alt samlet i et moderne og robust design.

x guard maskinafskaermning
Produktnyheder

X‑Guard maskinafskærmning – fleksible og sikre hegnsystemer til industrien.

At beskytte både mennesker og maskiner er en selvfølge i et sikkert og effektivt produktionsmiljø. Med X‑Guard maskinafskærmning fra Axelent tilbyder vi hos OEM Automatic Klitsø et komplet, modulært og brugervenligt hegnsystem, der opfylder alle gældende krav til maskinsikkerhed og standarder. X‑Guard er udviklet med tre tydelige grundprincipper: fleksibilitet, enkel montering og høj sikkerhed. Resultatet er et smart og velafprøvet system, som i dag er et af markedets mest populære maskinafskærmninger til industrielle miljøer.

Liag ventil Listing
Produktnyheder

Hygiejniske ventiler fra LIAG – effektiv produktgenvinding og hygiejne i én løsning

I fødevare-, kosmetik- og farmaceutisk industri er der høje krav til hygiejne og effektivitet. Når du arbejder med viskose produkter, pastøse medier eller væsker med partikler, er det afgørende at have en ventil, der sikrer fuld passage, nem rengøring på stedet (CIP) og minimal vedligeholdelse.

Lær mere om fødevarer_Listing
Tips og guides

Fødevarer - Hygiejne & proceskontrol

Når det kommer til komponenter, der skal anvendes i fødevareproduktion, sætter vi kvalitet og sikkerhed i højsædet for at sikre, at de lever op til de højeste standarder og følger branchens regler. Ved valg af komponenter er materialevalg, korrekt godkendelse, kompatibilitet og pålidelighed helt afgørende faktorer i denne branche. Hver komponent skal vælges omhyggeligt og tilpasses for at imødekomme de strenge krav, der stilles.

Favoritter Artikler E1-M max. continuous current in 25°C E1-M max. current <1s at 25°C E2-M max. continuous current in 25°C E2-M max. current <1s at 25°C E3-M max. continuous current in 25°C E3-M max. current <1s at 25°C Måleområde E1-M Måleområde E2-M Måleområde E3-M Pris
2 A
17 A
11 A
20 A
11 A
50 A
0,1-1A
0,5-5A
1-10A
0,4 A
1 A
1 A
5 A
2 A
8 A
2-20mA
10-100mA
50-500mA

Udvalgt variant

Vælg en variant på listen

Teknisk rådgivning

Lars Bogetoft Christensen

Produktchef, El Automation

Kundeservice
Har du har brug for hjælp? Kontakt os:
Har du brug for hjælp? Klik her!
Logo

COOKIE-INDSTILLINGER FOR OEMKLITSO.DK

Cookies hjælper os med at forbedre din oplevelse med os. Så for at kunne analysere trafikken, håndtere loginoplysninger, tilbyde dig personlige oplysninger og for at grundlæggende funktionalitet kan fungere på webssitet, skal vi bruge nogle cookies.

NØDVENDIGE COOKIES

Disse cookies er nødvendige for, at webstedet fungerer og kan ikke slås fra i vores systemer. De bruges normalt kun som reaktion på handlinger, du har foretaget i forbindelse med en serviceanmodning, f.eks. Når du angiver personlige præferencer, logger ind eller udfylder en formular.

ANALYSE OG MÅLING

Disse cookies giver os mulighed for at tælle antallet af besøg og trafikkilder, så vi kan måle og forbedre vores websteds ydeevne. De hjælper os med at vide, hvilke sider der er mere eller mindre populære, og hvordan besøgende navigerer rundt på webstedet. De oplysninger, som disse cookies indsamler, er aggregerede og derfor helt anonyme. Hvis du ikke tillader disse cookies, ved vi ikke, hvornår du har besøgt vores websted.

MARKEDSFØRING

Disse cookies kan tilføjes af vores partnere. De kan bruge dem til at oprette en profil af dig baseret på dine interesser for at vise dig mere relevante oplysninger. De gemmer ingen personlige oplysninger - kun oplysninger om din browser og enhed. Hvis du ikke accepterer disse cookies, får du en mere generel og mindre tilpasset brugeroplevelse.