CROUZET CONTROL

3-faset over-/underspændingsrelæ

H3US, H3USN

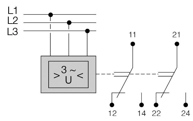
Kontrolrelæ til overvågning af 3-fasede net med nulleder (H3USN) og uden nulleder (H3US). Justerbar afbryder på fronten til justering af korrekt spænding i 3-fasede net. Afbryderens position registreres ikke, før driftsspændingen slås til. Hvis afbryderpositionen ændres ved drift, begynder alle lysdioder (lysdiodeangivelser) at blinke, men enheden vil fortsat fungere normalt med den spænding, der blev indstillet ved den seneste forsyningstilslutning. Overvåger underspænding mellem faserne, der kan indstilles mellem -2 % og -20 % af Un (målespænding) og overspænding, der kan indstilles mellem 2 % og 20 % af Un. Hver grænse (over-/underspænding) har sin egen relæudgang (R1 over og R2 under), og der er en justerbar tidsforsinkelse til hver relæudgang (Tt1 og Tt2), som kan justeres mellem 0,3-30 s. H3USN kontrollerer også for brud på nulleder. Grøn lysdiode (Un) angiver forsyningsspænding OK. Gul lysdiode (R) angiver en aktiv relæudgang.

 

  • Fasestyring af netspænding
  • Multiindgangsspænding
  • 35 mm bredde til DIN-skinne
  • LED-indikering

Udvalgt variant

Udvalgt variant

Specifikationer

Brydeevne 5A, 250V AC/DC
Forsyningsspænding 3 x 220-480V AC
Funktion Alarm ved over / under spænding
Godkendelser CE, CSA, RoHS, UL
Grænseværdi nedre -2 - -20%
Grænseværdi øvre 2 - 20%
Hysterese 2% af Un, fast værdi
IP klasse kappe IP30
IP klasse tilslutning IP20
Montering 35 mm DIN-skinne
Temperaturområde fra -20 °C
Temperaturområde lager fra -40 °C
Temperaturområde lager til 70 °C
Temperaturområde til 50 °C
Tidsforsinkelse opstart 0,5 s
Tidsforsinkelse ved overskridelse af grænseværdien 0,3-30s
Udgang 2 x relæ
Vægt 130 g
Valg af mærkespænding 220, 380, 400, 415, 440, 480V

Mål & tilslutninger

Tekniske illustrationer

Produktbeskrivelse

Kontrolrelæ til overvågning af 3-fasede net med nulleder (H3USN) og uden nulleder (H3US). Justerbar afbryder på fronten til justering af korrekt spænding i 3-fasede net. Afbryderens position registreres ikke, før driftsspændingen slås til. Hvis afbryderpositionen ændres ved drift, begynder alle lysdioder (lysdiodeangivelser) at blinke, men enheden vil fortsat fungere normalt med den spænding, der blev indstillet ved den seneste forsyningstilslutning. Overvåger underspænding mellem faserne, der kan indstilles mellem -2 % og -20 % af Un (målespænding) og overspænding, der kan indstilles mellem 2 % og 20 % af Un. Hver grænse (over-/underspænding) har sin egen relæudgang (R1 over og R2 under), og der er en justerbar tidsforsinkelse til hver relæudgang (Tt1 og Tt2), som kan justeres mellem 0,3-30 s. H3USN kontrollerer også for brud på nulleder. Grøn lysdiode (Un) angiver forsyningsspænding OK. Gul lysdiode (R) angiver en aktiv relæudgang.

 

Tilbehør

Kabelgennemføring
Produktnyheder

ORGANISÉR DINE KABLER MED VORES KABELGENNEMFØRINGSSYSTEM FRA CONTA-CLIP 

Lær mere om, hvordan innovative kabelgennemføringssystemer kan imødekomme nutidens industrielle udfordringer ved at spare tid, forenkle installationen og tilbyde enestående fleksibilitet. Følg med, når vi dykker ned i, hvordan vores kabelgennemføringssystemer fra Conta-Clip påvirker industrielle installationer

Auer Smart Signal_Portraet
Produktnyheder

Næste niveau af industriel varsling

En ny produktserie fra Auer Signal lanceres i løbet af 2025, og de første modeller er nu klar til markedet. Serien er kendetegnet ved høj ydeevne, fleksibilitet og smarte funktioner – alt samlet i et moderne og robust design.

XV Ventiltermial
Produktnyheder

Modulær ventilterminal fra Aventics – XV-serien

Aventics XV-serie fra Emerson muliggør øget fleksibilitet og effektivitet i produktionssystemer. Den moderne ventilteknologi i denne serie forbedrer udnyttelsen af trykluft og optimerer ydeevnen i pneumatiske systemer. Med sit kompakte design sparer XV-serien plads i styreskabet, samtidig med at ventilerne har lang levetid og kræver minimal vedligeholdelse. Dette giver øget oppetid og gør serien til et fremragende valg for nutidens krævende produktionsmiljøer.

Omkostningseffektiv niveaumåling
Produktnyheder

Omkostningseffektiv og pålidelig niveaumåling med Rosemount 1208 niveau- og flowradar

Efterhånden som kravene til pålidelig niveau- og flowmåling stiger, bliver behovet for smartere og mere robust teknologi stadig vigtigere. Med Rosemount 1208 niveau- og flowradar præsenterer vi hos OEM Automatic en ny, berøringsfri niveauradar, der kombinerer høj præcision med nem installation – uanset om det er vand, havre eller kemikalier.

Tescom Trykregulatorer
Produktnyheder

TESCOM MULTI-PURPOSE TRYKREGULATORER

Vi tilbyder et bredt udvalg af Tescom trykregulatorer, der dækker alt fra laboratorieanalyser til industrielle gasinstallationer. Tescom er kendt for sin høje kvalitet, fleksibilitet og pålidelighed – uanset om du arbejder med brandfarlige gasser, kalibreringsudstyr eller trykpaneler.

Accredia logo
Produktnyheder

Senseca Italy Calibration Center opdaterer akkrediteringsnummer og logo

Fra og med 2025 har ACCREDIA introduceret et nyt logo og ændret logikken for tildeling af akkrediteringsnumre til kalibreringslaboratorier. Som følge heraf er Sensecas akkrediteringsnummer nu 00171, hvilket erstatter det tidligere LAT 124.

Senseca har fuldført denne opdatering inden den officielle deadline den 30. september 2025, og vi er glade for at kunne informere om, at alle nødvendige tilpasninger er implementeret.

Favoritter Artikler Forsyningsspænding Valg af mærkespænding Pris
3 x 220-480V AC
220, 380, 400, 415, 440, 480V
3 x 120-277V AC
120, 127, 220, 230, 240, 260, 277V

Udvalgt variant

Vælg en variant på listen

Teknisk rådgivning

Lars Bogetoft Christensen

Kundeservice
Har du har brug for hjælp? Kontakt os:
Har du brug for hjælp? Klik her!
Logo

COOKIE-INDSTILLINGER FOR OEMKLITSO.DK

Cookies hjælper os med at forbedre din oplevelse med os. Så for at kunne analysere trafikken, håndtere loginoplysninger, tilbyde dig personlige oplysninger og for at grundlæggende funktionalitet kan fungere på webssitet, skal vi bruge nogle cookies.

NØDVENDIGE COOKIES

Disse cookies er nødvendige for, at webstedet fungerer og kan ikke slås fra i vores systemer. De bruges normalt kun som reaktion på handlinger, du har foretaget i forbindelse med en serviceanmodning, f.eks. Når du angiver personlige præferencer, logger ind eller udfylder en formular.

ANALYSE OG MÅLING

Disse cookies giver os mulighed for at tælle antallet af besøg og trafikkilder, så vi kan måle og forbedre vores websteds ydeevne. De hjælper os med at vide, hvilke sider der er mere eller mindre populære, og hvordan besøgende navigerer rundt på webstedet. De oplysninger, som disse cookies indsamler, er aggregerede og derfor helt anonyme. Hvis du ikke tillader disse cookies, ved vi ikke, hvornår du har besøgt vores websted.

MARKEDSFØRING

Disse cookies kan tilføjes af vores partnere. De kan bruge dem til at oprette en profil af dig baseret på dine interesser for at vise dig mere relevante oplysninger. De gemmer ingen personlige oplysninger - kun oplysninger om din browser og enhed. Hvis du ikke accepterer disse cookies, får du en mere generel og mindre tilpasset brugeroplevelse.