CROUZET CONTROL

3-faset over-/underspændingsrelæ M3US

Kontrolrelæ til overvågning af 3-faset net uden nulleder. Justerbar afbryder på fronten til justering af korrekt spænding i 3-fasede net. Afbryderens position registreres ikke, før driftsspændingen slås til. Hvis afbryderpositionen ændres ved drift, begynder alle lysdioder (lysdiodeangivelser) at blinke, men enheden vil fortsat fungere normalt med den spænding, der blev indstillet ved den seneste forsyningstilslutning. Overvåger underspænding mellem faserne, der kan indstilles mellem -2 % og -20 % af Un (målespænding) og overspænding, der kan indstilles mellem 2 % og 20 % af Un. Tidsforsinkelsen Tt forhindrer relæskift ved midlertidige forstyrrelser, og kan justeres mellem 0,3-30 s. Grøn lysdiode (Un) angiver forsyningsspænding OK. Gul lysdiode (R) angiver en aktiv relæudgang.

  • Fasestyring af netspænding
  • Multiindgangsspænding
  • 17,5 mm bredde til DIN-skinne
  • LED-indikering

Udvalgt variant

Control relay

M3US spændingsrelæ 3x208-440V AC 1CO

Art:

Udvalgt variant

Specifikationer

Brydeevne 5A, 250V AC/DC
Forsyningsspænding 3 x 208-480V AC
Funktion Alarm ved over / under spænding
Godkendelser CE, CSA, RoHS, UL
Grænseværdi nedre -2 - -20%
Grænseværdi øvre 2 - 20%
Hysterese 2% af Un, fast værdi
IP klasse kappe IP30
IP klasse tilslutning IP20
Montering 35 mm DIN-skinne
Temperaturområde fra -20 °C
Temperaturområde lager fra -40 °C
Temperaturområde lager til 70 °C
Temperaturområde til 50 °C
Tidsforsinkelse opstart 0,5 s
Tidsforsinkelse ved overskridelse af grænseværdien 0,3-30s
Udgang 2 x relæ
Vægt 80 g
Valg af mærkespænding 208, 220, 380, 400, 415, 440, 480V

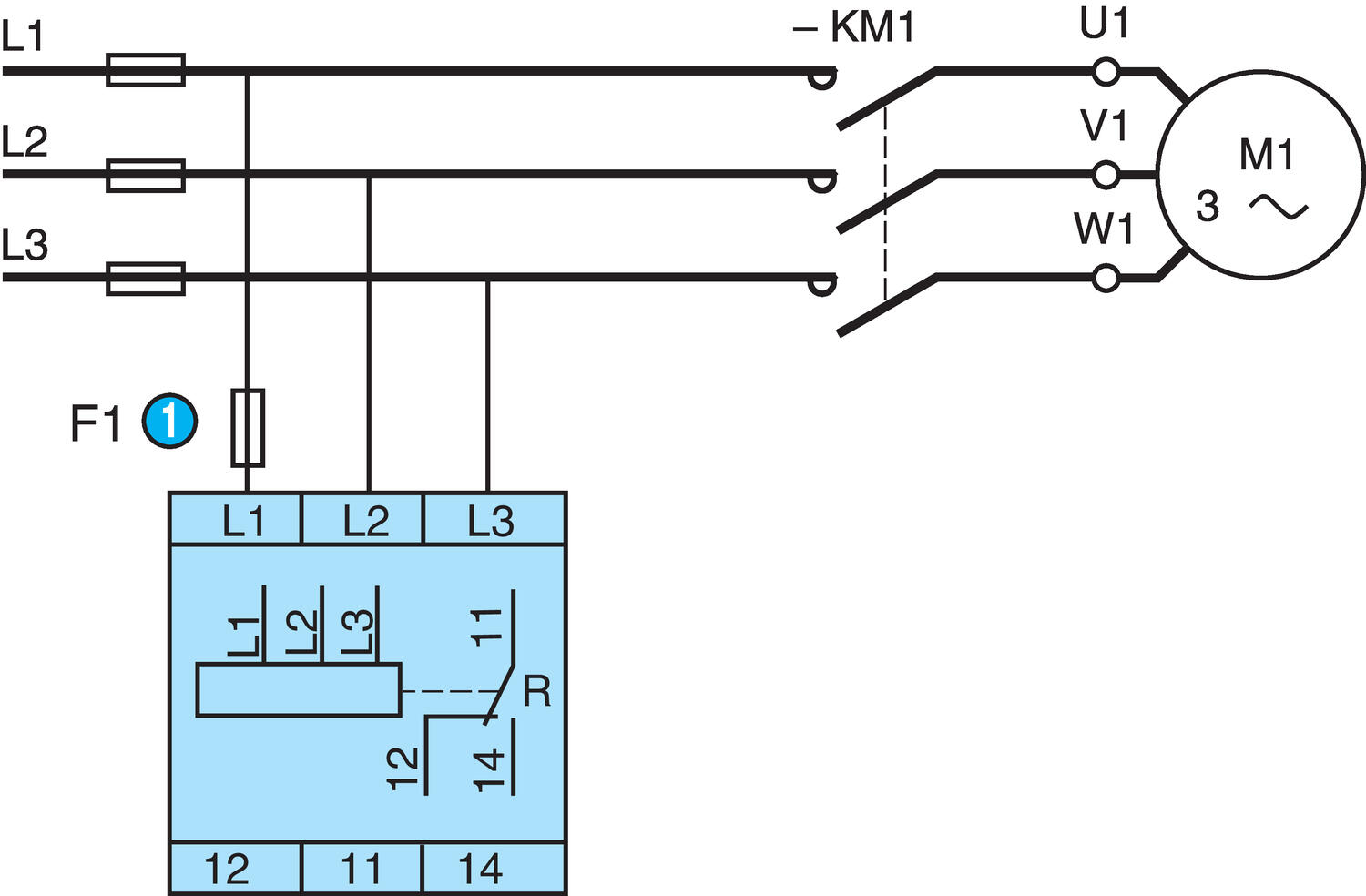
Mål & tilslutninger

Tekniske illustrationer

Produktbeskrivelse

Kontrolrelæ til overvågning af 3-faset net uden nulleder. Justerbar afbryder på fronten til justering af korrekt spænding i 3-fasede net. Afbryderens position registreres ikke, før driftsspændingen slås til. Hvis afbryderpositionen ændres ved drift, begynder alle lysdioder (lysdiodeangivelser) at blinke, men enheden vil fortsat fungere normalt med den spænding, der blev indstillet ved den seneste forsyningstilslutning. Overvåger underspænding mellem faserne, der kan indstilles mellem -2 % og -20 % af Un (målespænding) og overspænding, der kan indstilles mellem 2 % og 20 % af Un. Tidsforsinkelsen Tt forhindrer relæskift ved midlertidige forstyrrelser, og kan justeres mellem 0,3-30 s. Grøn lysdiode (Un) angiver forsyningsspænding OK. Gul lysdiode (R) angiver en aktiv relæudgang.

Tilbehør

Tips og guides

Lær mere om strømforsyninger

Vi tilbyder et komplet sortiment af strømforsyninger, redundante systemer, DC-UPS og en række specialtilpassede enheder til f.eks. eksplosionsfarlige miljøer (ATEX) eller NEC class 2-kredsløb fra vores producent PULS. Strømforsyninger til 110 V DC indspænding med strømkapacitet fra 0,6 A op til 20 A (24 V DC).

Kabelgennemføring
Produktnyheder

ORGANISÉR DINE KABLER MED VORES KABELGENNEMFØRINGSSYSTEM FRA CONTA-CLIP 

Lær mere om, hvordan innovative kabelgennemføringssystemer kan imødekomme nutidens industrielle udfordringer ved at spare tid, forenkle installationen og tilbyde enestående fleksibilitet. Følg med, når vi dykker ned i, hvordan vores kabelgennemføringssystemer fra Conta-Clip påvirker industrielle installationer

Auer Smart Signal_Portraet
Produktnyheder

Næste niveau af industriel varsling

En ny produktserie fra Auer Signal lanceres i løbet af 2025, og de første modeller er nu klar til markedet. Serien er kendetegnet ved høj ydeevne, fleksibilitet og smarte funktioner – alt samlet i et moderne og robust design.

Liag ventil Listing
Produktnyheder

Hygiejniske ventiler fra LIAG – effektiv produktgenvinding og hygiejne i én løsning

I fødevare-, kosmetik- og farmaceutisk industri er der høje krav til hygiejne og effektivitet. Når du arbejder med viskose produkter, pastøse medier eller væsker med partikler, er det afgørende at have en ventil, der sikrer fuld passage, nem rengøring på stedet (CIP) og minimal vedligeholdelse.

Lær mere om fødevarer_Listing
Tips og guides

Fødevarer - Hygiejne & proceskontrol

Når det kommer til komponenter, der skal anvendes i fødevareproduktion, sætter vi kvalitet og sikkerhed i højsædet for at sikre, at de lever op til de højeste standarder og følger branchens regler. Ved valg af komponenter er materialevalg, korrekt godkendelse, kompatibilitet og pålidelighed helt afgørende faktorer i denne branche. Hver komponent skal vælges omhyggeligt og tilpasses for at imødekomme de strenge krav, der stilles.

Smart-Line af Zimmerlin
Produktnyheder

Tankdæksler på rekordtid med Smart-Line

Nu kan du få præfabrikerede og konfigurerbare trykdæksler leveret på kun 2 uger – en hurtig og fleksibel løsning, der sparer dig både tid og besvær.

Teknisk rådgivning

Lars Bogetoft Christensen

Produktchef, El Automation

Kundeservice
Har du har brug for hjælp? Kontakt os:
Har du brug for hjælp? Klik her!
Logo

COOKIE-INDSTILLINGER FOR OEMKLITSO.DK

Cookies hjælper os med at forbedre din oplevelse med os. Så for at kunne analysere trafikken, håndtere loginoplysninger, tilbyde dig personlige oplysninger og for at grundlæggende funktionalitet kan fungere på webssitet, skal vi bruge nogle cookies.

NØDVENDIGE COOKIES

Disse cookies er nødvendige for, at webstedet fungerer og kan ikke slås fra i vores systemer. De bruges normalt kun som reaktion på handlinger, du har foretaget i forbindelse med en serviceanmodning, f.eks. Når du angiver personlige præferencer, logger ind eller udfylder en formular.

ANALYSE OG MÅLING

Disse cookies giver os mulighed for at tælle antallet af besøg og trafikkilder, så vi kan måle og forbedre vores websteds ydeevne. De hjælper os med at vide, hvilke sider der er mere eller mindre populære, og hvordan besøgende navigerer rundt på webstedet. De oplysninger, som disse cookies indsamler, er aggregerede og derfor helt anonyme. Hvis du ikke tillader disse cookies, ved vi ikke, hvornår du har besøgt vores websted.

MARKEDSFØRING

Disse cookies kan tilføjes af vores partnere. De kan bruge dem til at oprette en profil af dig baseret på dine interesser for at vise dig mere relevante oplysninger. De gemmer ingen personlige oplysninger - kun oplysninger om din browser og enhed. Hvis du ikke accepterer disse cookies, får du en mere generel og mindre tilpasset brugeroplevelse.