CROUZET CONTROL

Overvågning af 3-fasede og 1-fasede pumper

HPC

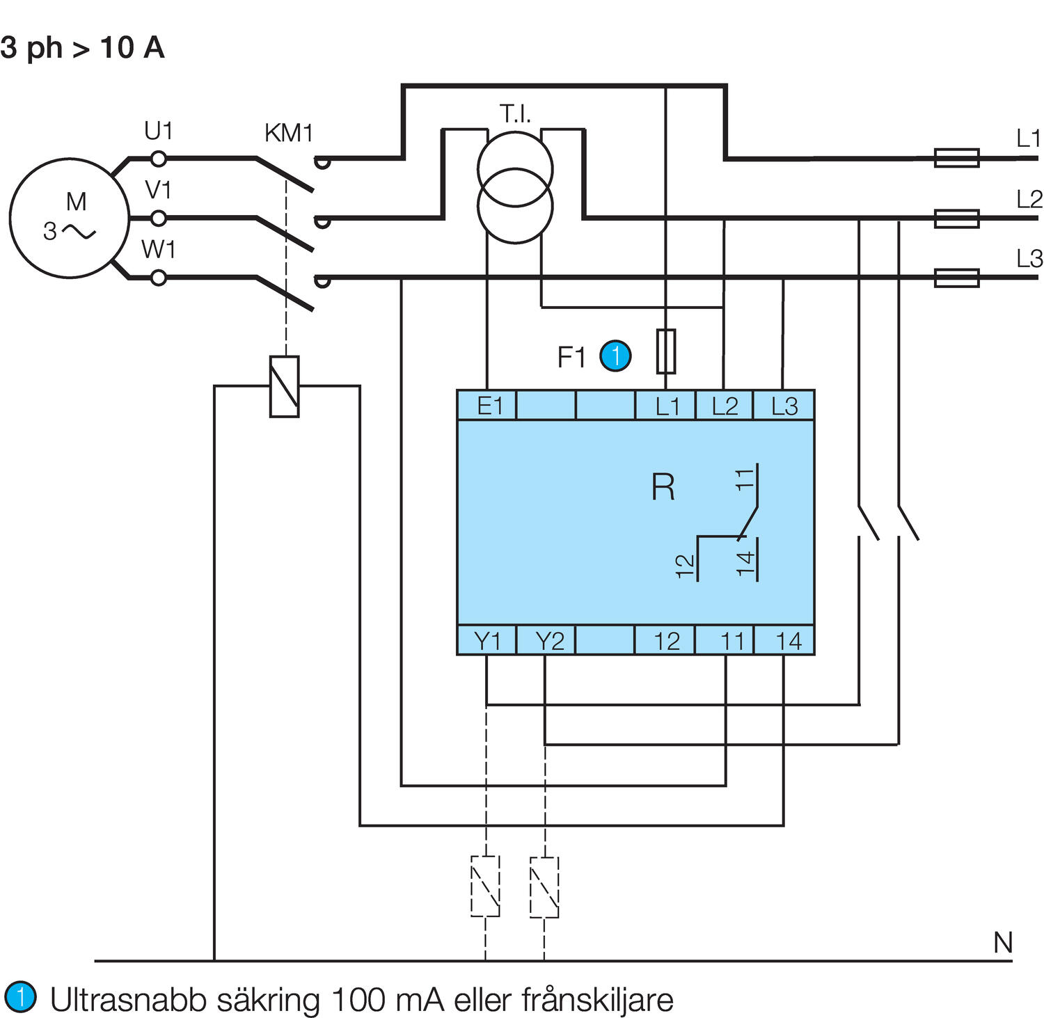
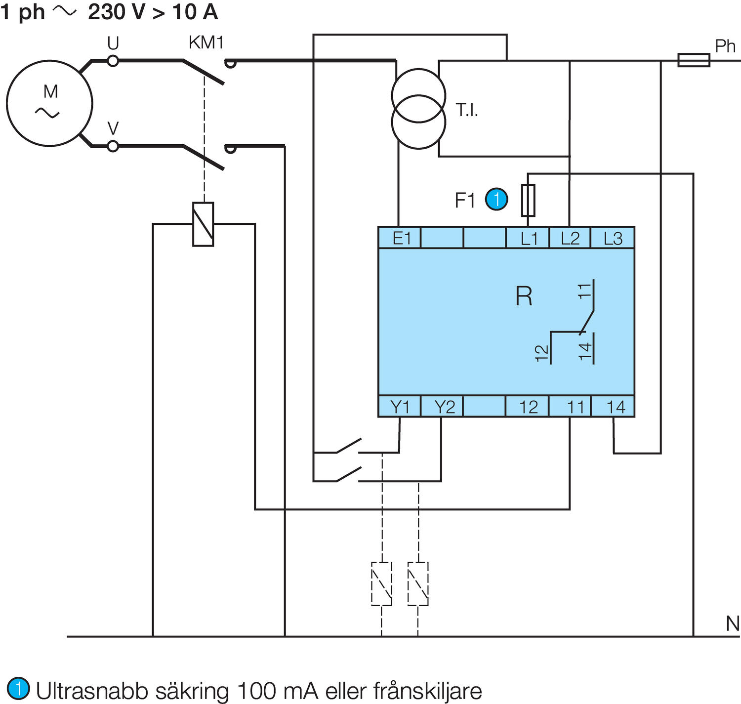
Pumpeovervågning kan anvendes i 1-fasede eller 3-fasede net. Der leveres tre funktioner i samme enhed:

- Aktuel overvågning

- Kontrol af fasebrud (3-fasede net)

- Kontrol af fasefølge (3-fasede net)

Der findes to funktionspositioner, der anvendes til styring af en pumpe via to eksterne signalindgange (Y1 og Y2). Begge disse
signaler styres af spændingsløse kontakter. Fejlangivelse opnås via lysdioder, som også angiver de forskellige fejlårsager. Grøn lysdiode (Un)
angiver forsyningsspænding OK. Gul lysdiode (R) angiver en aktiv relæudgang.

Via en drejeafbryder på fronten kan følgende funktioner vælges:

- Enkeltstyring

- Dobbeltstyring

- 1-faset eller 3-faset

Drejeafbryderens position registreres ikke, før driftsspændingen slås til. Hvis afbryderpositionen ændres ved drift, begynder alle
lysdioder at blinke, men enheden vil fortsat fungere normalt i den tilstand, der blev indstillet ved den seneste forsyningstilslutning.
Lysdioderne vender tilbage til normal funktion, hvis afbryderen vender tilbage til udgangspositionen, som blev indstillet ved den tidligere
forsyningstilslutning.

Over-/understrømsværdierne indstilles med to separate potentiometre, der er skaleret fra 1 til 10 A. Hvis indstillingen er forkert
(den nedre grænseværdi er højere end den øvre grænseværdi), falder relæet ud, og alle lysdioder blinker for at angive en fejl.

Hvis en over-/understrømsfejl opstår, falder relæet ud, hvis fejlen vedvarer efter den forhåndsindstillede tidsforsinkelse (Tt). Når værdien for strømstyrke
vender tilbage til normalen, forbliver relæet uberørt, indtil forsyningsspændingen udkobles, eller indtil den eksterne kontakt Y2 lukkes (til enkeltstyring).

  • Overvågning, fasefølge og fasebrud
  • Registrerer effektforbrug (over-/understrøm)
  • Digitale indgange
  • Strømmåling med True RMS

Udvalgt variant

Control relay

HPC pumpe kontrolrelæ 208-480V AC

Art:

Udvalgt variant

Specifikationer

Brydeevne 5A, 250V AC/DC
Forsyningsspænding AC max 528 V AC
Forsyningsspænding AC min 183 V AC
Funktion Alarm ved fase sekvens, fasefejl og over / under strøm
Godkendelser CSA, GL, RoHS, UL
Hysterese Fast, 5%
IP klasse kappe IP30
IP klasse tilslutning IP20
Montering 35 mm DIN-skinne
Måleområde 1-10A
Not Repetitive Overload <1 S At 25 ° C 50 A
Relæudgang 1stk. skiftekontakt
Temperaturområde fra -20 °C
Temperaturområde lager fra -40 °C
Temperaturområde lager til 70 °C
Temperaturområde til 50 °C
Tidsforsinkelse opstart 0,1-60s
Tidsforsinkelse ved overskridelse af grænseværdien 0,1-10s
Vægt 100 g

Mål & tilslutninger

Produktbeskrivelse

Pumpeovervågning kan anvendes i 1-fasede eller 3-fasede net. Der leveres tre funktioner i samme enhed:

- Aktuel overvågning

- Kontrol af fasebrud (3-fasede net)

- Kontrol af fasefølge (3-fasede net)

Der findes to funktionspositioner, der anvendes til styring af en pumpe via to eksterne signalindgange (Y1 og Y2). Begge disse
signaler styres af spændingsløse kontakter. Fejlangivelse opnås via lysdioder, som også angiver de forskellige fejlårsager. Grøn lysdiode (Un)
angiver forsyningsspænding OK. Gul lysdiode (R) angiver en aktiv relæudgang.

Via en drejeafbryder på fronten kan følgende funktioner vælges:

- Enkeltstyring

- Dobbeltstyring

- 1-faset eller 3-faset

Drejeafbryderens position registreres ikke, før driftsspændingen slås til. Hvis afbryderpositionen ændres ved drift, begynder alle
lysdioder at blinke, men enheden vil fortsat fungere normalt i den tilstand, der blev indstillet ved den seneste forsyningstilslutning.
Lysdioderne vender tilbage til normal funktion, hvis afbryderen vender tilbage til udgangspositionen, som blev indstillet ved den tidligere
forsyningstilslutning.

Over-/understrømsværdierne indstilles med to separate potentiometre, der er skaleret fra 1 til 10 A. Hvis indstillingen er forkert
(den nedre grænseværdi er højere end den øvre grænseværdi), falder relæet ud, og alle lysdioder blinker for at angive en fejl.

Hvis en over-/understrømsfejl opstår, falder relæet ud, hvis fejlen vedvarer efter den forhåndsindstillede tidsforsinkelse (Tt). Når værdien for strømstyrke
vender tilbage til normalen, forbliver relæet uberørt, indtil forsyningsspændingen udkobles, eller indtil den eksterne kontakt Y2 lukkes (til enkeltstyring).

Tilbehør

Omkostningseffektiv niveaumåling
Produktnyheder

Omkostningseffektiv og pålidelig niveaumåling med Rosemount 1208 niveau- og flowradar

Efterhånden som kravene til pålidelig niveau- og flowmåling stiger, bliver behovet for smartere og mere robust teknologi stadig vigtigere. Med Rosemount 1208 niveau- og flowradar præsenterer vi hos OEM Automatic en ny, berøringsfri niveauradar, der kombinerer høj præcision med nem installation – uanset om det er vand, havre eller kemikalier.

XV Ventiltermial
Produktnyheder

Modulær ventilterminal fra Aventics – XV-serien

Aventics XV-serie fra Emerson muliggør øget fleksibilitet og effektivitet i produktionssystemer. Den moderne ventilteknologi i denne serie forbedrer udnyttelsen af trykluft og optimerer ydeevnen i pneumatiske systemer. Med sit kompakte design sparer XV-serien plads i styreskabet, samtidig med at ventilerne har lang levetid og kræver minimal vedligeholdelse. Dette giver øget oppetid og gør serien til et fremragende valg for nutidens krævende produktionsmiljøer.

Tescom Trykregulatorer
Produktnyheder

TESCOM MULTI-PURPOSE TRYKREGULATORER

Vi tilbyder et bredt udvalg af Tescom trykregulatorer, der dækker alt fra laboratorieanalyser til industrielle gasinstallationer. Tescom er kendt for sin høje kvalitet, fleksibilitet og pålidelighed – uanset om du arbejder med brandfarlige gasser, kalibreringsudstyr eller trykpaneler.

Accredia logo
Produktnyheder

Senseca Italy Calibration Center opdaterer akkrediteringsnummer og logo

Fra og med 2025 har ACCREDIA introduceret et nyt logo og ændret logikken for tildeling af akkrediteringsnumre til kalibreringslaboratorier. Som følge heraf er Sensecas akkrediteringsnummer nu 00171, hvilket erstatter det tidligere LAT 124.

Senseca har fuldført denne opdatering inden den officielle deadline den 30. september 2025, og vi er glade for at kunne informere om, at alle nødvendige tilpasninger er implementeret.

Kabelgennemføring
Produktnyheder

ORGANISÉR DINE KABLER MED VORES KABELGENNEMFØRINGSSYSTEM FRA CONTA-CLIP 

Lær mere om, hvordan innovative kabelgennemføringssystemer kan imødekomme nutidens industrielle udfordringer ved at spare tid, forenkle installationen og tilbyde enestående fleksibilitet. Følg med, når vi dykker ned i, hvordan vores kabelgennemføringssystemer fra Conta-Clip påvirker industrielle installationer

VS pumpe listing image
Produktnyheder

NY VAKUUMPUMPE MED FOKUS PÅ DRIFTSSIKKERHED OG LAVERE VEDLIGEHOLDELSE

Industrien kræver driftssikre løsninger med minimal vedligeholdelse – og det er præcis, hvad den nye VS-serie fra Salvatore Robuschi leverer.
Når pålidelighed og effektivitet er afgørende, tilbyder VS-serien en gennemtænkt løsning inden for væskeringsvakuumpumper.

Teknisk rådgivning

Lars Bogetoft Christensen

Kundeservice
Har du har brug for hjælp? Kontakt os:
Har du brug for hjælp? Klik her!
Logo

COOKIE-INDSTILLINGER FOR OEMKLITSO.DK

Cookies hjælper os med at forbedre din oplevelse med os. Så for at kunne analysere trafikken, håndtere loginoplysninger, tilbyde dig personlige oplysninger og for at grundlæggende funktionalitet kan fungere på webssitet, skal vi bruge nogle cookies.

NØDVENDIGE COOKIES

Disse cookies er nødvendige for, at webstedet fungerer og kan ikke slås fra i vores systemer. De bruges normalt kun som reaktion på handlinger, du har foretaget i forbindelse med en serviceanmodning, f.eks. Når du angiver personlige præferencer, logger ind eller udfylder en formular.

ANALYSE OG MÅLING

Disse cookies giver os mulighed for at tælle antallet af besøg og trafikkilder, så vi kan måle og forbedre vores websteds ydeevne. De hjælper os med at vide, hvilke sider der er mere eller mindre populære, og hvordan besøgende navigerer rundt på webstedet. De oplysninger, som disse cookies indsamler, er aggregerede og derfor helt anonyme. Hvis du ikke tillader disse cookies, ved vi ikke, hvornår du har besøgt vores websted.

MARKEDSFØRING

Disse cookies kan tilføjes af vores partnere. De kan bruge dem til at oprette en profil af dig baseret på dine interesser for at vise dig mere relevante oplysninger. De gemmer ingen personlige oplysninger - kun oplysninger om din browser og enhed. Hvis du ikke accepterer disse cookies, får du en mere generel og mindre tilpasset brugeroplevelse.