CROUZET CONTROL

Tidsrelæ for DIN-skinne

1- og 2-polet (17,5mm)

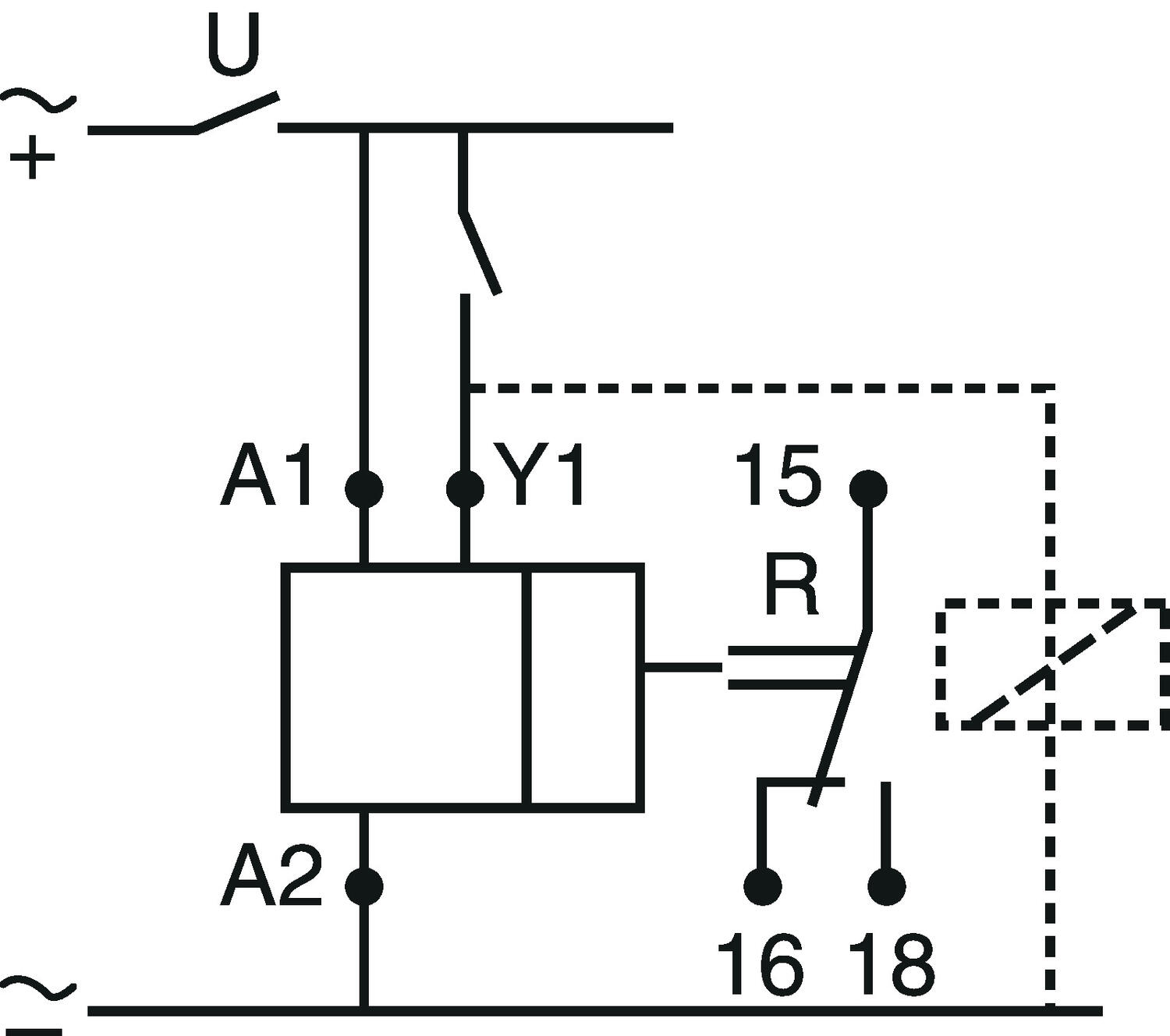
Syr-Line er en ny kompakt tidsrelæserie fra Crouzet, der passer i norm kapsling. De 1-polede timere formår at bryde 16 A (AC1) og de 2-polede 2x8 A (AC1). Bredden på 17,5mm er gældende for både de enkelte og dobbelte polede relæer.

BM1R og BM2R er multifunktions relæer med 12 forskellige justerbare funktioner.

På BM2R kan relækontakt 2 (R2) indstilles til enten at følge tidsindstillingen eller blive aktiveret af styreindgangen Y1 på tidsrelæet.

BL1R og BL2R har en gentag cyklus, hvor timeren kan indstille separate tider for pause og drifttid.

En ekstern belastning kan forbindes i parallel med styreindgangen (Y1). Grøn LED indikerer, at forsyningsspændingen (blinker under tidstælling). En gul lysdiode indikerer, at relæet er aktiveret. Alle modeller har multi-spænding 12-240 V AC / DC.

Syr-Line serien har et gennemsigtigt beskyttende dæksel over funktionsindstillingerne, for at forhindre utilsigtede ændringer.

Den beskyttende dæksel kan let fjernes, hvis du ændrer indstillingerne ofte og ønsker at få en lettere adgang.

 

  • Single- og multifunktion
  • 7 tidsområder - 0,1 s. - 240t.
  • Multispænding 12-240V AC/DC
  • Passer i normkapsling 17,5mm bredde

Udvalgt variant

Udvalgt variant

Specifikationer

Brydeevne 4000 VA / 90W @25°C
Brydestrøm max 16 A
Effektforbrug 1,5 W
Forsyningsspænding 12-240V AC/DC
Funktion A - Indkobling forsinket, Ac - Tænd/sluk forsinkelse, Kl - Tænd akkumuleret tid forsinket (blokering), B - Justerbar pulslængde, C - Slukning forsinket, D - Pause gangtid (et rat), Tir - Gåpausetid (et rat), H - Inverteret afbryder tændt, Ht - Inverteret kontakt til akkumuleret tid (blokering), N - Sikkerhedsforsinket sluk, TL - Shift Relay (Bistable), Tt - Slukningsforsinket skifterelæ
Gentagelsesnøjagtighed 0,5 %
Godkendelser CCC, CE, REACH, RoHS, UL
IP klasse kappe IP40
IP klasse tilslutning IP20
Kabelområde uden ærme 1 x 0,5-3,3 mm², 2 x 0,5-1,5 mm²
Montering DIN-skinne
Multifunction Ja
Responstid ind 30 ms
Responstid ud 120 ms
Temperaturområde fra -20 °C
Temperaturområde lager fra -40 °C
Temperaturområde lager til 70 °C
Temperaturområde til 60 °C
Tidsinterval 0,5-10 s, 0,05-1 min, 0,5-10 min, 0,05-1 h, 0,5-10 h, 0,05-1 d, 0,5-10 d
Udgang Relæ 1 pol C/O
Vægt 70 g

Mål & tilslutninger

Tekniske illustrationer

Produktbeskrivelse

Syr-Line er en ny kompakt tidsrelæserie fra Crouzet, der passer i norm kapsling. De 1-polede timere formår at bryde 16 A (AC1) og de 2-polede 2x8 A (AC1). Bredden på 17,5mm er gældende for både de enkelte og dobbelte polede relæer.

BM1R og BM2R er multifunktions relæer med 12 forskellige justerbare funktioner.

På BM2R kan relækontakt 2 (R2) indstilles til enten at følge tidsindstillingen eller blive aktiveret af styreindgangen Y1 på tidsrelæet.

BL1R og BL2R har en gentag cyklus, hvor timeren kan indstille separate tider for pause og drifttid.

En ekstern belastning kan forbindes i parallel med styreindgangen (Y1). Grøn LED indikerer, at forsyningsspændingen (blinker under tidstælling). En gul lysdiode indikerer, at relæet er aktiveret. Alle modeller har multi-spænding 12-240 V AC / DC.

Syr-Line serien har et gennemsigtigt beskyttende dæksel over funktionsindstillingerne, for at forhindre utilsigtede ændringer.

Den beskyttende dæksel kan let fjernes, hvis du ændrer indstillingerne ofte og ønsker at få en lettere adgang.

 

Tilbehør

Tips og guides

Lær mere om strømforsyninger

Vi tilbyder et komplet sortiment af strømforsyninger, redundante systemer, DC-UPS og en række specialtilpassede enheder til f.eks. eksplosionsfarlige miljøer (ATEX) eller NEC class 2-kredsløb fra vores producent PULS. Strømforsyninger til 110 V DC indspænding med strømkapacitet fra 0,6 A op til 20 A (24 V DC).

Kabelgennemføring
Produktnyheder

ORGANISÉR DINE KABLER MED VORES KABELGENNEMFØRINGSSYSTEM FRA CONTA-CLIP 

Lær mere om, hvordan innovative kabelgennemføringssystemer kan imødekomme nutidens industrielle udfordringer ved at spare tid, forenkle installationen og tilbyde enestående fleksibilitet. Følg med, når vi dykker ned i, hvordan vores kabelgennemføringssystemer fra Conta-Clip påvirker industrielle installationer

Auer Smart Signal_Portraet
Produktnyheder

Næste niveau af industriel varsling

En ny produktserie fra Auer Signal lanceres i løbet af 2025, og de første modeller er nu klar til markedet. Serien er kendetegnet ved høj ydeevne, fleksibilitet og smarte funktioner – alt samlet i et moderne og robust design.

x guard maskinafskaermning
Produktnyheder

X‑Guard maskinafskærmning – fleksible og sikre hegnsystemer til industrien.

At beskytte både mennesker og maskiner er en selvfølge i et sikkert og effektivt produktionsmiljø. Med X‑Guard maskinafskærmning fra Axelent tilbyder vi hos OEM Automatic Klitsø et komplet, modulært og brugervenligt hegnsystem, der opfylder alle gældende krav til maskinsikkerhed og standarder. X‑Guard er udviklet med tre tydelige grundprincipper: fleksibilitet, enkel montering og høj sikkerhed. Resultatet er et smart og velafprøvet system, som i dag er et af markedets mest populære maskinafskærmninger til industrielle miljøer.

Liag ventil Listing
Produktnyheder

Hygiejniske ventiler fra LIAG – effektiv produktgenvinding og hygiejne i én løsning

I fødevare-, kosmetik- og farmaceutisk industri er der høje krav til hygiejne og effektivitet. Når du arbejder med viskose produkter, pastøse medier eller væsker med partikler, er det afgørende at have en ventil, der sikrer fuld passage, nem rengøring på stedet (CIP) og minimal vedligeholdelse.

Lær mere om fødevarer_Listing
Tips og guides

Fødevarer - Hygiejne & proceskontrol

Når det kommer til komponenter, der skal anvendes i fødevareproduktion, sætter vi kvalitet og sikkerhed i højsædet for at sikre, at de lever op til de højeste standarder og følger branchens regler. Ved valg af komponenter er materialevalg, korrekt godkendelse, kompatibilitet og pålidelighed helt afgørende faktorer i denne branche. Hver komponent skal vælges omhyggeligt og tilpasses for at imødekomme de strenge krav, der stilles.

Favoritter Artikler Brydeevne Brydestrøm max Funktion Multifunction Udgang Pris
4000 VA / 90W @25°C
16 A
A - Indkobling forsinket, Ac - Tænd/sluk forsinkelse, Kl - Tænd akkumuleret tid forsinket (blokering), B - Justerbar pulslængde, C - Slukning forsinket, D - Pause gangtid (et rat), Tir - Gåpausetid (et rat), H - Inverteret afbryder tændt, Ht - Inverteret kontakt til akkumuleret tid (blokering), N - Sikkerhedsforsinket sluk, TL - Shift Relay (Bistable), Tt - Slukningsforsinket skifterelæ
Ja
Relæ 1 pol C/O
2000 VA / 80W @25°C
8 A
A - Indkobling forsinket, Ac - Tænd/sluk forsinkelse, Kl - Tænd akkumuleret tid forsinket (blokering), B - Justerbar pulslængde, C - Slukning forsinket, D - Pause gangtid (et rat), Tir - Gåpausetid (et rat), H - Inverteret afbryder tændt, Ht - Inverteret kontakt til akkumuleret tid (blokering), N - Sikkerhedsforsinket sluk, TL - Shift Relay (Bistable), Tt - Slukningsforsinket skifterelæ
Ja
Relæ 2 polet C/O
4000 VA / 90W @25°C
16 A
A - Indkobling forsinket, Kl - Tænd akkumuleret tid forsinket (blokering)
Nej
Relæ 1 pol C/O
2000 VA / 80W @25°C
8 A
A - Indkobling forsinket, Kl - Tænd akkumuleret tid forsinket (blokering)
Nej
Relæ 2 polet C/O
4000 VA / 90W @25°C
16 A
L - Pause gangtid (to knapper), Li - Walk-Break Time (to knapper)
Nej
Relæ 1 pol C/O
2000 VA / 80W @25°C
8 A
L - Pause gangtid (to knapper), Li - Walk-Break Time (to knapper)
Nej
Relæ 2 polet C/O

Udvalgt variant

Vælg en variant på listen

Teknisk rådgivning

Lars Bogetoft Christensen

Produktchef, El Automation

Kundeservice
Har du har brug for hjælp? Kontakt os:
Har du brug for hjælp? Klik her!
Logo

COOKIE-INDSTILLINGER FOR OEMKLITSO.DK

Cookies hjælper os med at forbedre din oplevelse med os. Så for at kunne analysere trafikken, håndtere loginoplysninger, tilbyde dig personlige oplysninger og for at grundlæggende funktionalitet kan fungere på webssitet, skal vi bruge nogle cookies.

NØDVENDIGE COOKIES

Disse cookies er nødvendige for, at webstedet fungerer og kan ikke slås fra i vores systemer. De bruges normalt kun som reaktion på handlinger, du har foretaget i forbindelse med en serviceanmodning, f.eks. Når du angiver personlige præferencer, logger ind eller udfylder en formular.

ANALYSE OG MÅLING

Disse cookies giver os mulighed for at tælle antallet af besøg og trafikkilder, så vi kan måle og forbedre vores websteds ydeevne. De hjælper os med at vide, hvilke sider der er mere eller mindre populære, og hvordan besøgende navigerer rundt på webstedet. De oplysninger, som disse cookies indsamler, er aggregerede og derfor helt anonyme. Hvis du ikke tillader disse cookies, ved vi ikke, hvornår du har besøgt vores websted.

MARKEDSFØRING

Disse cookies kan tilføjes af vores partnere. De kan bruge dem til at oprette en profil af dig baseret på dine interesser for at vise dig mere relevante oplysninger. De gemmer ingen personlige oplysninger - kun oplysninger om din browser og enhed. Hvis du ikke accepterer disse cookies, får du en mere generel og mindre tilpasset brugeroplevelse.