ASCO

Pilotventil, 3/2-funktion

Serie 190

Passer som en pilotventil til ISO1-, ISO2- og ISO3-ventiler, men kan også bruges som en ekstern styringsventil, hvis den monteres på vores enkelt- eller modulopbyggelige subbaser. Med disse subbaser kan du samle ventilblokke til enhver applikation. Spolen har dobbeltspænding og er sikkert fastgjort med en fjederklips for nem udskiftning. Ventilen kan også bestilles uden en spole og suppleres med løs spole med forskellig tilslutningsspænding.

  • Flow 700 l/min
  • Spolen er roterbar 360°
  • Manuel låsbar
  • Modulopbygget på subbase

Udvalgt variant

Udvalgt variant

Specifikationer

Type ventil Elstyret
Vægt 0,18 kg
IP-klasse IP65
Effektforbrug 3 W
Gennemløb 1,6 mm
Spænding DC 24 V
Temperaturområde fra -10 °C
Temperaturområde til 60 °C
Materiale spole Termoplast
Tilkoblingsport 3 M5
Slukningsforsinkelse 5 ms
Differenstryk max 10 bar
Differenstryk min 0 bar
Flowkoefficient 1,2
Max flow 84 l/min
Funktion 3/2, Elstyret med fjerderretur, Normalt lukket
Manuel drift Ja
Materiale hus PA
Materiale tætninger NBR
Materiale stempel Rustfrit stål
Materiale kortslutningsring Kobber
Materiale indvendige dele Rustfrit stål
Max tryk 16 bar
Montering Bundplade

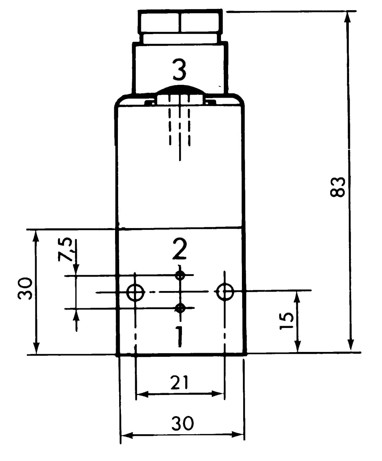
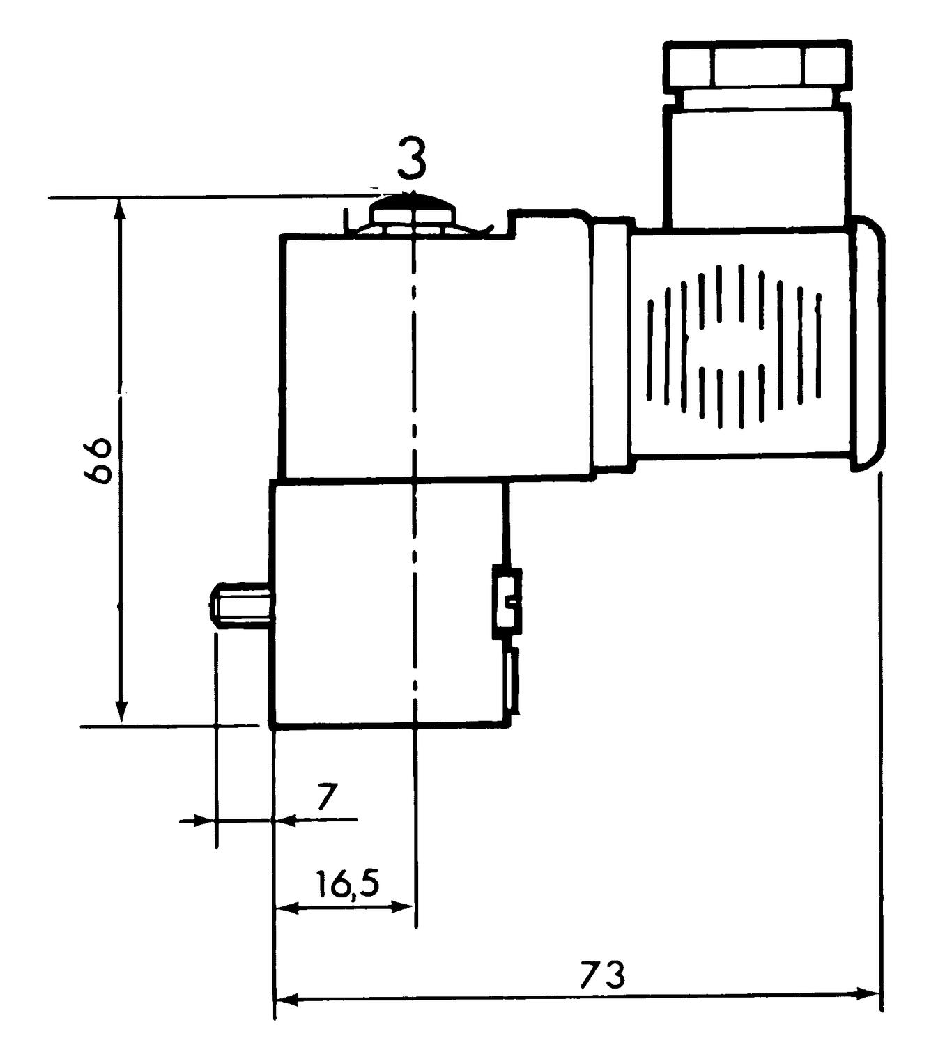
Mål & tilslutninger

Tekniske illustrationer

Produktbeskrivelse

Passer som en pilotventil til ISO1-, ISO2- og ISO3-ventiler, men kan også bruges som en ekstern styringsventil, hvis den monteres på vores enkelt- eller modulopbyggelige subbaser. Med disse subbaser kan du samle ventilblokke til enhver applikation. Spolen har dobbeltspænding og er sikkert fastgjort med en fjederklips for nem udskiftning. Ventilen kan også bestilles uden en spole og suppleres med løs spole med forskellig tilslutningsspænding.

Tilbehør

Relaterede produkter

XV Ventiltermial
Produktnyheder

Modulær ventilterminal fra Aventics – XV-serien

Aventics XV-serie fra Emerson muliggør øget fleksibilitet og effektivitet i produktionssystemer. Den moderne ventilteknologi i denne serie forbedrer udnyttelsen af trykluft og optimerer ydeevnen i pneumatiske systemer. Med sit kompakte design sparer XV-serien plads i styreskabet, samtidig med at ventilerne har lang levetid og kræver minimal vedligeholdelse. Dette giver øget oppetid og gør serien til et fremragende valg for nutidens krævende produktionsmiljøer.

x guard maskinafskaermning
Produktnyheder

X‑Guard maskinafskærmning – fleksible og sikre hegnsystemer til industrien.

At beskytte både mennesker og maskiner er en selvfølge i et sikkert og effektivt produktionsmiljø. Med X‑Guard maskinafskærmning fra Axelent tilbyder vi hos OEM Automatic Klitsø et komplet, modulært og brugervenligt hegnsystem, der opfylder alle gældende krav til maskinsikkerhed og standarder. X‑Guard er udviklet med tre tydelige grundprincipper: fleksibilitet, enkel montering og høj sikkerhed. Resultatet er et smart og velafprøvet system, som i dag er et af markedets mest populære maskinafskærmninger til industrielle miljøer.

Liag ventil Listing
Produktnyheder

Hygiejniske ventiler fra LIAG – effektiv produktgenvinding og hygiejne i én løsning

I fødevare-, kosmetik- og farmaceutisk industri er der høje krav til hygiejne og effektivitet. Når du arbejder med viskose produkter, pastøse medier eller væsker med partikler, er det afgørende at have en ventil, der sikrer fuld passage, nem rengøring på stedet (CIP) og minimal vedligeholdelse.

Lær mere om fødevarer_Listing
Tips og guides

Fødevarer - Hygiejne & proceskontrol

Når det kommer til komponenter, der skal anvendes i fødevareproduktion, sætter vi kvalitet og sikkerhed i højsædet for at sikre, at de lever op til de højeste standarder og følger branchens regler. Ved valg af komponenter er materialevalg, korrekt godkendelse, kompatibilitet og pålidelighed helt afgørende faktorer i denne branche. Hver komponent skal vælges omhyggeligt og tilpasses for at imødekomme de strenge krav, der stilles.

Tips og guides

Lær mere om strømforsyninger

Vi tilbyder et komplet sortiment af strømforsyninger, redundante systemer, DC-UPS og en række specialtilpassede enheder til f.eks. eksplosionsfarlige miljøer (ATEX) eller NEC class 2-kredsløb fra vores producent PULS. Strømforsyninger til 110 V DC indspænding med strømkapacitet fra 0,6 A op til 20 A (24 V DC).

Smart-Line af Zimmerlin
Produktnyheder

Tankdæksler på rekordtid med Smart-Line

Nu kan du få præfabrikerede og konfigurerbare trykdæksler leveret på kun 2 uger – en hurtig og fleksibel løsning, der sparer dig både tid og besvær.

Favoritter Artikler Effektforbrug Spænding DC Materiale spole Manuel drift Pris
3 W
24 V
Termoplast
Ja
3 W
24 V
Termoplast
Nej
Ja
Nej

Udvalgt variant

Vælg en variant på listen

Teknisk rådgivning

Henrik Philipsen

Produktchef, Tryk & Flow

Kundeservice
Har du har brug for hjælp? Kontakt os:
Har du brug for hjælp? Klik her!
Logo

COOKIE-INDSTILLINGER FOR OEMKLITSO.DK

Cookies hjælper os med at forbedre din oplevelse med os. Så for at kunne analysere trafikken, håndtere loginoplysninger, tilbyde dig personlige oplysninger og for at grundlæggende funktionalitet kan fungere på webssitet, skal vi bruge nogle cookies.

NØDVENDIGE COOKIES

Disse cookies er nødvendige for, at webstedet fungerer og kan ikke slås fra i vores systemer. De bruges normalt kun som reaktion på handlinger, du har foretaget i forbindelse med en serviceanmodning, f.eks. Når du angiver personlige præferencer, logger ind eller udfylder en formular.

ANALYSE OG MÅLING

Disse cookies giver os mulighed for at tælle antallet af besøg og trafikkilder, så vi kan måle og forbedre vores websteds ydeevne. De hjælper os med at vide, hvilke sider der er mere eller mindre populære, og hvordan besøgende navigerer rundt på webstedet. De oplysninger, som disse cookies indsamler, er aggregerede og derfor helt anonyme. Hvis du ikke tillader disse cookies, ved vi ikke, hvornår du har besøgt vores websted.

MARKEDSFØRING

Disse cookies kan tilføjes af vores partnere. De kan bruge dem til at oprette en profil af dig baseret på dine interesser for at vise dig mere relevante oplysninger. De gemmer ingen personlige oplysninger - kun oplysninger om din browser og enhed. Hvis du ikke accepterer disse cookies, får du en mere generel og mindre tilpasset brugeroplevelse.