TESCOM

Kemisk injection, Spring loaded, Piston Sensor

56 Serien Trykreducerende regulator

Tescom 56 Serien

 

Denne serie giver dig et meget nøjagtigt flow kontrol, som giver dig mulighed for at have et kontinuerligt injection rate over the life of the well. Tilgængelig i både manual-kontrolleret og elektronisk-kontrolleret versioner.

 

Applikationer

  • Offshore Chemical Injection
  • Process Flow Control

 

Fordele

Nøjagtigt og kontinuerligt flow kontrol som reducere riskikoen for flowtab fra under og efter injection

Høj kvalitets piston-sensor komponenter som giver forlænget levetid i offshore applikationer og som reducere vedligeholdese og unødig downtime

Alternativ muligheder for fuld automatisk injection rate kontrol med ER5000

  • Max indgangstryk: 1034 bar
  • Max udgangstryk: 1034 bar
  • Temperaturområde: -26 til 74°C
  • Flow: 0.001514 l/min - 113.56 l/min
  • Leak: Bubble-tight

Udvalgt variant

56.1.png

56 serien

Art:

Udvalgt variant

Specifikationer

Downloads

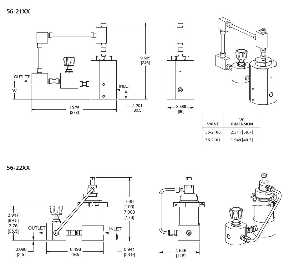
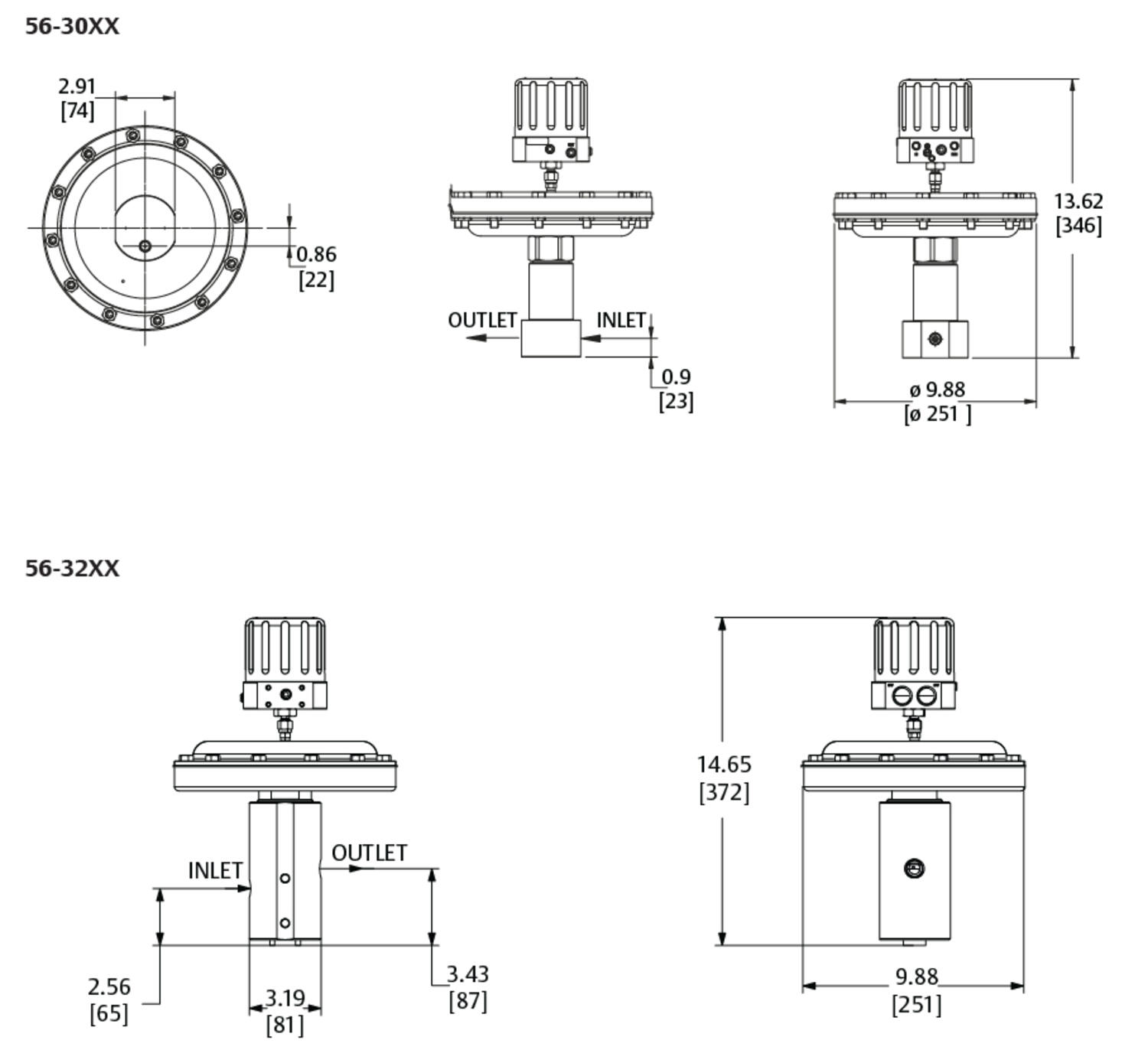
Mål & tilslutninger

Tekniske illustrationer

Produktbeskrivelse

Tescom 56 Serien

 

Denne serie giver dig et meget nøjagtigt flow kontrol, som giver dig mulighed for at have et kontinuerligt injection rate over the life of the well. Tilgængelig i både manual-kontrolleret og elektronisk-kontrolleret versioner.

 

Applikationer

  • Offshore Chemical Injection
  • Process Flow Control

 

Fordele

Nøjagtigt og kontinuerligt flow kontrol som reducere riskikoen for flowtab fra under og efter injection

Høj kvalitets piston-sensor komponenter som giver forlænget levetid i offshore applikationer og som reducere vedligeholdese og unødig downtime

Alternativ muligheder for fuld automatisk injection rate kontrol med ER5000

Tilbehør

Lær mere om fødevarer_Listing
Tips og guides

Fødevarer - Hygiejne & proceskontrol

Når det kommer til komponenter, der skal anvendes i fødevareproduktion, sætter vi kvalitet og sikkerhed i højsædet for at sikre, at de lever op til de højeste standarder og følger branchens regler. Ved valg af komponenter er materialevalg, korrekt godkendelse, kompatibilitet og pålidelighed helt afgørende faktorer i denne branche. Hver komponent skal vælges omhyggeligt og tilpasses for at imødekomme de strenge krav, der stilles.

Smart-Line af Zimmerlin
Produktnyheder

Tankdæksler på rekordtid med Smart-Line

Nu kan du få præfabrikerede og konfigurerbare trykdæksler leveret på kun 2 uger – en hurtig og fleksibel løsning, der sparer dig både tid og besvær.

Omkostningseffektiv niveaumåling
Produktnyheder

Omkostningseffektiv og pålidelig niveaumåling med Rosemount 1208 niveau- og flowradar

Efterhånden som kravene til pålidelig niveau- og flowmåling stiger, bliver behovet for smartere og mere robust teknologi stadig vigtigere. Med Rosemount 1208 niveau- og flowradar præsenterer vi hos OEM Automatic en ny, berøringsfri niveauradar, der kombinerer høj præcision med nem installation – uanset om det er vand, havre eller kemikalier.

Tescom Trykregulatorer
Produktnyheder

TESCOM MULTI-PURPOSE TRYKREGULATORER

Vi tilbyder et bredt udvalg af Tescom trykregulatorer, der dækker alt fra laboratorieanalyser til industrielle gasinstallationer. Tescom er kendt for sin høje kvalitet, fleksibilitet og pålidelighed – uanset om du arbejder med brandfarlige gasser, kalibreringsudstyr eller trykpaneler.

Tilpassede tankdæksler listing
Produktnyheder

Kundetilpassede tankdæksler/mandehuller i rustfri og syrefast stål

Har I brug for et tankdæksel eller tanklåg, der opfylder specifikke krav? Så er I kommet til det rigtige sted. Hos OEM Automatic Klitsø samarbejder vi med den tyske producent Zimmerlin for at kunne tilbyde kundetilpassede tankdæksler og tanklåg i rustfrit og syrefast stål – velegnede til både indendørs og udendørs miljøer.

Zimmerlin er en erfaren og innovativ producent med høj teknisk ekspertise og stort fokus på kvalitet og kundeønsker. Uanset om I søger en standardløsning eller har behov for en specialdesignet konstruktion, er de – og vi – en pålidelig partner gennem hele processen.

Definox ID App
Produktnyheder

Optimér vedligeholdelsen af dine ventiler

Definox AR-app gør ventilvedligeholdelse enkel ved hjælp af QR-koder, der giver adgang til logbøger, dokumenter og videovejledninger. Planlæg vedligeholdelse, øg produktiviteten, forbedr sikkerheden og reducer fejl med en intuitiv løsning, der hjælper dig trin for trin.

Teknisk rådgivning

Nicholas Haslund

Kundeservice
Har du har brug for hjælp? Kontakt os:
Har du brug for hjælp? Klik her!
Logo

COOKIE-INDSTILLINGER FOR OEMKLITSO.DK

Cookies hjælper os med at forbedre din oplevelse med os. Så for at kunne analysere trafikken, håndtere loginoplysninger, tilbyde dig personlige oplysninger og for at grundlæggende funktionalitet kan fungere på webssitet, skal vi bruge nogle cookies.

NØDVENDIGE COOKIES

Disse cookies er nødvendige for, at webstedet fungerer og kan ikke slås fra i vores systemer. De bruges normalt kun som reaktion på handlinger, du har foretaget i forbindelse med en serviceanmodning, f.eks. Når du angiver personlige præferencer, logger ind eller udfylder en formular.

ANALYSE OG MÅLING

Disse cookies giver os mulighed for at tælle antallet af besøg og trafikkilder, så vi kan måle og forbedre vores websteds ydeevne. De hjælper os med at vide, hvilke sider der er mere eller mindre populære, og hvordan besøgende navigerer rundt på webstedet. De oplysninger, som disse cookies indsamler, er aggregerede og derfor helt anonyme. Hvis du ikke tillader disse cookies, ved vi ikke, hvornår du har besøgt vores websted.

MARKEDSFØRING

Disse cookies kan tilføjes af vores partnere. De kan bruge dem til at oprette en profil af dig baseret på dine interesser for at vise dig mere relevante oplysninger. De gemmer ingen personlige oplysninger - kun oplysninger om din browser og enhed. Hvis du ikke accepterer disse cookies, får du en mere generel og mindre tilpasset brugeroplevelse.