CROUZET CONTROL

Hastighedsovervågning HSV

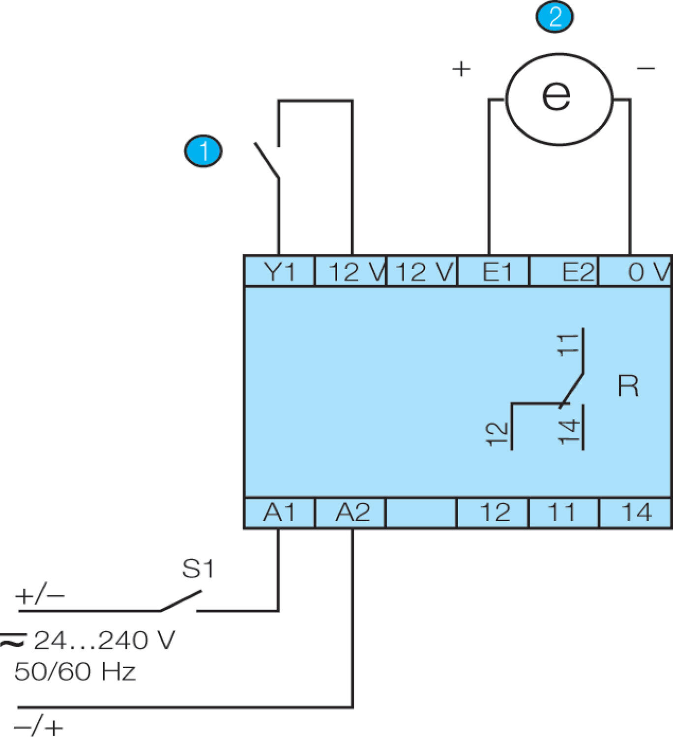
Kontrolrelæet HSV overvåger hastighed (eller mere præcist omdrejninger/frekvens) i processer, som f.eks. montagelinjer og transportbånd, via digitale:

- Grænseværdifølere med tre tilslutninger PNP eller NPN

- Spændingsindgange, 0-30 V

- Grænseværdifølere, NAMUR

- Flydekontakter

Relæet kan anvendes til at overvåge for høje eller lave hastigheder.

Måling: Det, som måles i den overvågede proces, er et resultat af pulser bestående af et signal med to positioner – høj og lav. Hastighedskontrol opnås ved at måle tidsintervallet i dette signal, startende ved den første positionsændring, der kan registreres (stigende eller faldende kant). Takket være den digitale signalbehandling, er forskellene mellem forskellige signaler ikke et problem.

Når strømmen tilsluttes, eller når følersignalet modtages, kræver signalregistrering (karakterisering), at en eller flere intervaller er behandlet (maksimalt to). I dette tidsrum kan styringen ikke anvendes.

Via afbryderen på fronten vælges en af fire positioner:

- Underhastighed uden hukommelse

- Underhastighed med hukommelse

- Overhastighed uden hukommelse

- Overhastighed med hukommelse

Hvis afbryderen står i en af tre mellempositioner (mellem „underhastighed uden hukommelse“ og „overhastighed uden hukommelse“), når strømmen tilsluttes, forbliver relæet i hviletilstand („alarm“), og fejlen angives af tre hurtigt blinkende lysdioder. Funktionstilstandens afbryderposition registreres, når strømmen tilsluttes. Hvis positionen ændres ved drift, påvirkes funktionen ikke. Den aktive tilstand kan være forskellig fra den, der angives af afbryderen. Relæet fungere normalt, men ændringen angives af de tre lysdioder, der blinker samtidigt.

Hukommelse: Funktionspositionen „med hukommelse“ får relæet til at låse i hvile (alarmtilstand), når der registreres en fejl. Når hastigheden vender tilbage til normal, kan relæet nulstilles med lukkekontakten S2 (i mindst 50 ms).

Så længe S2 er lukket, er relæet blokeret med relæudgangen i driftsposition („normal tilstand“) uanset hastigheden i den overvågede proces. Hvis hastigheden fortsat er forkert, når S2-kontakten åbnes igen, åbner relæet (falder ud) igen i hviletilstand („alarmtilstand“). Relæet kan også nulstilles ved at udkoble og tilslutte forsyningsspændingen (afbrydelsen skal være på mindst 1500 ms). Hvis proceshastigheden er forkert, er dette alternativ begrænset på samme måde som ved nulstilling af S2.

  • Overvåger over-/underhastighed
  • Justerbar mellem 0,05 s og 10 min
  • Justerbar startforsinkelse 0,6-30 s
  • Signal fra fire følermuligheder

Udvalgt variant

Control relay

HSV hastigheds kontrolrelæ 24-240V UC

Art:

Udvalgt variant

Specifikationer

Brydeevne 5A, 250V AC/DC
Forsyningsspænding 24-240V AC/DC
Funktion Alarm ved øvre og nedre hastighed
Gendannelsestid min 50 ms
Godkendelser CSA, GL, RoHS, UL
Hysterese Fast, 5%
Indstillingsområde 10-100% inden for det valgte tidsinterval
IP klasse kappe IP30
IP klasse tilslutning IP20
Montering 35 mm DIN-skinne
Relæudgang 1stk. skiftekontakt
Temperaturområde fra -20 °C
Temperaturområde lager fra -40 °C
Temperaturområde lager til 70 °C
Temperaturområde til 50 °C
Tidsforsinkelse opstart 0,6-30s
Tidsinterval 0,5s, 1s, 5s, 10s, 1min, 5min. och 10min
Udgang Relæ 1 pol C/O
Vægt 120 g

Produktbeskrivelse

Kontrolrelæet HSV overvåger hastighed (eller mere præcist omdrejninger/frekvens) i processer, som f.eks. montagelinjer og transportbånd, via digitale:

- Grænseværdifølere med tre tilslutninger PNP eller NPN

- Spændingsindgange, 0-30 V

- Grænseværdifølere, NAMUR

- Flydekontakter

Relæet kan anvendes til at overvåge for høje eller lave hastigheder.

Måling: Det, som måles i den overvågede proces, er et resultat af pulser bestående af et signal med to positioner – høj og lav. Hastighedskontrol opnås ved at måle tidsintervallet i dette signal, startende ved den første positionsændring, der kan registreres (stigende eller faldende kant). Takket være den digitale signalbehandling, er forskellene mellem forskellige signaler ikke et problem.

Når strømmen tilsluttes, eller når følersignalet modtages, kræver signalregistrering (karakterisering), at en eller flere intervaller er behandlet (maksimalt to). I dette tidsrum kan styringen ikke anvendes.

Via afbryderen på fronten vælges en af fire positioner:

- Underhastighed uden hukommelse

- Underhastighed med hukommelse

- Overhastighed uden hukommelse

- Overhastighed med hukommelse

Hvis afbryderen står i en af tre mellempositioner (mellem „underhastighed uden hukommelse“ og „overhastighed uden hukommelse“), når strømmen tilsluttes, forbliver relæet i hviletilstand („alarm“), og fejlen angives af tre hurtigt blinkende lysdioder. Funktionstilstandens afbryderposition registreres, når strømmen tilsluttes. Hvis positionen ændres ved drift, påvirkes funktionen ikke. Den aktive tilstand kan være forskellig fra den, der angives af afbryderen. Relæet fungere normalt, men ændringen angives af de tre lysdioder, der blinker samtidigt.

Hukommelse: Funktionspositionen „med hukommelse“ får relæet til at låse i hvile (alarmtilstand), når der registreres en fejl. Når hastigheden vender tilbage til normal, kan relæet nulstilles med lukkekontakten S2 (i mindst 50 ms).

Så længe S2 er lukket, er relæet blokeret med relæudgangen i driftsposition („normal tilstand“) uanset hastigheden i den overvågede proces. Hvis hastigheden fortsat er forkert, når S2-kontakten åbnes igen, åbner relæet (falder ud) igen i hviletilstand („alarmtilstand“). Relæet kan også nulstilles ved at udkoble og tilslutte forsyningsspændingen (afbrydelsen skal være på mindst 1500 ms). Hvis proceshastigheden er forkert, er dette alternativ begrænset på samme måde som ved nulstilling af S2.

Tilbehør

Omkostningseffektiv niveaumåling
Produktnyheder

Omkostningseffektiv og pålidelig niveaumåling med Rosemount 1208 niveau- og flowradar

Efterhånden som kravene til pålidelig niveau- og flowmåling stiger, bliver behovet for smartere og mere robust teknologi stadig vigtigere. Med Rosemount 1208 niveau- og flowradar præsenterer vi hos OEM Automatic en ny, berøringsfri niveauradar, der kombinerer høj præcision med nem installation – uanset om det er vand, havre eller kemikalier.

XV Ventiltermial
Produktnyheder

Modulær ventilterminal fra Aventics – XV-serien

Aventics XV-serie fra Emerson muliggør øget fleksibilitet og effektivitet i produktionssystemer. Den moderne ventilteknologi i denne serie forbedrer udnyttelsen af trykluft og optimerer ydeevnen i pneumatiske systemer. Med sit kompakte design sparer XV-serien plads i styreskabet, samtidig med at ventilerne har lang levetid og kræver minimal vedligeholdelse. Dette giver øget oppetid og gør serien til et fremragende valg for nutidens krævende produktionsmiljøer.

Tescom Trykregulatorer
Produktnyheder

TESCOM MULTI-PURPOSE TRYKREGULATORER

Vi tilbyder et bredt udvalg af Tescom trykregulatorer, der dækker alt fra laboratorieanalyser til industrielle gasinstallationer. Tescom er kendt for sin høje kvalitet, fleksibilitet og pålidelighed – uanset om du arbejder med brandfarlige gasser, kalibreringsudstyr eller trykpaneler.

Accredia logo
Produktnyheder

Senseca Italy Calibration Center opdaterer akkrediteringsnummer og logo

Fra og med 2025 har ACCREDIA introduceret et nyt logo og ændret logikken for tildeling af akkrediteringsnumre til kalibreringslaboratorier. Som følge heraf er Sensecas akkrediteringsnummer nu 00171, hvilket erstatter det tidligere LAT 124.

Senseca har fuldført denne opdatering inden den officielle deadline den 30. september 2025, og vi er glade for at kunne informere om, at alle nødvendige tilpasninger er implementeret.

Kabelgennemføring
Produktnyheder

ORGANISÉR DINE KABLER MED VORES KABELGENNEMFØRINGSSYSTEM FRA CONTA-CLIP 

Lær mere om, hvordan innovative kabelgennemføringssystemer kan imødekomme nutidens industrielle udfordringer ved at spare tid, forenkle installationen og tilbyde enestående fleksibilitet. Følg med, når vi dykker ned i, hvordan vores kabelgennemføringssystemer fra Conta-Clip påvirker industrielle installationer

VS pumpe listing image
Produktnyheder

NY VAKUUMPUMPE MED FOKUS PÅ DRIFTSSIKKERHED OG LAVERE VEDLIGEHOLDELSE

Industrien kræver driftssikre løsninger med minimal vedligeholdelse – og det er præcis, hvad den nye VS-serie fra Salvatore Robuschi leverer.
Når pålidelighed og effektivitet er afgørende, tilbyder VS-serien en gennemtænkt løsning inden for væskeringsvakuumpumper.

Teknisk rådgivning

Lars Bogetoft Christensen

Kundeservice
Har du har brug for hjælp? Kontakt os:
Har du brug for hjælp? Klik her!
Logo

COOKIE-INDSTILLINGER FOR OEMKLITSO.DK

Cookies hjælper os med at forbedre din oplevelse med os. Så for at kunne analysere trafikken, håndtere loginoplysninger, tilbyde dig personlige oplysninger og for at grundlæggende funktionalitet kan fungere på webssitet, skal vi bruge nogle cookies.

NØDVENDIGE COOKIES

Disse cookies er nødvendige for, at webstedet fungerer og kan ikke slås fra i vores systemer. De bruges normalt kun som reaktion på handlinger, du har foretaget i forbindelse med en serviceanmodning, f.eks. Når du angiver personlige præferencer, logger ind eller udfylder en formular.

ANALYSE OG MÅLING

Disse cookies giver os mulighed for at tælle antallet af besøg og trafikkilder, så vi kan måle og forbedre vores websteds ydeevne. De hjælper os med at vide, hvilke sider der er mere eller mindre populære, og hvordan besøgende navigerer rundt på webstedet. De oplysninger, som disse cookies indsamler, er aggregerede og derfor helt anonyme. Hvis du ikke tillader disse cookies, ved vi ikke, hvornår du har besøgt vores websted.

MARKEDSFØRING

Disse cookies kan tilføjes af vores partnere. De kan bruge dem til at oprette en profil af dig baseret på dine interesser for at vise dig mere relevante oplysninger. De gemmer ingen personlige oplysninger - kun oplysninger om din browser og enhed. Hvis du ikke accepterer disse cookies, får du en mere generel og mindre tilpasset brugeroplevelse.