ASCO
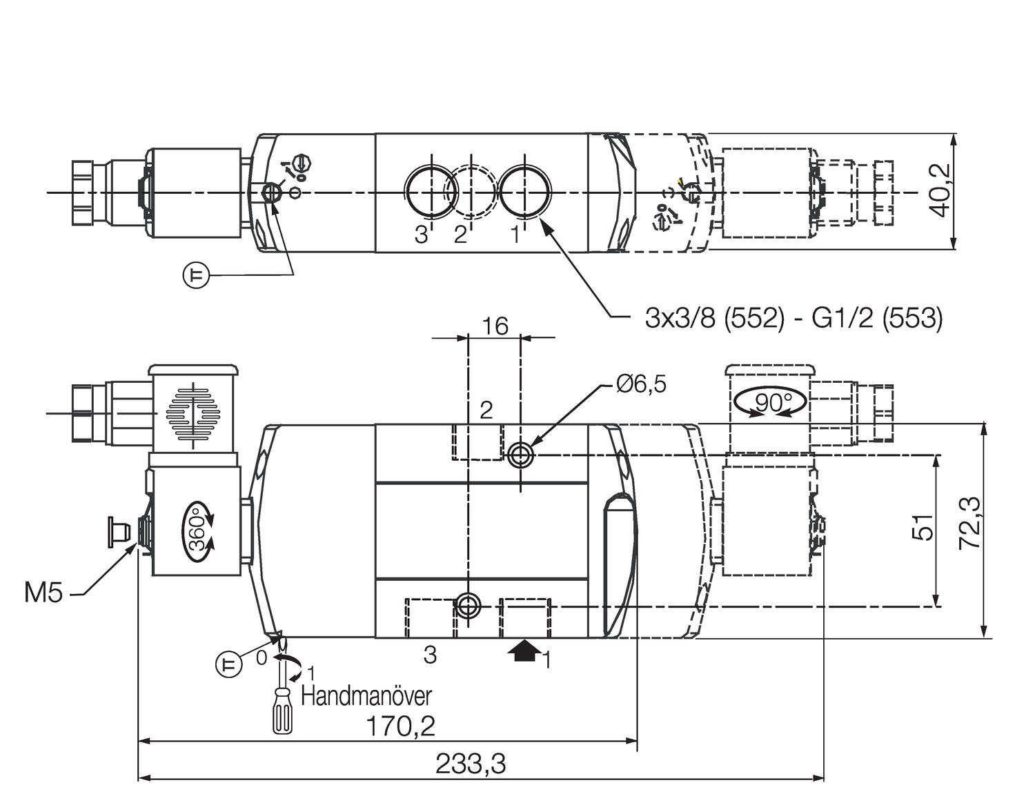
Asco Numatics-ventiler med samme konstruktion som serie 551 i størrelserne G3/8" og G1/2". Serie 552 og 553 kombinerer høj flow-kapacitet og rent design og findes i mange varianter, f.eks. til de fleste spændinger eller med en pilot til eksplosive miljøer. Alle ventiler har miljøbeskyttelse som standard, dvs. at ventilens indvendige dele er fuldkommen tætte mod omgivelserne. De er derfor egnede til udendørsapplikationer og i fugtige eller støvede miljøer, såvel som følsomme miljøer som levnedsmiddelindustrien.
Medium | Luft og neutrale gasser, smurt eller ikke-smurt, min. 50 µm filtrering |
Arbejdstryk | 2-10 bar |
Flow | 552: 3000 l/min. (ANR) |
| 553: 3800 l/min. (ANR) |
Omgivelsestemperatur | -25 °C til +60 °C |
Strømforbrug | 2,5 W/6,9 W (varmt/koldt) |
Beskyttelsesklasse | IP65 |
Elektrisk tilslutning | DIN-kontakt 43650/A |
|
|
Konstruktion |
|
Ventil |
|
Type | Gliderventil |
Ventilhus | Elokseret aluminium |
Ender | Glasfiberforstærket polyamid (PA) |
Indvendige dele | Rustfrit stål, acetal (POM), aluminium |
Returfjeder | Rustfrit stål |
Tætninger | Nitril (NBR) og polyurethan (PUR) |
Montering | Enkeltmontering |
Tilslutninger | G3/8" eller G1/2" |
|
|
Pilot |
|
Hus | Glasfiberforstærket polyamid (PA) |
Tætninger | Nitril (NBR) og polyurethan (PUR) |
Spole | Epoxy |
Stempelrør | Rustfrit stål |
Manuel tilsidesættelse | Rustfrit stål, skruetrækkerrille, låsbar |
Tilslutning | |
Visning fra kontaktens base | |
Kontakter med kabel: | |
1: Brun | Plus eller ~ |
2: Blå | Minus eller 0 |
| Beskyttelsesjording |
Funktionssymboler |
|
|
|
|
|
3/2 NC Magnet med tilbagefjedring | 3/2 NC Magnet aktiveret | 5/2 Magnet med tilbagefjedring | 5/2 Magnet aktiveret | 5/3 Midterplacering lukket | 5/3 Midterplacering afblæst |
|
3/2 | 5/2 |
Ordrenummer |
|
|
| |
Komplet med spole, 24 V DC+kontakt | Ventil uden spole | Funktion | Styring/retur | Tilslutning |
SCG552A005MSS3 | G552A005MS | 3/2 NC | Magnet med tilbagefjedring | G3/8" |
SCG552A006MSS3 | G552A006MS | 3/2 NC | Magnet aktiveret | G3/8" |
SCG552A017MSS3 | G552A017MS | 5/2 | Magnet med tilbagefjedring | G3/8" |
SCG552A018MSS3 | G552A018MS | 5/2 | Magnet aktiveret | G3/8" |
SCG552A067MSS3 | G552A067MS | 5/3 midterplacering lukket | Magnet aktiveret | G3/8" |
SCG552A068MSS3 | G552A068MS | 5/3 midterplacering afblæst | Magnet aktiveret | G3/8" |
|
|
|
|
|
SCG553A005MSS3 | G553A005MS | 3/2 NC | Magnet med tilbagefjedring | G1/2" |
SCG553A006MSS3 | G553A006MS | 3/2 NC | Magnet aktiveret | G1/2" |
SCG553A017MSS3 | G553A017MS | 5/2 | Magnet med tilbagefjedring | G1/2" |
SCG553A018MSS3 | G553A018MS | 5/2 | Magnet aktiveret | G1/2" |
SCG553A067MSS3 | G553A067MS | 5/3 midterplacering lukket | Magnet aktiveret | G1/2" |
SCG553A068MSS3 | G553A068MS | 5/3 midterplacering afblæst | Magnet aktiveret | G1/2" |
Specialversion
• ATEX-version
Tilbehør
• Spoler og kontakter
se side XX.
| Responstid ind | 11 ms |
|---|---|
| Responstid ud | 14 ms |
| Vægt | 0,84 kg |
| IP-klasse | IP65 |
| Effektforbrug | 6,9 W |
| Gennemløb | 13 mm |
| Kortslutningsbeskyttelse | Ja |
| Temperaturområde fra | -25 °C |
| Temperaturområde til | 60 °C |
| Godkendelser | IEC, TÜV |
| Tilslutning | 1/2 BSP |
| Differenstryk max | 10 bar |
| Differenstryk min | 2 bar |
| Flowkoefficient | 52,5 |
|---|---|
| Max flow | 3800 l/min |
| Funktion 1 | 3/2 |
| Funktion 2 | Elstyret med fjerderretur, Normalt lukket |
| Manuel drift | Ja |
| Materiale hus | Anodiseret aluminium |
| Materiale tætninger | NBR, PUR |
| Materiale stempel | Rustfrit stål |
| Materiale kortslutningsring | Kobber |
| Materiale indvendige dele | Aluminium, POM, Rustfrit stål |
| Max tryk | 10 bar |
| Montering | Ingen |
Asco Numatics-ventiler med samme konstruktion som serie 551 i størrelserne G3/8" og G1/2". Serie 552 og 553 kombinerer høj flow-kapacitet og rent design og findes i mange varianter, f.eks. til de fleste spændinger eller med en pilot til eksplosive miljøer. Alle ventiler har miljøbeskyttelse som standard, dvs. at ventilens indvendige dele er fuldkommen tætte mod omgivelserne. De er derfor egnede til udendørsapplikationer og i fugtige eller støvede miljøer, såvel som følsomme miljøer som levnedsmiddelindustrien.
Medium | Luft og neutrale gasser, smurt eller ikke-smurt, min. 50 µm filtrering |
Arbejdstryk | 2-10 bar |
Flow | 552: 3000 l/min. (ANR) |
| 553: 3800 l/min. (ANR) |
Omgivelsestemperatur | -25 °C til +60 °C |
Strømforbrug | 2,5 W/6,9 W (varmt/koldt) |
Beskyttelsesklasse | IP65 |
Elektrisk tilslutning | DIN-kontakt 43650/A |
|
|
Konstruktion |
|
Ventil |
|
Type | Gliderventil |
Ventilhus | Elokseret aluminium |
Ender | Glasfiberforstærket polyamid (PA) |
Indvendige dele | Rustfrit stål, acetal (POM), aluminium |
Returfjeder | Rustfrit stål |
Tætninger | Nitril (NBR) og polyurethan (PUR) |
Montering | Enkeltmontering |
Tilslutninger | G3/8" eller G1/2" |
|
|
Pilot |
|
Hus | Glasfiberforstærket polyamid (PA) |
Tætninger | Nitril (NBR) og polyurethan (PUR) |
Spole | Epoxy |
Stempelrør | Rustfrit stål |
Manuel tilsidesættelse | Rustfrit stål, skruetrækkerrille, låsbar |
Tilslutning | |
Visning fra kontaktens base | |
Kontakter med kabel: | |
1: Brun | Plus eller ~ |
2: Blå | Minus eller 0 |
| Beskyttelsesjording |
Funktionssymboler |
|
|
|
|
|
3/2 NC Magnet med tilbagefjedring | 3/2 NC Magnet aktiveret | 5/2 Magnet med tilbagefjedring | 5/2 Magnet aktiveret | 5/3 Midterplacering lukket | 5/3 Midterplacering afblæst |
|
3/2 | 5/2 |
Ordrenummer |
|
|
| |
Komplet med spole, 24 V DC+kontakt | Ventil uden spole | Funktion | Styring/retur | Tilslutning |
SCG552A005MSS3 | G552A005MS | 3/2 NC | Magnet med tilbagefjedring | G3/8" |
SCG552A006MSS3 | G552A006MS | 3/2 NC | Magnet aktiveret | G3/8" |
SCG552A017MSS3 | G552A017MS | 5/2 | Magnet med tilbagefjedring | G3/8" |
SCG552A018MSS3 | G552A018MS | 5/2 | Magnet aktiveret | G3/8" |
SCG552A067MSS3 | G552A067MS | 5/3 midterplacering lukket | Magnet aktiveret | G3/8" |
SCG552A068MSS3 | G552A068MS | 5/3 midterplacering afblæst | Magnet aktiveret | G3/8" |
|
|
|
|
|
SCG553A005MSS3 | G553A005MS | 3/2 NC | Magnet med tilbagefjedring | G1/2" |
SCG553A006MSS3 | G553A006MS | 3/2 NC | Magnet aktiveret | G1/2" |
SCG553A017MSS3 | G553A017MS | 5/2 | Magnet med tilbagefjedring | G1/2" |
SCG553A018MSS3 | G553A018MS | 5/2 | Magnet aktiveret | G1/2" |
SCG553A067MSS3 | G553A067MS | 5/3 midterplacering lukket | Magnet aktiveret | G1/2" |
SCG553A068MSS3 | G553A068MS | 5/3 midterplacering afblæst | Magnet aktiveret | G1/2" |
Specialversion
• ATEX-version
Tilbehør
• Spoler og kontakter
se side XX.
Aventics XV-serie fra Emerson muliggør øget fleksibilitet og effektivitet i produktionssystemer. Den moderne ventilteknologi i denne serie forbedrer udnyttelsen af trykluft og optimerer ydeevnen i pneumatiske systemer. Med sit kompakte design sparer XV-serien plads i styreskabet, samtidig med at ventilerne har lang levetid og kræver minimal vedligeholdelse. Dette giver øget oppetid og gør serien til et fremragende valg for nutidens krævende produktionsmiljøer.
At beskytte både mennesker og maskiner er en selvfølge i et sikkert og effektivt produktionsmiljø. Med X‑Guard maskinafskærmning fra Axelent tilbyder vi hos OEM Automatic Klitsø et komplet, modulært og brugervenligt hegnsystem, der opfylder alle gældende krav til maskinsikkerhed og standarder. X‑Guard er udviklet med tre tydelige grundprincipper: fleksibilitet, enkel montering og høj sikkerhed. Resultatet er et smart og velafprøvet system, som i dag er et af markedets mest populære maskinafskærmninger til industrielle miljøer.
I fødevare-, kosmetik- og farmaceutisk industri er der høje krav til hygiejne og effektivitet. Når du arbejder med viskose produkter, pastøse medier eller væsker med partikler, er det afgørende at have en ventil, der sikrer fuld passage, nem rengøring på stedet (CIP) og minimal vedligeholdelse.
Når det kommer til komponenter, der skal anvendes i fødevareproduktion, sætter vi kvalitet og sikkerhed i højsædet for at sikre, at de lever op til de højeste standarder og følger branchens regler. Ved valg af komponenter er materialevalg, korrekt godkendelse, kompatibilitet og pålidelighed helt afgørende faktorer i denne branche. Hver komponent skal vælges omhyggeligt og tilpasses for at imødekomme de strenge krav, der stilles.
Vi tilbyder et komplet sortiment af strømforsyninger, redundante systemer, DC-UPS og en række specialtilpassede enheder til f.eks. eksplosionsfarlige miljøer (ATEX) eller NEC class 2-kredsløb fra vores producent PULS. Strømforsyninger til 110 V DC indspænding med strømkapacitet fra 0,6 A op til 20 A (24 V DC).
Nu kan du få præfabrikerede og konfigurerbare trykdæksler leveret på kun 2 uger – en hurtig og fleksibel løsning, der sparer dig både tid og besvær.
|
|
|
|
|
|
||
|---|---|---|---|---|---|---|
|
|
|
|
|
|
||
|
|
|
|
|
|
||
|
|
|
|
|
|
||
|
|
|
|
|
|
||
|
|
|
|
|
|
||
|
|
|
|
|
|
| Favoritter | Artikler | Responstid ind | Responstid ud | Vægt | Effektforbrug | Gennemløb | Kortslutningsbeskyttelse | Godkendelser | Flowkoefficient | Funktion 1 | Funktion 2 | Manuel drift | Materiale tætninger | Materiale stempel | Materiale kortslutningsring | Materiale indvendige dele | Max tryk | Montering | Spænding AC | Spænding DC | Materiale spole | Pris | |
|---|---|---|---|---|---|---|---|---|---|---|---|---|---|---|---|---|---|---|---|---|---|---|---|
|
Pneumatisk ventil 3/2 NC, Monostabil, 1/2", uden spole
Art:
G553A005MS
Kopieret
|
11 ms
|
14 ms
|
0,84 kg
|
6,9 W
|
13 mm
|
Ja
|
IEC, TÜV
|
52,5
|
3/2
|
Elstyret med fjerderretur, Normalt lukket
|
Ja
|
NBR, PUR
|
Rustfrit stål
|
Kobber
|
Aluminium, POM, Rustfrit stål
|
10 bar
|
Ingen
|
|
|
|
| ||
|
Pneumatisk ventil 3/2, G1/2", Monost. 230 VAC
Art:
SCG553A005MS
Kopieret
|
|
|
|
|
|
|
|
|
3/2
|
Elstyret med fjerderretur, Normalt lukket
|
|
|
|
|
|
|
|
230 V
|
|
|
| ||
|
Pneumatisk ventil 3/2 NC, Monostabil, 24VAC, G1/2"
Art:
SCG553A005MSS2
Kopieret
|
|
|
|
|
|
|
|
|
3/2
|
Elstyret med fjerderretur, Normalt lukket
|
|
|
|
|
|
|
|
24 V
|
|
|
| ||
|
Pneumatisk ventil 3/2 NC, monostabil, 1/2", 24V DC
Art:
SCG553A005MSS3
Kopieret
|
11 ms
|
14 ms
|
0,84 kg
|
6,9 W
|
13 mm
|
Ja
|
IEC, TÜV
|
52,5
|
3/2
|
Elstyret med fjerderretur, Normalt lukket
|
Ja
|
NBR, PUR
|
Rustfrit stål
|
Kobber
|
Aluminium, POM, Rustfrit stål
|
10 bar
|
Ingen
|
|
24 V
|
Epoxy
|
| ||
|
Pneumatisk ventil 3/2 NC, Bistabil, 1/2", uden spoler
Art:
G553A006MS
Kopieret
|
11 ms
|
14 ms
|
0,84 kg
|
6,9 W
|
13 mm
|
Ja
|
IEC, TÜV
|
52,5
|
3/2
|
Elstyret, Normalt lukket
|
Ja
|
NBR, PUR
|
Rustfrit stål
|
Kobber
|
Aluminium, POM, Rustfrit stål
|
10 bar
|
Ingen
|
|
|
|
| ||
|
Pneumatisk ventil 3/2 NC, Bistabil, 230VAC, G1/2"
Art:
SCG553A006MS
Kopieret
|
|
|
|
|
|
|
|
|
3/2
|
Elstyret, Normalt lukket
|
|
|
|
|
|
|
|
230 V
|
|
|
| ||
|
Pneumatisk ventil 3/2 NC, Bistabil, 24VAC, G1/2"
Art:
SCG553A006MSS2
Kopieret
|
|
|
|
|
|
|
|
|
3/2
|
Elstyret, Normalt lukket
|
|
|
|
|
|
|
|
24 V
|
|
|
| ||
|
Pneumatisk ventil 3/2 NC, Bistabil, 1/2", 24V DC
Art:
SCG553A006MSS3
Kopieret
|
11 ms
|
14 ms
|
0,84 kg
|
6,9 W
|
13 mm
|
Ja
|
IEC, TÜV
|
52,5
|
3/2
|
Elstyret, Normalt lukket
|
Ja
|
NBR, PUR
|
Rustfrit stål
|
Kobber
|
Aluminium, POM, Rustfrit stål
|
10 bar
|
Ingen
|
|
24 V
|
Epoxy
|
| ||
|
Pneumatisk ventil 5/2, Monostabil, 1/2", uden spoler
Art:
G553A017MS
Kopieret
|
11 ms
|
14 ms
|
0,84 kg
|
6,9 W
|
13 mm
|
Ja
|
IEC, TÜV
|
52,5
|
5/2
|
Elstyret med fjerderretur
|
Ja
|
NBR, PUR
|
Rustfrit stål
|
Kobber
|
Aluminium, POM, Rustfrit stål
|
10 bar
|
Ingen
|
|
|
|
| ||
|
Pneumatisk ventil 5/2, Monostabil, 230VAC, G1/2"
Art:
SCG553A017MS
Kopieret
|
|
|
|
|
|
|
|
|
5/2
|
Elstyret med fjerderretur
|
|
|
|
|
|
|
|
230 V
|
|
|
| ||
|
Pneumatisk ventil 5/2, Monostabil, 24VAC, G1/2"
Art:
SCG553A017MSS2
Kopieret
|
|
|
|
|
|
|
|
|
5/2
|
Elstyret med fjerderretur
|
|
|
|
|
|
|
|
24 V
|
|
|
| ||
|
Pneumatisk ventil 5/2, Monostabil, 1/2", 24V DC
Art:
SCG553A017MSS3
Kopieret
|
11 ms
|
14 ms
|
0,84 kg
|
6,9 W
|
13 mm
|
Ja
|
IEC, TÜV
|
52,5
|
5/2
|
Elstyret med fjerderretur
|
Ja
|
NBR, PUR
|
Rustfrit stål
|
Kobber
|
Aluminium, POM, Rustfrit stål
|
10 bar
|
Ingen
|
|
24 V
|
Epoxy
|
| ||
|
Pneumatisk ventil 5/2, Bistabil, 1/2", uden spoler
Art:
G553A018MS
Kopieret
|
11 ms
|
14 ms
|
0,84 kg
|
6,9 W
|
13 mm
|
Ja
|
IEC, TÜV
|
52,5
|
5/2
|
Elstyret
|
Ja
|
NBR, PUR
|
Rustfrit stål
|
Kobber
|
Aluminium, POM, Rustfrit stål
|
10 bar
|
Ingen
|
|
|
|
| ||
|
Pneumatisk ventil 5/2, Bist. 230 VAC. G1/2"
Art:
SCG553A018MS
Kopieret
|
|
|
|
|
|
|
|
|
5/2
|
Elstyret
|
|
|
|
|
|
|
|
230 V
|
|
|
| ||
|
Pneumatisk ventil 5/2, Bistabil, 24VAC, G1/2"
Art:
SCG553A018MSS2
Kopieret
|
|
|
|
|
|
|
|
|
5/2
|
Elstyret
|
|
|
|
|
|
|
|
24 V
|
|
|
| ||
|
Pneumatisk ventil 5/2, Bistabil, 1/2", 24V DC
Art:
SCG553A018MSS3
Kopieret
|
11 ms
|
14 ms
|
0,84 kg
|
6,9 W
|
13 mm
|
Ja
|
IEC, TÜV
|
52,5
|
5/2
|
Elstyret
|
Ja
|
NBR, PUR
|
Rustfrit stål
|
Kobber
|
Aluminium, POM, Rustfrit stål
|
10 bar
|
Ingen
|
|
24 V
|
Epoxy
|
| ||
|
Pneumatisk ventil 5/3, lukket midterposition, 1/2", uden spoler
Art:
G553A067MS
Kopieret
|
11 ms
|
14 ms
|
0,84 kg
|
6,9 W
|
13 mm
|
Ja
|
IEC, TÜV
|
52,5
|
5/3
|
Elstyret, Lukket midterstilling
|
Ja
|
NBR, PUR
|
Rustfrit stål
|
Kobber
|
Aluminium, POM, Rustfrit stål
|
10 bar
|
Ingen
|
|
|
|
| ||
|
Pneumatisk ventil 5/3, lukket midterposition, 230VAC, G1/2"
Art:
SCG553A067MS
Kopieret
|
|
|
|
|
|
|
|
|
5/3
|
Elstyret, Lukket midterstilling
|
|
|
|
|
|
|
|
230 V
|
|
|
| ||
|
Pneumatisk ventil 5/3, lukket midterposition, 24VAC, G1/2"
Art:
SCG553A067MSS2
Kopieret
|
|
|
|
|
|
|
|
|
5/3
|
Elstyret, Lukket midterstilling
|
|
|
|
|
|
|
|
24 V
|
|
|
| ||
|
Pneumatisk ventil 5/3, lukket midterstilling, 1/2", 24V DC
Art:
SCG553A067MSS3
Kopieret
|
11 ms
|
14 ms
|
0,84 kg
|
6,9 W
|
13 mm
|
Ja
|
IEC, TÜV
|
52,5
|
5/3
|
Elstyret, Lukket midterstilling
|
Ja
|
NBR, PUR
|
Rustfrit stål
|
Kobber
|
Aluminium, POM, Rustfrit stål
|
10 bar
|
Ingen
|
|
24 V
|
Epoxy
|
| ||
|
Pneumatisk ventil 5/3, ventileret midterposition, 1/2", uden spoler
Art:
G553A068MS
Kopieret
|
11 ms
|
14 ms
|
0,84 kg
|
6,9 W
|
13 mm
|
Ja
|
IEC, TÜV
|
52,5
|
5/3
|
Elstyret, Udluftet central position
|
Ja
|
NBR, PUR
|
Rustfrit stål
|
Kobber
|
Aluminium, POM, Rustfrit stål
|
10 bar
|
Ingen
|
|
|
|
| ||
|
Pneumatisk ventil 5/3, ventileret midterposition, 230VAC, G1/2"
Art:
SCG553A068MS
Kopieret
|
|
|
|
|
|
|
|
|
5/3
|
Elstyret, Udluftet central position
|
|
|
|
|
|
|
|
230 V
|
|
|
| ||
|
Pneumatisk ventil 5/3, ventileret midterposition, 24VAC, G1/2"
Art:
SCG553A068MSS2
Kopieret
|
|
|
|
|
|
|
|
|
5/3
|
Elstyret, Udluftet central position
|
|
|
|
|
|
|
|
24 V
|
|
|
| ||
|
Pneumatisk ventil 5/3, ventileret midterposition, 1/2", 24V DC
Art:
SCG553A068MSS3
Kopieret
|
11 ms
|
14 ms
|
0,84 kg
|
6,9 W
|
13 mm
|
Ja
|
IEC, TÜV
|
52,5
|
5/3
|
Elstyret, Udluftet central position
|
Ja
|
NBR, PUR
|
Rustfrit stål
|
Kobber
|
Aluminium, POM, Rustfrit stål
|
10 bar
|
Ingen
|
|
24 V
|
Epoxy
|
|
Vælg en variant på listen