LÜTZE

Programmerbar signalkonverter

til analoge signaler

Lütze signalkonverter håndterer spændingssignaler fra + 30 to - 30 V og strømsignaler fra + 50 mA til -50 mA eller + 5 A til - 5 A. Programmeres via FDT/DTM software eller ved hjælp af DIP switch på siden af udstyret. Dette gælder både for ind- og udgangssignaler. Softwaret er nemt at bruge og kan downloades fra linket herunder.

Programmering foregår via det gratis FDT/DTM software, som er meget brugervenligt og let at anvende. Alarmniveauer for følerfejl kan indstilles på ethvert niveau. De øvre og nedre grænseværdier for udgangssignalet kan ligeledes indstilles efter brugerens ønsker og behov. Softwaret indeholder desuden realtidslogning, TAG nr. (unikt navn/nummer) og muligheden for at gemme data på harddiske til f.eks. serieprogrammering. Lütze programmerbare konvertere skal ikke strømfødes ved programmering, og udstyret tilsluttes via en USB- eller COM-port
Belastningsimpedansen er 650 Ω.
NB: For mere information omkring FDT/DTM teknologi, se: http://www.fdtgroup.org/

 

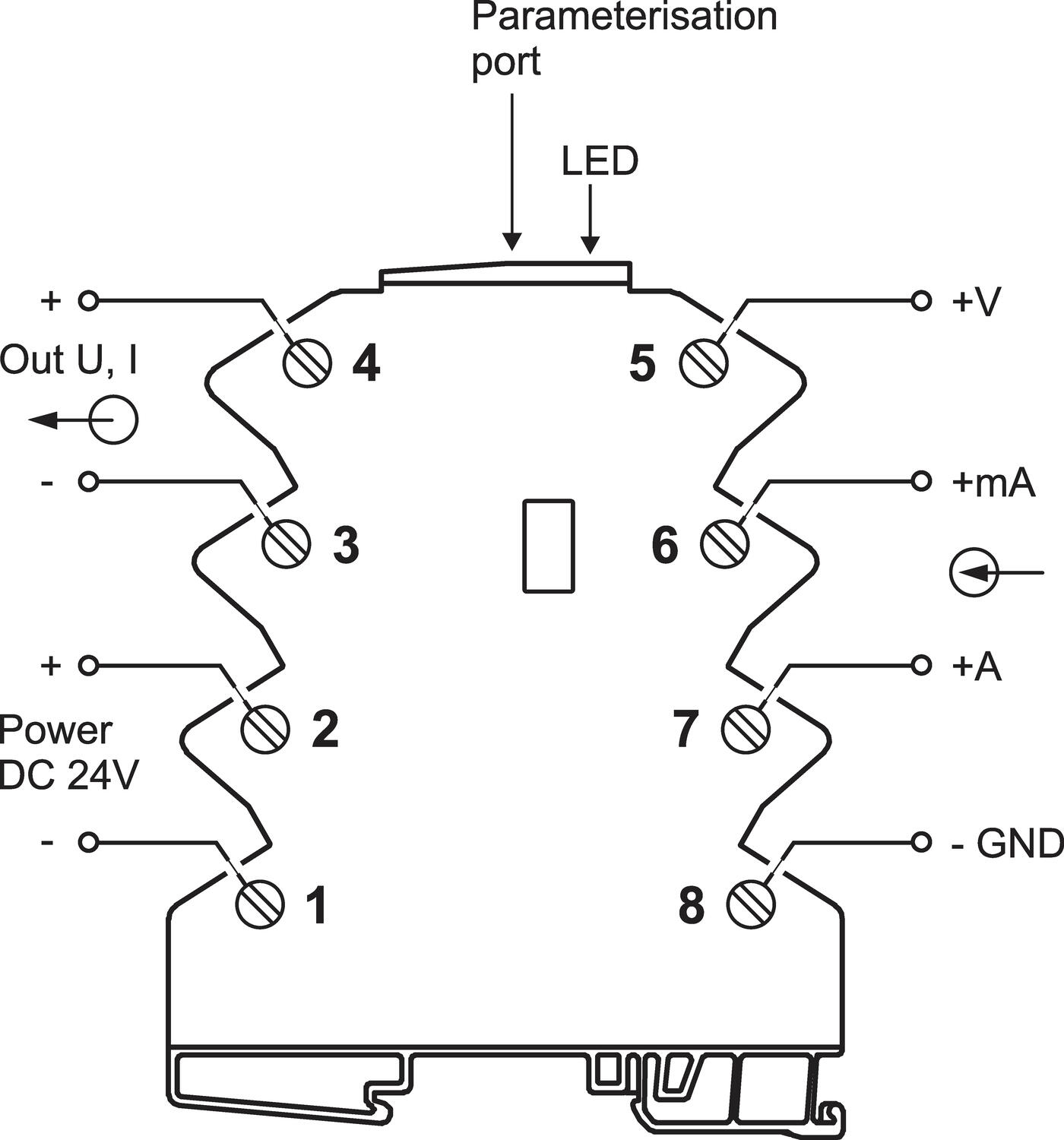
  • 6.2 mm bred
  • Universal indgang/udgangssignal mA / V
  • 3-vejs galvanisk adskillelse 2.5 kV
  • Programmering via FDT/DTM software eller DIP switch.
  • 24 V DC driftsspænding

Udvalgt variant

Udvalgt variant

Specifikationer

Indgang Justerbar med DIP-switch eller via FDT / DTM-software
Nøjagtighed 0,1 % for spænding og strøm i mA, 0,5% for strøm i A
Reaktionstid Justerbar fra 1,5-750 mS via filter trin 1-5 hvor trin 4 er standardværdi = 200 mS
Opløsning 16-bit
Linearitetsfejl ± 0,05% over spændings- og strømområdet for mA, ± 0,1% på skalaen for strøm i A
Lastimpedans strøm Max. 700 Ω
Lastimpedans spænding Min. 2 KΩ
Udgang Strøm 0-20 mA/4-20 mA, Spænding 0-10 V/-10-+10 V/2-10 V/0-5 V/1-5 V
Udgangssignal Strøm max 21mA ,Spænding max 10,5V
Beskyttelse Overspænding 30 V / Udgang kortslutningsbeskyttet
Statusindikering Grøn LED. Rød LED = sensorfejl, kortslutning, fejl
Tilslutning Skrue
Montering DIN-skinne
IP-klasse IP20
Vægt 50 g
Tilslutningstværsnit min 0,14 mm²
Tilslutningstværsnit maks 1,5 mm²
Styrespænding DC max 30 V
Styrespænding DC min 16,8 V
Galvanisk isolation 3-vejs
Effektforbrug 18 mA
Temperaturområde fra -40 °C
Temperaturområde til 70 °C
Temperaturområde lager fra -40 °C
Temperaturområde lager til 85 °C
Godkendelser CE, cULus, RoHS
Parameterindstilling DIP Switch eller FDT/DTM

Produktbeskrivelse

Lütze signalkonverter håndterer spændingssignaler fra + 30 to - 30 V og strømsignaler fra + 50 mA til -50 mA eller + 5 A til - 5 A. Programmeres via FDT/DTM software eller ved hjælp af DIP switch på siden af udstyret. Dette gælder både for ind- og udgangssignaler. Softwaret er nemt at bruge og kan downloades fra linket herunder.

Programmering foregår via det gratis FDT/DTM software, som er meget brugervenligt og let at anvende. Alarmniveauer for følerfejl kan indstilles på ethvert niveau. De øvre og nedre grænseværdier for udgangssignalet kan ligeledes indstilles efter brugerens ønsker og behov. Softwaret indeholder desuden realtidslogning, TAG nr. (unikt navn/nummer) og muligheden for at gemme data på harddiske til f.eks. serieprogrammering. Lütze programmerbare konvertere skal ikke strømfødes ved programmering, og udstyret tilsluttes via en USB- eller COM-port
Belastningsimpedansen er 650 Ω.
NB: For mere information omkring FDT/DTM teknologi, se: http://www.fdtgroup.org/

 

Tilbehør

Tips og guides

Lær mere om strømforsyninger

Vi tilbyder et komplet sortiment af strømforsyninger, redundante systemer, DC-UPS og en række specialtilpassede enheder til f.eks. eksplosionsfarlige miljøer (ATEX) eller NEC class 2-kredsløb fra vores producent PULS. Strømforsyninger til 110 V DC indspænding med strømkapacitet fra 0,6 A op til 20 A (24 V DC).

Kabelgennemføring
Produktnyheder

ORGANISÉR DINE KABLER MED VORES KABELGENNEMFØRINGSSYSTEM FRA CONTA-CLIP 

Lær mere om, hvordan innovative kabelgennemføringssystemer kan imødekomme nutidens industrielle udfordringer ved at spare tid, forenkle installationen og tilbyde enestående fleksibilitet. Følg med, når vi dykker ned i, hvordan vores kabelgennemføringssystemer fra Conta-Clip påvirker industrielle installationer

Auer Smart Signal_Portraet
Produktnyheder

Næste niveau af industriel varsling

En ny produktserie fra Auer Signal lanceres i løbet af 2025, og de første modeller er nu klar til markedet. Serien er kendetegnet ved høj ydeevne, fleksibilitet og smarte funktioner – alt samlet i et moderne og robust design.

Vi er nu distributør
Virksomhedsnyt

GAC Governors America Corp

Pr. 15. Februar 2026 er OEM Automatic Klitsø A/S dansk distributør for GAC (Governors America Corp.).

Powerstart Listing
Virksomhedsnyt

Powerstart Limited

Pr. 15. Februar 2026 er OEM Automatic Klitsø A/S dansk distributør for Powerstart Limited.

Skueglas og belysning Listing
Tips og guides

Procesovervågning til lukkede og krævende miljøer

Hos os får du gennemprøvede løsninger til procesovervågning og visuel inspektion i lukkede beholdere og anlæg. Sortimentet omfatter skueglas og belysning fra FH Papenmeier, udviklet til brug i både standard- og krævende industrielle miljøer.

Favoritter Artikler Tilslutning Forsyningsspænding Pris
Skrue
Push-In
20-30 V DC

Udvalgt variant

Vælg en variant på listen

Teknisk rådgivning

Lars Bogetoft Christensen

Produktchef, El Automation

Kundeservice
Har du har brug for hjælp? Kontakt os:
Har du brug for hjælp? Klik her!
Logo

COOKIE-INDSTILLINGER FOR OEMKLITSO.DK

Cookies hjælper os med at forbedre din oplevelse med os. Så for at kunne analysere trafikken, håndtere loginoplysninger, tilbyde dig personlige oplysninger og for at grundlæggende funktionalitet kan fungere på webssitet, skal vi bruge nogle cookies.

NØDVENDIGE COOKIES

Disse cookies er nødvendige for, at webstedet fungerer og kan ikke slås fra i vores systemer. De bruges normalt kun som reaktion på handlinger, du har foretaget i forbindelse med en serviceanmodning, f.eks. Når du angiver personlige præferencer, logger ind eller udfylder en formular.

ANALYSE OG MÅLING

Disse cookies giver os mulighed for at tælle antallet af besøg og trafikkilder, så vi kan måle og forbedre vores websteds ydeevne. De hjælper os med at vide, hvilke sider der er mere eller mindre populære, og hvordan besøgende navigerer rundt på webstedet. De oplysninger, som disse cookies indsamler, er aggregerede og derfor helt anonyme. Hvis du ikke tillader disse cookies, ved vi ikke, hvornår du har besøgt vores websted.

MARKEDSFØRING

Disse cookies kan tilføjes af vores partnere. De kan bruge dem til at oprette en profil af dig baseret på dine interesser for at vise dig mere relevante oplysninger. De gemmer ingen personlige oplysninger - kun oplysninger om din browser og enhed. Hvis du ikke accepterer disse cookies, får du en mere generel og mindre tilpasset brugeroplevelse.