PULS

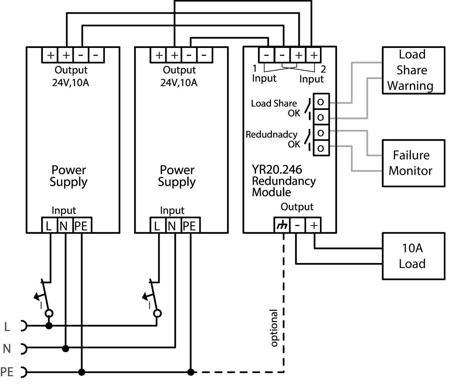
2 x 5A eller 10A Redundansmodul

PULS Dimension Y

  • 32 mm bredde
  • MOSFET transistorer
  • EX / IEC Ex godkendt
  • Kompakte mått

Udvalgt variant

PULS_yr20_246_R_300dpi rett_utan_din_skena.jpg

MOSFET redundansmodul 2 x 10 A

Art:

Udvalgt variant

Specifikationer

Indgangsdata

Indgangsspænding DC 24-28 V
Indgangsspænding DC min 18 V DC
Indgangsspænding DC max 35 V DC
Input current per channel max 12 A
Input current at continuous overload or short circuit max 24 A

Udgangsdata

Udgangsspænding DC 24 V DC
Udgangsstrøm 20 A
Udgangsstrøm max 26 A

Virkningsgrad/Levetid/MTBF

Levetid 182000 h @ 2x 20 A, 24 V DC, 40 °C
MTBF (IEC 61709) 1954000 h @ 2x 20 A, 24 V DC, 40 °C

Mål

Bredde 32 mm
Højde 124 mm

*Invisible Heading*

Dybde 127 mm
Vægt 0,31 kg

Øvrigt

Godkendelser ATEX, CB, CE, CSA, CSA US, UL
IP-klasse IP20
Materiale kapsling Aluminium
Serie Dimension Y
Spændingsfald over halvlederen 500 mV
Temperaturområde uden reduktion fra -40 °C
Temperaturområde uden reduktion til 70 °C
Type strømforsyning Redundansmoduler

Tilbehør

Relaterede produkter

Tips og guides

Lær mere om strømforsyninger

Vi tilbyder et komplet sortiment af strømforsyninger, redundante systemer, DC-UPS og en række specialtilpassede enheder til f.eks. eksplosionsfarlige miljøer (ATEX) eller NEC class 2-kredsløb fra vores producent PULS. Strømforsyninger til 110 V DC indspænding med strømkapacitet fra 0,6 A op til 20 A (24 V DC).

Kabelgennemføring
Produktnyheder

ORGANISÉR DINE KABLER MED VORES KABELGENNEMFØRINGSSYSTEM FRA CONTA-CLIP 

Lær mere om, hvordan innovative kabelgennemføringssystemer kan imødekomme nutidens industrielle udfordringer ved at spare tid, forenkle installationen og tilbyde enestående fleksibilitet. Følg med, når vi dykker ned i, hvordan vores kabelgennemføringssystemer fra Conta-Clip påvirker industrielle installationer

Auer Smart Signal_Portraet
Produktnyheder

Næste niveau af industriel varsling

En ny produktserie fra Auer Signal lanceres i løbet af 2025, og de første modeller er nu klar til markedet. Serien er kendetegnet ved høj ydeevne, fleksibilitet og smarte funktioner – alt samlet i et moderne og robust design.

Liag ventil Listing
Produktnyheder

Hygiejniske ventiler fra LIAG – effektiv produktgenvinding og hygiejne i én løsning

I fødevare-, kosmetik- og farmaceutisk industri er der høje krav til hygiejne og effektivitet. Når du arbejder med viskose produkter, pastøse medier eller væsker med partikler, er det afgørende at have en ventil, der sikrer fuld passage, nem rengøring på stedet (CIP) og minimal vedligeholdelse.

Lær mere om fødevarer_Listing
Tips og guides

Fødevarer - Hygiejne & proceskontrol

Når det kommer til komponenter, der skal anvendes i fødevareproduktion, sætter vi kvalitet og sikkerhed i højsædet for at sikre, at de lever op til de højeste standarder og følger branchens regler. Ved valg af komponenter er materialevalg, korrekt godkendelse, kompatibilitet og pålidelighed helt afgørende faktorer i denne branche. Hver komponent skal vælges omhyggeligt og tilpasses for at imødekomme de strenge krav, der stilles.

Smart-Line af Zimmerlin
Produktnyheder

Tankdæksler på rekordtid med Smart-Line

Nu kan du få præfabrikerede og konfigurerbare trykdæksler leveret på kun 2 uger – en hurtig og fleksibel løsning, der sparer dig både tid og besvær.

Teknisk rådgivning

Mathias Aarslev

Produktchef, El Automation

Kundeservice
Har du har brug for hjælp? Kontakt os:
Har du brug for hjælp? Klik her!
Logo

COOKIE-INDSTILLINGER FOR OEMKLITSO.DK

Cookies hjælper os med at forbedre din oplevelse med os. Så for at kunne analysere trafikken, håndtere loginoplysninger, tilbyde dig personlige oplysninger og for at grundlæggende funktionalitet kan fungere på webssitet, skal vi bruge nogle cookies.

NØDVENDIGE COOKIES

Disse cookies er nødvendige for, at webstedet fungerer og kan ikke slås fra i vores systemer. De bruges normalt kun som reaktion på handlinger, du har foretaget i forbindelse med en serviceanmodning, f.eks. Når du angiver personlige præferencer, logger ind eller udfylder en formular.

ANALYSE OG MÅLING

Disse cookies giver os mulighed for at tælle antallet af besøg og trafikkilder, så vi kan måle og forbedre vores websteds ydeevne. De hjælper os med at vide, hvilke sider der er mere eller mindre populære, og hvordan besøgende navigerer rundt på webstedet. De oplysninger, som disse cookies indsamler, er aggregerede og derfor helt anonyme. Hvis du ikke tillader disse cookies, ved vi ikke, hvornår du har besøgt vores websted.

MARKEDSFØRING

Disse cookies kan tilføjes af vores partnere. De kan bruge dem til at oprette en profil af dig baseret på dine interesser for at vise dig mere relevante oplysninger. De gemmer ingen personlige oplysninger - kun oplysninger om din browser og enhed. Hvis du ikke accepterer disse cookies, får du en mere generel og mindre tilpasset brugeroplevelse.