SENSECA

Flowkontakt med paddel

Model UR1

Model UR1 er en mekanisk flowswitch med separat elektronik, med en reedkontakt som åbner eller lukker. Fås i forniklet messing.

 

Optioner:

• Rustfrit stål
• Ex/ATEX

  • Til væsker op til 25 bar
  • Flow 2,5-53 liter/min. vand
  • Forniklet messing
  • Lavt tryktab
  • Tåler smudsholdige medier

Udvalgt variant

Udvalgt variant

Specifikationer

Elektrisk tilslutning 1,5 m kabel
Funktion Peddel, reedkontakt
IP-klasse IP65
Kontaktbelastning max 50 A
Materiale bryder krop Hårdferrit
Materiale hus Forniklet messing, Rustfrit stål 303
Materiale medieberørte del Forniklet messing, Rustfrit stål, Hårdferrit, NBR
Materiale paddle Rustfrit stål 301
Materiale tætninger NBR
Materiale tilslutning Forniklet messing
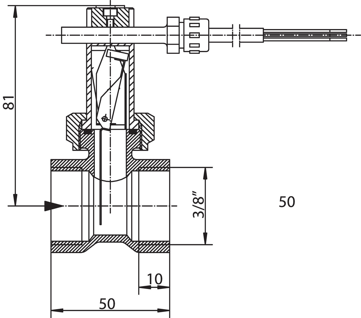
Max flow 10 l/min
Medietemperatur fra 20 °C
Medietemperatur til 110 °C
Nøjagtighed ± 15%
Spænding AC max 230 V
Tilslutning G3/8 F
Trykområde max 25 bar
Tryktab Ca. 0,01 bar ved max flow
Type flowkomponent Flowkontakter
Vægt 0,35 kg
Viskositet 1 cSt

Mål & tilslutninger

Tekniske illustrationer

Produktbeskrivelse

Model UR1 er en mekanisk flowswitch med separat elektronik, med en reedkontakt som åbner eller lukker. Fås i forniklet messing.

 

Optioner:

• Rustfrit stål
• Ex/ATEX

Tilbehør

Relaterede produkter

Omniplus
Produktnyheder

OMNIPLUS – Velafprøvet måleteknologi møder IO-Link

OMNIPLUS-transmitteren fra Senseca kombinerer velafprøvet måleteknologi med et intelligent IO-Link-interface, hvilket åbner døren for forbedret processtyring, øget effektivitet og større fleksibilitet i dine applikationer. Med et robust hus i rustfrit stål og en front i ridsefast mineralglas er OMNIPLUS både holdbar og pålidelig. Det standardiserede IO-Link-interface sikrer problemfri digital kommunikation, hvilket giver dig præcise data og pålidelige måleresultater – perfekt til optimal flowmåling.

Senseca opkober to virksomheder_front
Produktnyheder

Senseca styrker sin position med strategiske opkøb

Senseca styrker sin position med opkøbet af Biral og Geonica, der bringer ekspertise inden for miljømåling og sensorteknologi. Dette strategiske skridt kombinerer avanceret teknologi og bæredygtige løsninger til Smart City-udvikling, vedvarende energi og præcisionsmålinger.

Spild af trykluft
Tips og guides

Sådan undgår du spild af trykluft i pneumatiske systemer

Optimer jeres luftforbrug og reducer både energiforbrug og CO2-udledning med Emerson Aventics AF2 flowsensor. Denne intelligente sensor overvåger trykluftsflowet i realtid, opdager lækager og hjælper med at forbedre produktionsflowet. Med præcis dataindsamling gør den det nemt at træffe bedre beslutninger, reducere spild og sikre en mere bæredygtig drift.

Produktnyheder

Vedligehold nøjagtigheden I dine Brooks komponenter, giv dem service og kalibrering!

Består din proces af forskellige gasser, der reguleres eller måles af massflow-måler eller mass flow controller er en helt nøjagtig kontrol/måling altafgørende for dit resultat? Så sørg for at dine mass flow controller/meter bliver sendt til service for optimering og forbedring af din kontrol/dine målinger.

Lær mere om fødevarer_Listing
Tips og guides

Fødevarer - Hygiejne & proceskontrol

Når det kommer til komponenter, der skal anvendes i fødevareproduktion, sætter vi kvalitet og sikkerhed i højsædet for at sikre, at de lever op til de højeste standarder og følger branchens regler. Ved valg af komponenter er materialevalg, korrekt godkendelse, kompatibilitet og pålidelighed helt afgørende faktorer i denne branche. Hver komponent skal vælges omhyggeligt og tilpasses for at imødekomme de strenge krav, der stilles.

Tips og guides

Lær mere om strømforsyninger

Vi tilbyder et komplet sortiment af strømforsyninger, redundante systemer, DC-UPS og en række specialtilpassede enheder til f.eks. eksplosionsfarlige miljøer (ATEX) eller NEC class 2-kredsløb fra vores producent PULS. Strømforsyninger til 110 V DC indspænding med strømkapacitet fra 0,6 A op til 20 A (24 V DC).

Favoritter Artikler Funktion Max flow Tilslutning Vægt Pris
Peddel, reedkontakt
10 l/min
G3/8 F
0,35 kg
Paddel, reedkontakt
20 l/min
G1/2 F
0,35 kg
Paddel, reedkontakt
40 l/min
G3/4 F
0,35 kg
Paddel, reedkontakt
60 l/min
G1 F
0,4 kg
Paddel, reedkontakt
80 l/min
G1 1/4 F
0,45 kg
Paddel, reedkontakt
100 l/min
G1 1/2 F
0,55 kg
Paddel, reedkontakt
150 l/min
G2 F
0,8 kg

Udvalgt variant

Vælg en variant på listen

Teknisk rådgivning

Henrik Philipsen

Kundeservice
Har du har brug for hjælp? Kontakt os:
Har du brug for hjælp? Klik her!
Logo

COOKIE-INDSTILLINGER FOR OEMKLITSO.DK

Cookies hjælper os med at forbedre din oplevelse med os. Så for at kunne analysere trafikken, håndtere loginoplysninger, tilbyde dig personlige oplysninger og for at grundlæggende funktionalitet kan fungere på webssitet, skal vi bruge nogle cookies.

NØDVENDIGE COOKIES

Disse cookies er nødvendige for, at webstedet fungerer og kan ikke slås fra i vores systemer. De bruges normalt kun som reaktion på handlinger, du har foretaget i forbindelse med en serviceanmodning, f.eks. Når du angiver personlige præferencer, logger ind eller udfylder en formular.

ANALYSE OG MÅLING

Disse cookies giver os mulighed for at tælle antallet af besøg og trafikkilder, så vi kan måle og forbedre vores websteds ydeevne. De hjælper os med at vide, hvilke sider der er mere eller mindre populære, og hvordan besøgende navigerer rundt på webstedet. De oplysninger, som disse cookies indsamler, er aggregerede og derfor helt anonyme. Hvis du ikke tillader disse cookies, ved vi ikke, hvornår du har besøgt vores websted.

MARKEDSFØRING

Disse cookies kan tilføjes af vores partnere. De kan bruge dem til at oprette en profil af dig baseret på dine interesser for at vise dig mere relevante oplysninger. De gemmer ingen personlige oplysninger - kun oplysninger om din browser og enhed. Hvis du ikke accepterer disse cookies, får du en mere generel og mindre tilpasset brugeroplevelse.