SENSECA

Robust flowkontakt

Model VD

Model VD er en mekanisk flowkontakt i rød bronze med SPDT-reedkontakt. Den er yderst velegnet til marineapplikationer, og hvor rød bronze er et krav.

 

Optioner
• Ex/ATEX-version
• Godkendelser: Germanischer Lloyd, LOBA (sch)
• Krop i rustfrit stål
• Til medietemperatur op til +150 °C

  • Til væsker og gasser op til 25 bar
  • Flow 0,1-150 l/min. vand
  • Medieberørte dele i rød bronze

Udvalgt variant

Udvalgt variant

Specifikationer

Elektrisk tilslutning DIN 43650-A
Funktion Stempel, reedkontakt
IP-klasse IP44
Kontaktbelastning max 50 VA
Materiale fjeder Rustfrit stål 301
Materiale hus Bronze
Materiale kappe ABS-plast
Materiale stempel POM
Materiale tætninger NBR
Max flow 15 l/min
Max flow 10 l/min
Medietemperatur til 120 °C
Min flow 1 l/min
Nøjagtighed ± 5%
Spænding AC max 250 V
Tilslutning G1/4 F
Trykområde max 25 bar
Tryktab <0,5 bar
Type flowkomponent Flowkontakter
Vægt 1 kg
Viskositet max 1 cSt

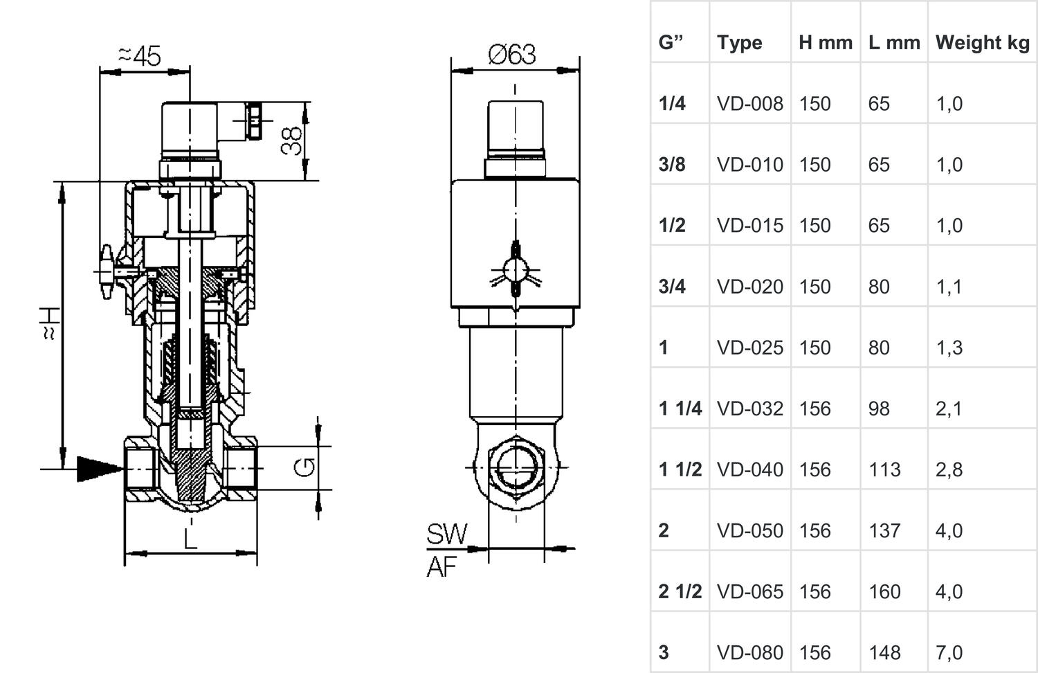
Mål & tilslutninger

Tekniske illustrationer

Produktbeskrivelse

Model VD er en mekanisk flowkontakt i rød bronze med SPDT-reedkontakt. Den er yderst velegnet til marineapplikationer, og hvor rød bronze er et krav.

 

Optioner
• Ex/ATEX-version
• Godkendelser: Germanischer Lloyd, LOBA (sch)
• Krop i rustfrit stål
• Til medietemperatur op til +150 °C

Tilbehør

Omniplus
Produktnyheder

OMNIPLUS – Velafprøvet måleteknologi møder IO-Link

OMNIPLUS-transmitteren fra Senseca kombinerer velafprøvet måleteknologi med et intelligent IO-Link-interface, hvilket åbner døren for forbedret processtyring, øget effektivitet og større fleksibilitet i dine applikationer. Med et robust hus i rustfrit stål og en front i ridsefast mineralglas er OMNIPLUS både holdbar og pålidelig. Det standardiserede IO-Link-interface sikrer problemfri digital kommunikation, hvilket giver dig præcise data og pålidelige måleresultater – perfekt til optimal flowmåling.

Senseca opkober to virksomheder_front
Produktnyheder

Senseca styrker sin position med strategiske opkøb

Senseca styrker sin position med opkøbet af Biral og Geonica, der bringer ekspertise inden for miljømåling og sensorteknologi. Dette strategiske skridt kombinerer avanceret teknologi og bæredygtige løsninger til Smart City-udvikling, vedvarende energi og præcisionsmålinger.

Spild af trykluft
Tips og guides

Sådan undgår du spild af trykluft i pneumatiske systemer

Optimer jeres luftforbrug og reducer både energiforbrug og CO2-udledning med Emerson Aventics AF2 flowsensor. Denne intelligente sensor overvåger trykluftsflowet i realtid, opdager lækager og hjælper med at forbedre produktionsflowet. Med præcis dataindsamling gør den det nemt at træffe bedre beslutninger, reducere spild og sikre en mere bæredygtig drift.

Produktnyheder

Vedligehold nøjagtigheden I dine Brooks komponenter, giv dem service og kalibrering!

Består din proces af forskellige gasser, der reguleres eller måles af massflow-måler eller mass flow controller er en helt nøjagtig kontrol/måling altafgørende for dit resultat? Så sørg for at dine mass flow controller/meter bliver sendt til service for optimering og forbedring af din kontrol/dine målinger.

Det nye millennium
Produktnyheder

Guide: Er den nye Millenium den rette Micro-PLC til dit behov?

Den nye Millenium-generation er udviklet for at videreføre et gennemprøvet koncept og tilpasse det til nutidens krav om opkobling, fleksibilitet og brugervenlighed. Denne guide henvender sig til dig, der vil forstå, hvordan den nye Millenium anvendes i praksis, hvad der adskiller den fra tidligere generationer – og hvornår den er det rette valg.

Vi er nu distributør
Virksomhedsnyt

GAC Governors America Corp

Pr. 15. Februar 2026 er OEM Automatic Klitsø A/S dansk distributør for GAC (Governors America Corp.).

Favoritter Artikler Max flow Max flow Min flow Tilslutning Trykområde max Vægt Pris
15 l/min
10 l/min
1 l/min
G1/4 F
25 bar
1 kg
15 l/min
10 l/min
1 l/min
G3/8 F
25 bar
1 kg
30 l/min
20 l/min
4 l/min
G1/2 F
25 bar
1 kg
30 l/min
20 l/min
4 l/min
G3/4 F
25 bar
1,1 kg
60 l/min
40 l/min
10 l/min
G1 F
25 bar
1,3 kg
100 l/min
60 l/min
20 l/min
G1 1/4 F
16 bar
2,1 kg
150 l/min
100 l/min
30 l/min
G1 1/2 F
16 bar
2,8 kg
250 l/min
150 l/min
50 l/min
G2 F
16 bar
4 kg

Udvalgt variant

Vælg en variant på listen

Teknisk rådgivning

Henrik Philipsen

Produktchef, Tryk & Flow

Kundeservice
Har du har brug for hjælp? Kontakt os:
Har du brug for hjælp? Klik her!
Logo

COOKIE-INDSTILLINGER FOR OEMKLITSO.DK

Cookies hjælper os med at forbedre din oplevelse med os. Så for at kunne analysere trafikken, håndtere loginoplysninger, tilbyde dig personlige oplysninger og for at grundlæggende funktionalitet kan fungere på webssitet, skal vi bruge nogle cookies.

NØDVENDIGE COOKIES

Disse cookies er nødvendige for, at webstedet fungerer og kan ikke slås fra i vores systemer. De bruges normalt kun som reaktion på handlinger, du har foretaget i forbindelse med en serviceanmodning, f.eks. Når du angiver personlige præferencer, logger ind eller udfylder en formular.

ANALYSE OG MÅLING

Disse cookies giver os mulighed for at tælle antallet af besøg og trafikkilder, så vi kan måle og forbedre vores websteds ydeevne. De hjælper os med at vide, hvilke sider der er mere eller mindre populære, og hvordan besøgende navigerer rundt på webstedet. De oplysninger, som disse cookies indsamler, er aggregerede og derfor helt anonyme. Hvis du ikke tillader disse cookies, ved vi ikke, hvornår du har besøgt vores websted.

MARKEDSFØRING

Disse cookies kan tilføjes af vores partnere. De kan bruge dem til at oprette en profil af dig baseret på dine interesser for at vise dig mere relevante oplysninger. De gemmer ingen personlige oplysninger - kun oplysninger om din browser og enhed. Hvis du ikke accepterer disse cookies, får du en mere generel og mindre tilpasset brugeroplevelse.