WIKA

Temperaturmåler med procesdesign

Serie TWG

TWG-serien er en temperaturmåler fra WIKA med et procesdesign. Den er udviklet til sikkerhedskritiske applikationer, og dens kvalitet og fremstilling i henhold til ISO 9001 sikrer en meget høj kvalitet. Under fremstillingen spores måleren med kvalitetssoftware og testes 100 %. Måleren har en mikroafbryder og kan håndtere kontaktbelastninger på 250 VAC, 20A.

Måleprincippet er et bundfyldt bourdonrør, som gør det muligt at bryde temperaturer på op til 600 °C. TWG er meget robust og garanterer optimale driftsegenskaber inden for et begrænset område med en repeterbarhed på mindre end 0,5 %.

 

  • Brudpunkter fra -30°C op til 600°C
  • Koblingsstrøm 250 VAC, 20A
  • 1 eller 2 individuelle brudpunkter, SPDT eller DPDT
  • Med eller uden kapillær
  • Der kræves ingen strøm til at skifte elektriske belastninger

Udvalgt variant

TWG - 1.png

Temperaturmåler i procesdesign

Art:

Udvalgt variant

Specifikationer

Configured measuring range ending value 600 °C
Configured measuring range starting value -30 °C
Forsyningsspænding AC max 250 V AC
Forsyningsspænding DC max 24 V DC
Indstikslængde 195 mm
IP-klasse IP66
Kontaktbelastning max 20 A
Material Sensor Body Rustfrit stål 316L
Omgivelsestemperatur fra -40 °C
Omgivelsestemperatur til 85 °C
Plug diameter 12 mm

Downloads

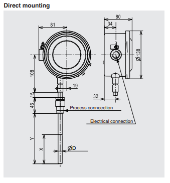
Mål & tilslutninger

Produktbeskrivelse

TWG-serien er en temperaturmåler fra WIKA med et procesdesign. Den er udviklet til sikkerhedskritiske applikationer, og dens kvalitet og fremstilling i henhold til ISO 9001 sikrer en meget høj kvalitet. Under fremstillingen spores måleren med kvalitetssoftware og testes 100 %. Måleren har en mikroafbryder og kan håndtere kontaktbelastninger på 250 VAC, 20A.

Måleprincippet er et bundfyldt bourdonrør, som gør det muligt at bryde temperaturer på op til 600 °C. TWG er meget robust og garanterer optimale driftsegenskaber inden for et begrænset område med en repeterbarhed på mindre end 0,5 %.

 

Tilbehør

x guard maskinafskaermning
Produktnyheder

X‑Guard maskinafskærmning – fleksible og sikre hegnsystemer til industrien.

At beskytte både mennesker og maskiner er en selvfølge i et sikkert og effektivt produktionsmiljø. Med X‑Guard maskinafskærmning fra Axelent tilbyder vi hos OEM Automatic Klitsø et komplet, modulært og brugervenligt hegnsystem, der opfylder alle gældende krav til maskinsikkerhed og standarder. X‑Guard er udviklet med tre tydelige grundprincipper: fleksibilitet, enkel montering og høj sikkerhed. Resultatet er et smart og velafprøvet system, som i dag er et af markedets mest populære maskinafskærmninger til industrielle miljøer.

Liag ventil Listing
Produktnyheder

Hygiejniske ventiler fra LIAG – effektiv produktgenvinding og hygiejne i én løsning

I fødevare-, kosmetik- og farmaceutisk industri er der høje krav til hygiejne og effektivitet. Når du arbejder med viskose produkter, pastøse medier eller væsker med partikler, er det afgørende at have en ventil, der sikrer fuld passage, nem rengøring på stedet (CIP) og minimal vedligeholdelse.

Lær mere om fødevarer_Listing
Tips og guides

Fødevarer - Hygiejne & proceskontrol

Når det kommer til komponenter, der skal anvendes i fødevareproduktion, sætter vi kvalitet og sikkerhed i højsædet for at sikre, at de lever op til de højeste standarder og følger branchens regler. Ved valg af komponenter er materialevalg, korrekt godkendelse, kompatibilitet og pålidelighed helt afgørende faktorer i denne branche. Hver komponent skal vælges omhyggeligt og tilpasses for at imødekomme de strenge krav, der stilles.

Tips og guides

Lær mere om strømforsyninger

Vi tilbyder et komplet sortiment af strømforsyninger, redundante systemer, DC-UPS og en række specialtilpassede enheder til f.eks. eksplosionsfarlige miljøer (ATEX) eller NEC class 2-kredsløb fra vores producent PULS. Strømforsyninger til 110 V DC indspænding med strømkapacitet fra 0,6 A op til 20 A (24 V DC).

Smart-Line af Zimmerlin
Produktnyheder

Tankdæksler på rekordtid med Smart-Line

Nu kan du få præfabrikerede og konfigurerbare trykdæksler leveret på kun 2 uger – en hurtig og fleksibel løsning, der sparer dig både tid og besvær.

XV Ventiltermial
Produktnyheder

Modulær ventilterminal fra Aventics – XV-serien

Aventics XV-serie fra Emerson muliggør øget fleksibilitet og effektivitet i produktionssystemer. Den moderne ventilteknologi i denne serie forbedrer udnyttelsen af trykluft og optimerer ydeevnen i pneumatiske systemer. Med sit kompakte design sparer XV-serien plads i styreskabet, samtidig med at ventilerne har lang levetid og kræver minimal vedligeholdelse. Dette giver øget oppetid og gør serien til et fremragende valg for nutidens krævende produktionsmiljøer.

Teknisk rådgivning

Mikkel Arlien-Søborg

Produktchef, Tryk & Flow

Kundeservice
Har du har brug for hjælp? Kontakt os:
Har du brug for hjælp? Klik her!
Logo

COOKIE-INDSTILLINGER FOR OEMKLITSO.DK

Cookies hjælper os med at forbedre din oplevelse med os. Så for at kunne analysere trafikken, håndtere loginoplysninger, tilbyde dig personlige oplysninger og for at grundlæggende funktionalitet kan fungere på webssitet, skal vi bruge nogle cookies.

NØDVENDIGE COOKIES

Disse cookies er nødvendige for, at webstedet fungerer og kan ikke slås fra i vores systemer. De bruges normalt kun som reaktion på handlinger, du har foretaget i forbindelse med en serviceanmodning, f.eks. Når du angiver personlige præferencer, logger ind eller udfylder en formular.

ANALYSE OG MÅLING

Disse cookies giver os mulighed for at tælle antallet af besøg og trafikkilder, så vi kan måle og forbedre vores websteds ydeevne. De hjælper os med at vide, hvilke sider der er mere eller mindre populære, og hvordan besøgende navigerer rundt på webstedet. De oplysninger, som disse cookies indsamler, er aggregerede og derfor helt anonyme. Hvis du ikke tillader disse cookies, ved vi ikke, hvornår du har besøgt vores websted.

MARKEDSFØRING

Disse cookies kan tilføjes af vores partnere. De kan bruge dem til at oprette en profil af dig baseret på dine interesser for at vise dig mere relevante oplysninger. De gemmer ingen personlige oplysninger - kun oplysninger om din browser og enhed. Hvis du ikke accepterer disse cookies, får du en mere generel og mindre tilpasset brugeroplevelse.