ASCO

Syrefast stål pneumatikventil, 3/2-5/2 eller 5/3-funktion, G 1/4"

Serie 551

Ventil 551 i syrefast stål, AISI 316L, fås med 3/2-, 5/2- eller 5/3-funktion. Fås både med in-line-udgang til strøm til op til 860 l/min og som NAMUR-version med flow op til 700 l/min. Ventilen er TÜV-certificeret og er meget velegnet til hårde omgivelser.  Hele serien er miljøbeskyttet, hvilket vil sige at både til- og fraluft passerer gennem portene, og som betyder, at forurening i miljøet ikke kan komme ind og beskadige indersiden af ventilen. Miljøbeskyttelsen betyder også, at ventilen også er velegnet til rene lokaler samt medicinsk og fødevareindustrien, da al udluftning kan ledes væk. Ventilens temperaturområde er fra -40 til +60 ° C. Den kan leveres med flere varianter af spoler, både standard og ATEX i de fleste spændinger. Hvis ventilen skal bruges til at styre lavt arbejdstryk, skal du blot dreje en pakning i ventilen, så bliver piloten tilført luft separat via den ekstra port ved siden af pilotventilen.

  • Flow 860 l/min
  • Effektoptag 10,5W
  • Temperaturområde -40 till +60 °C
  • SIL-godkendelse på forespørsel
  • Fås med NAMUR-interface

Udvalgt variant

Udvalgt variant

Specifikationer

Type ventil Elstyret
Vægt 1,19 kg
IP-klasse IP65
Effektforbrug 11,2 W
Gennemløb 6 mm
Kortslutningsbeskyttelse Ja
Spænding DC 24 V
Temperaturområde fra -40 °C
Temperaturområde til 80 °C
Godkendelser IEC, TÜV
Materiale spole Epoxy
Tilslutning G1/4
Differenstryk max 10 bar
Differenstryk min 0 bar
Flowkoefficient 12.5
Max flow 860 l/min
Funktion 3/2, Elstyret med fjerderretur, Normalt lukket
Manuel drift Ja
Materiale hus Rustfrit stål 316L
Materiale tætninger NBR
Materiale stempel Rustfrit stål
Materiale kortslutningsring Sølv
Materiale indvendige dele POM, Rustfrit stål
Materiale sæde Rustfrit stål
Materiale sædetætning POM
Max tryk 10 bar
Materiale membran FPM
Montering Uafhængig

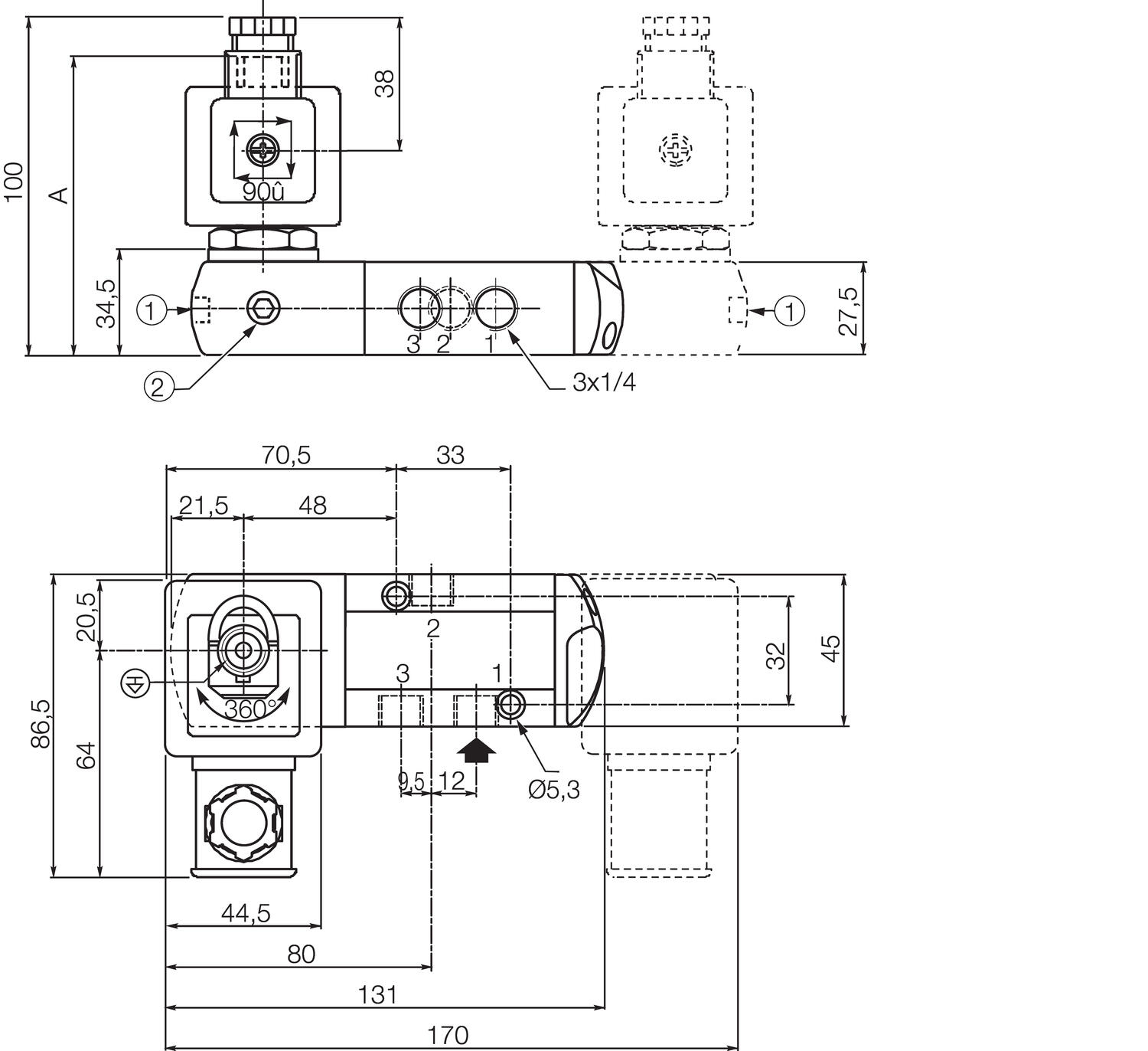
Mål & tilslutninger

Tekniske illustrationer

Produktbeskrivelse

Ventil 551 i syrefast stål, AISI 316L, fås med 3/2-, 5/2- eller 5/3-funktion. Fås både med in-line-udgang til strøm til op til 860 l/min og som NAMUR-version med flow op til 700 l/min. Ventilen er TÜV-certificeret og er meget velegnet til hårde omgivelser.  Hele serien er miljøbeskyttet, hvilket vil sige at både til- og fraluft passerer gennem portene, og som betyder, at forurening i miljøet ikke kan komme ind og beskadige indersiden af ventilen. Miljøbeskyttelsen betyder også, at ventilen også er velegnet til rene lokaler samt medicinsk og fødevareindustrien, da al udluftning kan ledes væk. Ventilens temperaturområde er fra -40 til +60 ° C. Den kan leveres med flere varianter af spoler, både standard og ATEX i de fleste spændinger. Hvis ventilen skal bruges til at styre lavt arbejdstryk, skal du blot dreje en pakning i ventilen, så bliver piloten tilført luft separat via den ekstra port ved siden af pilotventilen.

Tilbehør

Relaterede produkter

XV Ventiltermial
Produktnyheder

Modulær ventilterminal fra Aventics – XV-serien

Aventics XV-serie fra Emerson muliggør øget fleksibilitet og effektivitet i produktionssystemer. Den moderne ventilteknologi i denne serie forbedrer udnyttelsen af trykluft og optimerer ydeevnen i pneumatiske systemer. Med sit kompakte design sparer XV-serien plads i styreskabet, samtidig med at ventilerne har lang levetid og kræver minimal vedligeholdelse. Dette giver øget oppetid og gør serien til et fremragende valg for nutidens krævende produktionsmiljøer.

Lær mere om fødevarer_Listing
Tips og guides

Fødevarer - Hygiejne & proceskontrol

Når det kommer til komponenter, der skal anvendes i fødevareproduktion, sætter vi kvalitet og sikkerhed i højsædet for at sikre, at de lever op til de højeste standarder og følger branchens regler. Ved valg af komponenter er materialevalg, korrekt godkendelse, kompatibilitet og pålidelighed helt afgørende faktorer i denne branche. Hver komponent skal vælges omhyggeligt og tilpasses for at imødekomme de strenge krav, der stilles.

Tips og guides

Lær mere om strømforsyninger

Vi tilbyder et komplet sortiment af strømforsyninger, redundante systemer, DC-UPS og en række specialtilpassede enheder til f.eks. eksplosionsfarlige miljøer (ATEX) eller NEC class 2-kredsløb fra vores producent PULS. Strømforsyninger til 110 V DC indspænding med strømkapacitet fra 0,6 A op til 20 A (24 V DC).

Smart-Line af Zimmerlin
Produktnyheder

Tankdæksler på rekordtid med Smart-Line

Nu kan du få præfabrikerede og konfigurerbare trykdæksler leveret på kun 2 uger – en hurtig og fleksibel løsning, der sparer dig både tid og besvær.

Omkostningseffektiv niveaumåling
Produktnyheder

Omkostningseffektiv og pålidelig niveaumåling med Rosemount 1208 niveau- og flowradar

Efterhånden som kravene til pålidelig niveau- og flowmåling stiger, bliver behovet for smartere og mere robust teknologi stadig vigtigere. Med Rosemount 1208 niveau- og flowradar præsenterer vi hos OEM Automatic en ny, berøringsfri niveauradar, der kombinerer høj præcision med nem installation – uanset om det er vand, havre eller kemikalier.

Tescom Trykregulatorer
Produktnyheder

TESCOM MULTI-PURPOSE TRYKREGULATORER

Vi tilbyder et bredt udvalg af Tescom trykregulatorer, der dækker alt fra laboratorieanalyser til industrielle gasinstallationer. Tescom er kendt for sin høje kvalitet, fleksibilitet og pålidelighed – uanset om du arbejder med brandfarlige gasser, kalibreringsudstyr eller trykpaneler.

Favoritter Artikler Spænding DC Max flow Funktion Manuel drift Montering Spænding AC Pris
24 V
860 l/min
3/2, Elstyret med fjerderretur, Normalt lukket
Ja
Uafhængig
860 l/min
3/2, Elstyret med fjerderretur, Normalt lukket
Uafhængig
230 V
24 V
860 l/min
5/2, Elstyret med fjerderretur
Uafhængig
860 l/min
5/2, Elstyret med fjerderretur
Uafhængig
24 V
860 l/min
5/2, Elstyret
Uafhængig
860 l/min
5/2, Elstyret
Uafhængig
230 V
24 V
700 l/min
3/2-5/2, Elstyret med fjerderretur, NAMUR, Normalt lukket
NAMUR-standard
700 l/min
3/2-5/2, Elstyret med fjerderretur, NAMUR, Normalt lukket
NAMUR-standard
230 V
24 V
700 l/min
3/2-5/2, Elstyret, NAMUR, Normalt lukket
NAMUR-standard
700 l/min
3/2-5/2, Elstyret, NAMUR, Normalt lukket
NAMUR-standard
230 V

Udvalgt variant

Vælg en variant på listen

Kundeservice
Har du har brug for hjælp? Kontakt os:
Har du brug for hjælp? Klik her!
Logo

COOKIE-INDSTILLINGER FOR OEMKLITSO.DK

Cookies hjælper os med at forbedre din oplevelse med os. Så for at kunne analysere trafikken, håndtere loginoplysninger, tilbyde dig personlige oplysninger og for at grundlæggende funktionalitet kan fungere på webssitet, skal vi bruge nogle cookies.

NØDVENDIGE COOKIES

Disse cookies er nødvendige for, at webstedet fungerer og kan ikke slås fra i vores systemer. De bruges normalt kun som reaktion på handlinger, du har foretaget i forbindelse med en serviceanmodning, f.eks. Når du angiver personlige præferencer, logger ind eller udfylder en formular.

ANALYSE OG MÅLING

Disse cookies giver os mulighed for at tælle antallet af besøg og trafikkilder, så vi kan måle og forbedre vores websteds ydeevne. De hjælper os med at vide, hvilke sider der er mere eller mindre populære, og hvordan besøgende navigerer rundt på webstedet. De oplysninger, som disse cookies indsamler, er aggregerede og derfor helt anonyme. Hvis du ikke tillader disse cookies, ved vi ikke, hvornår du har besøgt vores websted.

MARKEDSFØRING

Disse cookies kan tilføjes af vores partnere. De kan bruge dem til at oprette en profil af dig baseret på dine interesser for at vise dig mere relevante oplysninger. De gemmer ingen personlige oplysninger - kun oplysninger om din browser og enhed. Hvis du ikke accepterer disse cookies, får du en mere generel og mindre tilpasset brugeroplevelse.