TRAFAG

Pressostat, marine

Model PK

Trafag pressostater bruges, når man ønsker at kontrollere eller overvåge et tryk via et elektrisk on/off-signal. I mekaniske pressostater påvirker målesensoren en elektrisk microswitch, når trykket når den indstillede kontaktværdi. Måleprincippet i PK modellen er et stempel i rustfrit stål, hvilket gør den særdeles velegnet ved højere tryk og modstandsdygtig overfor trykstød og overtryk. Det solide og robuste design gør, at pressostaterne fra Trafag kan bruges i fx marine-, jernbane- og hydraulikapplikationer.

 

Optioner:

• Plomberet på bestemt kontaktpunkt
• FKM O-ring (medietemperatur -15...150°C)

  • Måleområder 1...10 til 60...600 bar
  • Robust design
  • Sensor i rustfrit stål, stempel
  • ABS, BV, CCS, DNV, GL, KRS, LRS, RINA

Udvalgt variant

Udvalgt variant

Specifikationer

Chok, mekanisk 50 g / 11 ms
Displayvisning Mekanisk
Driftstemperatur -25...+70°C
Elektrisk tilslutning Skrueterminaler
Gentagelsesnøjagtighed, typisk ±1% FS
Godkendelser, marine ABS, BV, DNV, GL, Rina
Hysterese 0,45...0,9 bar
IP-klasse IP65
Justering Justeringsskrue
Kabelforskruning M20x1,5, kabel Ø6...13 mm, PA
Kontakt Skiftekontakt SPDT
Levetid for microswitch 0,3 mio cykler
Luftfugtighed max 95 % Rh
Materiale Aluminium
Materiale pakning NBR
Materiale, sensor Rustfrit stål 316L
Max overtryk 100 bar
Medietemperatur fra -30 °C
Medietemperatur til 100 °C
Montagemoment Max 25 Nm
Nøjagtighed, skala, typisk ±2% FS
Sensorteknologi Stempel
Temperaturområde lager fra -25 °C
Temperaturområde lager til 85 °C
Trykområde max 10 bar
Trykområde min 0 bar
Tryktilslutning G1/4 F
Type pressostat Marine
Vægt 710 g
Vibration, resonans ±1,6 mm (5...25Hz), 4 g (25...100Hz)

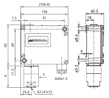
Mål & tilslutninger

Tekniske illustrationer

Produktbeskrivelse

Trafag pressostater bruges, når man ønsker at kontrollere eller overvåge et tryk via et elektrisk on/off-signal. I mekaniske pressostater påvirker målesensoren en elektrisk microswitch, når trykket når den indstillede kontaktværdi. Måleprincippet i PK modellen er et stempel i rustfrit stål, hvilket gør den særdeles velegnet ved højere tryk og modstandsdygtig overfor trykstød og overtryk. Det solide og robuste design gør, at pressostaterne fra Trafag kan bruges i fx marine-, jernbane- og hydraulikapplikationer.

 

Optioner:

• Plomberet på bestemt kontaktpunkt
• FKM O-ring (medietemperatur -15...150°C)

Tilbehør

Artikel listing
Tips og guides

Pumper: Løftehøjde vs. Tryk – forstå forskellen

En af de vigtigste faktorer ved valg af en centrifugalpumpe er begrebet “total løftehøjde” (Total Head). En misforståelse af dette kan føre til valg af en pumpe, der enten ikke leverer den ønskede ydeevne eller får hyppige driftsstop, hvilket i sidste ende påvirker hele systemet.

Det nye millennium
Produktnyheder

Guide: Er den nye Millenium den rette Micro-PLC til dit behov?

Den nye Millenium-generation er udviklet for at videreføre et gennemprøvet koncept og tilpasse det til nutidens krav om opkobling, fleksibilitet og brugervenlighed. Denne guide henvender sig til dig, der vil forstå, hvordan den nye Millenium anvendes i praksis, hvad der adskiller den fra tidligere generationer – og hvornår den er det rette valg.

Skueglas og belysning Listing
Tips og guides

Procesovervågning til lukkede og krævende miljøer

Hos os får du gennemprøvede løsninger til procesovervågning og visuel inspektion i lukkede beholdere og anlæg. Sortimentet omfatter skueglas og belysning fra FH Papenmeier, udviklet til brug i både standard- og krævende industrielle miljøer.

Vi er nu distributør
Virksomhedsnyt

GAC Governors America Corp

Pr. 15. Februar 2026 er OEM Automatic Klitsø A/S dansk distributør for GAC (Governors America Corp.).

Powerstart Listing
Virksomhedsnyt

Powerstart Limited

Pr. 15. Februar 2026 er OEM Automatic Klitsø A/S dansk distributør for Powerstart Limited.

MS filtre
Produktnyheder

Driftssikker filtrering til fødevareprocesser

M&S’ vinkelfiltre og snavssamlere er udviklet til effektiv filtrering og opsamling af procesrester i fødevareindustrien, hvor driftssikkerhed, hygiejne og nem service er afgørende. Et vinkelfilter til fødevarer anvendes til pumpbare medier og beskytter kritiske komponenter som pumper, ventiler og varmevekslere mod slid, tilstopning og uplanlagte driftsstop.

Favoritter Artikler Hysterese Max overtryk Trykområde max Trykområde min Pris
0,45...0,9 bar
100 bar
10 bar
0 bar
1,8...3,4bar
200 bar
40 bar
4 bar
3,2...7,5bar
200 bar
100 bar
10 bar
5,2...16bar
400 bar
250 bar
25 bar

Udvalgt variant

Vælg en variant på listen

Teknisk rådgivning

Mikkel Arlien-Søborg

Produktchef, Tryk & Flow

Kundeservice
Har du har brug for hjælp? Kontakt os:
Har du brug for hjælp? Klik her!
Logo

COOKIE-INDSTILLINGER FOR OEMKLITSO.DK

Cookies hjælper os med at forbedre din oplevelse med os. Så for at kunne analysere trafikken, håndtere loginoplysninger, tilbyde dig personlige oplysninger og for at grundlæggende funktionalitet kan fungere på webssitet, skal vi bruge nogle cookies.

NØDVENDIGE COOKIES

Disse cookies er nødvendige for, at webstedet fungerer og kan ikke slås fra i vores systemer. De bruges normalt kun som reaktion på handlinger, du har foretaget i forbindelse med en serviceanmodning, f.eks. Når du angiver personlige præferencer, logger ind eller udfylder en formular.

ANALYSE OG MÅLING

Disse cookies giver os mulighed for at tælle antallet af besøg og trafikkilder, så vi kan måle og forbedre vores websteds ydeevne. De hjælper os med at vide, hvilke sider der er mere eller mindre populære, og hvordan besøgende navigerer rundt på webstedet. De oplysninger, som disse cookies indsamler, er aggregerede og derfor helt anonyme. Hvis du ikke tillader disse cookies, ved vi ikke, hvornår du har besøgt vores websted.

MARKEDSFØRING

Disse cookies kan tilføjes af vores partnere. De kan bruge dem til at oprette en profil af dig baseret på dine interesser for at vise dig mere relevante oplysninger. De gemmer ingen personlige oplysninger - kun oplysninger om din browser og enhed. Hvis du ikke accepterer disse cookies, får du en mere generel og mindre tilpasset brugeroplevelse.