TRAFAG

Pressostat, marine

Model PV / PVF

Trafag pressostater bruges, når man ønsker at kontrollere eller overvåge et tryk via et elektrisk on/off-signal. I mekaniske pressostater påvirker målesensoren en elektrisk microswitch, når trykket når den indstillede kontaktværdi. Måleprincippet i PV / PVF modellerne er et bælgsystem. Udover at kontaktpunktet kan indstilles (kalibreret for faldende tryk), er det også muligt at justere hysteresen. Det solide og robuste design gør, at pressostaterne fra Trafag kan bruges i fx marine-, jernbane- og hydraulikapplikationer.

 

Optioner:
• Plomberet på bestemt kontaktpunkt
• Sensor i rustfrit stål
• Udvendig justeringsskrue

  • Måleområder -0,9...1,5 bar til 4...40 bar
  • Justérbar hysterese
  • Robust design
  • ABS, BV, DNV, GL, KRS, LRS, RINA

Udvalgt variant

Udvalgt variant

Specifikationer

Chok, mekanisk 50 g / 11 ms
Displayvisning Mekanisk
Driftstemperatur -25...+70°C
Elektrisk tilslutning Skrueterminaler
Gentagelsesnøjagtighed, typisk ±1% FS
Godkendelser, marine ABS, BV, DNV, GL, Rina
Hysterese 0,4...3,2 bar (justérbar)
IP-klasse IP65
Justering Indvendig justeringsskrue
Kabelforskruning M20x1,5, kabel Ø6...13 mm, PA
Kontakt Skiftekontakt SPDT
Levetid for microswitch 0,3 mio cykler
Luftfugtighed max 95 % Rh
Materiale Aluminium
Materiale pakning NBR
Materiale, sensor Bronze
Max overtryk 12 bar
Medieberørte dele, sensor Messing
Medietemperatur fra -40 °C
Medietemperatur til 150 °C
Montagemoment Max 25 Nm
Nøjagtighed, skala, typisk ±2% FS
Sensorteknologi Bælg
Temperaturområde lager fra -25 °C
Temperaturområde lager til 85 °C
Trykområde max 6 bar
Trykområde min 0 bar
Tryktilslutning G1/4 F
Type pressostat Marine
Vægt 710 g
Vibration, resonans ±1,6 mm (5...25Hz), 4 g (25...100Hz)

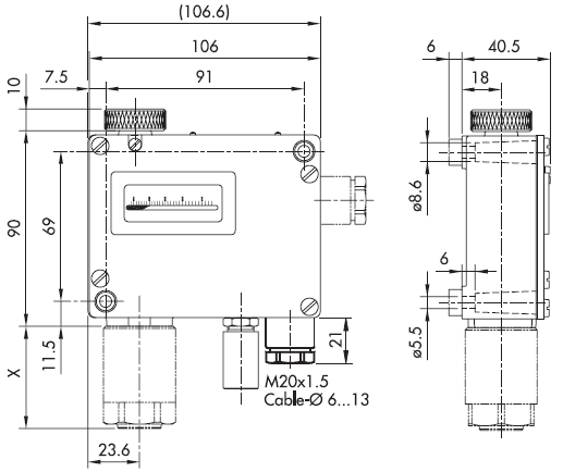
Mål & tilslutninger

Tekniske illustrationer

Produktbeskrivelse

Trafag pressostater bruges, når man ønsker at kontrollere eller overvåge et tryk via et elektrisk on/off-signal. I mekaniske pressostater påvirker målesensoren en elektrisk microswitch, når trykket når den indstillede kontaktværdi. Måleprincippet i PV / PVF modellerne er et bælgsystem. Udover at kontaktpunktet kan indstilles (kalibreret for faldende tryk), er det også muligt at justere hysteresen. Det solide og robuste design gør, at pressostaterne fra Trafag kan bruges i fx marine-, jernbane- og hydraulikapplikationer.

 

Optioner:
• Plomberet på bestemt kontaktpunkt
• Sensor i rustfrit stål
• Udvendig justeringsskrue

Tilbehør

x guard maskinafskaermning
Produktnyheder

X‑Guard maskinafskærmning – fleksible og sikre hegnsystemer til industrien.

At beskytte både mennesker og maskiner er en selvfølge i et sikkert og effektivt produktionsmiljø. Med X‑Guard maskinafskærmning fra Axelent tilbyder vi hos OEM Automatic Klitsø et komplet, modulært og brugervenligt hegnsystem, der opfylder alle gældende krav til maskinsikkerhed og standarder. X‑Guard er udviklet med tre tydelige grundprincipper: fleksibilitet, enkel montering og høj sikkerhed. Resultatet er et smart og velafprøvet system, som i dag er et af markedets mest populære maskinafskærmninger til industrielle miljøer.

Liag ventil Listing
Produktnyheder

Hygiejniske ventiler fra LIAG – effektiv produktgenvinding og hygiejne i én løsning

I fødevare-, kosmetik- og farmaceutisk industri er der høje krav til hygiejne og effektivitet. Når du arbejder med viskose produkter, pastøse medier eller væsker med partikler, er det afgørende at have en ventil, der sikrer fuld passage, nem rengøring på stedet (CIP) og minimal vedligeholdelse.

Lær mere om fødevarer_Listing
Tips og guides

Fødevarer - Hygiejne & proceskontrol

Når det kommer til komponenter, der skal anvendes i fødevareproduktion, sætter vi kvalitet og sikkerhed i højsædet for at sikre, at de lever op til de højeste standarder og følger branchens regler. Ved valg af komponenter er materialevalg, korrekt godkendelse, kompatibilitet og pålidelighed helt afgørende faktorer i denne branche. Hver komponent skal vælges omhyggeligt og tilpasses for at imødekomme de strenge krav, der stilles.

Tips og guides

Lær mere om strømforsyninger

Vi tilbyder et komplet sortiment af strømforsyninger, redundante systemer, DC-UPS og en række specialtilpassede enheder til f.eks. eksplosionsfarlige miljøer (ATEX) eller NEC class 2-kredsløb fra vores producent PULS. Strømforsyninger til 110 V DC indspænding med strømkapacitet fra 0,6 A op til 20 A (24 V DC).

Smart-Line af Zimmerlin
Produktnyheder

Tankdæksler på rekordtid med Smart-Line

Nu kan du få præfabrikerede og konfigurerbare trykdæksler leveret på kun 2 uger – en hurtig og fleksibel løsning, der sparer dig både tid og besvær.

XV Ventiltermial
Produktnyheder

Modulær ventilterminal fra Aventics – XV-serien

Aventics XV-serie fra Emerson muliggør øget fleksibilitet og effektivitet i produktionssystemer. Den moderne ventilteknologi i denne serie forbedrer udnyttelsen af trykluft og optimerer ydeevnen i pneumatiske systemer. Med sit kompakte design sparer XV-serien plads i styreskabet, samtidig med at ventilerne har lang levetid og kræver minimal vedligeholdelse. Dette giver øget oppetid og gør serien til et fremragende valg for nutidens krævende produktionsmiljøer.

Favoritter Artikler Hysterese Max overtryk Trykområde max Trykområde min Pris
0,4...3,2 bar (justérbar)
12 bar
6 bar
0 bar
1...7,5 bar (justérbar)
24 bar
16 bar
1 bar
3...18 bar (justérbar)
40 bar
40 bar
4 bar
0,06...0,2 bar (justérbar)
10 bar
1,5 bar
-0,9 bar
0,06...0,2 bar (justérbar)
10 bar
2,5 bar
0,2 bar
0,2...0,6 bar (justérbar)
12 bar
6 bar
0 bar
0,5...1,6bar (justérbar)
24 bar
16 bar
1 bar

Udvalgt variant

Vælg en variant på listen

Kundeservice
Har du har brug for hjælp? Kontakt os:
Har du brug for hjælp? Klik her!
Logo

COOKIE-INDSTILLINGER FOR OEMKLITSO.DK

Cookies hjælper os med at forbedre din oplevelse med os. Så for at kunne analysere trafikken, håndtere loginoplysninger, tilbyde dig personlige oplysninger og for at grundlæggende funktionalitet kan fungere på webssitet, skal vi bruge nogle cookies.

NØDVENDIGE COOKIES

Disse cookies er nødvendige for, at webstedet fungerer og kan ikke slås fra i vores systemer. De bruges normalt kun som reaktion på handlinger, du har foretaget i forbindelse med en serviceanmodning, f.eks. Når du angiver personlige præferencer, logger ind eller udfylder en formular.

ANALYSE OG MÅLING

Disse cookies giver os mulighed for at tælle antallet af besøg og trafikkilder, så vi kan måle og forbedre vores websteds ydeevne. De hjælper os med at vide, hvilke sider der er mere eller mindre populære, og hvordan besøgende navigerer rundt på webstedet. De oplysninger, som disse cookies indsamler, er aggregerede og derfor helt anonyme. Hvis du ikke tillader disse cookies, ved vi ikke, hvornår du har besøgt vores websted.

MARKEDSFØRING

Disse cookies kan tilføjes af vores partnere. De kan bruge dem til at oprette en profil af dig baseret på dine interesser for at vise dig mere relevante oplysninger. De gemmer ingen personlige oplysninger - kun oplysninger om din browser og enhed. Hvis du ikke accepterer disse cookies, får du en mere generel og mindre tilpasset brugeroplevelse.