WIKA

Termoelement safirdesign

Serie TC84

  • 3 gange længere levetid sammelignet med almindelige keramiske følere
  • Måleområde op til 1700°C
  • Type S, R eller B
  • Indstik op til 1200mm
  • Reducering af nedetider, øget sikkerhed ved dobbelttætnings-system

Udvalgt variant

TC84.png

Termoelement safirdesign

Art:

Udvalgt variant

Specifikationer

Godkendelser ATEX, IECEx
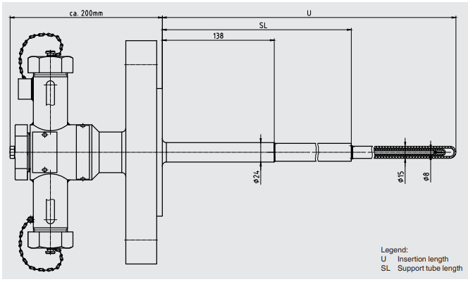
Indstikslængde 1200 mm
Materiale Rustfrit stål
Materiale medieberørte del Keramisk, Safir
Plug diameter 15 mm
Temperaturområde til 1700 °C
Trykmodstand max 65 bar

Mål & tilslutninger

Tilbehør

Lær mere om fødevarer_Listing
Tips og guides

Fødevarer - Hygiejne & proceskontrol

Når det kommer til komponenter, der skal anvendes i fødevareproduktion, sætter vi kvalitet og sikkerhed i højsædet for at sikre, at de lever op til de højeste standarder og følger branchens regler. Ved valg af komponenter er materialevalg, korrekt godkendelse, kompatibilitet og pålidelighed helt afgørende faktorer i denne branche. Hver komponent skal vælges omhyggeligt og tilpasses for at imødekomme de strenge krav, der stilles.

Tips og guides

Lær mere om strømforsyninger

Vi tilbyder et komplet sortiment af strømforsyninger, redundante systemer, DC-UPS og en række specialtilpassede enheder til f.eks. eksplosionsfarlige miljøer (ATEX) eller NEC class 2-kredsløb fra vores producent PULS. Strømforsyninger til 110 V DC indspænding med strømkapacitet fra 0,6 A op til 20 A (24 V DC).

Smart-Line af Zimmerlin
Produktnyheder

Tankdæksler på rekordtid med Smart-Line

Nu kan du få præfabrikerede og konfigurerbare trykdæksler leveret på kun 2 uger – en hurtig og fleksibel løsning, der sparer dig både tid og besvær.

XV Ventiltermial
Produktnyheder

Modulær ventilterminal fra Aventics – XV-serien

Aventics XV-serie fra Emerson muliggør øget fleksibilitet og effektivitet i produktionssystemer. Den moderne ventilteknologi i denne serie forbedrer udnyttelsen af trykluft og optimerer ydeevnen i pneumatiske systemer. Med sit kompakte design sparer XV-serien plads i styreskabet, samtidig med at ventilerne har lang levetid og kræver minimal vedligeholdelse. Dette giver øget oppetid og gør serien til et fremragende valg for nutidens krævende produktionsmiljøer.

Omkostningseffektiv niveaumåling
Produktnyheder

Omkostningseffektiv og pålidelig niveaumåling med Rosemount 1208 niveau- og flowradar

Efterhånden som kravene til pålidelig niveau- og flowmåling stiger, bliver behovet for smartere og mere robust teknologi stadig vigtigere. Med Rosemount 1208 niveau- og flowradar præsenterer vi hos OEM Automatic en ny, berøringsfri niveauradar, der kombinerer høj præcision med nem installation – uanset om det er vand, havre eller kemikalier.

Tescom Trykregulatorer
Produktnyheder

TESCOM MULTI-PURPOSE TRYKREGULATORER

Vi tilbyder et bredt udvalg af Tescom trykregulatorer, der dækker alt fra laboratorieanalyser til industrielle gasinstallationer. Tescom er kendt for sin høje kvalitet, fleksibilitet og pålidelighed – uanset om du arbejder med brandfarlige gasser, kalibreringsudstyr eller trykpaneler.

Kundeservice
Har du har brug for hjælp? Kontakt os:
Har du brug for hjælp? Klik her!
Logo

COOKIE-INDSTILLINGER FOR OEMKLITSO.DK

Cookies hjælper os med at forbedre din oplevelse med os. Så for at kunne analysere trafikken, håndtere loginoplysninger, tilbyde dig personlige oplysninger og for at grundlæggende funktionalitet kan fungere på webssitet, skal vi bruge nogle cookies.

NØDVENDIGE COOKIES

Disse cookies er nødvendige for, at webstedet fungerer og kan ikke slås fra i vores systemer. De bruges normalt kun som reaktion på handlinger, du har foretaget i forbindelse med en serviceanmodning, f.eks. Når du angiver personlige præferencer, logger ind eller udfylder en formular.

ANALYSE OG MÅLING

Disse cookies giver os mulighed for at tælle antallet af besøg og trafikkilder, så vi kan måle og forbedre vores websteds ydeevne. De hjælper os med at vide, hvilke sider der er mere eller mindre populære, og hvordan besøgende navigerer rundt på webstedet. De oplysninger, som disse cookies indsamler, er aggregerede og derfor helt anonyme. Hvis du ikke tillader disse cookies, ved vi ikke, hvornår du har besøgt vores websted.

MARKEDSFØRING

Disse cookies kan tilføjes af vores partnere. De kan bruge dem til at oprette en profil af dig baseret på dine interesser for at vise dig mere relevante oplysninger. De gemmer ingen personlige oplysninger - kun oplysninger om din browser og enhed. Hvis du ikke accepterer disse cookies, får du en mere generel og mindre tilpasset brugeroplevelse.