TRAFAG

Udgået - Tryktransmitter m. frontmembran

Model FPT 8235

Den nye tryktransmitter med fuldsvejst frontmembran, model FPT, er baseret på Trafags egen tyndfilmsteknologi og deres egen højtydende ASIC-chip. Dette giver fordele som høj nøjagtighed i et bredt temperaturområde og fremragende langtidsstabilitet, kombineret med en særdeles robust og glat membranoverflade.
FPT-membrantransmitteren er en kompakt løsning til mange forskellige applikationer, hvor mediets krysalliserende, tilstoppende, slidende eller frysende tendenser kræver en ekstremt holdbar og glat membranoverflade uden død-rum. FPT er det ideelle valg inden for fx procesteknologi, spildevandbehandling, hydraulik, kemiindustri osv.

 

Optioner:

• Udgangssignal 0-5 VDC, 1-6 VDC, 0-10 VDC, eller 0,5-4,5 VDC ratiometrisk
• Elektrisk tilslutning M12x1 5-pin, eller kabel 1,5 / 3 / 5 meter

  • Modellen er udgået. Brug NPT 8236 i stedet.
  • Nøjagtighed 0.4% FS typ.
  • Frontmembran med helt glat overflade
  • Måleområder 0...1 til 0...100 bar

Udvalgt variant

Udvalgt variant

Specifikationer

Chok, mekanisk 50 g / 3 ms
Driftstemperatur -40...85°C
Elektrisk tilslutning DIN EN 175301-803-A
EMC EN/IEC61000-6-3, 61000-6-2
Forsyningsspænding 9-30 VDC
IP-klasse IP65
Langtidsstabilitet, typisk <±0,2% FS
Materiale hus Rustfrit stål 304
Materiale O-ring FKM
Max overtryk 2 bar
Medieberørte dele, procestilslutning Rustfrit stål 630
Medietemperatur fra -15 °C
Medietemperatur til 125 °C
Montagemoment 15-20 / 20-25 Nm
Måleområde 0-1 bar
Måleprincip Tyndfilm
NLH (BSL gennem nul), typisk ±0,3% FS
Nøjagtighed v. 25°C, typisk ±0,4% FS
Opstartstid <1,5 s.
Sprængtryk 3 bar
Stigningstid, typisk 1 ms (10...90% FS)
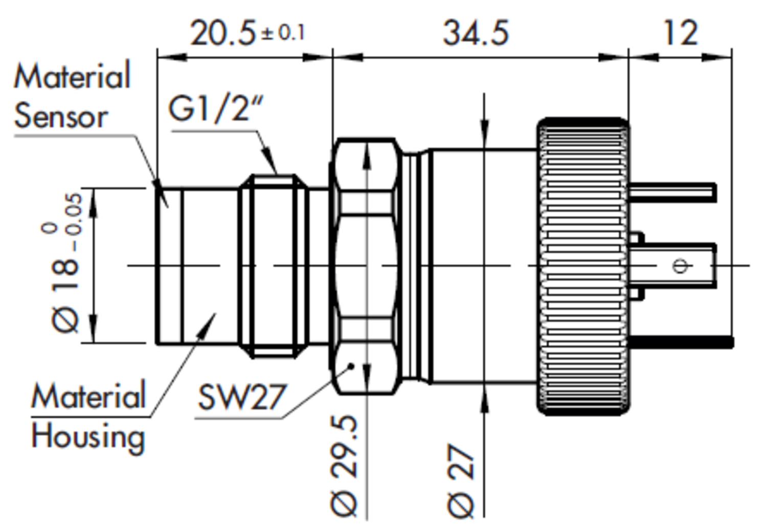
Tryktilslutning G1/2 M flush
Udgangssignal 4-20 mA
Vægt 110 g
Vibration, resonans 15 g (50...2000Hz)

Mål & tilslutninger

Tekniske illustrationer

Produktbeskrivelse

Den nye tryktransmitter med fuldsvejst frontmembran, model FPT, er baseret på Trafags egen tyndfilmsteknologi og deres egen højtydende ASIC-chip. Dette giver fordele som høj nøjagtighed i et bredt temperaturområde og fremragende langtidsstabilitet, kombineret med en særdeles robust og glat membranoverflade.
FPT-membrantransmitteren er en kompakt løsning til mange forskellige applikationer, hvor mediets krysalliserende, tilstoppende, slidende eller frysende tendenser kræver en ekstremt holdbar og glat membranoverflade uden død-rum. FPT er det ideelle valg inden for fx procesteknologi, spildevandbehandling, hydraulik, kemiindustri osv.

 

Optioner:

• Udgangssignal 0-5 VDC, 1-6 VDC, 0-10 VDC, eller 0,5-4,5 VDC ratiometrisk
• Elektrisk tilslutning M12x1 5-pin, eller kabel 1,5 / 3 / 5 meter

Tilbehør

Relaterede produkter

Vi er nu distributør
Virksomhedsnyt

GAC Governors America Corp

Pr. 15. Februar 2026 er OEM Automatic Klitsø A/S dansk distributør for GAC (Governors America Corp.).

Powerstart Listing
Virksomhedsnyt

Powerstart Limited

Pr. 15. Februar 2026 er OEM Automatic Klitsø A/S dansk distributør for Powerstart Limited.

Skueglas og belysning Listing
Tips og guides

Procesovervågning til lukkede og krævende miljøer

Hos os får du gennemprøvede løsninger til procesovervågning og visuel inspektion i lukkede beholdere og anlæg. Sortimentet omfatter skueglas og belysning fra FH Papenmeier, udviklet til brug i både standard- og krævende industrielle miljøer.

MS filtre
Produktnyheder

Driftssikker filtrering til fødevareprocesser

M&S’ vinkelfiltre og snavssamlere er udviklet til effektiv filtrering og opsamling af procesrester i fødevareindustrien, hvor driftssikkerhed, hygiejne og nem service er afgørende. Et vinkelfilter til fødevarer anvendes til pumpbare medier og beskytter kritiske komponenter som pumper, ventiler og varmevekslere mod slid, tilstopning og uplanlagte driftsstop.

x guard maskinafskaermning
Produktnyheder

X‑Guard maskinafskærmning – fleksible og sikre hegnsystemer til industrien.

At beskytte både mennesker og maskiner er en selvfølge i et sikkert og effektivt produktionsmiljø. Med X‑Guard maskinafskærmning fra Axelent tilbyder vi hos OEM Automatic Klitsø et komplet, modulært og brugervenligt hegnsystem, der opfylder alle gældende krav til maskinsikkerhed og standarder. X‑Guard er udviklet med tre tydelige grundprincipper: fleksibilitet, enkel montering og høj sikkerhed. Resultatet er et smart og velafprøvet system, som i dag er et af markedets mest populære maskinafskærmninger til industrielle miljøer.

Liag ventil Listing
Produktnyheder

Hygiejniske ventiler fra LIAG – effektiv produktgenvinding og hygiejne i én løsning

I fødevare-, kosmetik- og farmaceutisk industri er der høje krav til hygiejne og effektivitet. Når du arbejder med viskose produkter, pastøse medier eller væsker med partikler, er det afgørende at have en ventil, der sikrer fuld passage, nem rengøring på stedet (CIP) og minimal vedligeholdelse.

Favoritter Artikler Max overtryk Måleområde Sprængtryk Pris
2 bar
0-1 bar
3 bar
5 bar
0-2,5 bar
7,5 bar
8 bar
0-4 bar
12 bar
12 bar
0-6 bar
18 bar
20 bar
0-10 bar
30 bar
32 bar
0-16 bar
48 bar
50 bar
0-25 bar
75 bar
80 bar
0-40 bar
120 bar
200 bar
0-100 bar
300 bar

Udvalgt variant

Vælg en variant på listen

Teknisk rådgivning

Mikkel Arlien-Søborg

Produktchef, Tryk & Flow

Kundeservice
Har du har brug for hjælp? Kontakt os:
Har du brug for hjælp? Klik her!
Logo

COOKIE-INDSTILLINGER FOR OEMKLITSO.DK

Cookies hjælper os med at forbedre din oplevelse med os. Så for at kunne analysere trafikken, håndtere loginoplysninger, tilbyde dig personlige oplysninger og for at grundlæggende funktionalitet kan fungere på webssitet, skal vi bruge nogle cookies.

NØDVENDIGE COOKIES

Disse cookies er nødvendige for, at webstedet fungerer og kan ikke slås fra i vores systemer. De bruges normalt kun som reaktion på handlinger, du har foretaget i forbindelse med en serviceanmodning, f.eks. Når du angiver personlige præferencer, logger ind eller udfylder en formular.

ANALYSE OG MÅLING

Disse cookies giver os mulighed for at tælle antallet af besøg og trafikkilder, så vi kan måle og forbedre vores websteds ydeevne. De hjælper os med at vide, hvilke sider der er mere eller mindre populære, og hvordan besøgende navigerer rundt på webstedet. De oplysninger, som disse cookies indsamler, er aggregerede og derfor helt anonyme. Hvis du ikke tillader disse cookies, ved vi ikke, hvornår du har besøgt vores websted.

MARKEDSFØRING

Disse cookies kan tilføjes af vores partnere. De kan bruge dem til at oprette en profil af dig baseret på dine interesser for at vise dig mere relevante oplysninger. De gemmer ingen personlige oplysninger - kun oplysninger om din browser og enhed. Hvis du ikke accepterer disse cookies, får du en mere generel og mindre tilpasset brugeroplevelse.