GEFEG NECKAR

K 5/6/8/9

1-fase asyncron-motor Gefeg Neckar - AC-motor

Gefeg Neckar har fremstillet kvalitets elektriske motorer og gear i mere end 50 år. Produktsortimentet består af små kompakte 1/3-fasede AC-motorer fra effektområde 3 -500W med eller uden køleventilator. Motorerne er normalt fremstillet til 230VAC 1-faset eller 3 * 230 / 400VAC, men andre spændinger er også tilgængelige på forespørgsel. Gefeg Neckars motorer er næsten altid fremstillet til at have et gear monteret på motoren. Motorerne bruges i medicinske applikationer eller industrielle applikationer, hvor Gefeg Neckars kvalitet kommer i spil. Motorerne har ofte et kompakt design, hvilket gør, at de med fordel egner sig i fødevareindustrien. Motorerne kan tilpasses med tilbehør som encodere, bremser eller forskellige samledåser. Gefeg Neckar fremstiller også universalmotorer, der tilbydes på forespørgsel.

 

 

K 542

K 562

K 544

K 564

Antal poler

2

2

4

4

Spænding V

230

230

230

230

Effekt W

10

12

3

5

Hastighed RPM

2700

2600

1200

1200

Moment Ncm

3.5

5.0

2.4

3.8

Startmoment Ncm

2.5

2.5

2.6

3.4

Strøm mA

136

110

67

100

Effektivitet %

35.5

47.0

20.0

21.5

Modstand Ω

395

530

1615

1110

Input W

28

25

15

22

Driftkondensator μF

1.5

1.5

1.0

1.5

Vægt kg

0.7

1.0

0.7

1.0

Moment af inerti gcm²

128

200

128

200

Temp. område ºC

-20...40 ºC

-20...40 ºC

-20...40 ºC

-20...40 ºC

Mak. temp. snoede ºC

+ 120 ºC

+ 120 ºC

+ 120 ºC

+ 120 ºC

Aksel diameter mm

6

6

6

6

Maks. last axialt N

8

8

8

8

Maks. last radialt N

100

100

100

100

 

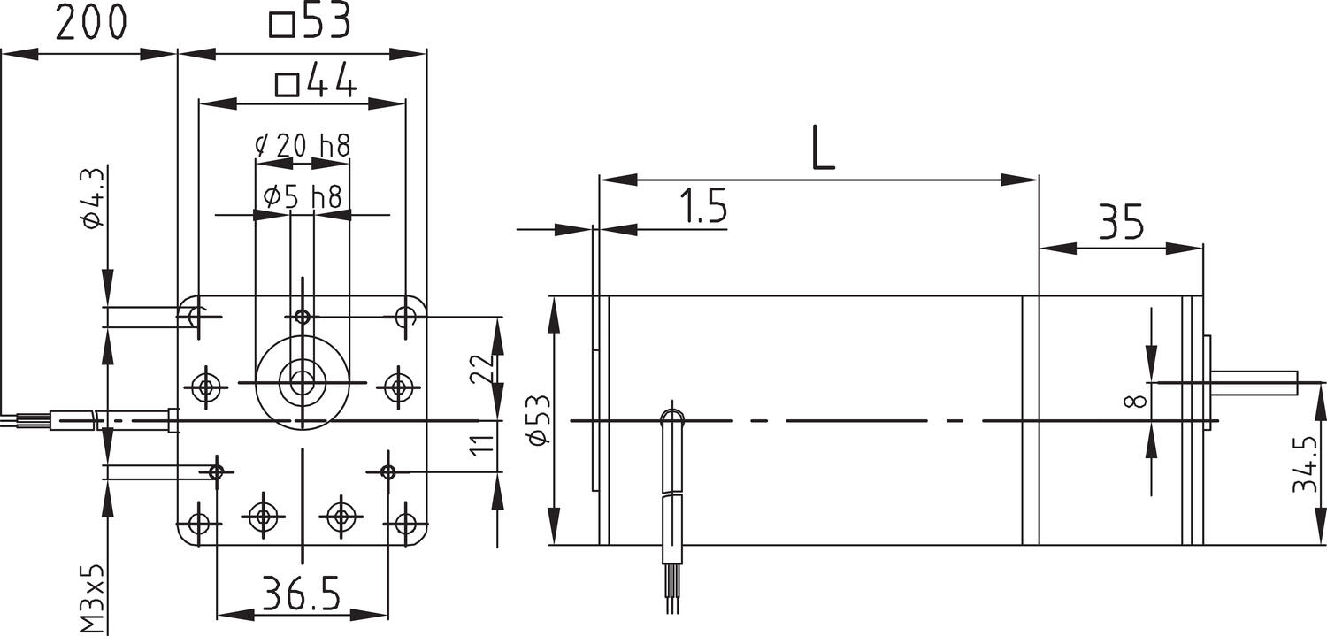
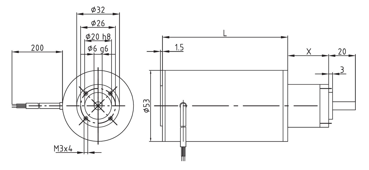
Dimensioner

Gefeg-neckar-236069-812.eps

Type

L mm

K 542/544

92

K 562/564

112

 

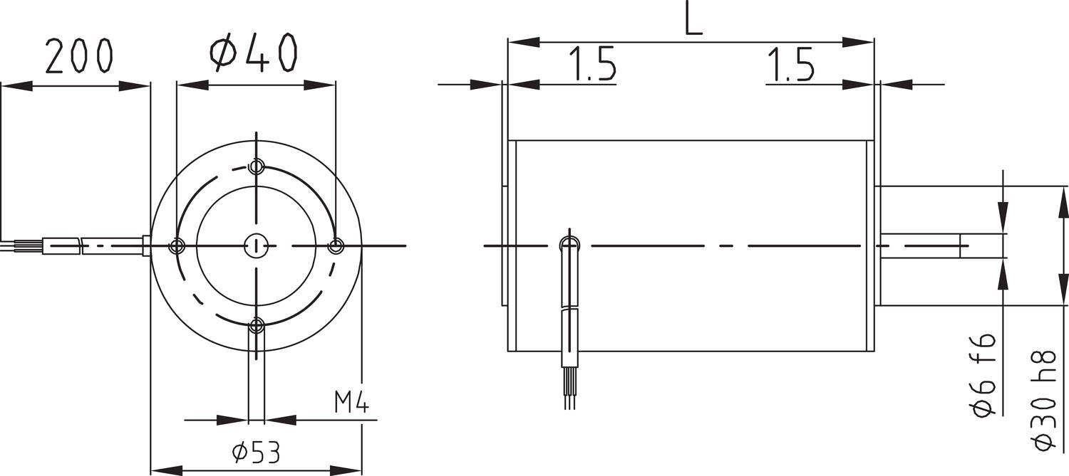
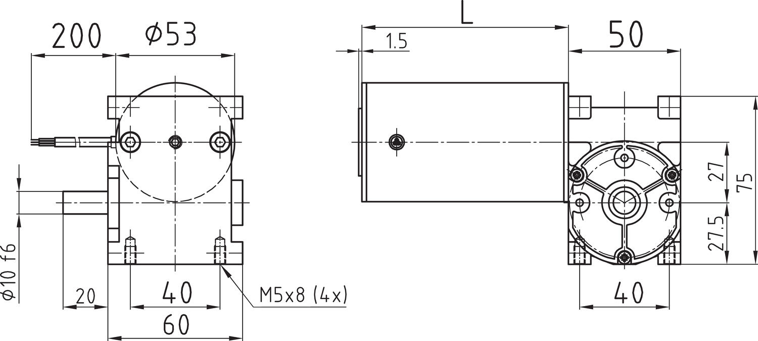
Snekkegear S446

Gefeg-236067-812.eps

Type

L mm

K 542/544

92

K 562/564

112

 

K 542

Udveksling

2.25:1

5:1

7:1

10:1

15:1

25:1

30:1

40:1

50:1

60:1

Hastighed RPM

1200

540

386

270

180

108

90

68

54

45

Moment Nm

0.1

0.1

0.2

0.2

0.3

0.4

0.4

0.4

0.6

0.5

 

K 562

Udveksling

2.25:1

5:1

7:1

10:1

15:1

25:1

30:1

40:1

50:1

60:1

Hastighed RPM

1156

520

371

260

173

104

87

65

52

43

Moment Nm

0.1

0.2

0.2

0.3

0.4

0.5

0.6

0.5

0.8

0.8

 

K 544

Udveksling

2.25:1

5:1

7:1

10:1

15:1

25:1

30:1

40:1

50:1

60:1

Hastighed RPM

533

240

171

120

80

48

40

30

24

20

Moment Nm

0.1

0.1

0.1

0.2

0.2

0.3

0.3

0.2

0.4

0.4

 

K 564

Udveksling

2.25:1

5:1

7:1

10:1

15:1

25:1

30:1

40:1

50:1

60:1

Hastighed RPM

533

240

171

120

80

48

40

30

24

20

Moment Nm

0.1

0.1

0.2

0.2

0.3

0.4

0.4

0.4

0.6

0.6

 

Tandhjulsgear Z5

Gefeg-neckar-236071-812.eps

Type

L mm

K 542/544

92

K 562/564

112

 

K 542

Udveksling

4.55:1

8.9:1

13:1

17.4:1

25:1

35.5:1

46.2:1

82:1

110:1

145:1

Hastighed RPM

593

303

208

155

108

76

58

33

25

19

Moment Nm

0.1

0.3

0.4

0.5

0.7

1.1

1.3

2.3

3.1

3.3*

 

K 562

Udveksling

4.55:1

8.9:1

13:1

17.4:1

25:1

35.5:1

46.2:1

82:1

110:1

145:1

Hastighed RPM

571

292

200

149

104

73

56

32

24

18

Moment Nm

0.2

0.4

0.6

0.8

1.1

1.5

1.9

3.3

3.3*

3.3*

 

* Maks. tilladt moment

 

K 544

Udveksling

4.55:1

8.9:1

13:1

17.4:1

25:1

35.5:1

46.2:1

82:1

110:1

145:1

Hastighed RPM

264

135

92

69

48

34

26

15

11

8

Moment Nm

0.1

0.2

0.3

0.4

0.5

0.7

0.9

1.6

2.1

2.8

 

K 564

Udveksling

4.55:1

8.9:1

13:1

17.4:1

25:1

35.5:1

46.2:1

82:1

110:1

145:1

Hastighed RPM

264

135

92

69

48

34

26

15

11

8

Moment Nm

0.2

0.3

0.4

0.6

0.8

1.1

1.4

2.5

3.3*

3.3*

 

* Maks. tilladt moment

 

Planetgear P30

Gefeg-neckar-236070-812.eps

Type

L mm

K 542/544

92

K 562/564

112

 

K 542

Udveksling

3.7:1

5.2:1

6.8:1

13.7:1

18.4:1

28.9:1

45.6:1

78.7:1

115:1

169:1

Hastighed RPM

730

519

397

197

147

93

59

34

23

16

Moment Nm

0.1

0.1

0.2

0.4

0.5

0.8

1.2

1.9

2.8

4.1

 

K 562

Udveksling

3.7:1

5.2:1

6.8:1

13.7:1

18.4:1

28.9:1

45.6:1

78.7:1

115:1

169:1

Hastighed RPM

703

500

382

190

141

90

57

33

23

15

Moment Nm

0.1

0.2

0.3

0.5

0.7

1.1

1.7

2.8

4.0

4.5*

 

* Maks. tilladt moment

 

K 544

Udveksling

3.7:1

5.2:1

6.8:1

13.7:1

18.4:1

28.9:1

45.6:1

78.7:1

115:1

169:1

Hastighed RPM

324

231

176

88

65

42

26

15

10

7

Moment Nm

0.1

0.1

0.1

0.2

0.3

0.5

0.8

1.3

1.9

2.8

 

K 564

Udveksling

3.7:1

5.2:1

6.8:1

13.7:1

18.4:1

28.9:1

45.6:1

78.7:1

115:1

169:1

Hastighed RPM

324

231

176

88

65

42

26

15

10

7

Moment Nm

0.1

0.2

0.2

0.4

0.5

0.8

1.3

2.1

3.1

4.5

 

Tilbehør

Bremser

Gefeg-245412-812.eps

Gefeg-neckar-245413-812.eps

Gefeg-245414-812.eps

Gefeg-245415-812.eps

Gefeg-245416-812.eps

Gefeg-245417-812.eps

 

Best. nr.

For bestillingsnumre kontakt venligst OEM Automatic Klitsø, El-afd.

  • 53mm i diameter
  • Effekt: 3-12 W
  • Fås i længder: 92 og 112 mm
  • Fås med: snekke-, planet- eller tandhjulsgear

Udvalgt variant

Udvalgt variant

Specifikationer

Axial force 8 N
Effekt 9,5 W
Forsyningsspænding 1x230 V AC
Frame size 95 mm
Front size 53 mm
Insulation class B
IP-klasse IP40
Længde 92 mm
Max moment 0,25
Nominal torque 0,35
Nominel hastighed 2600 omdr/min
Nominel strøm 0,146 A
Phase 1
Shaft Diameter 6 mm
Vægt 0,7 kg

Mål & tilslutninger

Produktbeskrivelse

Gefeg Neckar har fremstillet kvalitets elektriske motorer og gear i mere end 50 år. Produktsortimentet består af små kompakte 1/3-fasede AC-motorer fra effektområde 3 -500W med eller uden køleventilator. Motorerne er normalt fremstillet til 230VAC 1-faset eller 3 * 230 / 400VAC, men andre spændinger er også tilgængelige på forespørgsel. Gefeg Neckars motorer er næsten altid fremstillet til at have et gear monteret på motoren. Motorerne bruges i medicinske applikationer eller industrielle applikationer, hvor Gefeg Neckars kvalitet kommer i spil. Motorerne har ofte et kompakt design, hvilket gør, at de med fordel egner sig i fødevareindustrien. Motorerne kan tilpasses med tilbehør som encodere, bremser eller forskellige samledåser. Gefeg Neckar fremstiller også universalmotorer, der tilbydes på forespørgsel.

 

 

K 542

K 562

K 544

K 564

Antal poler

2

2

4

4

Spænding V

230

230

230

230

Effekt W

10

12

3

5

Hastighed RPM

2700

2600

1200

1200

Moment Ncm

3.5

5.0

2.4

3.8

Startmoment Ncm

2.5

2.5

2.6

3.4

Strøm mA

136

110

67

100

Effektivitet %

35.5

47.0

20.0

21.5

Modstand Ω

395

530

1615

1110

Input W

28

25

15

22

Driftkondensator μF

1.5

1.5

1.0

1.5

Vægt kg

0.7

1.0

0.7

1.0

Moment af inerti gcm²

128

200

128

200

Temp. område ºC

-20...40 ºC

-20...40 ºC

-20...40 ºC

-20...40 ºC

Mak. temp. snoede ºC

+ 120 ºC

+ 120 ºC

+ 120 ºC

+ 120 ºC

Aksel diameter mm

6

6

6

6

Maks. last axialt N

8

8

8

8

Maks. last radialt N

100

100

100

100

 

Dimensioner

Gefeg-neckar-236069-812.eps

Type

L mm

K 542/544

92

K 562/564

112

 

Snekkegear S446

Gefeg-236067-812.eps

Type

L mm

K 542/544

92

K 562/564

112

 

K 542

Udveksling

2.25:1

5:1

7:1

10:1

15:1

25:1

30:1

40:1

50:1

60:1

Hastighed RPM

1200

540

386

270

180

108

90

68

54

45

Moment Nm

0.1

0.1

0.2

0.2

0.3

0.4

0.4

0.4

0.6

0.5

 

K 562

Udveksling

2.25:1

5:1

7:1

10:1

15:1

25:1

30:1

40:1

50:1

60:1

Hastighed RPM

1156

520

371

260

173

104

87

65

52

43

Moment Nm

0.1

0.2

0.2

0.3

0.4

0.5

0.6

0.5

0.8

0.8

 

K 544

Udveksling

2.25:1

5:1

7:1

10:1

15:1

25:1

30:1

40:1

50:1

60:1

Hastighed RPM

533

240

171

120

80

48

40

30

24

20

Moment Nm

0.1

0.1

0.1

0.2

0.2

0.3

0.3

0.2

0.4

0.4

 

K 564

Udveksling

2.25:1

5:1

7:1

10:1

15:1

25:1

30:1

40:1

50:1

60:1

Hastighed RPM

533

240

171

120

80

48

40

30

24

20

Moment Nm

0.1

0.1

0.2

0.2

0.3

0.4

0.4

0.4

0.6

0.6

 

Tandhjulsgear Z5

Gefeg-neckar-236071-812.eps

Type

L mm

K 542/544

92

K 562/564

112

 

K 542

Udveksling

4.55:1

8.9:1

13:1

17.4:1

25:1

35.5:1

46.2:1

82:1

110:1

145:1

Hastighed RPM

593

303

208

155

108

76

58

33

25

19

Moment Nm

0.1

0.3

0.4

0.5

0.7

1.1

1.3

2.3

3.1

3.3*

 

K 562

Udveksling

4.55:1

8.9:1

13:1

17.4:1

25:1

35.5:1

46.2:1

82:1

110:1

145:1

Hastighed RPM

571

292

200

149

104

73

56

32

24

18

Moment Nm

0.2

0.4

0.6

0.8

1.1

1.5

1.9

3.3

3.3*

3.3*

 

* Maks. tilladt moment

 

K 544

Udveksling

4.55:1

8.9:1

13:1

17.4:1

25:1

35.5:1

46.2:1

82:1

110:1

145:1

Hastighed RPM

264

135

92

69

48

34

26

15

11

8

Moment Nm

0.1

0.2

0.3

0.4

0.5

0.7

0.9

1.6

2.1

2.8

 

K 564

Udveksling

4.55:1

8.9:1

13:1

17.4:1

25:1

35.5:1

46.2:1

82:1

110:1

145:1

Hastighed RPM

264

135

92

69

48

34

26

15

11

8

Moment Nm

0.2

0.3

0.4

0.6

0.8

1.1

1.4

2.5

3.3*

3.3*

 

* Maks. tilladt moment

 

Planetgear P30

Gefeg-neckar-236070-812.eps

Type

L mm

K 542/544

92

K 562/564

112

 

K 542

Udveksling

3.7:1

5.2:1

6.8:1

13.7:1

18.4:1

28.9:1

45.6:1

78.7:1

115:1

169:1

Hastighed RPM

730

519

397

197

147

93

59

34

23

16

Moment Nm

0.1

0.1

0.2

0.4

0.5

0.8

1.2

1.9

2.8

4.1

 

K 562

Udveksling

3.7:1

5.2:1

6.8:1

13.7:1

18.4:1

28.9:1

45.6:1

78.7:1

115:1

169:1

Hastighed RPM

703

500

382

190

141

90

57

33

23

15

Moment Nm

0.1

0.2

0.3

0.5

0.7

1.1

1.7

2.8

4.0

4.5*

 

* Maks. tilladt moment

 

K 544

Udveksling

3.7:1

5.2:1

6.8:1

13.7:1

18.4:1

28.9:1

45.6:1

78.7:1

115:1

169:1

Hastighed RPM

324

231

176

88

65

42

26

15

10

7

Moment Nm

0.1

0.1

0.1

0.2

0.3

0.5

0.8

1.3

1.9

2.8

 

K 564

Udveksling

3.7:1

5.2:1

6.8:1

13.7:1

18.4:1

28.9:1

45.6:1

78.7:1

115:1

169:1

Hastighed RPM

324

231

176

88

65

42

26

15

10

7

Moment Nm

0.1

0.2

0.2

0.4

0.5

0.8

1.3

2.1

3.1

4.5

 

Tilbehør

Bremser

Gefeg-245412-812.eps

Gefeg-neckar-245413-812.eps

Gefeg-245414-812.eps

Gefeg-245415-812.eps

Gefeg-245416-812.eps

Gefeg-245417-812.eps

 

Best. nr.

For bestillingsnumre kontakt venligst OEM Automatic Klitsø, El-afd.

Tilbehør

Lær mere om fødevarer_Listing
Tips og guides

Fødevarer - Hygiejne & proceskontrol

Når det kommer til komponenter, der skal anvendes i fødevareproduktion, sætter vi kvalitet og sikkerhed i højsædet for at sikre, at de lever op til de højeste standarder og følger branchens regler. Ved valg af komponenter er materialevalg, korrekt godkendelse, kompatibilitet og pålidelighed helt afgørende faktorer i denne branche. Hver komponent skal vælges omhyggeligt og tilpasses for at imødekomme de strenge krav, der stilles.

Tips og guides

Lær mere om strømforsyninger

Vi tilbyder et komplet sortiment af strømforsyninger, redundante systemer, DC-UPS og en række specialtilpassede enheder til f.eks. eksplosionsfarlige miljøer (ATEX) eller NEC class 2-kredsløb fra vores producent PULS. Strømforsyninger til 110 V DC indspænding med strømkapacitet fra 0,6 A op til 20 A (24 V DC).

Smart-Line af Zimmerlin
Produktnyheder

Tankdæksler på rekordtid med Smart-Line

Nu kan du få præfabrikerede og konfigurerbare trykdæksler leveret på kun 2 uger – en hurtig og fleksibel løsning, der sparer dig både tid og besvær.

XV Ventiltermial
Produktnyheder

Modulær ventilterminal fra Aventics – XV-serien

Aventics XV-serie fra Emerson muliggør øget fleksibilitet og effektivitet i produktionssystemer. Den moderne ventilteknologi i denne serie forbedrer udnyttelsen af trykluft og optimerer ydeevnen i pneumatiske systemer. Med sit kompakte design sparer XV-serien plads i styreskabet, samtidig med at ventilerne har lang levetid og kræver minimal vedligeholdelse. Dette giver øget oppetid og gør serien til et fremragende valg for nutidens krævende produktionsmiljøer.

Omkostningseffektiv niveaumåling
Produktnyheder

Omkostningseffektiv og pålidelig niveaumåling med Rosemount 1208 niveau- og flowradar

Efterhånden som kravene til pålidelig niveau- og flowmåling stiger, bliver behovet for smartere og mere robust teknologi stadig vigtigere. Med Rosemount 1208 niveau- og flowradar præsenterer vi hos OEM Automatic en ny, berøringsfri niveauradar, der kombinerer høj præcision med nem installation – uanset om det er vand, havre eller kemikalier.

Tescom Trykregulatorer
Produktnyheder

TESCOM MULTI-PURPOSE TRYKREGULATORER

Vi tilbyder et bredt udvalg af Tescom trykregulatorer, der dækker alt fra laboratorieanalyser til industrielle gasinstallationer. Tescom er kendt for sin høje kvalitet, fleksibilitet og pålidelighed – uanset om du arbejder med brandfarlige gasser, kalibreringsudstyr eller trykpaneler.

Favoritter Artikler Axial force Effekt Frame size Front size Insulation class IP-klasse Længde Max moment Nominal torque Nominel hastighed Nominel strøm Shaft Diameter Vægt Pris
8 N
9,5 W
95 mm
53 mm
B
IP40
92 mm
0,25
0,35
2600 omdr/min
0,146 A
6 mm
0,7 kg
8 N
3 W
53 mm
53 mm
B
IP40
92 mm
0,26
0,24
1200 omdr/min
0,067 A
6 mm
0,7 kg
8 N
13,1 W
53 mm
53 mm
B
IP40
112 mm
0,26
0,48
2600 omdr/min
0,11 A
6 mm
1 kg
8 N
4,8 W
53 mm
53 mm
B
IP40
112 mm
0,34
0,38
1200 omdr/min
0,1 A
6 mm
1 kg
20 N
19 W
53 mm
68 mm
B
IP44
92 mm
0,05
0,7
2650 omdr/min
0,174 A
8 mm
1,2 kg
20 N
26 W
68 mm
68 mm
B
IP44
112 mm
0,06
0,95
2650 omdr/min
0,252 A
8 mm
1,7 kg
20 N
9,4 W
68 mm
68 mm
B
IP44
92 mm
0,56
0,72
1250 omdr/min
0,15 A
8 mm
1,2 kg
20 N
13,7 W
68 mm
68 mm
B
IP44
112 mm
0,09
1,05
1250 omdr/min
0,17 A
8 mm
1,7 kg
20 N
35,3 W
68 mm
83 mm
B
IP44
92 mm
0,64
1,25
2700 omdr/min
0,24 A
8 mm
1,9 kg
20 N
48,1 W
83 mm
83 mm
B
IP44
112 mm
1,05
0,17
2700 omdr/min
0,39 A
8 mm
2,5 kg
40 N
77,7 W
83 mm
83 mm
B
IP44
132 mm
1,55
2,75
2700 omdr/min
0,6 A
10 mm
3,3 kg
20 N
17,7 W
83 mm
83 mm
B
IP44
92 mm
1,17
0,13
1300 omdr/min
0,19 A
8 mm
1,9 kg
20 N
23,1 W
83 mm
83 mm
B
IP44
112 mm
1,35
0,17
1300 omdr/min
0,25 A
8 mm
2,5 kg
40 N
40,8 W
83 mm
83 mm
B
IP44
132 mm
1,8
0,3
1300 omdr/min
0,4 A
10 mm
3,4 kg
65 N
91 W
83 mm
95 mm
F
IP44
140 mm
2,25
0,48
2700 omdr/min
0,95 A
12 mm
3,7 kg
65 N
141 W
95 mm
95 mm
F
IP44
160 mm
2,8
0,65
2700 omdr/min
1,2 A
12 mm
4,5 kg
65 N
78 W
53 mm
95 mm
F
IP44
140 mm
0,27
0,57
1300 omdr/min
0,66 A
12 mm
3,7 kg
65 N
106 W
53 mm
95 mm
F
IP44
160 mm
0,32
0,78
1300 omdr/min
0,85 A
12 mm
4,5 kg

Udvalgt variant

Vælg en variant på listen

Teknisk rådgivning

Paw Christensen

Kundeservice
Har du har brug for hjælp? Kontakt os:
Har du brug for hjælp? Klik her!
Logo

COOKIE-INDSTILLINGER FOR OEMKLITSO.DK

Cookies hjælper os med at forbedre din oplevelse med os. Så for at kunne analysere trafikken, håndtere loginoplysninger, tilbyde dig personlige oplysninger og for at grundlæggende funktionalitet kan fungere på webssitet, skal vi bruge nogle cookies.

NØDVENDIGE COOKIES

Disse cookies er nødvendige for, at webstedet fungerer og kan ikke slås fra i vores systemer. De bruges normalt kun som reaktion på handlinger, du har foretaget i forbindelse med en serviceanmodning, f.eks. Når du angiver personlige præferencer, logger ind eller udfylder en formular.

ANALYSE OG MÅLING

Disse cookies giver os mulighed for at tælle antallet af besøg og trafikkilder, så vi kan måle og forbedre vores websteds ydeevne. De hjælper os med at vide, hvilke sider der er mere eller mindre populære, og hvordan besøgende navigerer rundt på webstedet. De oplysninger, som disse cookies indsamler, er aggregerede og derfor helt anonyme. Hvis du ikke tillader disse cookies, ved vi ikke, hvornår du har besøgt vores websted.

MARKEDSFØRING

Disse cookies kan tilføjes af vores partnere. De kan bruge dem til at oprette en profil af dig baseret på dine interesser for at vise dig mere relevante oplysninger. De gemmer ingen personlige oplysninger - kun oplysninger om din browser og enhed. Hvis du ikke accepterer disse cookies, får du en mere generel og mindre tilpasset brugeroplevelse.