DEFINOX

DCX 3 DE Lækagesikker ventil

Pneumatisk

Definox DCX3 Lækagesikker ventil 

OEM´s DCX3 Lækagesikker ventil opfylder de stærkeste krav til proces teknologien og er den ideale løsning inde for Food, Bryggeri, Kosmetik, og Farmaceutiske processer. Sædeventilens design giver en bred vifte af muligheder og varianter. DCX3 er monteret som standard med en flydende PFA tætning der sikrer fremragende rengøring af ventilen. 

Tekniske fordele:

  • Fra DN 50 til DN 100
  • PFA flydende tætning, perfekt vaskbar, sikrer perfekt lækage tæthed ved høj temperatur og god modstandsdygtighed over for kemiske produkter
  • Sfærisk krop med tykke mure sikrer fremragende modstandsdygtighed over for ekspansion
  • Forskellige krop konfigurationer mulige: + TL / LT / L
  • Talrige tilslutninger mulige: SMS - DIN - Clamp
  • Plugen kan leveres med en elastomer tætning
  • Pneumatisk aktuator, aftageligt og nemt kan omstilles: NO-NC-Dobbelt effekt
  • Uafhængig dobbelt ventilsystem
  • Lækage indikator, for utæthed mellem pakningerne
  • I stand til at absorbere overtryk under pluggen
  • Ventilkroppen er maskinfremstillet i et stykke massivt stål som sikrer fremragende modstandsdygtighed mod mekaniske og termiske skader
  • Hurtig montering og afmontering
  • Mulig brug på en lang række applikationer
  • Komplet udskiftelighed af delkomponenter
  • Nem og hurtig vedligeholdelse takket være clampsamlingen. 

Lækagesikker ventil, DS/SMS/DIN

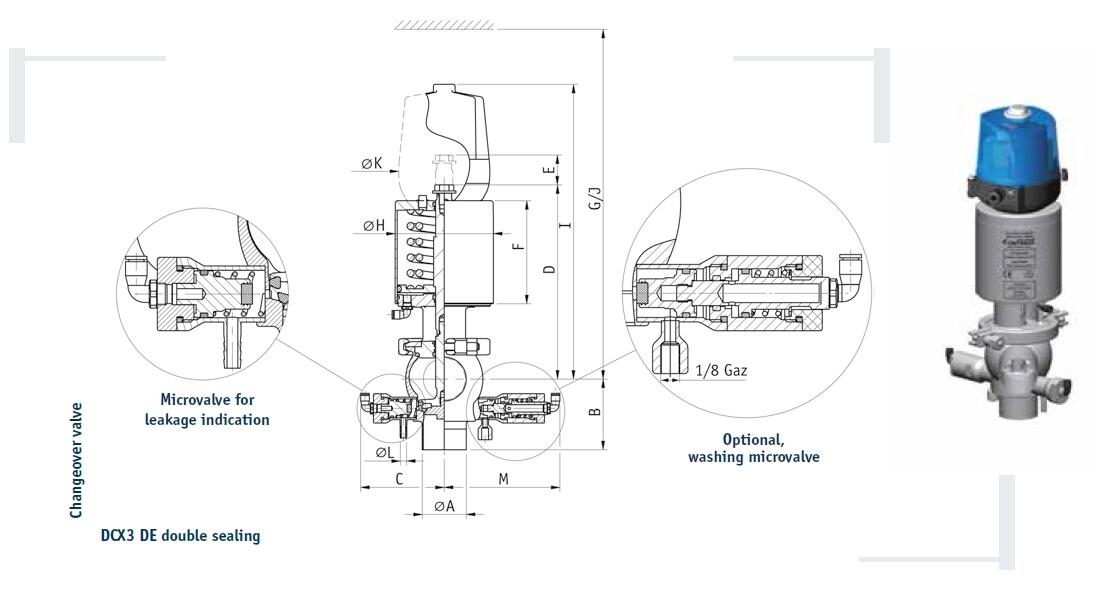
DCX3 Lækagesikker ventil, med dobbelt tætning, udfører de sædvanlige funktioner som er i en standard DCX3.
Den angiver også en potentiel lækage, som detekteres mellem de to isolerede zoner takket være et kammer forbundet til atmosfæren.

Denne ventil er et alternativ til Mixproof ventiler.

Uafhængig dobbelt ventilsystem
Lækage kammer med indikator forhindre enhver risiko for sammenblanding mellem produkterne
Den er i stand til at absorbere overtryk under pluggen
Kugleformede krop med tykke vægge garanterer fremragende modstandsdygtighed over for ekspansion
Specifikationer:

  • SMS - DIN - US
  • fra DN 51 (2") til DN 100 (4")

Materialer:

  • Produktberørte dele: 1.4404 / 316L
  • Ikke produktberørt:: 1.4301 / 304
  • Ventil tætning: flydende PFA – EPDM fluorerede elastomer (FKM) eller silicium
  • Andre pakninger: EPDM - fluorerede elastomer (FKM) eller silicium

Tilslutningsmuligheder:

  • Svejseende, gevind, union, clamp mm.

Aktuator:

  • Rustfrit stål 1.4301 / 304

Alternativ:

  • Vaskbar mikroventil der renser lækage kammer og lækage mitralklap når ventilen er lukket
    (Kræver 2. magnetventiler i styreenheden)

Signaludstyr:

  • Punkt-til-punkt eller AS-i styreenheden
  • ICS (fra DN 51 til DN 80)
  • ACS (fra DN 51 til DN 104)

Overflade:

  • RA udvendig = 1,2 um (150 grit)
  • RA indvendig = 0,8 um (180 grit)

Driftsforhold:

  • Max. temperatur: + 120°C
  • Min. temperatur: 0°C
  • Max. arbejdstryk: 8 bar (800 kPa) / 116 psi

Actuator luftforsyningstryk:

  • min. 5,5 bar (550 kPa) / 80 psi
  • max. 8 bar (800 kPa) / 116 psi
  • Vacuum modstand: 0,3 cm³ / s

Leveres som standard med:

  • Med aktuator
  • Med svejseender
  • Pakninger af EPDM
  • Ventil normal lukket (NC)
  • Produktberørte dele: Aisi 316L (14404)
  • Ikke produktberørte dele: Aisi 304 (14301)
  • Kan leveres med eller uden CIP ventil
  • Kontroltop til DN 50-100: Type ICS eller ACS
  • Finish: Poleret
  • 3.1 Certifikat samt FDA erklæring kan leveres
  • 3A og EHEDG

 

 

  • Perfekt lækage tæthed ved høj temperatur og god modstandsdygtighed over for kemiske produkter
  • Fremragende modstandsdygtighed over for ekspansion
  • Lækage indikator, for utæthed mellem pakningerne
  • I stand til at absorbere overtryk under pluggen
  • Hurtig montering og afmontering
DCX 3 DE med lækage-/CIP ventil

DCX 3 DE 2018

DCX 3 DE 2018

Udvalgt variant

Udvalgt variant

Specifikationer

Beskrivelse EHEDG Design
Certifikater 3.1 EN10204 ved ordre
Design Norm SMS
Diameter indre 48,5 mm
Diameter ydre 51 mm
Hus L1-Body
Materiale aktuator Rustfrit stål 304
Materiale sædetætning EPDM
Materialekvalitet 1.4404
Max arbejdstryk 8 bar
Overfladeruhed RA<0,8/1,2µm
Styretryk max 7 bar
Styretryk min 5,5 bar
Temperaturområde -5°C/+140°C
Tilslutning Svejseender
Vægt 7,7 kg

Produktbeskrivelse

Definox DCX3 Lækagesikker ventil 

OEM´s DCX3 Lækagesikker ventil opfylder de stærkeste krav til proces teknologien og er den ideale løsning inde for Food, Bryggeri, Kosmetik, og Farmaceutiske processer. Sædeventilens design giver en bred vifte af muligheder og varianter. DCX3 er monteret som standard med en flydende PFA tætning der sikrer fremragende rengøring af ventilen. 

Tekniske fordele:

  • Fra DN 50 til DN 100
  • PFA flydende tætning, perfekt vaskbar, sikrer perfekt lækage tæthed ved høj temperatur og god modstandsdygtighed over for kemiske produkter
  • Sfærisk krop med tykke mure sikrer fremragende modstandsdygtighed over for ekspansion
  • Forskellige krop konfigurationer mulige: + TL / LT / L
  • Talrige tilslutninger mulige: SMS - DIN - Clamp
  • Plugen kan leveres med en elastomer tætning
  • Pneumatisk aktuator, aftageligt og nemt kan omstilles: NO-NC-Dobbelt effekt
  • Uafhængig dobbelt ventilsystem
  • Lækage indikator, for utæthed mellem pakningerne
  • I stand til at absorbere overtryk under pluggen
  • Ventilkroppen er maskinfremstillet i et stykke massivt stål som sikrer fremragende modstandsdygtighed mod mekaniske og termiske skader
  • Hurtig montering og afmontering
  • Mulig brug på en lang række applikationer
  • Komplet udskiftelighed af delkomponenter
  • Nem og hurtig vedligeholdelse takket være clampsamlingen. 

Lækagesikker ventil, DS/SMS/DIN

DCX3 Lækagesikker ventil, med dobbelt tætning, udfører de sædvanlige funktioner som er i en standard DCX3.
Den angiver også en potentiel lækage, som detekteres mellem de to isolerede zoner takket være et kammer forbundet til atmosfæren.

Denne ventil er et alternativ til Mixproof ventiler.

Uafhængig dobbelt ventilsystem
Lækage kammer med indikator forhindre enhver risiko for sammenblanding mellem produkterne
Den er i stand til at absorbere overtryk under pluggen
Kugleformede krop med tykke vægge garanterer fremragende modstandsdygtighed over for ekspansion
Specifikationer:

  • SMS - DIN - US
  • fra DN 51 (2") til DN 100 (4")

Materialer:

  • Produktberørte dele: 1.4404 / 316L
  • Ikke produktberørt:: 1.4301 / 304
  • Ventil tætning: flydende PFA – EPDM fluorerede elastomer (FKM) eller silicium
  • Andre pakninger: EPDM - fluorerede elastomer (FKM) eller silicium

Tilslutningsmuligheder:

  • Svejseende, gevind, union, clamp mm.

Aktuator:

  • Rustfrit stål 1.4301 / 304

Alternativ:

  • Vaskbar mikroventil der renser lækage kammer og lækage mitralklap når ventilen er lukket
    (Kræver 2. magnetventiler i styreenheden)

Signaludstyr:

  • Punkt-til-punkt eller AS-i styreenheden
  • ICS (fra DN 51 til DN 80)
  • ACS (fra DN 51 til DN 104)

Overflade:

  • RA udvendig = 1,2 um (150 grit)
  • RA indvendig = 0,8 um (180 grit)

Driftsforhold:

  • Max. temperatur: + 120°C
  • Min. temperatur: 0°C
  • Max. arbejdstryk: 8 bar (800 kPa) / 116 psi

Actuator luftforsyningstryk:

  • min. 5,5 bar (550 kPa) / 80 psi
  • max. 8 bar (800 kPa) / 116 psi
  • Vacuum modstand: 0,3 cm³ / s

Leveres som standard med:

  • Med aktuator
  • Med svejseender
  • Pakninger af EPDM
  • Ventil normal lukket (NC)
  • Produktberørte dele: Aisi 316L (14404)
  • Ikke produktberørte dele: Aisi 304 (14301)
  • Kan leveres med eller uden CIP ventil
  • Kontroltop til DN 50-100: Type ICS eller ACS
  • Finish: Poleret
  • 3.1 Certifikat samt FDA erklæring kan leveres
  • 3A og EHEDG

 

 

Tilbehør

Lær mere om fødevarer_Listing
Tips og guides

Fødevarer - Hygiejne & proceskontrol

Når det kommer til komponenter, der skal anvendes i fødevareproduktion, sætter vi kvalitet og sikkerhed i højsædet for at sikre, at de lever op til de højeste standarder og følger branchens regler. Ved valg af komponenter er materialevalg, korrekt godkendelse, kompatibilitet og pålidelighed helt afgørende faktorer i denne branche. Hver komponent skal vælges omhyggeligt og tilpasses for at imødekomme de strenge krav, der stilles.

Smart-Line af Zimmerlin
Produktnyheder

Tankdæksler på rekordtid med Smart-Line

Nu kan du få præfabrikerede og konfigurerbare trykdæksler leveret på kun 2 uger – en hurtig og fleksibel løsning, der sparer dig både tid og besvær.

Omkostningseffektiv niveaumåling
Produktnyheder

Omkostningseffektiv og pålidelig niveaumåling med Rosemount 1208 niveau- og flowradar

Efterhånden som kravene til pålidelig niveau- og flowmåling stiger, bliver behovet for smartere og mere robust teknologi stadig vigtigere. Med Rosemount 1208 niveau- og flowradar præsenterer vi hos OEM Automatic en ny, berøringsfri niveauradar, der kombinerer høj præcision med nem installation – uanset om det er vand, havre eller kemikalier.

Tescom Trykregulatorer
Produktnyheder

TESCOM MULTI-PURPOSE TRYKREGULATORER

Vi tilbyder et bredt udvalg af Tescom trykregulatorer, der dækker alt fra laboratorieanalyser til industrielle gasinstallationer. Tescom er kendt for sin høje kvalitet, fleksibilitet og pålidelighed – uanset om du arbejder med brandfarlige gasser, kalibreringsudstyr eller trykpaneler.

Tilpassede tankdæksler listing
Produktnyheder

Kundetilpassede tankdæksler/mandehuller i rustfri og syrefast stål

Har I brug for et tankdæksel eller tanklåg, der opfylder specifikke krav? Så er I kommet til det rigtige sted. Hos OEM Automatic Klitsø samarbejder vi med den tyske producent Zimmerlin for at kunne tilbyde kundetilpassede tankdæksler og tanklåg i rustfrit og syrefast stål – velegnede til både indendørs og udendørs miljøer.

Zimmerlin er en erfaren og innovativ producent med høj teknisk ekspertise og stort fokus på kvalitet og kundeønsker. Uanset om I søger en standardløsning eller har behov for en specialdesignet konstruktion, er de – og vi – en pålidelig partner gennem hele processen.

Definox ID App
Produktnyheder

Optimér vedligeholdelsen af dine ventiler

Definox AR-app gør ventilvedligeholdelse enkel ved hjælp af QR-koder, der giver adgang til logbøger, dokumenter og videovejledninger. Planlæg vedligeholdelse, øg produktiviteten, forbedr sikkerheden og reducer fejl med en intuitiv løsning, der hjælper dig trin for trin.

Favoritter Artikler Design Norm Diameter indre Diameter ydre Hus Materiale sædetætning Vægt Pris
SMS
48,5 mm
51 mm
L1-Body
EPDM
7,7 kg
SMS
48,5 mm
51 mm
T1-Body
EPDM
7,7 kg
SMS
48,5 mm
51 mm
X1-Body
EPDM
7,7 kg
SMS
48,5 mm
51 mm
L2-Body
EPDM
7,7 kg
SMS
48,5 mm
51 mm
T2-Body
EPDM
7,7 kg
SMS
48,5 mm
51 mm
X2-Body
EPDM
7,7 kg
DIN
50 mm
53 mm
L1-Body
EPDM
7,7 kg
DIN
50 mm
53 mm
T1-Body
EPDM
7,7 kg
DIN
50 mm
53 mm
X1-Body
EPDM
7,7 kg
DIN
50 mm
53 mm
L2-Body
EPDM
7,7 kg
DIN
50 mm
53 mm
T2-Body
EPDM
7,7 kg
DIN
50 mm
53 mm
X2-Body
EPDM
7,7 kg
SMS
60,3 mm
63,5 mm
L1-Body
EPDM
17 kg
SMS
60,3 mm
63,5 mm
T1-Body
EPDM
17 kg
SMS
60,3 mm
63,5 mm
X1-Body
EPDM
17 kg
SMS
60,3 mm
63,5 mm
L2-Body
EPDM
17 kg
SMS
60,3 mm
63,5 mm
T2-Body
EPDM
17 kg
SMS
60,3 mm
63,5 mm
X1-Body
EPDM
17 kg
DIN
66 mm
70 mm
L1-Body
EPDM
17,5 kg
DIN
66 mm
70 mm
T1-Body
EPDM
17,5 kg
DIN
66 mm
70 mm
X1-Body
EPDM
17,5 kg
DIN
66 mm
70 mm
L2-Body
EPDM
17,5 kg
DIN
66 mm
70 mm
T2-Body
EPDM
17,5 kg
DIN
66 mm
70 mm
X2-Body
EPDM
17,5 kg
SMS
72 mm
76 mm
L1-Body
EPDM
17,5 kg
SMS
72 mm
76 mm
T1-Body
EPDM
17,5 kg
SMS
72 mm
76 mm
X1-Body
EPDM
17,5 kg
SMS
72 mm
76 mm
L2-Body
EPDM
17,5 kg
SMS
72 mm
76 mm
T2-Body
EPDM
17,5 kg
SMS
72 mm
76 mm
X2-Body
EPDM
17,5 kg
DIN
81 mm
85 mm
L1-Body
EPDM
18 kg
DIN
81 mm
85 mm
T1-Body
EPDM
18 kg
DIN
81 mm
85 mm
X1-Body
EPDM
18 kg
DIN
81 mm
85 mm
L2-Body
EPDM
18 kg
DIN
81 mm
85 mm
T2-Body
EPDM
18 kg
DIN
81 mm
85 mm
X2-Body
EPDM
18 kg
SMS
97,4 mm
101,6 mm
L1-Body
EPDM
37 kg
SMS
97,4 mm
101,6 mm
T1-Body
EPDM
37 kg
SMS
97,4 mm
101,6 mm
X1-Body
EPDM
37 kg
SMS
97,4 mm
101,6 mm
L2-Body
EPDM
37 kg
SMS
97,4 mm
101,6 mm
T2-Body
EPDM
37 kg
SMS
97,4 mm
101,6 mm
X2-Body
EPDM
37 kg
DIN
100 mm
104 mm
L1-Body
EPDM
37 kg
DIN
100 mm
104 mm
T1-Body
EPDM
37 kg
DIN
100 mm
104 mm
X1-Body
EPDM
37 kg
DIN
100 mm
104 mm
L2-Body
EPDM
37 kg
DIN
100 mm
104 mm
T2-Body
EPDM
37 kg
DIN
100 mm
104 mm
X2-Body
EPDM
37 kg
SMS
97,4 mm
101,6 mm
L1-Body
FKM
37 kg
SMS
97,4 mm
101,6 mm
T1-Body
FKM
37 kg
SMS
97,4 mm
101,6 mm
X1-Body
FKM
37 kg
SMS
97,4 mm
101,6 mm
L2-Body
FKM
37 kg
SMS
97,4 mm
101,6 mm
T2-Body
FKM
37 kg
SMS
97,4 mm
101,6 mm
X2-Body
FKM
37 kg
DIN
50 mm
53 mm
L1-Body
FKM
7,7 kg
DIN
50 mm
53 mm
T1-Body
FKM
7,7 kg
DIN
50 mm
53 mm
X1-Body
FKM
7,7 kg
DIN
50 mm
53 mm
L2-Body
FKM
7,7 kg
DIN
50 mm
53 mm
T2-Body
FKM
7,7 kg
DIN
50 mm
53 mm
X2-Body
FKM
7,7 kg
DIN
66 mm
70 mm
L1-Body
FKM
17,5 kg
DIN
66 mm
70 mm
T1-Body
FKM
17,5 kg
DIN
66 mm
70 mm
X1-Body
FKM
17,5 kg
DIN
66 mm
70 mm
L2-Body
FKM
17,5 kg
DIN
66 mm
70 mm
T2-Body
FKM
17,5 kg
DIN
66 mm
70 mm
X2-Body
FKM
17,5 kg
DIN
81 mm
85 mm
L1-Body
FKM
18 kg
DIN
81 mm
85 mm
T1-Body
FKM
18 kg
DIN
81 mm
85 mm
X1-Body
FKM
18 kg
DIN
81 mm
85 mm
L2-Body
FKM
18 kg
DIN
81 mm
85 mm
T2-Body
FKM
18 kg
DIN
81 mm
85 mm
X2-Body
FKM
18 kg
DIN
100 mm
104 mm
L1-Body
FKM
37 kg
DIN
100 mm
104 mm
T2-Body
FKM
37 kg
DIN
100 mm
104 mm
X1-Body
FKM
37 kg
DIN
100 mm
104 mm
L2-Body
FKM
37 kg
DIN
100 mm
104 mm
T2-Body
FKM
37 kg
DIN
100 mm
104 mm
X2-Body
FKM
37 kg

Udvalgt variant

Vælg en variant på listen

Teknisk rådgivning

Nicholas Haslund

Kundeservice
Har du har brug for hjælp? Kontakt os:
Har du brug for hjælp? Klik her!
Logo

COOKIE-INDSTILLINGER FOR OEMKLITSO.DK

Cookies hjælper os med at forbedre din oplevelse med os. Så for at kunne analysere trafikken, håndtere loginoplysninger, tilbyde dig personlige oplysninger og for at grundlæggende funktionalitet kan fungere på webssitet, skal vi bruge nogle cookies.

NØDVENDIGE COOKIES

Disse cookies er nødvendige for, at webstedet fungerer og kan ikke slås fra i vores systemer. De bruges normalt kun som reaktion på handlinger, du har foretaget i forbindelse med en serviceanmodning, f.eks. Når du angiver personlige præferencer, logger ind eller udfylder en formular.

ANALYSE OG MÅLING

Disse cookies giver os mulighed for at tælle antallet af besøg og trafikkilder, så vi kan måle og forbedre vores websteds ydeevne. De hjælper os med at vide, hvilke sider der er mere eller mindre populære, og hvordan besøgende navigerer rundt på webstedet. De oplysninger, som disse cookies indsamler, er aggregerede og derfor helt anonyme. Hvis du ikke tillader disse cookies, ved vi ikke, hvornår du har besøgt vores websted.

MARKEDSFØRING

Disse cookies kan tilføjes af vores partnere. De kan bruge dem til at oprette en profil af dig baseret på dine interesser for at vise dig mere relevante oplysninger. De gemmer ingen personlige oplysninger - kun oplysninger om din browser og enhed. Hvis du ikke accepterer disse cookies, får du en mere generel og mindre tilpasset brugeroplevelse.